Юрій
Да, мало пинов, да, проц слабее. Ну и хер бы с ним? Разве это плохо?
Юрій
Зато 1$ за модуль
Юрій
У меня, извиняюсь, первый комп был как две 8266 + жесткий диск на 80 гигов))
Anton
там проблема в спи
Anton
лвгл не пользовался, я велосипедист, всё-таки, но проблемы похожие.
Andy
Добрый вечер. Работал с LVGL и вспомнил, что есть второе ядро: пробовал кто-нибудь менять встроенный диспетчер lvgl на freertos, что бы разделить графику и логику на 2 потока, или не стоит танцев с бубном?
Конечно зависит от ТЗ, но обычно узким местом бывает аппаратный интерфейс с дисплеем. Даже SPI не успевает за одним ядром. Так что должна быть ну очень специфическая задача.
Evgen
Технически - ничем, с позиции поддержки и ясности кода - сугубо субъективная. Штука из мира функционального программирования: 1. Многоуровневая вложенная if конструкция на проверку года, дня, месяца, часа, минуты, секунды, миллисекунды на равенство. Много условий; 2. IfEq(условие) ->*опускаемся на уровень ниже, вернув T экземпляр/ссылку* IfEq(...) -> IfEq(...) -> ... При не выполнении одного из условий элементарно "не выполняются" последующие, а точнее через обработку внутри "метода расширения" будет возвращать ссылку на экзампляр, либо уже nullptr. В конце спокойно добавить проверку на nullptr и в таком случае пишешь в разы меньше кода, а на выходе, в моем случае/нужд, ссылка на объект/нулевая, что эквивалентно true/false
нахуа такие гемморои, когда есть time_t и if в одну строчку? Ну или если сиьно хочется повыёжыватца, то пихаешь все в класс и пишешь функцию для сравнения
Max
1. Считаю это нужным для себя, а не спрашивал и ваше мнение на счёт "нужно ли мне это". Спросил, значит либо нужно, либо интересно. 2. Для понимания вопроса + раскрыть позицию, чем я вижу это полезным - привел тривиальный пример, т.к. не стану я расписывать тонны кода, что бы вам понравился мой вопрос: не нравится, то не утруждайтесь и не отвечайте 3. "Хочется повыежыватца, пук-пук". Страуструп выходит тоже захотел повыёживаться. Успокойтесь и сделайте себе чашечку кофе, а то видимо ещё не проснулись
Evgen
Да хоспаде, хотите в гамаке и на лыжах - да ради бога. А в остальном - тут таки интернеты и могут послать подальше плюс специфика чата, колобок вам в прагму
Max
Казахский вирус?
Alex
Плохо подобрана целевая аудитория. Мамонтов ведь нужно искать в чате ардуинщиков
Ввести твой аккаунт надо в эпл айди, потому что у тебя глючит и не заходит?
Max
Там же железяка, она не ответит
Max
Там колцентр "сотрудников служб безопасности банка"
Max
Так я туда тоже написал. Не отвечают же
Штирлиц никогда не был так близко к провалу)
Штирлиц никогда не был так близко к провалу)
Бля хотел тыщу за 5 минут заработать, а опять наебали. Никогда такого не было и вот
Не жил хорошо - нечего и начинать
А вообще про впишите свой эпл айди в своей телефон - классический наеб. Слышал даже что магазины попадались с телефонами с витрины
Fenribel
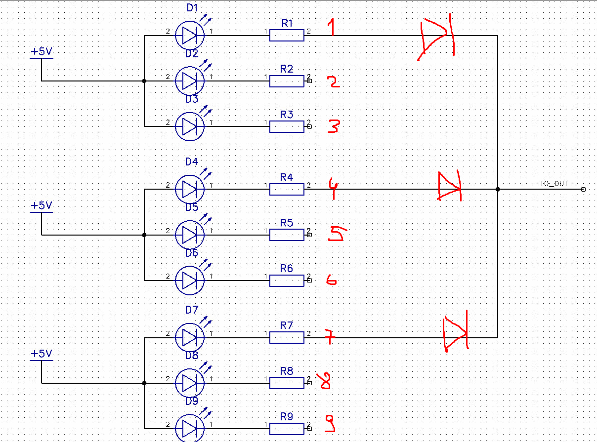
Коллеги, добрый день! У меня есть схема с 5 RGB светодиодами, каждым каналом которого я управляю отдельным пином на esp. На плате также имеется заряное устройство аккумулятора, которое имеет 2 контакта для подключения светодиодов. При неактивном состоянии этих контактов, они имеют высокий импеданс. Если они активны (идёт процесс заряда — горит красный светодиод на зарядке, полностью зарядилось — зелёный), то соответствующий контакт закорачивается на землю. Как я могу подключить эти два контакта на все 5 светодиодов? Если я просто соединю проводами, то независимое управление светодиодами уйдёт, если подключу через диод — то боюсь что напряжения на светодиоды не хватит.
Fenribel
Я имею в виду вот эти два контакта микросхемы зарядки. Сейчас я их подключил только к одному светодиоду, но хочется чтобы горел не только он один при зарядке, а все 5
@
во-первых,
как только реализуете эту схему, то есть на каждый светодиод по резистору, уже можно будет, не боясь спалить их, соединять катоды (минусы) вместе (после резисторов) чтобы они зажигались вместе
Конь Денвера
Точнее одна машина на московских, вторая на подмосковных
Это ты меня когда-то за чумодан что шевелиться спрашивал ?
Конь Денвера
+
Щя покажу где он)
Конь Денвера
И для сего я его делал
Конь Денвера
Видео сожму только. Весит 1Гб
Fenribel
во-первых,
А почему не рекомендуется? Я тоже думал сначала сделать первый вариант, но потом посчитал мощность на резисторе — хватает его. Если уж один канал выгорит то это не сильно лучше чем все три канала выгорят
Fenribel
Не совсем понял, что вы имеете в виду. Просто управлять 15 кнаалами (5 светодиодов по 3 цвета) проблемы нет. Не пойму, как при выключенном микроконтроллере мне правильно подсоединить контакт микросхемы зарядки, который показывает процесс заряда (high-Z без зарядки, gnd в процессе зарядки). Хочется показывать процесс заряда красным цветом на всех светодиодах
Конь Денвера
Конь Денвера
Надеюсь что не сильно качество от ужатия пострадало.
Fenribel
отдельные резисторы нужны чтобы яркость не менялась от включения параллельного светодиода, резисторы нужны именно отдельные
Понял. Как-то не подумал про это, держал в голове почему-то что все каналы из идентичных по свойствам диодов)
Fenribel
Но в таком случае если уже при включённом микроконтроллере я включу первый красный, то и второй и третий красные тоже включатся
Fenribel
Тут я подписал "пины" мк. Можно было бы сделать вот такую схему с диодами, но на них сколько то упадёт вольт — и может при низком заряде батареи из-за этого доп падения светодиоды уже не будут включаться. Может будут, может нет — как-то костыльно выглядит
Fenribel
Хотя... Если они включаются только при зарядке, а при зарядке на аккуме точно большое напряжение... Может и нормально
Арсений
У красных напряжение ниже, к слову (2-2.5В вроде?), а у диода шоттки падение 0.4 всего
Fenribel
У него от 2,5 до 3,3в
Арсений
У него от 2,5 до 3,3в
Загуглил, от 1.9 до 2.1 на красных падает. Я бы посмотрел на реальных светодиодах мультиметром.
@
Загуглил, от 1.9 до 2.1 на красных падает. Я бы посмотрел на реальных светодиодах мультиметром.
ну не суть, гореть они будут, потом номиналы можно подобрать по яркости чтобы втекающий в ноги микросхемы ток не превысить... светить они уже от долей миллиампер начинают
Fenribel
Хотя... Если они включаются только при зарядке, а при зарядке на аккуме точно большое напряжение... Может и нормально
Хотя надо с этим эсперимент поставить. Думаю что этот факт позволит диоды использовать, так что не нужны будут защиты микроконтроллера от тока
@
Хотя надо с этим эсперимент поставить. Думаю что этот факт позволит диоды использовать, так что не нужны будут защиты микроконтроллера от тока
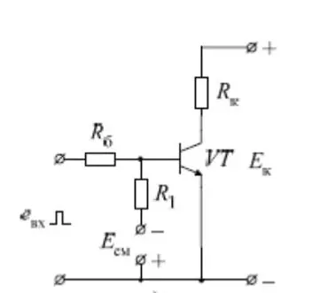
или еще, ногу ESP переключить в режим открытый коллектор, чтобы он сильный плюс не выдавал и не спалил верхний ключ в порте своем
@
Да, конечно, именно так и предполагается
у микросхемы зарядки и так выход - открытый коллектор, она прижимает к земле пин
@
Да, конечно, именно так и предполагается
как включать npn-транзистор разберетесь?
Fenribel
Да, или так можно сделать) спасибо за идеи
@
Да, или так можно сделать) спасибо за идеи
npn-транзистор, в базу где-нибудь 1 килоом, чтобы не зажигался если контроллер отключен, подтяжка на землю от базы где-нибудь 10к
@
R1 10k, Rб 1к...5к, это на ногу контроллера чтобы он не включался от светодиода
Fenribel
Спасибо
Aliaksei
Друзья, помогите подключить энкодер с выходами А и В открытый коллектор NPN к оптопарам.
Aliaksei
Aliaksei
Все что приходит в голову это параллельное подключение к источнику питания. Но тогда один выход шунтирует второй
Aliaksei
@
PNP-транзистор в середине в режиме ключа...
@
рисовать или знаете?
Aliaksei
@
какой Vcc брать дело Ваше, в зависимости от резисторов перед оптронами и тока который они хотят.... обычно миллиампер 5...10
@
в базах где-нибудь по 1...5 килоом
@
в базах где-нибудь по 1...5 килоом
можно еще подтяжки сделать килоом по 10, но это по желанию, если закрываться не будут