Василий
может где и то и пригодиться конечно такое решение - но больно уж сомнительное оно (как по мне)
romanetz
Ну st-шники в своих дискаверях в качестве расширителя портов stm32l152 втыкают...
Sandip
https://www.youtube.com/c/voidloopRobotechAutomation Subscribe this channel
𝘂𝘅𝗻𝗮𝗺𝗲
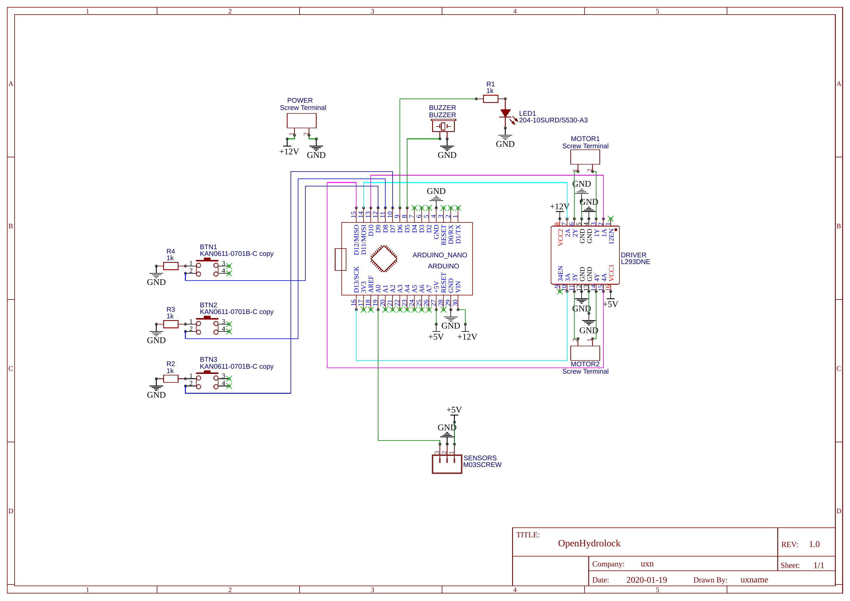
Зацените схему плз если кому не лень. По ней собираюсь плату печатать заказывать. Не знаю, что можно тут найти, но может кто опытным взглядом сходу увидит ошибки
Василий
где ж хоть один блокировочный конденсатор?
Ground
Kicad?
Ground
Я бы кнопки к питанию подтянул-бы и конденсатор от дребезга поставил-бы
𝘂𝘅𝗻𝗮𝗺𝗲
забыл
ща поем и сделаю, немогу уже)
𝘂𝘅𝗻𝗮𝗺𝗲
Kicad?
easyeda
Василий
бузер - хоть через резистор включи - сколько он жрет? - он же порт убьет
𝘂𝘅𝗻𝗮𝗺𝗲
Я бы кнопки к питанию подтянул-бы и конденсатор от дребезга поставил-бы
от дребезга в ардуине задержка делается программно
Василий
и резисторы 1к возле кнопок - какой в них толк?
Василий
на сенсор RC фильтр хоть поставь
𝘂𝘅𝗻𝗮𝗺𝗲
бузер - хоть через резистор включи - сколько он жрет? - он же порт убьет
хмм, я вот такой покупал, вроде как без резистора, порт не убил. Но мысль здравая
Ground
И кнопки разве не 1 - 3 и 2 - 4 по пинам при нажатии замыкаются?
𝘂𝘅𝗻𝗮𝗺𝗲
Василий
хмм, я вот такой покупал, вроде как без резистора, порт не убил. Но мысль здравая
все зависит от тока - вообще лучше через транзистор включить
𝘂𝘅𝗻𝗮𝗺𝗲
Василий
амперка ))
𝘂𝘅𝗻𝗮𝗺𝗲
и резисторы 1к возле кнопок - какой в них толк?
Подтягивающие, без них помехи идут ппц какие
Ground
Ардуино нано вроде не больше 20ма на порт... Так что напрямую не очень точно
Василий
какие ж они подтягивающие если они на землю
Ground
Вот вот, поидее кнопки к питанию притянуть надо
𝘂𝘅𝗻𝗮𝗺𝗲
𝘂𝘅𝗻𝗮𝗺𝗲
Василий
да хоть готовый - хоть сырой
Василий
ааа там не аналог - тогда можно
𝘂𝘅𝗻𝗮𝗺𝗲
какие ж они подтягивающие если они на землю
Ну затягивающие, подтягивающие, натягивающие, я не шарю пока) но знаю что они нужны, и проверял - без них анархия фантомных нажатий
𝘂𝘅𝗻𝗮𝗺𝗲
ааа там не аналог - тогда можно
Там и аналог и цифра, но мне чисто цифра нужна
Ground
Это потому что в разомкнутом состоянии у них непонятный логический уровень
Ground
Хотя в ардуинке вроде как есть програмная подтяжка
𝘂𝘅𝗻𝗮𝗺𝗲
Хотя в ардуинке вроде как есть програмная подтяжка
Вроде есть, но что-то у меня не работало
Василий
резисторы должны стоять на + и где то 10к
Ground
Тогда темболее к питанию их надо через резисторы а к земле через кнопки уже напрямую и можно мелкий конденсатор параллельно кнопке
Василий
внутри подтяжка есть - включаемая - она где то 40к
𝘂𝘅𝗻𝗮𝗺𝗲
а как же програмное подавление дребезга ?
Дребезг и фантомные нажатия это разное, фантомы считай == 90% времени «нажато»
MrSyabro
Помогите, пожалуйста
MrSyabro
MrSyabro
Вот такая плата при выводе ШИМ на GPIO4 теряет сигнал wi-fi
Василий
Дребезг и фантомные нажатия это разное, фантомы считай == 90% времени «нажато»
нет - нет там никакого фантомного нажатия - есть не подтянутые входы
Ground
Короче ваша ардуинка не понимает какая логическая ерунда на входе порта с кнопкой
Ground
Поиому как при ненажатой кнопке пин висит в воздухе
𝘂𝘅𝗻𝗮𝗺𝗲
Василий
😀 не смеши ...
Ground
Ну всеравно неканонично ))))
Ground
Спросили же про ошибки
Ground
Ну вот такое подключение кнопок явно тянет на ошибку, независимо от того работает оно или нет
𝘂𝘅𝗻𝗮𝗺𝗲
Ок, еще раз, как советуете подключить в итоге?
𝘂𝘅𝗻𝗮𝗺𝗲
Спасибо за фидбэк, именно такой реакции ждал :)
Василий
С резисторами всё ок, я точно уверен :) проверял
и посмотри внимательно - ты не правильно нарисовал - кнопка должны замыкаться 1-2 на 3-4
Ground
https://images.app.goo.gl/Jxt65K9Nv4tNaQV26
Василий
да, вот так правильно
Василий
охрана...отмена )))
𝘂𝘅𝗻𝗮𝗺𝗲
Бл... Точно, отмена, схема неверная
Я думаю че вы прицепились...а там схема в корне неверная
Василий
...иди поешь...совсем выходся ))
𝘂𝘅𝗻𝗮𝗺𝗲
Да я в процессе
𝘂𝘅𝗻𝗮𝗺𝗲
Закину потом в опенсурс всё это. Будет DIY защита от протечек
𝘂𝘅𝗻𝗮𝗺𝗲
Неизвестно пока только как корпус недорого и красиво сделать, не считая 3д печати
Василий
и диоды поставь на выходе L293 - так будет надежней - а не фонтомные глюки от помех
𝘂𝘅𝗻𝗮𝗺𝗲
𝘂𝘅𝗻𝗮𝗺𝗲
с клапанами ?
Да, клапаны по 16 баксов каждый
𝘂𝘅𝗻𝗮𝗺𝗲
Ну 17
𝘂𝘅𝗻𝗮𝗺𝗲
17*2=34. Ардуина 3. Датчики плата провода, корпус... Ну где-то 50 мб выйдет
Василий
напомни ссылку на клапана
𝘂𝘅𝗻𝗮𝗺𝗲
https://m.aliexpress.ru/item/1938516987.html?spm=a2g0n.orderlist-amp.item.1938516987&aff_trace_key=43a9974a1b0e47d785cf8395f6785762-1578703223115-05488-N3M04NTE&aff_platform=msite&m_page_id=7561amp-jKr7fzPm-dEZUI5ZqmmPzA1579462300392&browser_id=4794d90d51cf42c986a0c53575ffcf96&is_c=Y
𝘂𝘅𝗻𝗮𝗺𝗲
диоды обязательно - в L293DNE - их внутри нет
Пожалуйсто. Попозже. На сегодня я всё) Целый день изучал создание принципиальных схем, печатных плат и перепробовал разные проги под всё это. Я вас потом еще за кондеры и диоды спрошу если не против
Василий
угу, заходи если чё ))
𝘂𝘅𝗻𝗮𝗺𝗲
https://cs-online.club/invite/ru/27049
𝘂𝘅𝗻𝗮𝗺𝗲
вот так
𝘂𝘅𝗻𝗮𝗺𝗲
кактут http://arduino.ru/tutorials/button