𝘂𝘅𝗻𝗮𝗺𝗲
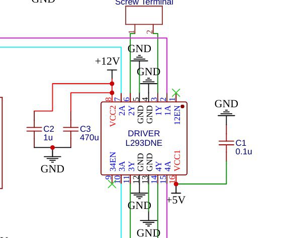
с кнопками вроде ок, что там дальше по плану, кондёры нужны?
𝘂𝘅𝗻𝗮𝗺𝗲
Alexandre
Я бы на ноги питания l293 по керамическому 0,1мкф поставил, мы же позавчера об этом говорили
𝘂𝘅𝗻𝗮𝗺𝗲
Alexandre
И еще ты взял для управления движками ноги, использующиеся для мисо-моси. Если когда-нибудь захочешь эту плату программировать программатором, это не очень хорошая идея.
Alexandre
Да, можно такие
Alexandre
И ставь их на плате по возможности вплотную к ногам питания
Alexandre
Они соединены
𝘂𝘅𝗻𝗮𝗺𝗲
а, ну лан, всё равно в нано программатор встроенный, там один раз прошить, а потом уже пихать в плату
Alexandre
Ну если так, то не проблема
𝘂𝘅𝗻𝗮𝗺𝗲
правильно?
Alexandre
правильно?
Да, только 1мкф не надо, 0,1мкф хватит. И еще у тебя не подключены 12en/34en на чипе. Не хочешь их подключить к ардуине и иметь возможность обесточить выход чипа?
Alexandre
Энергосберегать :)
𝘂𝘅𝗻𝗮𝗺𝗲
а иначе что будет брать ток? сама l293d? моторы то не будут по идее
𝘂𝘅𝗻𝗮𝗺𝗲
l293d немножко берет, не, не надо энергосбережение
Василий
вот так научишся делать - как попало и будешь потом мучаться
Василий
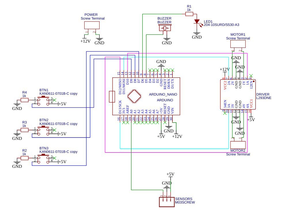
говорят же тебе - кнопки - подтяжка на +5 - замыкание на землю
Василий
нет мы сделам через жп...
𝘂𝘅𝗻𝗮𝗺𝗲
так что-ли? не пойму
𝘂𝘅𝗻𝗮𝗺𝗲
синий уходит на input пин ардуины
Василий
𝘂𝘅𝗻𝗮𝗺𝗲
https://images.app.goo.gl/Jxt65K9Nv4tNaQV26
но ведь так +5В будет постоянно приходить на пин ардуины, или нет?
𝘂𝘅𝗻𝗮𝗺𝗲
то есть кнопка будет постоянно нажата. я конечно могу в коде инвертировать показания, но не пойму зачем
Василий
будет приходить лог 1 - т.е. вывод подтянут
𝘂𝘅𝗻𝗮𝗺𝗲
а если замкнуть - то ток пойдёт минуя ардуину на землю, так?
𝘂𝘅𝗻𝗮𝗺𝗲
замкнуть = нажать кнопку
Василий
если замкнуть будет лог 0
Василий
класика - подключения кнопок
𝘂𝘅𝗻𝗮𝗺𝗲
https://www.google.com/search?sxsrf=ACYBGNRiqk4LCz-DowF7Qt47Y989XhKcSA:1579468251380&q=%D0%BF%D0%BE%D0%B4%D0%BA%D0%BB%D1%8E%D1%87%D0%B5%D0%BD%D0%B8%D0%B5+%D0%BA%D0%BD%D0%BE%D0%BF%D0%BA%D0%B8+%D0%BA+%D0%B0%D1%80%D0%B4%D1%83%D0%B8%D0%BD%D0%BE&tbm=isch&source=univ&sa=X&ved=2ahUKEwiUtbrgyZDnAhWj-yoKHfUqDfwQsAR6BAgJEAE&biw=1478&bih=680#imgrc=q9r6XVJHp96lHM:
𝘂𝘅𝗻𝗮𝗺𝗲
практически на всех схемах резистор подтягивает к земле
𝘂𝘅𝗻𝗮𝗺𝗲
зачем постоянно на пин подавать логическую 1 (то есть постоянно подавать напряжение), а в случае нажима кнопки - подавать 0В? Не логичнее наоборот, есть напряжение - лог 1, нет напряжения - лог 0?
Василий
ну ардуинщики еще и не то придумают - а потом ой - чего оно глючит
𝘂𝘅𝗻𝗮𝗺𝗲
https://www.google.com/search?biw=1478&bih=680&tbm=isch&sxsrf=ACYBGNS0wnclLUQkdimGTNkhTETEE-o38Q%3A1579468438055&sa=1&ei=lsYkXrWBA9TUmwWog764Dg&q=%D0%BF%D0%BE%D0%B4%D0%BA%D0%BB%D1%8E%D1%87%D0%B5%D0%BD%D0%B8%D0%B5+%D0%BA%D0%BD%D0%BE%D0%BF%D0%BA%D0%B8+%D0%BA+%D0%BC%D0%B8%D0%BA%D1%80%D0%BE%D0%BA%D0%BE%D0%BD%D1%82%D1%80%D0%BE%D0%BB%D0%BB%D0%B5%D1%80%D1%83&oq=%D0%BF%D0%BE%D0%B4%D0%BA%D0%BB%D1%8E%D1%87%D0%B5%D0%BD%D0%B8%D0%B5+%D0%BA%D0%BD%D0%BE%D0%BF%D0%BA%D0%B8+%D0%BA+%D0%BC%D0%B8%D0%BA%D1%80%D0%BE&gs_l=img.3.0.0j0i24.6498.7659..8311...0.0..0.248.917.9j0j1......0....1..gws-wiz-img.......35i39j0i8i30.0cAcoobml5A#imgrc=rWQXlEU3GF3mmM:
𝘂𝘅𝗻𝗮𝗺𝗲
а если загуглить так - то выдаётся чаще ваш вариант...
𝘂𝘅𝗻𝗮𝗺𝗲
хмм
Василий
зачем постоянно на пин подавать логическую 1 (то есть постоянно подавать напряжение), а в случае нажима кнопки - подавать 0В? Не логичнее наоборот, есть напряжение - лог 1, нет напряжения - лог 0?
ты случайно подтянешь в программе - вход при настройке его на чтение - и у тебя будет не ноль а хрен знает что - и будет твое фантомное нажатие
Василий
которое ты описал - а я не понял откуда оно
Василий
а когда подтяжка на + а кнопка на землю - это в принципе исключено
Василий
это внутри процессора есть резистор где то 40к на +, и его можно включить и выключить
Василий
а ардуина скорей всего по умолчанию его включает - когда вывод настроен на вход
𝘂𝘅𝗻𝗮𝗺𝗲
лана, предлагаю пока опустить кнопки, поразбираюсь, потом доделаю
𝘂𝘅𝗻𝗮𝗺𝗲
𝘂𝘅𝗻𝗮𝗺𝗲
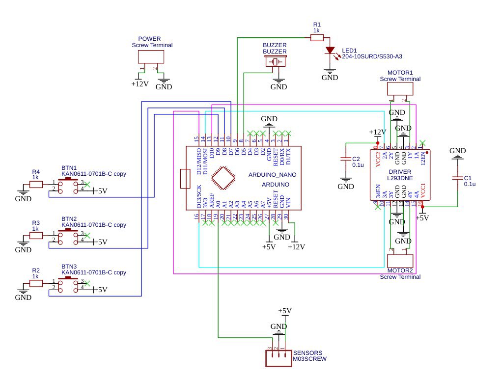
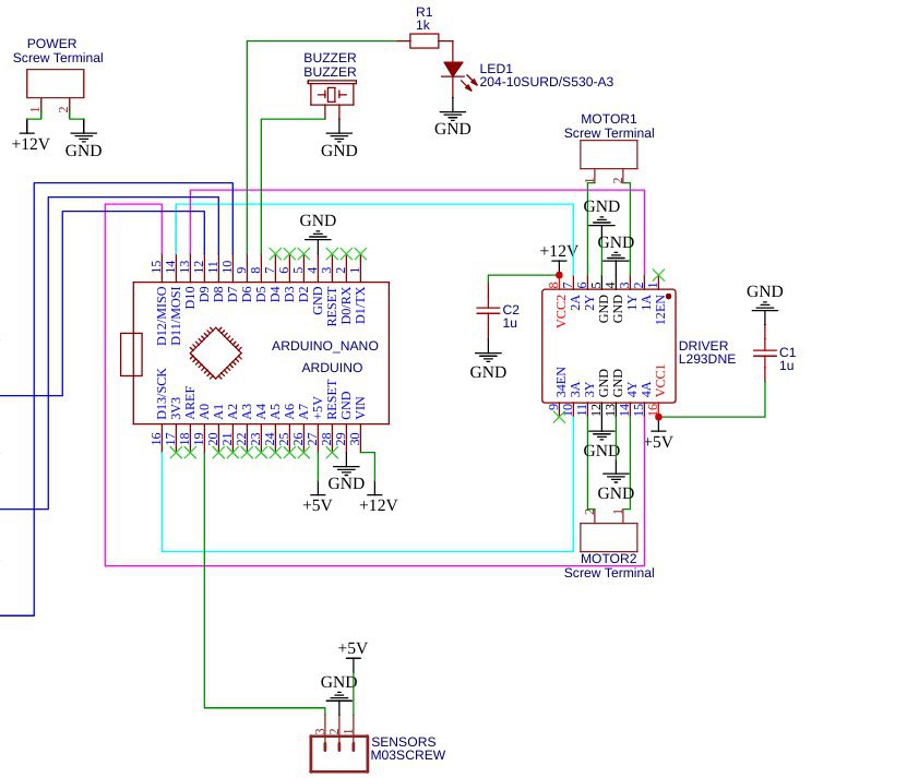
кондёры вроде подрубил, что ещё осталось?
𝘂𝘅𝗻𝗮𝗺𝗲
а, кто-то писал диоды нужно поставить на ноги драйвера
Василий
я писал
Василий
и кондер 100-470мкф на питание 12в
Василий
возле L293
𝘂𝘅𝗻𝗮𝗺𝗲
Василий
електролит на 25в
𝘂𝘅𝗻𝗮𝗺𝗲
https://www.chipdip.ru/product0/9000565915
Василий
да - оно
Василий
а, кто-то писал диоды нужно поставить на ноги драйвера
глянь - доку конкретно на свой драйвер - там в зависимости от букв - диоды могут быть внутри - а могут и не быть
Василий
так что лучше поставить внешние
Василий
дока должна писать - а не кто то
𝘂𝘅𝗻𝗮𝗺𝗲
ок ок
𝘂𝘅𝗻𝗮𝗺𝗲
вот тут вместо C2 - наш кондёр ставить?
Alexandre
Вместе
𝘂𝘅𝗻𝗮𝗺𝗲
Вместе
параллельно?
Василий
да 1 + 100-470
Alexandre
да 1 + 100-470
Я бы 0,1 ставил, а не 1
Василий
ну и остался бипер/бузер/пищалка - надо знать ток
Василий
если незнаешь - ставь ключ или померяй ток
𝘂𝘅𝗻𝗮𝗺𝗲
𝘂𝘅𝗻𝗮𝗺𝗲
ну и остался бипер/бузер/пищалка - надо знать ток
ну пин ардуины выдаёт максимум 40мА
𝘂𝘅𝗻𝗮𝗺𝗲
сопротивление буззера - хз
Василий
𝘂𝘅𝗻𝗮𝗺𝗲
ща померяю пин +5В
Василий
опять кто то сказал?
там есть ряд НО - лучше больше 10ма - не нагружать,
𝘂𝘅𝗻𝗮𝗺𝗲
хз, чёт мой мультметр 0 показыват
𝘂𝘅𝗻𝗮𝗺𝗲
один щуп ставлю на +5В, второй на GND
𝘂𝘅𝗻𝗮𝗺𝗲
или не?
𝘂𝘅𝗻𝗮𝗺𝗲
лан поф, ну всё равно, 40мА это максимум на 1 пин, и 200 на все сразу https://electronics.stackexchange.com/questions/67092/how-much-current-can-i-draw-from-the-arduinos-pins