sat
взять за основу блюпил и немного ее по месту поправить
sat
под esp такие делаю
Dim
ну если честно
Dim
мне она нужна для обработки пакетов
Dim
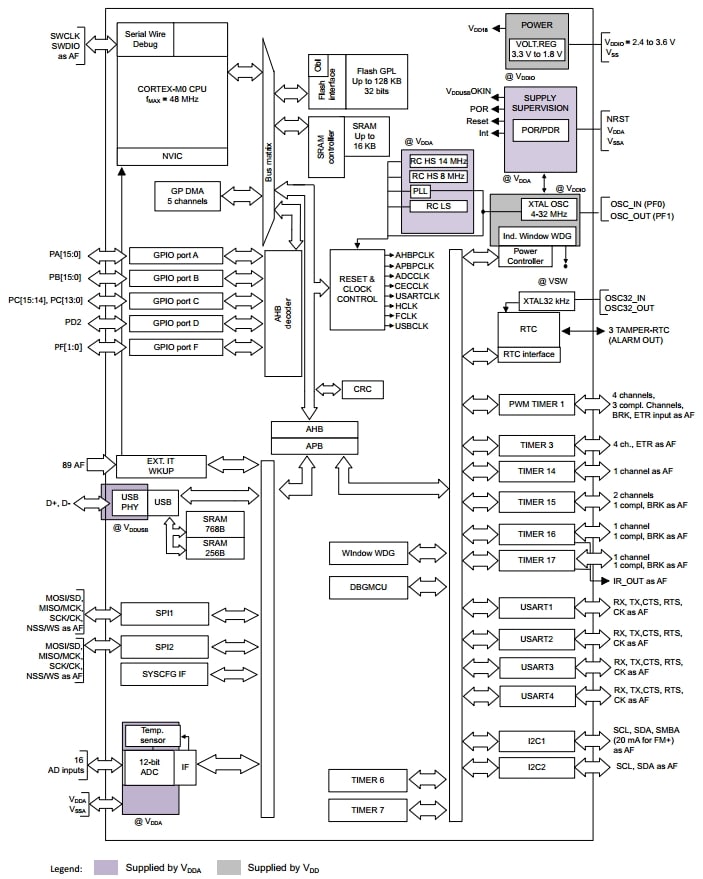
привлекает 4 UARTа
Dim
ну и 128 кб флэша
sat
тогда сразу надо делать плату под задачу
Dim
но!
Dim
как ее програмировать?
Dim
какой порт для этого использовать?
Dim
sat
как и все от STM по UART по SWD по JTAG
Dim
Dim
а тут по USB
sat
тут зашит бутлоадер , который создал USB и прикидывается ардуиной
Dim
он использует рессурсы проца?
Dim
в каком объеме?
⁣🇺🇦
в каком объеме?
Нивкаком. А говорил что умный
Dim
а мне не стыдно, я 0 в стмах
Dim
как это ни в каком?
⁣🇺🇦
а мне не стыдно, я 0 в стмах
При чем тут СТМ, это базовые понятия
Dim
он же должен где быть зашит!
Dim
бутлодер
sat
в основной памяти программ
Dim
сколько он весит?
⁣🇺🇦
он же должен где быть зашит!
В постоянную память и запускается при старте, и запускает твой код, вапрос был про то как он загружает проц а не память, а проц он никак не загружает... В памяти занимает меньше килобайта
Dim
под рессурсами я в том числе имел в виду память
Dim
просто ведь очень удобно прогить под USB!
Dim
т.е. без загрузчика ничего работать не будет
Dim
это вам не пик...
Dim
и наверняка в моей железке такого загрузчика нет
Dim
поэтому товарищи объясните мне как туда загнать загрузчик и обратиться к нему по USB с компа
Dim
а затем зашить простенькую прогу hello world
Dim
т.е. помигать светодиодом
Dim
как то что бы вот с этим доком кореллировалось: http://www.count-zero.ru/2017/bluepill/
⁣🇺🇦
т.е. без загрузчика ничего работать не будет
Чтоб прошивать через usb нужен загрущик
Dim
скажите а вот этот порт USB, который уже установлен на моей плате можно использовать в последствии для загрузки ПО?
Dim
romanetz
Там бутлоадер заводской по usb есть? Посмотри в даташите
romanetz
В 4 серии и 7 точно есть, 0ю не юзал, но проверить несложно
romanetz
в каком объеме?
По минимуму можно загрузчик килобайт в 4-6 утоптать
Denisio
ардуинозагрузчик даже в attiny 84/85 запихиывают
Denisio
а там памяти хуй да маленько
RusLAN
Перехват хеншейка wifi соединения с сетью как реализовать на esp32? Может проект есть выложенный в сети?
Dmitriy
Если это esp32, то хендшейк по https. Что его перехват Вам даст?
Anton
копать в сторону сканирования устройств. Точнее счас не скажу
да я тут припарился уже. смартфон находит массу устройств, а есп32 2-3 всего и имя устройств не резолвится.
Anton
из примера: adv_name = esp_ble_resolve_adv_data(scan_result->scan_rst.ble_adv, ESP_BLE_AD_TYPE_NAME_CMPL, &adv_name_len); на выходе adv_name_len всегда 0
Andy
да я тут припарился уже. смартфон находит массу устройств, а есп32 2-3 всего и имя устройств не резолвится.
С именами может быть проблема. иногда имя надо специально выковыривать. Так что лучше сначала все доступные свойства выводить
Anton
имён вообще никогда нет
Anton
есть где-то пример попроще для ble?
Dmitriy
Смартфон Андроид?
Andy
я использовал вот это https://docs.espressif.com/projects/esp-idf/en/latest/esp32/api-reference/bluetooth/nimble/index.html
Anton
Смартфон Андроид?
да. это чем я контролирую. устройство — мультиметр. пытаюсь есп32 читать показания мультиметра.
Anton
serial bluetooth terminal на андроиде мультиметр находит и показания читает
Anton
этот 4.0 по спекам
Dmitriy
А esp работает, на Адафруте в двух режимах, но с 4.1
Dmitriy
Чуть позже проверю
Anton
но если проблема в есп32 блютусе, то есть, конечно, HC-04/05/06 (не помню что именно), что должно работать...
Anton
но если отменить блютус у есп32, то смысла в ней мне тогда нет...
Andy
Легко конектится с устройствами начиная от Bt 2.0 точно.
RusLAN
Если это esp32, то хендшейк по https. Что его перехват Вам даст?
Хешейк потом отправляется на перебор пароля для получения доступа к сети.
Anton
Легко конектится с устройствами начиная от Bt 2.0 точно.
эта либа в есп-идф есть? с какой версии?
Anton
я что-то не могу сходу найти в 4.2
Andy
эта либа в есп-идф есть? с какой версии?
дык вот это жи https://docs.espressif.com/projects/esp-idf/en/latest/esp32/api-reference/bluetooth/bt_le.html#
Anton
"latest" это как-то расплывчато, то ли это бета, то ли 4.3...
Anton
ок, нашёл в 4.2. теперь примеры к ней бы
Andy
в документации ссылки есть, вот например https://github.com/espressif/esp-idf/tree/master/examples/bluetooth
Anton
сенкс, что-то я только блюдроида видел...
Anton
херня какая то, нимбле тоже "что-то" получает, но имена блютусов не резолвит
Anton
щас плату поменяю
Dmitriy
Имена не будет ресолвить. Имена это чисто заморочка автора девайса. Они не обязаны быть, иметь какой-то смысл, и вообще не нужны для обмена.
Anton
короче, вот мой код, старался максимально просто его сделать. есть идеи в чём я лопух? https://gist.github.com/jef-sure/08b3e98627f61926bc6e58060f4c23b4
Dmitriy
Хешейк потом отправляется на перебор пароля для получения доступа к сети.
А, Вы про подключение wifi… если wifi на wap2, что в большинстве своем так и есть, то ничего Вам не светит. А wep или wap1 уже давно никто не использует. Да и wap2 устарел. Некогда был шанс при помощи ребут атаки, но эту дыру повсеместно закрыли много лет назад