Denisio
HV - high voltage
Святослав
а-а
Святослав
а вот это где?
Denisio
3.3 - LV, 5 - HV
Святослав
или LV HV это они есть?
Святослав
ок
Святослав
спасибо!
Denisio
там может быть и не 5, а 9 и не 3.3 а 2.5. Просто напряжение питания должно соответсвовать уровню подаваемому
Святослав
спасибо! Буду заказывать!
Denisio
в чипдипе есть ADG3308BRUZ
Святослав
в чипдипе есть ADG3308BRUZ
я его и нашел первым
Святослав
но он не удобный платка будет поудобнее
Slava
но он не удобный платка будет поудобнее
Повторю вопрос, что ты хочешь показывать на телевизоре?
Святослав
Повторю вопрос, что ты хочешь показывать на телевизоре?
Это будет информационная панель для бегуна.
Slava
я же написал выше))
Не заметил, а что за бегун?
Святослав
Не заметил, а что за бегун?
ну спортсмен, который занимается бегом)))
Slava
ну спортсмен, который занимается бегом)))
У меня такая ассоциация с бегуном 🙄
Святослав
У меня такая ассоциация с бегуном 🙄
ну что то того, только без собаки)))
Святослав
У меня такая ассоциация с бегуном 🙄
в общем нужен был монитор примерное 10 дюймов, куда выводить всяко разную инфу и первая функция это вывод инфы для бега
Евгений
ну что то того, только без собаки)))
Сейчас вспомнил, некоторое время назад проверял работу ESP32 (3v) через USB2COM (5v) к компу и данные летели в консоль через Serial1 Так что о конверторе уровней стоит подумать =)
Святослав
Его? Кого?
Преобразователь логических уровней заказал только что.
Святослав
Его? Кого?
https://bit.ly/2PQROps
Евгений
шустрый =)
Святослав
Заодно эту плату заказал.
Святослав
А то ESP никак не встает на макетку)))
Владимир
кто нибудь делает платы самостоятельно с easyeda? Как распечать на верхней части листа а не в центре?
чтобы печатать не в центре из ПДФ надо переключится с авто на книжную/альбомную. но масштаб надо подбирать... в ПНГ больше чем 1:1 в пдф меньше :(
Н Е К И Б Е Р Л Е О
Представители Федеральной службы ТЭК сообщили, что работы по проверке безопасности ядра Linux обойдутся в 300 миллионов рублей. Также в данном проекте участвуют специалисты из Института системного программирования имени Иванникова. Сообщение об этом появилось на Telegram-канале «Госзатраты». https://www.securitylab.ru/news/518022.php
romanetz
Заебись распил
romanetz
А что это даст?
romanetz
Ну вот они, типа, конкретную версию проверят. Но за пять лет они с 3 на 5 ветку перебрались, емнип
romanetz
И каждый месяц дописывают и дописывают
romanetz
А наличие коллизий в каком-нибудь алгоритме шифрования ещё надо уметь увидеть
Anonymous
Telegram-канале «Госзатраты» ——это голова! истинно говорю- только им и верю
Serhii
Ребят, привет
Serhii
avrdude: stk500_recv(): programmer is not responding avrdude: stk500_getsync() attempt 2 of 10: not in sync: resp=0x00 avrdude: stk500_recv(): programmer is not responding avrdude: stk500_getsync() attempt 3 of 10: not in sync: resp=0x00
Serhii
Не шьёт ардуину почему то. Нано, шью через ардуино ИДЕ.
Владимир
в какой программе?
Easyeda. Про нее же спрашивал...
Anonymous
KZT 392.60 30%OFF | ESP8285 ESP-01D беспроводной модуль Wi-Fi, Прозрачная передача, модуль ESP пылесос, модуль Wi-Fi, последовательный порт для Wi-Fi, малый объем https://a.aliexpress.com/_u6je1n
Anonymous
Вот такой модуль случайно увидел в продаже
Anonymous
Интересно придумали
Serg
Easyeda. Про нее же спрашивал...
Да, в Easyeda. А через импорт можно, а потом через векторный Inkscape? Вроде читал, но не пробовал.
romanetz
кто-нибудь боролся с большим пингом при работе esp32 в режиме точки доступа?
romanetz
я запустил на неё asyncwebserver и в отдельной задаче опрос датчика по i2c когда подключаюсь в режиме ноута и пингую - пинг болтается от 5 мсек до 200-300
Anton
Макетную плату для ESP32 где купить можно? Скинте ссылку, пожалуйста, кто покупал.
Anton
https://aliexpress.ru/item/32815939339.html?spm=a2g0o.detail.0.0.3761296bcAPE7N&gps-id=pcDetailBottomMoreThisSeller&scm=1007.13339.169870.0&scm_id=1007.13339.169870.0&scm-url=1007.13339.169870.0&pvid=c40f67ef-5e5f-4464-9db7-b3077c676336&_t=gps-id:pcDetailBottomMoreThisSeller,scm-url:1007.13339.169870.0,pvid:c40f67ef-5e5f-4464-9db7-b3077c676336,tpp_buckets:21387%230%23218179%230&_ga=2.126321102.2104414823.1617530273-1775738598.1614676054&_gac=1.157435720.1617301886.CjwKCAjw3pWDBhB3EiwAV1c5rPiGMKz0DU5r6Xnct5WamtD-ht4fzIbE6Vk5Rsthh6u0lDuLed3ffBoCt3QQAvD_BwE&sku_id=64644365398
Anton
Такого плана нужно что-то
romanetz
я запустил на неё asyncwebserver и в отдельной задаче опрос датчика по i2c когда подключаюсь в режиме ноута и пингую - пинг болтается от 5 мсек до 200-300
нашёл I solved this problem Because esp32 enters the power saving mode by default, just set it up. WiFi.mode (WIFI_STA); Esp_wifi_set_ps (WIFI_PS_NONE); WiFi.begin (ssid3, password3);
romanetz
нашёл I solved this problem Because esp32 enters the power saving mode by default, just set it up. WiFi.mode (WIFI_STA); Esp_wifi_set_ps (WIFI_PS_NONE); WiFi.begin (ssid3, password3);
только тут неправильно указано, надо сначала wifi.begin, а потом уже esp_wifi_set_ps
garik
только тут неправильно указано, надо сначала wifi.begin, а потом уже esp_wifi_set_ps
О, я тоже замечал странный пинг, даже в режиме клиента. Интересно.
romanetz
всё збс, это энергосбережение
romanetz
сделал график с обновлением через websocket, отключил энергосбережение, очень шустро работает
Н Е К И Б Е Р Л Е О
Н Е К И Б Е Р Л Е О
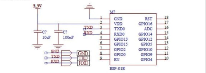
#electronics #esp8266
Анатолий
Easyeda. Про нее же спрашивал...
Распечатываешь в какой программе
Владимир
Распечатываешь в какой программе
я попробовал делать экспорт в PNG, PDF и SVG PNG IrfanView у меня смотрит SVG - с текстом купите модуль PDF - обычным Акробатом вот про него и писал что надо выбрать тип страницы Книжная/Альбомная тогда он передвинет в верхний правый угол плату. больше пока ни где не пробовал.
Andre
А этот дешевле и красивее https://www.aliexpress.com/item/1005001412414519.html
Стыдно спросить, как им пользоваться? Это вроде WiFi-модуля, который надо подключать к контроллеру, или он может выполнять IoT-задачи сам по себе, крутить внутри себя какой-то код?
Anonymous
А есп8266 это процессор и вайфай модуль
Евгений
Стыдно спросить, как им пользоваться? Это вроде WiFi-модуля, который надо подключать к контроллеру, или он может выполнять IoT-задачи сам по себе, крутить внутри себя какой-то код?
Открываем страничку и смотрим описание: Product introduction: The Wi-Fi module, also known as the serial port Wi-Fi module, belongs to the transmission layer of the Internet of Things. Its function is to convert the serial port or TTL level into an embedded module that conforms to the Wi-Fi wireless network communication standard. The built-in wireless network protocol IEEE802.11b.gn Protocol stack and TCP/IP protocol stack. Traditional hardware devices embedded in Wi-Fi modules can directly use Wi-Fi to connect to the Internet, which is an important part of realizing wireless smart home, M2M and other Internet of Things applications. Characteristic: ■Complete 802.11b/g/n Wi-Fi SoC module ■Built-in Tensilica L106 is a low-power 32-bit micro MCU, the main frequency is 80Mhz and 160Mhz, and it supports RTOS ■Built-in 1 channel 10bit high precision ADC ■Built-in Flash ■Support UART/GPI0/ADC/PWM/SP1/I2C interface ■Adopt DIP-18 package ■Integrated Wi-Fi MAC/ BB/RF/PA/LNA ■Support multiple sleep modes, deep sleep current as low as 20uA ■Serial rate up to 4Mbps ■ Embedded Lwip protocol stack ■Support STA/AP/STA+AP working mode ■Support Android, I0S Smart Config (APP) /AirKiss (WeChat) one-click network configuration ■Support serial port local upgrade and remote firmware upgrade (FOTA) ■General AT commands can be used quickly ■Support secondary development, integrated Windors, Linux development environment The main parameters Module Union Number :ESP-01E Package : DIP-18 Size :18*17*2.8(±0.2)M Antenna form : IPEX antenna or spring antenna Spectrum range :2400~ 2483. 5MBHz Working temperature :-40°C~85° C Storage environment :-40 °C~125°C. <90%RH Power supply range :Power supply voltage 3.0V~3.6V, power supply current>500mA: typical value 3.3V Support interface :UART/GPIO/ADC/PWM/SPI/I2C Number of I0 ports :11 Serial port rate supports : 110~4608000 bps, the default is 115200 bps Security :WEP/WPA-PSK/WPA2-PSK SPI Flash :chip integrates 1MB/2MB Flash Certification :CE, FCC
Евгений
Евгений
Евгений
Короче как и любой другой 8266
Andre
Короче как и любой другой 8266
на 8266 ведь есть flash и оперативная память? на эту штуку посмотрел в даташит, и там этого нет. То есть это антенна, которую надо подключать к управляющему контроллеру (например STM32), и выходить в интернет. Верно?
Anonymous
Флэш же только ты 8255, 1 мб
Владимир
А этот дешевле и красивее https://www.aliexpress.com/item/1005001412414519.html
странно что с ним разъем под него не предлагают..
Евгений
странно что с ним разъем под него не предлагают..
З - Зачем? Родители паяльник не разрешают включать?
Andre
Это esp8285 у него флеш встроенный в чип.
Эту штуку можно "из коробки" подключить к Arduino или STM32 через UART-интерфейс, и AT-командами выходить в интернет? Или через TTL-преобразователь подключить к компьютеру, и делать то же самое? Или есть более умный способ делать то же самое, не через AT-команды? Я не знаком ни с чем кроме ESP32, и то на уровне мигания светодиодом. Мне бы простыми словами объяснение.
Andre
Ходят слухи что китайцы на некоторые модули не шьют прошивку а продают чистыми. Так что не факт что сразу заработает.
Если в руки попадёт модуль без прошивки, то что надо сделать? Есть некая ардуино-прошивка, которую можно залить через TTL-переходник с компа на модуль?