Сергей
Ткните носом куда смотреть, что читать. Или может есть другая концепция. Вроде как jdy модули можно перепрограммировать и тогда можно обойтись без промежуточного МК. Устройство получится весьма автономным, но если не прокатит, то все равно будет мало потреблять.
garik
Всем привет. Скажите, могут ли AMS1117 адски греться из-за того, что стоит диод SS24, или это не в нём причина, а какой-то иной косяк? Речь о левой, самой мелкой плате. На средней и правой стоят M7, и там всё в порядке. Причем греться начинают как будто не сразу, а лишь после того, как я вольтметром прикоснусь к выводам, проверить выходное напряжение
Алексей
мне такие попадались с однозначно говеными 1117
Роджер
Хэппи пездай меня!!!!!
Хэппи пездай меня!!!!!
Поздравляем!!! Успехов во всем!!!
В магазинах начали продавать. Стоимость около 10т.р. жесть ))
Denisio
Неплохо
Книга Марко Шварц и архив с проектами из книги.
Anonymous
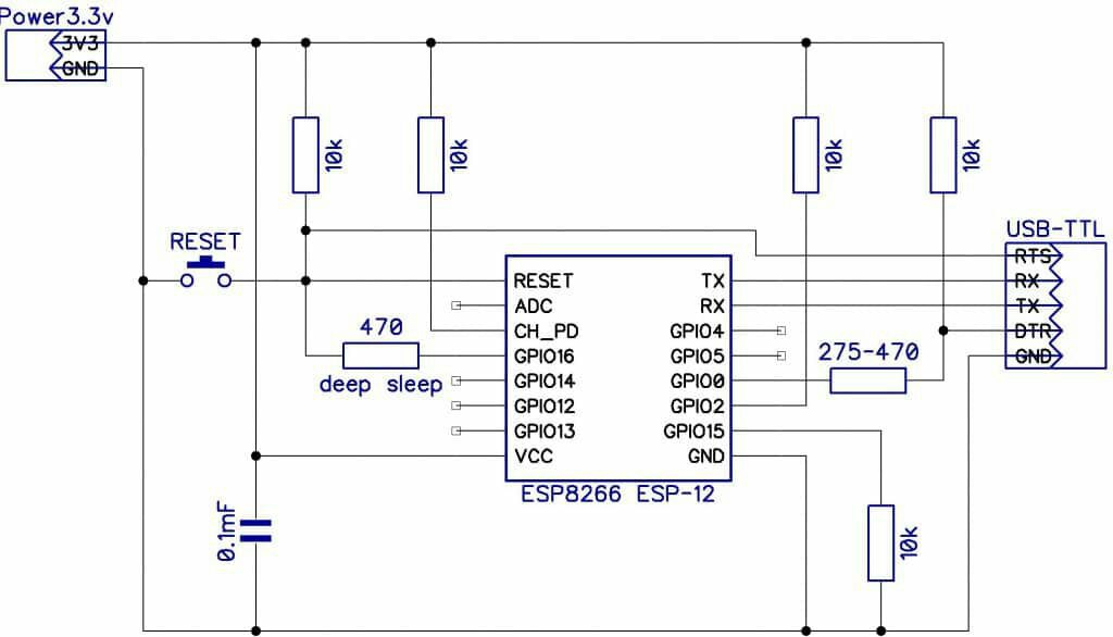
Привет всем! Надоело нажимать кнопки при прошивке ESP8266, прошиваю красной платой FT232, очень муторно. Есть ли работающая и проверенная на практике схема?. Есть ли опыт прошивки без кнопок?
Nick
Мда... Гайвер уже не торт - для рекламы 3д принтера переделывает кормушки.
Dmytro
Не единственная, но одна из самых простых схем. Есть ещё с транзисторами
Anonymous
Не понял
Dmytro
Не понял
RTS и DTR пины прошивальщиком дергаются в нужный момент, имитируя нажатие кнопок
Anonymous
У меня прошивальщик красная плата, ничего там не дергается. С этой платы я беру GND + TX+RX
Dmytro
У меня прошивальщик красная плата, ничего там не дергается. С этой платы я беру GND + TX+RX
Если там нету DTR/RTS пинов - то никак. Берите другой юарт свисток
Владимир
Дык вроде и тот и тот есть. Надо и их дотянуть.
Boris68
Здравствуйте, подскажите есть ли разница в прошивке ESP-01 и 01s? С первой разобрался давно и прошиваю без проблем, а вот с 01s проблема , прошилась только один раз и то как то странно, загружал для проверки блинк, но после загрузки есп все еще видна как точка доступа.
Anonymous
Дык вроде и тот и тот есть. Надо и их дотянуть.
Вы лично пробовали именно эту плату со всеми пинами, в том числе DTR и CTS?
Владимир
Вы лично пробовали именно эту плату со всеми пинами, в том числе DTR и CTS?
У меня другой прошивальщик. Но на паре плат с ch3100 ch3400 сами пины дёргаются при прошивке
Anonymous
У меня другой прошивальщик. Но на паре плат с ch3100 ch3400 сами пины дёргаются при прошивке
Порекомендуйте, пожалуйста, конкретную плату для решения проблемы.
Andy
Вот моя плата.
У вас стоит чип на плате FT232RL у него полный набор пинов - RX,TX,DTR,RTS , поэтому достаточно только соединить два дополнительных провода DTR и RTS
Andy
Andy
Вы имеете в виду, что необходимо сначала вывести сигналы на гребенку?
сначала надо скачать даташит и посмотреть в него, затем поискать выводы на плате, и только потом что-то делать
Andy
Выведены DTR и CTS. Нужно перерезать дорожку CTS и припаять RTS? Так?
не знаю, я же не вижу разводку вашей платы :(, но главное вывести выводы 2 и 3 на гребенку
Владимир
Выведены DTR и CTS. Нужно перерезать дорожку CTS и припаять RTS? Так?
А можно фотку подписей на гребенке получше?
Владимир
А 3 с лева это что за пин?
Anonymous
Обождите ка, а это что? не они?
По названию они родные. DTR есть на гребенке.
Andy
По названию они родные. DTR есть на гребенке.
что значит "родные"? какие выводы чипа подключены к этим конмтактам? Просто проследите по дорожкам
Anonymous
CTS - не то
Andy
DTR+TX+RX+CTS+3.3+GND
Пожалуйста внимательно прочитайте вопрос и ответьте двумя цифрами: "какие НОМЕРА выводов чипа подключены к этим контактам? "
Anonymous
Я не использую только DTR и CTS.
Andy
CTS проследить не могу, ныряет под микросхему.
ок. По крайне мере DTR - это вывод два подключен к пину гребенки обозначенному DTR?
Andy
Да
замечательно! На гребенке есть где нибудь надпись RTS?
Anonymous
DTR тоже не проследить. На гребенке все сигналы я перечислил, нет там RTS.
Anonymous
DTR+TX+RX+CTS+3.3+GND
Andy
DTR тоже не проследить. На гребенке все сигналы я перечислил, нет там RTS.
ок, тогда попробуем от обратного - от вывода 3 чипа. Можно проследить куда он подключен?
Andy
DTR+TX+RX+CTS+3.3+GND
CTS не подходит однозначно
Andy
Вот он выход 3 - это RTS
отлично! Т.е. у нас есть все выводы. Теперь остается только выяснить важуню вещь - какое напряжение на выводе 4? 3.3 вольта или 5?
Anonymous
3.3
Andy
3.3
Замечательно. Теперь просто соединяйте плату RX с TX esp, плату TX с RX esp плату DTR с GPIO0 esp плату RTS с EN пробуйте прошивать
Anonymous
Anonymous
не понял. Какую дорожку? у вас же выведен RTS!
Я имел в виду замену CTS на RTS на гребенке
Anonymous
Лично я пробовал именно эту плату
RTS проводом брали сбоку?
Dmytro
RTS проводом брали сбоку?
Да, сразу впаял гребенку сбоку
Dmytro
Только убедитесь что джампер на 3.3в стоит
Anonymous
Только убедитесь что джампер на 3.3в стоит
Да, он на 3.3. Спасибо Вам за подсказки!
665,89 руб. 5%OFF | Модуль управления солнечной энергией, для 6В ~ 24В солнечной панели https://a.aliexpress.com/_Ag4s3o
Anonymous
Мда у вашего бота "пинг"
Anonymous
В прошлый раз зашел, ничего не было, а потом блокировка, ну ладно не суть, хочу спросить, кто юзал micropython?
Anonymous
Там библиотеки можно подключать как-нибудь?
Slava
Там библиотеки можно подключать как-нибудь?
Тут телепатов нет. Формулируйте свои вопросы грамотно и подробно, тобы даже дураку было бы понятно.
Anonymous
А чем си не угодил?
ну я ради интереса хочу сколхозить что-нибудь на пайтоне
Anonymous
Что-то вроде веб-интерпретатота питона
WerdnaZX
Сплошные риторические вопросы
garik
Там библиотеки можно подключать как-нибудь?
import вроде работает. Есть repl через консоль, есть WebREPL
Anonymous
import вроде работает. Есть repl через консоль, есть WebREPL
Вот не знаю, стоит ли мараться об micropython, он написан для esp idf, я с ним не очень