Вильям
Ребята может кто поможет по ESP?
Ребята может кто поможет по ESP?
Пишите сразу проблему и вопрос
Вильям
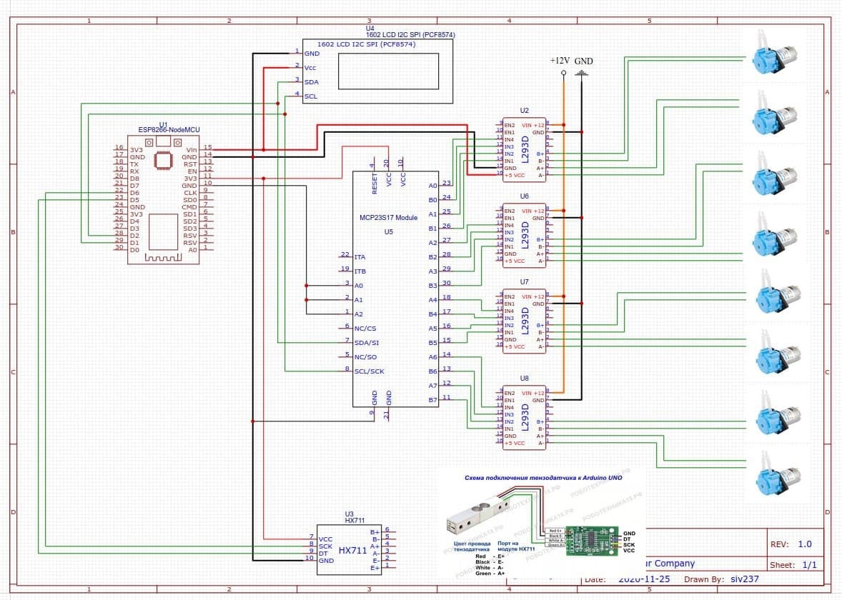
есть схема по которой нада подлючить его
Вильям
есть прошивка
Вильям
которая залита в есп
Вильям
Вильям
вообщем нужно правильно подключить
Вильям
именно модуль HX711
Вильям
вроде все подключил ена экране просто пишет старт и все а должно писать Redy и цыфры весов колебатся
Вильям
тип так
Вильям
Вильям
я не уверен что я правильно делаю
Вильям
вообщем мне нужно все это соединить как на схеме
Вильям
что б кто то помог
Вильям
все компоненты есть
Sergey
что б кто то помог
https://arduinomaster.ru/datchiki-arduino/tenzodatchiki-i-vesy-na-arduino-i-nh711/
Вильям
просто подсказать помочь в режиме онлайн через камеру
Вильям
Вильям
это экранированый
Sergey
нужно к есп
А какая разница?
Вильям
Сергей я могу позвонить?
Sergey
Не. Я валяюсь. Отдыхаю
Вильям
Вильям
VCC-серый в есп-3V
Вильям
DO/RX-белый в есп-D6
Вильям
Вильям
CK/TX-коричневый в есп D5
Вильям
GND-фиолетовый от драйвера в макетке на минус
Вильям
Все
Вильям
Вильям
Вильям
что не так?
что не так?
А в терминале что пришет?
Самое первое и простое проверять все провода контакты, проверять питание.
Вильям
когда отсоединяю из есп 3v от vcc появляется redy 0.00 и сервер стартует
Вильям
но при этом цыфры не бегают
когда отсоединяю из есп 3v от vcc появляется redy 0.00 и сервер стартует
Ничего не понял что вы написали. Что отсоединяете? Питание отлючаете или что
Вильям
для меня это вообще темный лес)))
Подключите хорошой БП на 3.3в пин либо 5в на VIN
Вильям
есть зарядка от телефона 5v
Вильям
gjlhe,ftncz r tcg
Вильям
подрубается к есп
Ну и что с ней? Посмотрите тестером питание не проседает
Sergey
оно может проседать во время старта есп, тестером не видно будет
Salvatore
Progetto esp8266
Sergey
Progetto esp8266
Нианята ни-че-го
Sid
Progetto esp8266
Костюм эль айронмена собирает?
Resident
Progetto esp8266
Lorawan more long distance?
romanetz
Progetto esp8266
Could you explain in English, please?
Пин
Костюм эль айронмена собирает?
Эль ниньё. В вулкан прыгнуть верхом на акуле.
Н Е К И Б Е Р Л Е О
Тензометрический датчик или усилитель?
romanetz
Вот же схема
romanetz
Алексей
извиняюсь за вопрос, но нужно ли отключать от есп экран ssd1306 при перепрошивке есп
Алексей
или при очистки флеша
Sergey
или при очистки флеша
Зачем? Это лишнее
Sergey
Ну в смысле отключать
Алексей
понял спасибо
Алексей
ду навсякий случай, а то думал малоли
Алексей
постоянно отключал при очистке флеша и заливки прошивки
Alexey D.
Дядьки вопросец есть
Alexey D.
Нужен USB-TTL переходничок который вытянет 250 Кбод
Alexey D.
У CH340 заявлено 200 Кбод и абстрактное "and so on" Может кто что посоветовать из практики? Насколько стабилен CP2102 ( заявлен 921 Кбод )
romanetz
на хабре трёхпортовый из синей пилюли
romanetz
там типа 921600
romanetz
FT2232H
romanetz
вытянет 250 мбит/сек
Alexey D.
на хабре трёхпортовый из синей пилюли
Спасибо ( https://habr.com/ru/post/530060/ )
Alexey D.
там типа 921600
Да вот я не понимаю что глючит. То ли плата _к_ которой подключаюсь, то ли переходник. Плата от 3Д-принтера, прошивка Marlin, в репозитории "фича" которую я юзаю (Binary file transfer) больше года уже, такое чувство что плата "проглатывает" примерно каждую 3-5 команду в этом режиме.
Alexey D.
То есть в целом есть уверенность что 250кбод CH340 должен вытянуть ?
Andy
То есть в целом есть уверенность что 250кбод CH340 должен вытянуть ?
http://images.100y.com.tw/pdf_file/34-WCH-CH340G.pdfhttp://images.100y.com.tw/pdf_file/34-WCH-CH340G.pdf
Alexander
Коллеги, я тут недавно на ESP32 запилил "уведомлятор", который ярко так показывает значки уведомлений с андроида на светодиодной матрице 16х16 WS2812B. Собственно вопрос: как вы думаете, имеет ли смысл делать законченное устройство, смогу ли я на этом что-то заработать или проще не париться. Вот как это выглядит сейчас https://youtu.be/qIEqM4k-DCU
Yuriy
Ага, то есть, смысла нет
Всегда есть - опыт ошибок трудных - маркетинг нужен годный.. логистика - производство - это все надо и много. Вот какой-нибудь топ инсты скажет , что пипец жить без него не могу - и пойдет - или нет :)
Alexander
мож его и покупать не будут: весь алиэкспресс в конкурентах и за копейки