Vla
Пробовал с rst не помогает
Alexandre
зажимаешь boot, тычешь коротко на reset, отпускаешь boot - все это надо делать во время работы прошивальшика или за миллисекунды до
Alexandre
состояние boot проверяется во время старта МК
Alexandre
если все делаешь в ардуино - можешь проверить в serial monitor - если все сделал правильно, оно выдает в порт "waiting for download" или типа того
Иван
Дурацкий вопрос, но всё-таки. Есть вот такое фотореле: https://magazin-elektronika.ru/77-19-28 Хочу параллельно фоторезистору (если это он, а не фотодиод какой-нибудь) припаять esp8266, чтобы управлять реле через wifi. Беру мультиметр, меряю переменное напряжение (спалить есп не хочется все-таки) - 4В. Переключаю на измерение постоянного - 2,2В. И Так какой там ток: переменный или постоянный?
Indr1x
Это фотодиод. Который открывает транзистор управляющий реле. И управлять нужно этим транзистором, причем каким напряжением он там открывается нужно смотреть. Маловероятно что 3.3в которое может выставить esp
Andy
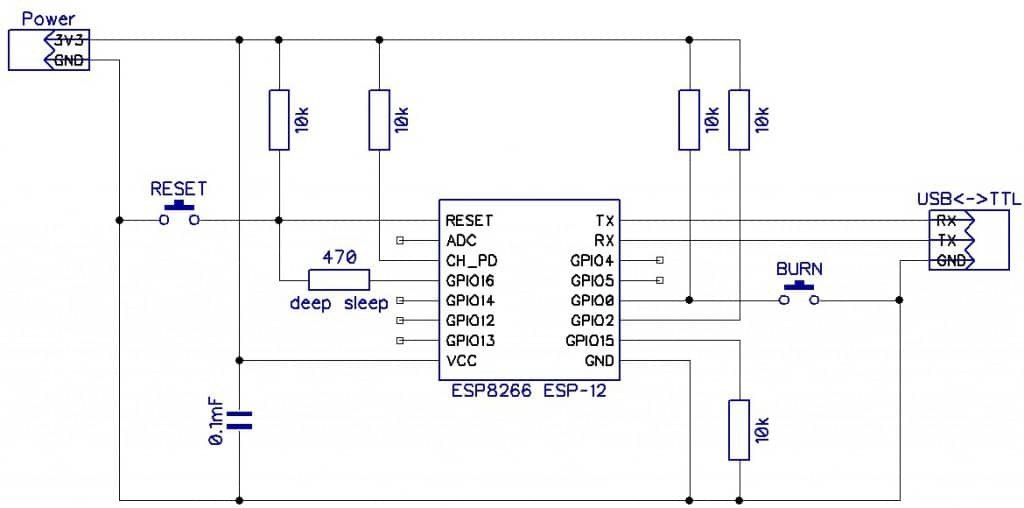
Добрый день. Уже вторый сутки не могу прошить devkit есп32 кнопка flash срабатывает на секунду и сразу показывает 100℅ и говорит тайм аут. Как это лечится?
Если это devkit от вендора, то там уже разведены цепи загрузки и сброса на мост usb, ничего нажимать не надо esptool сам все сделает.
Vla
Если это devkit от вендора, то там уже разведены цепи загрузки и сброса на мост usb, ничего нажимать не надо esptool сам все сделает.
Пропаяны две кнопки. Рест ясно понятно флешь не шует кидает на адрес какой то и сразу кидает в ошибку так же по тайм ауту.
Vla
если все делаешь в ардуино - можешь проверить в serial monitor - если все сделал правильно, оно выдает в порт "waiting for download" или типа того
С портом не пробовал, но тоже самое делал. Прошивкк типа начинаеться но в памяти 00007х0 и сразу на 100 процентов
Vla
Просто на nodemcu все понятно там 8266 все вдекватно
Sid
А что на esp32 китах не так?)
Vla
Да должно быть.. Я пошел за вторым нужно чекнуть
Vla
Кст у меня еще есть глупый вопрос.. В схеме 8 релюх 5 вольтовых а по идеи питать борд лучше через vin. Как минуса Обеденить?
Vla
Если я с платы gnd на клемник релюх кину норм?
Ivansuper
Если я с платы gnd на клемник релюх кину норм?
Выравнивание земли между разными цепями даже с разным вольтажом это нормально. Землю надо стараться вообще везде связывать к одной, чтобы везде разность потенциалов была корректной
Ivansuper
И более точный ответ — да, объединяется земля прямым контактом
Ivansuper
Главное смотри куда где VCC идет
Vla
Еще вопрос, на прямой вин 3.3 в гасить напряжение резистором плохо?
Ivansuper
Что значит гасить напряжение? Гасят кефир содой при выпечке
Ivansuper
Резистор не меняет напряжение, он ограничивает ток
Vla
Понижать с 5 вольт до 3.3
Ivansuper
Учитывая что есп не будет жрать всегда один и тот же ток, ты не сможешь через резистор ей дать стабильные 3.3
Ivansuper
Тебе нужен DC-DC конвертер
Vla
Спасибо!
Ivansuper
Ты можешь взять ту же AMS1117 на 3.3 вольта, которую паяют на все devkitы
Ivansuper
Правда ее хватит в основном только на есп : ) Потому что большой ток не потянет
Vla
Я думаю dc dc мне больше подойдёт местами, нужно с 36 до 5 опускать для диодной ленты, + еще контроллер у нее какой то должен быть.
Vla
Тк время жмет чувствую придется уже готовое брать.
Vla
Тут фул эпик
Vla
Свет
Vla
Vla
Тут
Vla
Иии
Vla
Vla
Сюда нужно пару программ для презентаций ведер
Vla
А тут что детей радовать
Vla
Это для старта..
Vla
А дальше придется в бмв внедряться
Vla
Может есть опыт такой разработки?
Vla
Что бы через obd в шину глядеть и парсить?
Ivansuper
Это все будет освещаться лентами?
Vla
На потолке уже диодки стоят
Ivansuper
Ух, я б там разошелся)
Ivansuper
У меня проект для дома со своей прошивкой и системой управления лентами
Vla
Так и остануться нужно тока программу для управления класного я в целом уже релюх насовал. Контроллер работал
Ivansuper
А у тебя не адресные?
Vla
А у тебя не адресные?
Тут бомж светильник у них блоки как семечки летят
Andy
у меня DOIT DevKit V1, и он не перезагружается сам
Вот ето? https://easyeda.com/editor#id=!58568eb0b2d647afae725833fd8a8a9a|!f0d6fcd0ea824a8ca96913bd638d8533
Alexandre
Нет, ардуина
Alexxik
Всем привет. Хочу собрать автоматику управления ректификацией на модуле ESP 8266. Поэтому нашел эту группу.
Alexxik
Перегонка одной жидкости спиртосодержащей в более чистую спирт ближе к 96.6
Ivansuper
Хайтек самогонный аппарат
Alexxik
Только что не летает
romanetz
Ra9mgk.narod.ru
romanetz
Ректификатор )))
Alexxik
Ректификатор )))
Так то я уже почти все запчасти получил. Буду на этом делать. На профильном форуме инфа есть. И тут совета спрошу если что
romanetz
Хм...
romanetz
Ну ок
Василий
....как раз актуально ....для карантина )))))))))))
romanetz
....как раз актуально ....для карантина )))))))))))
так-то да, если заранее железками запастись и есть чем дома послесарить
romanetz
1К62 ))
Василий
оо круто
Василий
ДМ наверное смотришь?
ᅠDin
Чтобы включить (посмотреть работает он или нет) есп12ф нужна это обвязка или достаточно подать плюс, минус и ch_pd?
Ivansuper
И как ты проверишь его работу подключив только плюс минус?
Ivansuper
Тебе надо хотя бы светодиод воткнуть и помигать
Ivansuper
Стоп, я неправильно прочитал, прошу прощения
Ivansuper
Там свой диод есть 😊
Рядом с антенной? Точно
трансгумин437
Всем хай
ᅠDin
И как ты проверишь его работу подключив только плюс минус?
Встроенным светодиодом. Просто сделал плату и решил проверить работоспособность. Падаю питание и светодиод загорается и сразу же отключается.
Ivansuper