romanetz
Есть более приличные, adt7420, например
romanetz
Ну да ладно
romanetz
Я скинул исправленный вариант, который собирается
romanetz
Просто суть вопроса не понял, что там не работало/не собиралось
xoTTabbj4
Я скинул исправленный вариант, который собирается
СПАСИБО БОЛЬШОЕ! работает, как и задумано. Пользуйтесь, на здоровье! всем температурЬІ 36,6 и не болеть. Удачи!
romanetz
внезапно )
romanetz
пожалста ) я там три строчки дописал буквально
xoTTabbj4
romanetz
там указатель и две строчки ещё переменных
romanetz
error и что-то ещё, я их по аналогии скопировал из другой функции
xoTTabbj4
спасибо
Ground
Подскажите немного чайниковский вопрос, но всё-же может-ли ESP8266/32 работать в качестве I2C слейва?! есть небольшой проект там МК ATtiny85 который работает в качестве I2C мастера получает данные и шлёт их на экранчик, хотел-бы к нему ESP8266 приделать что-бы данные в сеть забирать, но там у ATtiny85 свободных выходов больше никаких нету, кроме I2C порта, вот думаю как их спарить
Ground
Как вариант ещё думаю добавить внешней памяти на шине I2C типа пусть ATtiny85 туда пишет когда надо в качестве мастера и сюда-же подключить ESP8266 в качестве мастера который пусть её читает, но чёт кажется что это избыточно и не очень понятно когда два мастера обращаются к одному слейву на I2C как они будут разруливать временные конфликты.
Ground
А как посоветуете сделать из двух вариантов? Или может проще както можно?
Ground
Andy
Andy
А как посоветуете сделать из двух вариантов? Или может проще както можно?
Т.к. esp8266 как slave так себе и у attiny ног больше нету, то остается только multi-master на шине i2c. Но как работает библиотека esp8266 (а i2c на esp8266 именно битбангом сделан) в режиме multi-master неизвестно. Ну и еще остается вариант переехать на eps32 :) Там и два аппаратных канала i2c и мощи побольше :)
Ground
Ок спасибо большое, буду гуглить в эту сторону
Andy
Ок спасибо большое, буду гуглить в эту сторону
http://easyelectronics.ru/avr-uchebnyj-kurs-ispolzovanie-avr-twi-dlya-raboty-s-shinoj-iic-i2c.html
romanetz
Был у кого-нибудь опыт с vl53l0x?
romanetz
Два метра заявленных может измерить?
romanetz
(правда, согласно даташиту - в темноте)
Dmitry
https://youtu.be/HDSAURlA4cw
Dmitry
Если кому то будет интересно
🇷🇺 Vladimir
да хватит уже эти DHT использовать
🇷🇺 Vladimir
это ж днище полное
🇷🇺 Vladimir
есть BMP280 и BME280
🇷🇺 Vladimir
они гораздо точнее
🇷🇺 Vladimir
кроме того, на и2ц шину можно вешать кучу датчиков на разные адреса, они универсальные
Алексей
280 тоже не всегда точный
Алексей
а DHT21 вполне себе
🇷🇺 Vladimir
280 оч точный и быстро реагирует
🇷🇺 Vladimir
в гараже стоит
🇷🇺 Vladimir
дверь только открываю сразу влажность падает и температура
Алексей
У меня разница в двух ВМЕ составила чуть ли не 5 градусов
🇷🇺 Vladimir
они рядом лежали?
🇷🇺 Vladimir
воздух из ноута дул на них?
Алексей
У меня нет ноута 😊
🇷🇺 Vladimir
в разных углах жилой комнаты легко бывает такая разница
romanetz
Я повторюсь - если прям надо доли градуса, юзайте adt7420
romanetz
Эта микруха даже тепловое излучение человека чует, сидящего за столом (а плата на столе лежит)
Svyatoslav
Коллеги, простите за офтоп, но кто работает с измерение вибраций?
🇷🇺 Vladimir
я хотел противоугонку делать на мопед, но так руки и не дошли
🇷🇺 Vladimir
есть и2ц датчики ускорения
🇷🇺 Vladimir
ну и вывод для прерывания есть
romanetz
Только применительно к вибродиагностике
Василий
ооо а вибродиагностика - чего ?
Василий
есть надобность в вибродиагностике плат, не знаю с какой стороны к ней подойти
romanetz
ооо а вибродиагностика - чего ?
Насосно-компрессорного оборудования
romanetz
Нефтянка, металлургия, транспорт
romanetz
В т.ч. и это
Василий
что посоветуете почитать ?
romanetz
romanetz
Испытания на вибропрочность что ли?
romanetz
Резонансы увидеть и вот это вот всё?
Василий
спасибо
Василий
еще интерисует автоматизация оптического контроля плат - может кто то сталкивался?
romanetz
Оптического?
romanetz
Электрическое тестирование автоматизированное - видел, ЧПУшка носится над платой и иголки втыкает в нужные места
Василий
да, - то электро-контроль, - после производства платы а оптический контроль - после монтажа
Василий
производится человеком - а хотелось бы автоматизировать
Костя
Товарищи! А есть кто работал с esp32 по BLE (arduino framework)? некоторые пишут что все нестабильно и отваливается и смысла нет. Прошу мнений или пруфов) В сети кроме мануалов аля "скопипастил - вроде работает" ничего не нашел. Дельным статьям и ссылкам тоже буду рад
ᅠDin
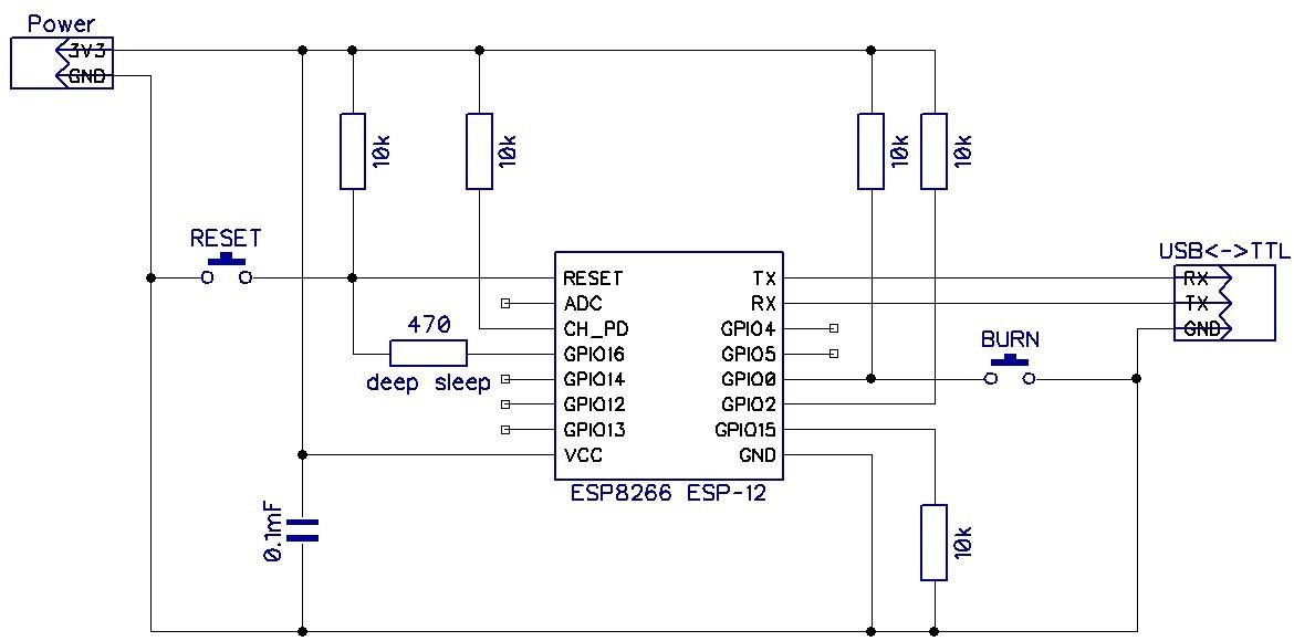
Привет. У меня такой вопрос. Если я буду использовать TX и RX как GPIO_1 и GPIO_3 то нужно что то изменять в скетче или достаточно ввеси их GPIO? и нужно ли что то добавить в обвязку с есп 01 кроме ресистора между vcc и ch_pd?
Василий
TX на вход ? - может на выход
Slava
Привет. У меня такой вопрос. Если я буду использовать TX и RX как GPIO_1 и GPIO_3 то нужно что то изменять в скетче или достаточно ввеси их GPIO? и нужно ли что то добавить в обвязку с есп 01 кроме ресистора между vcc и ch_pd?
tx rx лучше использовать по назначению, т.е. читать-писать в сериал порт для отладки. Кроме того, есть и другие пины, критичные к загрузке есп, которые тоже лучше не использовать, иначе потом мозг взорвешь, разбираясь почему твоя хрень не работает.
ᅠDin
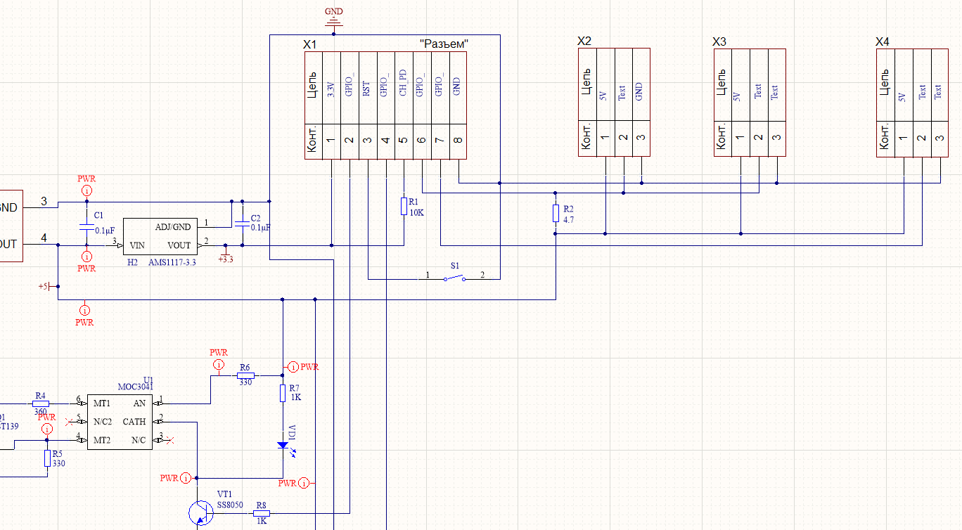
Эх. Пару месяцев назад скидывал сюда ни кто не сказал. Тогда такой вопрос. Для есп 12ф обвязка для работы такая?
Владимир
ᅠDin
Судя по всему классика. Только точно надо в устройстве сброс и Бут?
Ну тк у меня негде прошивать есп 12 то придется на плате это сделать.
Владимир
какие?
Gpoi0 на минус переход в режим прошивки.
Ruslan
ну это известно, я про хитрые случаи больше
Slava
какие?
на память не помню, гдето есть табличка, с какими уровнями сигналов на каких пинах есп либо не стартует, либо переходит в режим загрузки прошивки.