romanetz
Решали реальные задачи
romanetz
Хоббийные или коммерческие
Михаил
бывают моменты в жизни когда очень нужно засунуть wifi в дезодорант
Забавная статья апгрейд arduino uno до esp8285 https://spectrum.ieee.org/arduino-jolly
Павлик
Кстати, а как вы изучали тонкости работы МК? Нам в университете так же давали только азы, правда направление не совсем то 😊. Просто офф документацию "курите"?
Начал с ардуино, как основного любительского на который тонна примеров и доков. Потом стал пересаживаться на более специфические, имея уже знание по ардуине. Получалось более-менее безболезненно и с расширением знаний
Brzęczyszczykiewicz Grzegorz
здравствуйте. Подскажите, пожалуйста, через как можно организовать раздельную / или совместную перепрошивку 3-х 8266 распаянной на одной плате через один порт (имеется ввиду, что программатор подключаю к одному разъему а не поочереди к трем)?
Алексей
а цель просто иметь один разъем?
Brzęczyszczykiewicz Grzegorz
Алексей
Может я сейчас глупость скажу, но что мешает сделать три кнопки и по очереди вводить их в режим прошивки?
Dmitry
Мигропереключатель можно задействовать?
Да в принципе можно) чего нет то
Brzęczyszczykiewicz Grzegorz
Brzęczyszczykiewicz Grzegorz
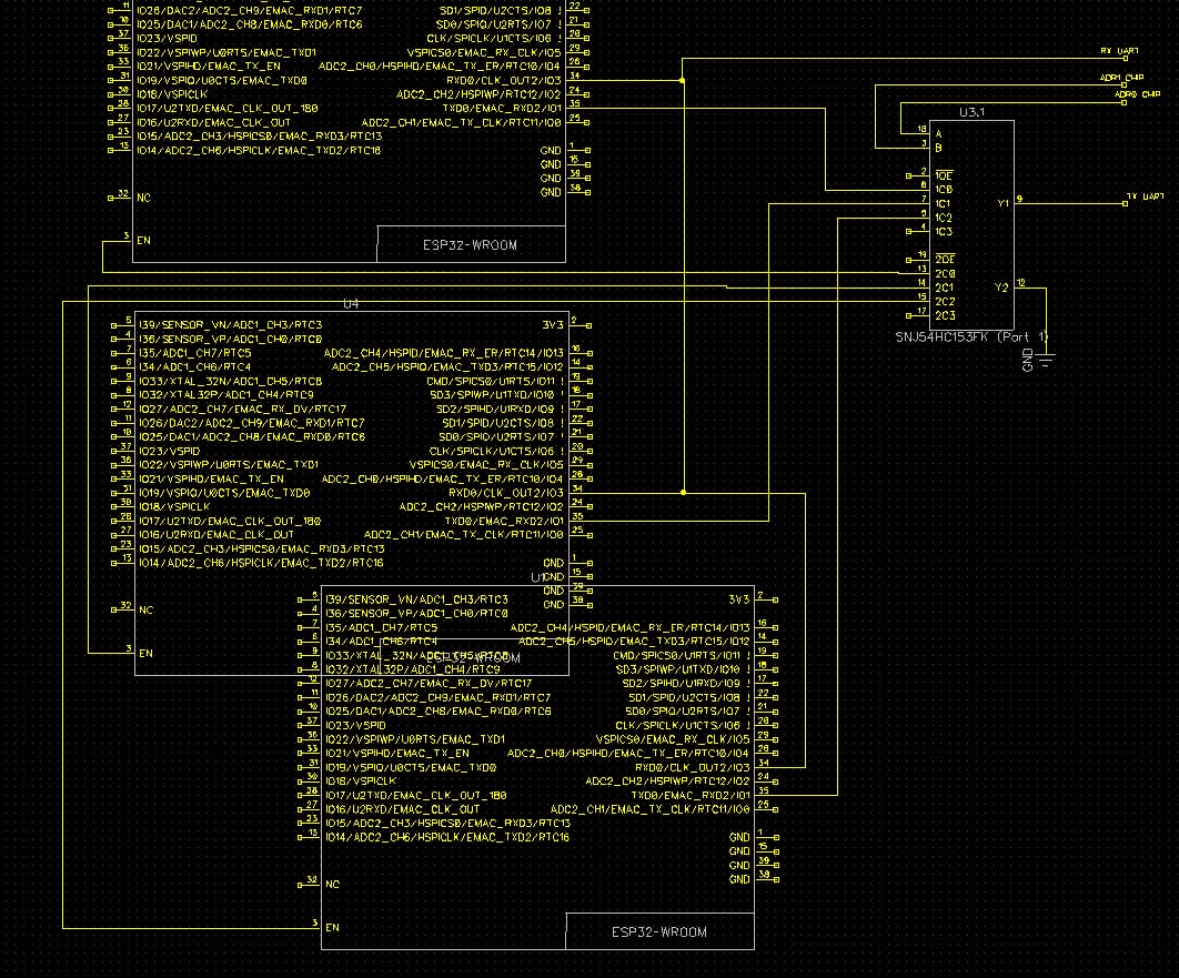
Ищу схему чудообвязки)
Brzęczyszczykiewicz Grzegorz
Вчера коллеги с этой группы сказали, что эти линии нельзя объединять А так да, все esp на одной плате и у них общее питание
romanetz
Ищу схему чудообвязки)
Любой мультиплексор
romanetz
4052, 4051 - какой там из них сдвоенный?
Marat
http://easyelectronics.ru/avr-uchebnyj-kurs-postanovka-zadachi.html
Блин, классный сайт, почему я раньше на него не натыкался? Вот кстати, случайно наткнулся на статью, человек сделал, что я хотел на freertos: http://easyelectronics.ru/freertos-primer.html
Brzęczyszczykiewicz Grzegorz
Нет. Они все работают самостоятельно. Линия данных не связана
Andy
Ищу схему чудообвязки)
Что то типа такого
Brzęczyszczykiewicz Grzegorz
А что переключает адреса?
Andy
не знаю- в ТЗ про управления ни слова не было :)
Евгений
не знаю- в ТЗ про управления ни слова не было :)
Хорошее ТЗ - 80%+ успеха реализации
Slava
Смотрите какая интересная штука могла бы быть, если бы производители смотрели фантастику.
filarius
В отдельном ночнике както больше ламповости :)
Slava
Как такой ползунок сделать? Из нескольких сенсорных кнопок или есть что-нибудь похожее на длинную кнопку?
romanetz
Лцд с тачем
Slava
Действительно, а ведь так просто.
romanetz
Ну если не пытаться все за три копейки заколхозить
romanetz
А, кстати
romanetz
Нынче МК умеют в ёмкостный сенсор и сами
romanetz
Стмки и пикухи, емнип
romanetz
Нрф52 вродь тоже
romanetz
Но надо уточнять
Slava
Есп32 думаю сможет
Nikita7131
возможно вместо тфт дисплея можно поставить ...
romanetz
Он жрёт, как не в себя
romanetz
Хотя да, если вместо есп32 - 27,12 МГц, ЧМ...
Mikhail
по себесу такой выключатель обойдётся в 5-10$ по деталям, ещё около 10-20 по корпусу красивому при расчёте мелкой серии. ПО на фрилансе порядка 200-400$
Mikhail
ИН9 прикольная лампа, да, никак не привезут побаловаться балуюсь ИН-18
Anonymous
Доброго времени суток. Подскажите кто как рассчитывает подтягивающие резисторы для i2C шины? Неужели все считают емкость шины? Если да, то кто как это делаете?
Grishka
Еали много датчиков то по 10к, если мало то 4.7к.
Anonymous
Отлично 10шт это много?
Grishka
Пробуй по 10к
Anonymous
Просто периодически шина сваливается в ошибки... везде пишут типо не верная подтяжка
Anonymous
22:40:11: [W][esp32-hal-i2c.c:1411] i2cCheckLineState(): invalid state sda(21)=0, scl(22)=1 22:40:11: [D][esp32-hal-i2c.c:1419] i2cCheckLineState(): Recovered after 9 Cycles
Grishka
По разному попробуй
Brzęczyszczykiewicz Grzegorz
Чем частота ЦПУ отличается от частоты кристалла?
@MotoBot
Чем частота ЦПУ отличается от частоты кристалла?
Кристал имеется ввиду кварц внешний скорее всего
Brzęczyszczykiewicz Grzegorz
Точно! Спасибо
Evgeniy
Всем привет! Столкнулся со странной проблемой при передачи данных между ESP32 и смартфоном на android: На xiaomi mi A2 lite: через пару минут потери пакетов и дисконнект от ESP32 (soft ap) 3 раза в секунду 46 КБ через TCP sockets: на huawei y5p без сбоев и потерь пакетов в течении 2 часов отработало
Evgeniy
Может ли это быть связано с настройками фреймворка IDF или это реально глюк в смартфоне? (Нестабильный wifi на этом смартфоне замечен)
Evgeniy
Хм, пока выборка - 2 смартфона.
Евгений
Коллеги, подскажите, может было у кого. 10 одинаковых плат с ЕСП32, одинаковая прошивка. 9 работают как часы, 10-я не запускается, пока не нажмешь резет. Что может быть?
Evgeniy
Коллеги, подскажите, может было у кого. 10 одинаковых плат с ЕСП32, одинаковая прошивка. 9 работают как часы, 10-я не запускается, пока не нажмешь резет. Что может быть?
Типичная проблема с цепью сброса. Установка MAX809 или увеличение конденсатора на выводе reset в 10 раз устраняет эту проблему.
Евгений
Хм... попробую кондер припаять
Daniil
Ебааааать. Вы видели цены на алике? Есп32 уже по 500 почти
Daniil
Ебааааать. Вы видели цены на алике? Есп32 уже по 500 почти
Так на всех площадках? Или только на али?
Евгений
Ебааааать. Вы видели цены на алике? Есп32 уже по 500 почти
Поставь цену не в рублях, а в долларах и не напрягайся
Евгений
Зп то блять, в рублях у меня
Ну это претензия не к али. В долларах цена та же, что и раньше.
Evgeniy
Хм... попробую кондер припаять
Там 0.1 мкФ стоит, нужно попробовать 1 мкФ. Если не поможет - 10 мкФ. Дальше идти не стоит.
Евгений
Там 0.1 мкФ стоит, нужно попробовать 1 мкФ. Если не поможет - 10 мкФ. Дальше идти не стоит.
То есть это я идиот, похоже.... У меня там вообще 1 нанофарад стоит.
Евгений
И что характерно 90% плат работает.
Evgeniy
Какой источник питания для esp32 на этой плате?
Евгений
А на входе 12
Evgeniy
И что характерно 90% плат работает.
Так и должно быть, чем меньше номинал этого конденсатора - тем больше таких глюков
Mike_Went
Зп то блять, в рублях у меня
ещё бы в конфетах просил
Evgeniy
Кто-знает - как бы отключить на андроиде функцию дисконнекта от точки доступа без интернет соединения?
Evgeniy
Или может на стороне ESP32 какой то трюк надо сделать?