Andy
что это?
quantum super position
что это?
умение «читать» не открыто?
Andy
умение «читать» не открыто?
Это чат пропаганды, со стороны Украины?
quantum super position
)))))))))))
quantum super position
Это чат пропаганды, со стороны Украины?
слушай, мне не интересно продолжать этот диалог здесь - я тебе скинул подтверждение - скинул. твое дело что с ним делать и как воспринимать
RadioJo
В бан его
группа отрытая обсуждаем много что по электронике но я ведь просил не пишите на другие темы. да все это печально что происходит, но поймите здесь не место выражать свою позицию. буду удалять ссылки и сообщения не по теме(конечно как смогу выделить время на чат)
Давай я буду удалять )0))
админ но людей пока не будем блокировать. пиши если что в личку. спасибо
The Lord of Кот
Готов служить
Andy
еще один записался в диванные войска :)
Andy
мир )) воюем только с esp ))
шутка, никого не хотел обидеть :)
Skipping Stone
Здравствуйте. Купил парочку ESP-01 esp8266, а программатор не купил. Есть только UNO и FTDI и я. честно говоря, заебался пытаться прошить мигалку диодом Ощущение, что я упускаю какую-то важную деталь с резетом. На одной сборке смог достичь вывода "Performing hard reset" вместо esptool.FatalError: Failed to connect to ESP8266: Timed out waiting for packet header Правда, резет при этом не был ни заземлен, ни как-то подключен к FTDI
Skipping Stone
В общем, в чате есть рабочая схема программатора через уно с пошаговой инструкцией для чайников? В интернете куча всего и не работают\не договаривают + дроч с землей\резетами, и у каждого свой, естественно, кто-то на секунду держит резет, кто-то - 3 ровно до миллисекунды
Alexey
Купить прошивальщик, не? Быстрее, и больше сэкономленных сил, времени, нервов
Skipping Stone
https://iarduino.ru/shop/Expansion-payments/esp8266-serial-wifi.html Я приобрел вот такие, там flash 512 кб,
Skipping Stone
Skipping Stone
автоматически распознается как 1мб, мне кажется, надо выбрать 512, но какой? мб я устаревший неликвид купил, который уже не поддерживается) т.к. продавались по себестоимости
Skipping Stone
Схемы какие испробовал: https://www.instructables.com/Program-ESP01-Using-FTDI/ 0 реакции на нажатия на кнопки. Выдает Timed out waiting for packet header https://cordobo.com/2300-flash-esp8266-01-with-arduino-uno/ Аналогично
Skipping Stone
При таком соединении в лоб смог подключиться, мигают синие лампочки В конце отчет Leaving... Hard resetting via RTS pin... Но не сообразил, как резетнуть)
Alexey
Выбирать в зависимости от того, какая разметка нужна. Предполагаю, что ота вам вообще не потребуется , поэтому можно даже собственную разметку описать
Skipping Stone
Пробовал, builtin led не мигает тогда. Я сейчас тогда соберу с диодом и переберу все значения для встроенных диодов
Skipping Stone
Ай, я gpio0 не отключал, его ж нужно отключить для выхода из режима программирвоания?
Skipping Stone
Я сильно новичок, я понимаю, что high это когда есть напряжение на пине, значит, нужно накинуть джампер с питанием на гпио0?
Skipping Stone
спасибо, пойду тыкать
Skipping Stone
Да вроде не труп пока что, скармливал ей 5 вольтов, мигает всеми лампочками) Если что есть еще 4 штуки еспшек И еще моментик, у меня резисторы только на 10к и на 220, если собрать делитель из 10к резисторов, там ток получится что-то вроде 2.5 мА, а еспшке, если я верно понял, нужно что-то вроде 80-100 мА минимум для передачи сигнала?
Skipping Stone
Ну, она грелась)
Skipping Stone
Я не знаю, как проверить, жива ли она...
Serg
Я не знаю, как проверить, жива ли она...
Покажите ваш прогроматор, может на нем есть 3,3В.
Serg
Пропустил.
Serg
Тогда не понятно зачем от 5В подавал.
The Lord of Кот
Skipping Stone
3 из 4 выдали такую картинку
Skipping Stone
Самая первая жертва, которой я кормил все подряд не реагировала никак в течении 5 минут на АТ команды, потом выплюнула это и задорно мигнула синей лампочкой
Skipping Stone
соединял так
Skipping Stone
Измените скорость порта на 87ххх чего там.
для заводской информации нужно 77ххх чего-то там, да, вы про это?
Skipping Stone
Что-то не могу получить дампы, соединяю через UNO
Skipping Stone
А мне школьникам потом показать хочется
Skipping Stone
спецкурс паграмирования умных устройств, в плане написано использование есп-01, практику прохожу тип
Skipping Stone
видимо придется с фтди бегать между рядами
Skipping Stone
да-да, я уже заказал
Skipping Stone
прост думал к понедельнику приготовлю чего
Skipping Stone
плюс тут тоже нужно джампер припаивать
Skipping Stone
Skipping Stone
но вы его все равно сами доколхоживали? или шел со свитчем из коробки
Skipping Stone
ссылочку
Skipping Stone
ну до 30 апреля ждать не варик)
Skipping Stone
И вообще по москве ничего нет, я в шоке, как так, только один магазин с ними (в наличии)
Alexey
https://arduinopro.ru/product/usb-uart-esp-01/ Доставка домой за 2 дня
Skipping Stone
Авито!
Alexey
https://chipster.ru/catalog/arduino-and-modules/wireless/wifi/5333.html В наличии на Войке. В Мск можно найти всё, что угодно
Andy
Что-то не могу получить дампы, соединяю через UNO
чего вы хотите и что соединяете? Схема соединения была бы совсем неплоха и конкретная марка UNO - на некоторых уже есть FTDI
Skipping Stone
https://chipster.ru/catalog/arduino-and-modules/wireless/wifi/5333.html В наличии на Войке. В Мск можно найти всё, что угодно
У меня гугл какой-то кастрированный последние два месяца :( Постоянно показывает додика с удочкой Спасибо за ссылки
Skipping Stone
чего вы хотите и что соединяете? Схема соединения была бы совсем неплоха и конкретная марка UNO - на некоторых уже есть FTDI
Хочу научиться программировать есп-01, затем веб-сервер будем на ней поднимать по идее https://amperka.ru/product/arduino-uno uno одолжил из набора матрешка Z от амперки, так что там такая
Skipping Stone
ну тогда мигаем диодами, подключаемся к вайфаю и на этом все
Skipping Stone
даже пару жсонов не выйдет прокрутить с 512кб?
Skipping Stone
👍
Andy
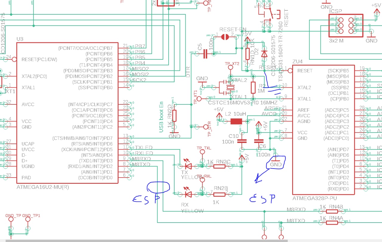
Хочу научиться программировать есп-01, затем веб-сервер будем на ней поднимать по идее https://amperka.ru/product/arduino-uno uno одолжил из набора матрешка Z от амперки, так что там такая
т.к. в качестве моста USB-COM в этой плате используется МК atmega16U2, то придется все вручную подключать. т.е. никаких автоматических переходв в режим программирования и сброса. Для этого выключите или вытащите из панельки основной МК atmega328 (выключить можно заземлив вывод reset) И соедените землю, rx, tx с esp-01 Должно получится так
Skipping Stone
А потом не забыть соблюсти магию по секундам :) http://forum.amperka.ru/threads/%D0%9E%D1%88%D0%B8%D0%B1%D0%BA%D0%B0-%D0%B7%D0%B0%D0%B3%D1%80%D1%83%D0%B7%D0%BA%D0%B8-%D1%81%D0%BA%D0%B5%D1%82%D1%87%D0%B0-arduino-esp8266.19758/
Andy
А потом не забыть соблюсти магию по секундам :) http://forum.amperka.ru/threads/%D0%9E%D1%88%D0%B8%D0%B1%D0%BA%D0%B0-%D0%B7%D0%B0%D0%B3%D1%80%D1%83%D0%B7%D0%BA%D0%B8-%D1%81%D0%BA%D0%B5%D1%82%D1%87%D0%B0-arduino-esp8266.19758/
На три секунды это что бы наверняка чип сбросился, а сколько вы его будете держать в режиме сброса пофиг. Режим в котором чип будет грузится определяется в момент поднятия ноги en в высокое состояние. Если в этот момент на GPIO0 будет низкий потенциал, то чип войдет в режим программирования. Если высокий то в режиме обычной работы.
Skipping Stone
https://www.avito.ru/moskva/tovary_dlya_kompyutera/preobrazovatel_usb-uart_ch340g_5v3.3v_esp01s_2254415275
Skipping Stone
А такое подойдет? Выглядит прикольно + 01S. Или это не программатор, вроде он
Andy
А такое подойдет? Выглядит прикольно + 01S. Или это не программатор, вроде он
Подойдет, CH340G это в некотором смысле "аналог" FTDI, т.е. мост USB-UART
Andy
вы про вот этот? https://t.me/ProEsp8266/129313 Если да, то там другой мост же
Skipping Stone
Да там дудка нестильная и нет переключатора и ваще ждать надо... Но всем спасибо
Skipping Stone
А, вспомнил, там тип тх рх на 5в логике, ее тоже надо понижать безусловно?
Skipping Stone
На ардуиночке UNO родимой
Skipping Stone
Джемпер на фтди в 3.3, слава богу
Serg
Джемпер на фтди в 3.3, слава богу
Не могу понять зачем уно, ладно срочно прошить надо, а под руками больше ни чего нет.
Skipping Stone
Не могу понять зачем уно, ладно срочно прошить надо, а под руками больше ни чего нет.
А по моему отличная образовательная идея, "прошей используя говно и палки, а потом уже хватайся за программатор" Вот бы еще работало