Dmtr🇺🇦
Пробовал tinygo и gobot
homekit
homekit
Добрый день! Стоит задача управляемой розетки на участке, за одно одним выстрелом убить двух зайцев, подключу ds18b20 к плате так как розетка с esp8266. Заранее хочу сказать, что датчик температуры хочу установить внутри корпуса, так как не эстетично будет если он будет выведен наружу, на практике попробовать, возможно откалибрую на градус ниже, так как esp будет чуть подогревать корпус. Я же не думаю, что если датчик будет в корпусе, будет показывать ерунду, уведу его в противоположный угол от esp
sat
так не делают
Dmtr🇺🇦
На го - нет
Dmtr🇺🇦
Микропитон не пробовал
Dmtr🇺🇦
Я только перешёл на новый ноут
Indr1x
а компилится то? какой hex заливать в контроллер должно быть без разницы же, на чем он написан
Евгений
Вот кстати. А сонофф вообще как то шить можно? Я его руками щупал очень давно (обычно я просто паяю чипы есп на свои платы), но там по моему своя прошивка и вписывать туда lc18,20 не реально?
Евгений
Легко шьются, подготовлены пины rx tx
Да шить то понятно что можно, есп как есп.... НО функции именно умного дома от сонофф то пропадают?
Евгений
Ну так у сонофф то главное было именно их своя особая атмосфера
Dmtr🇺🇦
Я просто относительно недавно начал учить го, и после питона далеко не всё понятно
Dmytro
Да, на самом ноуте запускается
hex на ноуте запускается? Если бинарник у вас скомпилился (под есп конечно), то вы можете залить его с помощью esptool. Ваш тулчейн должен это же и пытаться сделать, просто там возможно что-то не так с конфигом. Если сможете написать конкретную ошибку - будет проще
ainu
Кстати по поводу go, никто не в курсе новостей, ожидается всётаки появление поддержки вайфая в tinygo для esp32 или заглохло?
ainu
Ну и всякие i2s
Демьян Засипатыч ⚠️
Ну так у сонофф то главное было именно их своя особая атмосфера
Особенно когда китайское облако падает постоянно и/или виснет, а про глючные прошивки я вообще молчу.
Сергей
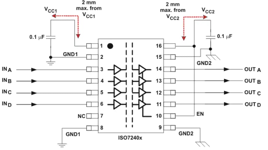
Всем привет есть у кого опыт подключения изолятора spi iso7241c к esp32? Только не говорите что даташит читать надо, не помогло, тямы не хватает))))
Сергей
Могу даже тех задание скинуть, помощь не бесплатная разумеется
Демьян Засипатыч ⚠️
Если мне память не изменяет, то там всё просто. А в чём суть/сложность вопроса?
Сергей
С какой стороны мк а с какой ацп?
Демьян Засипатыч ⚠️
МК - слева, АЦП - справа.
Сергей
Сергей
Вот так?
Демьян Засипатыч ⚠️
Как вариант. Мы же не знаем, что и зачем вы строите.
Сергей
А можно в лс скину тех задание, там более подробно
Демьян Засипатыч ⚠️
Можно.
Alexey D.
Вопрос про lwip pbuf. Совершенно четко контролирую отправку данных - то есть не возникает ситуаций, когда данные не отправлены, а я хочу отправить новые. Могу ли я в этом случае единожды использовать pbuf = pbuf_alloc(,,PBUF_ROM); pbuf->payload = (void *)myBuffer; pbuf->len = pbuf->tot_len = myBuffer_const_len; И просто менять значения в myBuffer, не меняя размер данных перед каждой отправкой udp_sendto(pcb, pbuf, &addr, port); несмотря на то, что у меня myBuffer не в ROM и меняется ?
Kirill
Всем првиет! Ребята подскажите пожалуйста какие причины почему может не работать приёмник qiachip rx500a в описании написано что работает на частоте 433.92 вот ссыль на него https://aliexpress.ru/item/32858718391.html?sku_id=65288747131 и передатчик alutech at-4n который работает на той-же частоте 433.92 но при всём при этом китайский пульт ресивер видит...
Denisio
с китайцами такое бывает
Valeriy
нубский вопрос: это нормально, что обычный Hello World или Blink пример в платформио собирается в около 400-500 Кб бинарника? я как посмотрю на компиляцию, там уже сразу например собираются объекты BLE.o, BLEClient.o ит.д. которые явно для моргания светодиодом не нужны. Можно это как-то поумерить энтузиазм линковщика?
Алексей
Здравствуйте. Решил сделать управление отоплением (вкл/выкл насоса в системе отопления) с контролем через интернет. За основу решил взять ESP32. Опыта в таких поделках очень мало. Пару простых поделок на ардуино. Поэтому у меня есть вопросы. На данный момент их два. 1) Датчик температуры хочу использовать беспроводной. Первое что придумал, это ардуино+датчик+радиомодуль nrf24l01. Наверняка есть решения лучше. Подскажите, какие идеи будут? 2) У меня есть модули реле 5В, сможет ли esp32 ими управлять ?
Алексей
Реле есть такое, амперкино - https://amperka.ru/product/troyka-mini-relay и еще заказаны уже на али твердотельные, такие - 87,41 руб. 11%СКИДКА | Реле WAVGAT 5 В, 1 2 4 8 каналов OMRON SSR, Высокий Низкий уровень, твердотельный релейный модуль 250 В 2 а для Arduino https://a.aliexpress.com/_AmAiQt
Алексей
Пожалуй использование Attiny13 это следующий уровень погружения в самоделки. Пока не для меня. Это же надо будет самостоятельно обвязку для МК делать?
Бис✨
дёшево и сердито
Бис✨
2) вероятно да
w
А что мешает сразу датчик прилепить к 8266 и через роутер прокинуть порт? Или вообще вебморду на хостинге запилить, а от есп гонять запросы туда. Так будет пофиг на белый адрес и нат.
Denisio
двачую второй вариант.
Алексей
А что мешает сразу датчик прилепить к 8266 и через роутер прокинуть порт? Или вообще вебморду на хостинге запилить, а от есп гонять запросы туда. Так будет пофиг на белый адрес и нат.
Мешает отсутствие знаний 😊 первое что в голову пришло, это то с чем был знаком - ардуино. Любые другие варианты рассмотрю. У меня есть опыт в программировании под веб. Базово знаком с Symfony. Я не профи, так для себе делал сайты. Поэтому однозначно для управления и настройки контроллера отоплением будут через веб-морду. ESP32 получает данные с датчика(ов) и раз в минуту отправляет на сервер и если есть изменения настроек получает их в ответ. Если так возможно, чтобы 8266 в качестве датчика по WiFi передавал данные на esp32, то наверное это будет хорошим решением. Но как передавать? На esp32 поднимать веб-сервер?
Алексей
Или с 8266 слать сразу на хостинг данные?
Лёха
Лёха
Так ?
Лёха
И котел работает адаптивно, получая данные с другой esp8266
Лёха
Лёха
Вот отсюда
Лёха
Или с 8266 слать сразу на хостинг данные?
Так что, если нет опыта, копай готовую прошивку типа тасмота.
Алексей
Что бы поддерживать постоянную температуру в помещении?
Да. У меня собственно сейчас так управление и работает на Ардуино, но естественно оно офлайн и датчик на проводе. Хочу модернизировать . Я пользовался когда-то контроллером от фирмы Zont, там управление осуществлялось через сайт или приложение. Можно было задать расписание для котла, в какой день и во сколько включаться. Вот хочу что-то подобное реализовать
Алексей
Это клапан с термоголовкой. Сам догадайся как оно работает.
Ну не надо меня совсем за дурачка держать. Это решение способно управлять отоплением в здании 200 м²?
Sid
По хорошему кроме батарей еще и вентиляцией рулить
Slava
Ну не надо меня совсем за дурачка держать. Это решение способно управлять отоплением в здании 200 м²?
Я не буду тебе ничего объяснять и доказывать. Тебе лучше проконсультироваться со специалистами по отоплению.
Serg
Я не буду тебе ничего объяснять и доказывать. Тебе лучше проконсультироваться со специалистами по отоплению.
Ну а если надо по расписанию температуру поддерживать и в разных комнатах или удалённо управлять. Как с помощью термоголовки это сделать?
Slava
Ну а если надо по расписанию температуру поддерживать и в разных комнатах или удалённо управлять. Как с помощью термоголовки это сделать?
В разных комнатах - разные радиаторы, каждый со своей термоголовкой. Выставляешь нужный уровень. Температура поддерживается автоматически с некоторой погрешностью конечно. Управлять удаленно с какой целью? Изменять температуру по таймеру с какой целью? Что бы сэкономить сто рублей? Или ты собираешься не греть дом до низких температур, а потом удивляться откуда конденсат и плесень?
☃️ Whoops 7cs 🎉
Я откусил чуток изолятора от провода. Там появилось много мелких подпроводков. Как можно их в один объединить?
Denisio
скрутить
Denisio
и залудить
Valeriy
В разных комнатах - разные радиаторы, каждый со своей термоголовкой. Выставляешь нужный уровень. Температура поддерживается автоматически с некоторой погрешностью конечно. Управлять удаленно с какой целью? Изменять температуру по таймеру с какой целью? Что бы сэкономить сто рублей? Или ты собираешься не греть дом до низких температур, а потом удивляться откуда конденсат и плесень?
ну человек говорит о 200 кв.м. квартире. В каком-нибудь доме тоже, если вам надо отключить отопление на верхнем этаже а тащиться туда лень - тоже можно сделать. вот например такие же термоголовки как вы показали, но с удаленным управлением https://homematic-ip.com/de/produkt/heizkoerperthermostat-evo
Serg
А с вашим подходом так термоголовки не нужны, можно же форточку открыть.
Алексей
В разных комнатах - разные радиаторы, каждый со своей термоголовкой. Выставляешь нужный уровень. Температура поддерживается автоматически с некоторой погрешностью конечно. Управлять удаленно с какой целью? Изменять температуру по таймеру с какой целью? Что бы сэкономить сто рублей? Или ты собираешься не греть дом до низких температур, а потом удивляться откуда конденсат и плесень?
Вопрос изначально был не про отопление. И давайте не будем его дальше обсуждать. Я только поясню почему было принято решение с электроникой и автоматикой. Я думал про термоклапаны, но из установка на каждой батарее это очень не бюджетно по сравнению с одной ардуинкой. Во вторых, это коммерческое помещение, с графиком работы и с выходными. Расписание температуры очень пригодилось бы. Конечно в нерабочее время снижать температуру до минимума я не буду, но на пару-тройку градусов можно. Стоимость газа для коммерческих помещений в два раза выше, чем для частных жилых домов, даже маленькая экономия заметна. В-третьих, хочется потешить самолюбие diy-щика внутри себя.
Slava
ну человек говорит о 200 кв.м. квартире. В каком-нибудь доме тоже, если вам надо отключить отопление на верхнем этаже а тащиться туда лень - тоже можно сделать. вот например такие же термоголовки как вы показали, но с удаленным управлением https://homematic-ip.com/de/produkt/heizkoerperthermostat-evo
Ну .... Смотри.... Когда у тебя будет трехжтажный дом, то у тебя в каждой комнате будет по паре горшков с цветами, кошка, собака, попугайчики и других твари и каждый раз когда ты будешь их морозить, они будут как бы говорить: "Хозяин ты дебил? Нам холодно! Включи батареи!" А до тех пор пока дома у тебя нет, то и проблем таких нет.
Valeriy
ммм... ну видимо то устройство которое я скинул никому не продается и было разработано просто так, чтобы обанкротиться и разбежаться
Valeriy
кстати в офисы оно тоже хорошо заходит
w
Например, в пхп скрипт, который вернёт некий ответ
w
Туда отправлять значение с датчика, обратно - команду что делать. Раз в секунду опрос асинхронный (задержка между получением ответа) и нормально
w
Так не придется мучаться с белым адресом и пробросами, и запихивать вебморду в есп. Просто туда текстом отправлять данные, пост-запросом, и читать вывод как текст. Его и сравнивать в свич-кейз