Nick
Они есть 3 х полюсные
sat
https://aliexpress.ru/item/10000309347657.html
sat
https://aliexpress.ru/item/10000311402068.html
sat
https://aliexpress.ru/item/1005002852965670.html
Glenn lab.
и тут получается можно будет степенью нагрева тены управлять срахзу %) это если у котла никакой защиты нет по напряжению
Glenn lab.
почему?
sat
там есть варианты , ПИД
Nick
почему?
Если только пид дискретный
sat
если модель подобрать то по углу - фазе но не рекомендую
Glenn lab.
а зачем учитывать сдвиг?
Nick
Про фазорезку почитай
Glenn lab.
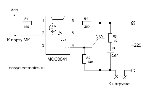
т.е. каким образорм работает твердотельное реле?
sat
несколько сек включил на несколько выключил, причем через ноль , это по православному будет
Glenn lab.
симистор это типа транзистора для переменного тока?
sat
sat
симисторная пара - симистор и оптрон
Glenn lab.
спасибо за информацию! не буду дальше задавать тупых вопросов )
AntikillerVova 🇷🇺
Да блин, реле и симистор параллельно реле.
AntikillerVova 🇷🇺
И без радиатора, и долго будет служить, только мк нуден и немного хитрый код работы этой схемы.
Dmitry
и тут получается можно будет степенью нагрева тены управлять срахзу %) это если у котла никакой защиты нет по напряжению
Что бы процентами управлять, можно 2 шт через обычные или контакторы третий через пид
Василий
Василий
к сегодняшнему спору про излучение. вон то светит лазер дальномер
Василий
сравнил с пультом от кондея - визуально одиннаковая яркость, хотя коенчно, может камера и что то "обрезает"
Glenn lab.
Что бы процентами управлять, можно 2 шт через обычные или контакторы третий через пид
почитал про контактор по сути же тот же твердотельный реле с управлением, и в форм факторе под рейку как раз, но блин за те же деньги можно купить wifi управляемый такой же умный автомат на али
Glenn lab.
а вообще да - контактор то что надо мне
Glenn lab.
😄
sat
а вообще да - контактор то что надо мне
ага , вы воще представляете как он клацает
Dmitry
Да у меня проточники все на контакторах сидят 15 кВт, уже сколько лет полет нормальный
sat
а еще бывает гудит
Glenn lab.
а принципиально ноль со всеми фазами пускать через контактор?
Slava
а вообще да - контактор то что надо мне
и добавить аварийный термопредохранитель
Dmitry
😄
А тут речь про 6 кВт вообще слезы
sat
у меня валом и того и другого, и только SSR , тихо без искр и клацанья
sat
и по 40-70 ампер на фазу
Nick
а еще бывает гудит
Надо брать на постоянку
Glenn lab.
А зачем там 0?
котлу надо 0
Dmitry
Что за котёл?
Glenn lab.
элвин не очень умный
sat
да они все одинаковы
Nick
котлу надо 0
Только если тены отключаются по отдельности
Glenn lab.
умеет только температуру поддерживать
Glenn lab.
отключаются
Nick
Тогда 0 обязательно
Glenn lab.
это понятно что обязательно а обязательно ли его пускать через контактор
Glenn lab.
просто они есть трёхконтактные и четырёхконтактные
Nick
Я думаю нет
sat
тены могут быть включенны звездой треугольником и с фазы на ноль, 3 варианта
Glenn lab.
но если я отключать буду то всёравно все
Glenn lab.
сразу
Glenn lab.
и управление отключится соотв
sat
тены на 380 или на 220, чаще с фазы на ноль, ноль отключать не надо
Glenn lab.
вот тут я хз ну заходит 380 получается трёхфазное там каждая тена подключается отключается рандомно
Glenn lab.
котел ими сам управляет
Nick
котел ими сам управляет
Обычно тумблера на панели стоят
Nick
Выбор количества тэн
Glenn lab.
я в котёл лезть не собираюсь я реле перед ним планирую поставить
Slava
на предмет чего?
устройство, принцип работы, схема подключения.
Glenn lab.
Nick
Два регулятора последовательно
Glenn lab.
И как ты будешь им управлять ?
просто включать и отключать а на самом котле получается фиуксированная температура будет какая-то задана
Glenn lab.
управение температурой через подключение к панели управления это уже второй этап )
Glenn lab.
А зачем тогда его отключать ?
когда дома нет никого зачем ему работать
Slava
я это понимаю в общих чертах
скажи, а чем тебе не устраивает функция поддержания температуры? зачем ты хочешь отключать котел?
Nick
когда дома нет никого зачем ему работать
Дак подключись к цепи управления в самом котле
Glenn lab.
буду в зависимости от температуры помещения включать и отключать
Nick
Там и реле слабое нужно