Sid
В общем дрон раньше надоел
Иван
и прошивку как я понял надо просто написать
Bez
Лаком, но не попадать на кнопки
Т.е страшны только кнопки? Дырка на экране поверх есп32 не важна? Есть еще идея залить герметиком как в солнечных панелях. Поэтому и вопрос,проблема только в кнопках? По идее их можно выпаять?
Denis
https://www.youtube.com/watch?v=coa_GlxUfyY
Чишко
круто!
Andy
https://www.youtube.com/watch?v=coa_GlxUfyY
Размеры и почем, подскажите плиз?
Denis
Размеры и почем, подскажите плиз?
размеры, ДШВ 153x25x43. Пока в разработке
Andy
размеры, ДШВ 153x25x43. Пока в разработке
Сенкс. Sorry, но почем я имел в виду цену на экранчики.
Denis
https://aliexpress.ru/item/33007316981.html?af=205380&utm_campaign=205380&aff_platform=link-c-tool&utm_medium=cpa&dp=4f016926c603609bb6355db61f9ee71e&aff_fcid=814a8289a8cc4526ab83d6f6f30331ee-1628593329229-07039-mr6wR6CC&cv=815660&aff_fsk=mr6wR6CC&sk=mr6wR6CC&aff_trace_key=814a8289a8cc4526ab83d6f6f30331ee-1628593329229-07039-mr6wR6CC&terminal_id=7e98266c1b2f4a3099b31c7243b4151b&utm_source=admitad&utm_content=815660
Denis
еще раз спасибо! :)
Есть ещё 0.96 inch
Denis
По дешевле
Andy
Есть ещё 0.96 inch
угу, Для подбора для дома вот это можно использовать https://www.buydisplay.com/
Anton
https://www.youtube.com/watch?v=coa_GlxUfyY
мне мой вариант, когда цифры на полсекунды останавливаются, как-то приятнее смотрится, успеваешь сконцентрироваться на том что видишь :)
Denis
мне мой вариант, когда цифры на полсекунды останавливаются, как-то приятнее смотрится, успеваешь сконцентрироваться на том что видишь :)
пишем программу, которая из набора файлов делает файл про прошивания. Можно будет менят эффекты
w
Кнопки можно не заливать Можно и выпаять
Andre
Просто для смеха https://youtu.be/eKvaYwLMNcQ
Kenval
Коллеги добрый день, хотел поиграть с ESP8266. Подключил к нему модуль DWM1000 и обратил внимание, что я не могу прошивать плату когда подключен контакт CS это нормально?
Kenval
в рамках SPI интерфейса
⁣🇺🇦
я туплю это прямо бомба)
Dmytro
Коллеги добрый день, хотел поиграть с ESP8266. Подключил к нему модуль DWM1000 и обратил внимание, что я не могу прошивать плату когда подключен контакт CS это нормально?
https://randomnerdtutorials.com/esp8266-pinout-reference-gpios/ Там внизу таблица - посмотрите в нее на допустимые уровни #esp8266 #pinout #gpio #pins
Kenval
https://randomnerdtutorials.com/esp8266-pinout-reference-gpios/ Там внизу таблица - посмотрите в нее на допустимые уровни #esp8266 #pinout #gpio #pins
Да я вроде уже разобрался но все равно спасибо... в моем случае dwm1000 требует 8мгц а в esp8266 другой ((( рассинхрон
Kenval
А коль группа касается этого никто не подскажет как присобачить к esp8266 кварц на 8mhz чтобы так сказать и тут и там работало?
Kenval
По spi корректно данные шли на и сам модуль трудился
Kenval
Не совсем понял как кварц должен быть связан с spi
Я ковырял проекты написанные под dwm1000 arduino все кто пытались подключить прям сыро miso, mosi, clk, cs в итоге ничего не получали один чудак сказал типа - так у вас на другой частоте работает камень... где у меня получилось это arduino uno.
Kenval
И самое обидное я пока не понимаю как продиагнлстировать корректную передачу данных- осциллографа не имею
Dmytro
Как вы пытаетесь подключить модуль?
Kenval
Это обычное устройство, работающее по spi. Кварц на него влиять никак не должен
Странно... У меня DWM1000 модуль, который работает по SPI прикручен к Devkit плате работающей на STM32F103C я с этим никогда с точки зрения разработки не работал и хотел переехать на ESP32/8266. Вот открыл даташит на devkit и там прям наглядно видно кварц на 8 мгц
Kenval
Прозвонил контроллер и ножки которые выходят точно. Тоесть пины я подключаю верно CLK, MISO, MOSI, CS ну и питалово
Kenval
куда капать пока не понимаю (
Denis
Какой то ад
Dmytro
Во всех трех случаях кварц встроен в модуль, он вас волновать вообще не должен
Kenval
О каком кварце речь? На ESP8266, на трансивере или на вашем девките?
На девките. Я тоже думал он в модуле тогда не понятно почему в даташите его вытащили наружу.....
Dmytro
Давайте по порядку: о каком модуле речь и давайте на него даташит
Kenval
Давайте по порядку: о каком модуле речь и давайте на него даташит
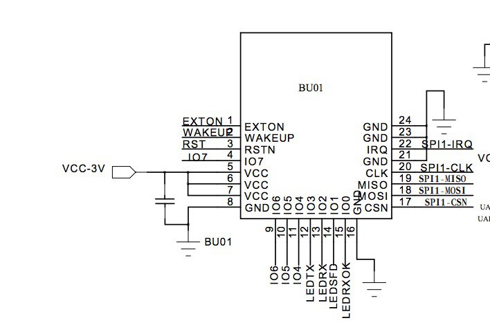
Модуль DWM1000 это штука для позиционирования в реальном времени. На нее al-thinker сделал devkit дешманский. Вот ссылка на даташит https://docs.ai-thinker.com/_media/uwb-db-v1.1%E5%8E%9F%E7%90%86%E5%9B%BE.pdf
Kenval
Вот из этого документа я взял пины https://docs.ai-thinker.com/_media/uwb/docs/nodemcu-bu01-specification_1_14.pdf
Kenval
далее на стороне ESP8266 (Nodemcu v3): 1. CLK - D5 2. MISO - D6 3. MOSI - D7 4. CS - D8
Kenval
Этот кварц от чипа STM. Если вы не используете СТМ, то он уже не несет никакого смысла.
Спасибо что посмотрели, для меня это маленький шажок будет. А есть способы протестировать передачу байтов по SPI?
Kenval
или может где-то на CS надо резюк поставить? как это правильно продиагностировать?
Dmytro
Спасибо что посмотрели, для меня это маленький шажок будет. А есть способы протестировать передачу байтов по SPI?
Если есть лишняя ардуина - то можно из нее сделать логический анализатор на небольшие частоты: https://sigrok.org/wiki/Arduino
Dmytro
Если нету - то лучше купить китайский клон saleae за $5
Anton
вот жеж фак. только сейчас узнал, что бывают спи дисплеи без цс пина...
Dmytro
Если вы не подключаете эти 4 пина, то есп запускается корректно при тех же условиях?
Kenval
Если вы не подключаете эти 4 пина, то есп запускается корректно при тех же условиях?
перестает UART работать если подключаю. А так да новенькие
Kenval
с платками все ок )))
Dmytro
Ну и банально может нехватать питания - при подаче питания у вас 2 прожорливых модуля на одной шине начинают работать, она должна достаточный ток обеспечивать. Сфоткайте что у вас там собрано, может
Kenval
да секундочку соберу покажу
w
3.3в микро юсб.. што?
Anton
это получается, что без цс пинов для двих дисплеев мне придётся два разных дма настраивать?
Kenval
Kenval
Kenval
3.3в микро юсб.. што?
ну я читал что на мой модуль подключаемый по SPI, нужно прилично тока поэтому я подключил его по MicroUSB - на девките выход есть
Dmytro
Еще бы землю соеденить между модулями
Dmytro
И убедитесь что STM на плате заглушена - чтобы она не трогала шину SPI, она ведь больше не мастер на ней
Kenval
Еще бы землю соеденить между модулями
Пробовал, и отдельно землю и VDD + GND
Dmytro
опа а как это правильно сделать если это модуль?
Ну либо залить прошивку в STM, которая все пины SPI просто входами делает, либо зажать RST на ней (на некоторых платах есть вообще специальная перемычка)
Kenval
Ну либо залить прошивку в STM, которая все пины SPI просто входами делает, либо зажать RST на ней (на некоторых платах есть вообще специальная перемычка)
Если я зажимаю RST - это вроде ресет платы? тоесть я постоянно его посылаю в ресет, а тем временем играю с SPI шиной идея клевая щас буду пробовать
Dmytro
А что за пины RST и IRQ - они к трансиверу ведут?
Kenval
А что за пины RST и IRQ - они к трансиверу ведут?
RST я так понял это для сброса модуля dwm1000 его нужно ресетить при инициализации
Dmytro
Если я зажимаю RST - это вроде ресет платы? тоесть я постоянно его посылаю в ресет, а тем временем играю с SPI шиной идея клевая щас буду пробовать
Надо смотреть что именно это за reset. У вас там минимум 2 модуля - STM и трансивер и вот нужно разобраться чей это ресет
Kenval
а irq я в душе не знаю (
Dmytro
Так у вас не работает заливка прошивки в ESP когда подключены все эти проводки, так? Я бы начал с подключения их по очереди, чтобы узнать после какого именно такое начинает просиходить
Dmytro
Ну и землю обьедените в любом случае
Dmytro
Тот который ресет STM - можете его проводком с землей соеденить, это даст гарантию что STM не будет мешаться
Dmytro
Тут правильно У вас 2 пина ресета. Судя по схеме (которая очень странная) это вот так: