𝘂𝘅𝗻𝗮𝗺𝗲
ну и без правой соответственно
Alexey D.
вроде как управление от 2.3В начинается
Я вот думаю, если мне надо коммутировать больше 600ма моторы, можно втупую 2 чипа друг на друга поставить?
𝘂𝘅𝗻𝗮𝗺𝗲
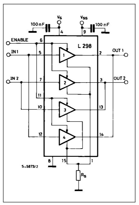
я про enable 1/2 пины
Alexandre
Enable driver channels 1 and 2 (active high input)
𝘂𝘅𝗻𝗮𝗺𝗲
разберись что делают ноги 1 и 9 по доке
ну вот вроде как это глобальный выключатель. позже ещё гляну
𝘂𝘅𝗻𝗮𝗺𝗲
так а зачем всё-таки в этой схеме кондёры? что они дают?
Alexey D.
Alexandre
Alexandre
https://www.positron-libre.com/archives/moteurpasapas/l293e-applications.pdf
Alexandre
293 тоже можно
Alexey D.
Alexandre
👍
только внимательно читай доку :)
Alexandre
Вот про это: The outputs of an L293 or L293E can also be paralleled - in this case too channel 1 must be paralleled with channel 4 and channel 2 with channel 3.
Alexandre
То есть, не чипы параллелить, а каналы
Alexey D.
А.ага. спс
Alexandre
Но лучше всего взять чип помодерновее, не биполярный.
Alexey D.
А что есть из "посоветуйте" в целом 1 движок обычный коллекторный. Вращать в разные стороны. 1а. Собирать как то самому мост...не хочется
𝘂𝘅𝗻𝗮𝗺𝗲
А что они дают?
𝘂𝘅𝗻𝗮𝗺𝗲
конденсаторы по питанию - это правила схемотехники - они должны быть
𝘂𝘅𝗻𝗮𝗺𝗲
Василий
Василий
А что они дают?
фильтруют питание и давят помехи, поэтому обычно их ставят несколько 1000мкф + 1мкф + 0,1мкф
𝘂𝘅𝗻𝗮𝗺𝗲
Ясно
Василий
это же цифровая техника - ей надо более мение хорошее питание
𝘂𝘅𝗻𝗮𝗺𝗲
А если использовать блок питания типа такого - тоже рекомендуется кондёры ставить, или в таких БП свои кондёры есть, не знаете?
Василий
ВСЕГДА ставятся конденсаторы - до DC/DC и после, а так же возле каждой м/с - по 0,1мкф
𝘂𝘅𝗻𝗮𝗺𝗲
ок, понял
Василий
ВСЕГДА ставятся конденсаторы - до DC/DC и после, а так же возле каждой м/с - по 0,1мкф
конденсаторов много не бывает - чем стабильней питание тем лучше
𝘂𝘅𝗻𝗮𝗺𝗲
последнее, чтобы наверняка - ставится конденсатор одной ногой на пин, на которое идет питание м/с, второй ногой на GND - верно?
Василий
последнее, чтобы наверняка - ставится конденсатор одной ногой на пин, на которое идет питание м/с, второй ногой на GND - верно?
для этого надо смотреть доку на м/с - обыно там указано как ставить блокировочные конденсаторы - но в принципе - верно
Василий
на микроконтролеры например - ставят от 4 до 10 конденсаторов - по питанию, все это в доках описано
Василий
....стоит почитать - основы схемотехники, если хочется иметь ответы на вопросы - почему и зачем
Alexey D.
Где бы ее почитать?. И почему кондеррв несколько?
Alexandre
на микроконтролеры например - ставят от 4 до 10 конденсаторов - по питанию, все это в доках описано
Не "от 4 до 10", а по одному на каждую ногу питания. Читайте про то, зачем конкретно они нужны.
Alexandre
Причем чем ближе, тем лучше
Alexandre
К ноге
Василий
я образно написал - я знаю где они стоят, как и почему
Alexandre
Где бы ее почитать?. И почему кондеррв несколько?
Гугл: "блокировочные конденсаторы" Какой-нибудь хабр в самый раз
romanetz
У Хоровица и Хилла написано хорошо
romanetz
А почему несколько... Гуглите эквивалентную схему конденсатора
romanetz
У каждого номинала и конструкции конденсатора своя резонансная частота естт
romanetz
И зависимость сопротивления реального конденсатора не 1/(j*2*pi*f*C)
romanetz
По сути любой конденсатор - колебательный контур, более-менее хорошего качества
Anonymous
А зачем добиваться именно резонансной частоты?
Anonymous
Не ужели так важно, чтобы не было индуктивного сопротивления?
Andy
А зачем добиваться именно резонансной частоты?
Если хобби и нужны блокировочные конденсаторы на МК, то можно не заморачиваться. Для МК достаточно соблюдать простое правило - на одну ногу питания МК один конденсатор, желательно как можно ближе к ноге.
Alexey D.
Коллеги, прошу помощи. Драйверы двигателей типа L6203. Я не понимаю - они все имеют общую землю с уплавляющей платой но разный "плюс" ? То есть они нет никакого низковольного питания - все питаются от того же V, что и мотор?
Alexey D.
Alexey D.
Верно ли я понимаю, что я могу управлять L6203 с помощью D-пина от ESP32 ? ( Vin, vEn = -0.3...+7 ) ? При этом Vs = 12v ?
Alexey D.
И что такое Vsense ?
Alexandre
И что такое Vsense ?
Это напряжение с резистора (шунта) обратной связи по току
Alexandre
Смотри типовую схему включения
Alexandre
Верно ли я понимаю, что я могу управлять L6203 с помощью D-пина от ESP32 ? ( Vin, vEn = -0.3...+7 ) ? При этом Vs = 12v ?
И смотреть надо не абсолют максимум, а рабочие значения. А там стоит, что логическая единица начинается от 2В
Alexandre
И поэтому да, управлять сможешь
Alexey D.
Alexey D.
Сам нашел
Sneg.
Парни кто лампу Шайвера делал подскажите пожалуйста: есп 8266 не стартует если подключены диоды. Если подключить их посде старта есп, то все работает. В чем причина может быть. Кондер припаял по питанию. Плата от node mcu
Anton
Гайвера
Sneg.
Чего за лампа?
Набери в яндексе
Владимир
Давно не смотрел чего у него нового. Но он есп вроде не пользует.
Sneg.
Все лампы в леруа раскупили
Sneg.
Блок питания наверное не вывозит
Возможно, буду пробовать другой
Slava
Все лампы в леруа раскупили
смотри вазы цилиндр в магазину хуофф
Yuriy
Я лампу Дайвера на бутылке делаю, 2л, их полно
Yuriy
Slava
кстати, видел один чивак сделал внутри 3х литровой банки шикарно
Yuriy
кстати, видел один чивак сделал внутри 3х литровой банки шикарно
Вот люди могут 👍 можно мегагрейдер из 50л бутыля, но сейчас стоит такое коссмически,а кто владеет, не отдаст - для дела у него.
Yuriy
Вот колонки собирал сам кто? Я все подойти не могу, к проекту. Типа умной, но без мозгов, для pulse audiо - такой audio sink, чтобы она (они) обслуживали весь зоопарк. Ну и mic arrays хочется. Новостью стало приятной - качество tts у Гугла , wavenet - подороже который, реально местами и не поймёшь, что робот зачитывает. И "новое" применение esp - беконы для find3 - позиционирование внутри помещений - новые горизонты для траты времени и сил. Лампочки по движению запускать получается , звук было бы круто за собой водить. Попробовал просто колонки с bt , так они выключаются сами по тайм-ауту :( расскажите как лучше - дешевле, замутить такую колонку (-и).
romanetz
Я делал в качестве хобби четырёхканальный usb микрофон, он как раз как mic array в системе представляется