Anonymous
методы, вызывающиеся при изменении виртуальных пинов Blynk и экземпляр класса ESP8266WebServer
Alexandre
ошибка какая получилась?
Anonymous
Уже не могу найти. Но, проблему я решил. запихал это обновление в функцию, которая в файле с экземпляром класса ESP8266WebServer и вызываю эту функцию из главного файла
Alexandre
можешь сделать наследника ESP8266WebServer и его использовать, это же плюсы
Anonymous
Ок
Anonymous
Похоже, что у меня снова проблема. В документации написано, что эта функция так работает
Denis
А ты библиотеку подключил?
Anonymous
почему void?
Anonymous
Переместил функу в главный файл и все заработало...
Alexey D.
Я думал нет оптрона - нет развязки. К сожалению, познания в схемотехнике ограниченные, поэтому и спрашиваю
Тебе не нужна развязка для управления реле. Реле само по себе развязка, так как управляющие и управляемые контакты не взаимодействуют. Внутри реле просто электромагнит, 2 контакта и пластина. При подаче напряжения, ЭМ двигает пластину в сторону контактов, чем их "соединяет". Возможно предполагалось что тебе нужна развязка для управления самим реле? На плате с реле и стоит транзистор, которым ты и управляешь, а он коммутирует катушку. Суть такая что у тебя на реле 3 контакта - питание 5в, земля, управляющий. Земля реле и земля есп соединяются. Питание реле и питание есп соединяются (возможно по дороге к есп ещё стоит понижайка) Далее есп подаёт 3.3в на ногу управления, чего достаточно для открытия транзистора. Транзистор открывается и подаёт 5в на реле. Допускаю что может быть ситуация когда 3.3в с ноги есп недостаточно для открытия транзистора. Тут просто нужно подобрать транзистор. Также можно поставить диод на вход управляющей ноги есп как защиту от пробоя транзистора
B
mqtt + ssl более менее ещё норм, но если добавить ещё что-то, то всё, не хипа, не стека не хватает
А есть ли альтернатива? У меня 8266 будет за NAT в публичной сети. Нужно, чтобы не только данные передал, но и оперативно принимал. Пока пришёл, что единственный подходящий вариант - это mqtt с ssl.
romanetz
А такой там ssl?
romanetz
Если я правильно понимаю, ssl шифрует данные до сервера
romanetz
Там они так или иначе расшифрованные лежат?
B
Там они так или иначе расшифрованные лежат?
Да, сервер мой, задача защитить от перехвата и искажений при передаче и автономной работе устройства во внешней сети
B
Ну да, но у mqtt есть tls подключаемый
B
Просто любое шифрование на стороне 8266 достаточно затратно. У меня нет цели именно в tls/ssl+mqtt, но за NAT пока ничего не придумал, что позволило бы сразу реагировать на внешние команды.
Alex
смотри :) https://youtu.be/j29n-o0UPzY
Круто, но не пойдет)
MrSyabro
Остановился на том, что конкретно PWM на GPIO4 отваливает Wi-Fi
MrSyabro
причем очень странно, что только на средних значениях..
𝘂𝘅𝗻𝗮𝗺𝗲
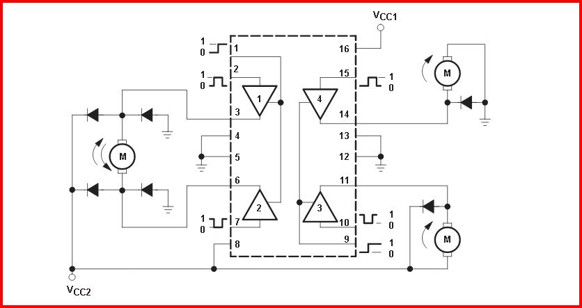
Короче забил на транзисторы, сделал на основе l293dne, работает шикарно :) Кстати кто-нибудь знает, для l293dne нужно какую-нибудь защиту делать в виде защитных диодов или конденсатора?
𝘂𝘅𝗻𝗮𝗺𝗲
𝘂𝘅𝗻𝗮𝗺𝗲
Alexandre
Ты ж говорил, что клапана у тебя с двумя плюсами
𝘂𝘅𝗻𝗮𝗺𝗲
Ты ж говорил, что клапана у тебя с двумя плюсами
ай, да китайцы вообще два разных прислали: первый - плюс, плюс, минус второй - плюс, плюс, и ещё три провода
𝘂𝘅𝗻𝗮𝗺𝗲
второй вот такой
Alexandre
С фидбеками
𝘂𝘅𝗻𝗮𝗺𝗲
так что второй я подцепил просто на Н-мост, два плюса, а первый минус на землю, а плюсы на Н-мост
Василий
а как же - НЕТ не хочу готовый драйвер - хочу изучить ...сдулся ? ))))
Sandip
https://youtu.be/7uDLIoHd3EM
𝘂𝘅𝗻𝗮𝗺𝗲
а как же - НЕТ не хочу готовый драйвер - хочу изучить ...сдулся ? ))))
четыре дня не хотел, на пятый захотел 😠 не ну я теоретически понял что такое Н-мост, собрать собрал, но чё т не завелось. Но главное что понял) Ну и сгонял в магаз купил драйвер 😠
Василий
ну диоды поставь - только ж правильно, и конденсатор по питанию драйвера - микрофарад с 1000 - и будет тебе счастье
𝘂𝘅𝗻𝗮𝗺𝗲
диод в обратном включении - паралельно обмоткам двигателя
но разве можно при такой схеме к двигателю диод ставить? он же в обратную сторону не закрутится тогда
𝘂𝘅𝗻𝗮𝗺𝗲
ну диоды поставь - только ж правильно, и конденсатор по питанию драйвера - микрофарад с 1000 - и будет тебе счастье
по питанию - это между ногой драйвера на которую подаётся 12В и собственно источником питания +12В, верно?
Василий
блин как закрутишь слова - по десять раз читать надо
𝘂𝘅𝗻𝗮𝗺𝗲
ну что бы предельно понятно, чтобы невозможно было влево-вправо оступиться) это программерское...
𝘂𝘅𝗻𝗮𝗺𝗲
то у тебя же не такой двигатель
такой же, кран как закрывается, так и открывается, и на всё это 2 контакта
𝘂𝘅𝗻𝗮𝗺𝗲
...я тоже программер но железо тоже знаю
нештяг, буду sql запросы тебе кидать тогда вместо словесных вопросов :D
Василий
та легко
Василий
диоды как включать - смотри в доку
Василий
𝘂𝘅𝗻𝗮𝗺𝗲
вроде понятно
Василий
а кондер по питанию - по твоей "схеме" - это паралелльно батарейкО
𝘂𝘅𝗻𝗮𝗺𝗲
а кто где схемы рисует? Fritzing или EasyEDA?
Василий
PCAD/Altium
Alexandre
Eagle
𝘂𝘅𝗻𝗮𝗺𝗲
ооок, а для начинающих что можете посоветовать? (а в идеале под линукс)
Василий
EasyEDA - там есть и веб-вариант
𝘂𝘅𝗻𝗮𝗺𝗲
EasyEDA - там есть и веб-вариант
там по-моему только и есть что веб вариант, даже оффлайн прога - это обёртка сайта
Василий
ну так а что ты хотел от прог для начинающих
𝘂𝘅𝗻𝗮𝗺𝗲
а можете насчёт fritzing что-нибудь сказать?
Василий
ну то ты ж в нем вроде рисовал последнее
𝘂𝘅𝗻𝗮𝗺𝗲
это не моё, это из инета
Василий
ну это он так выглядит - там помоему еще есть конвертация в схему
Василий
а то что нарисовано - то скорее блок схема или схема соединений
Василий
но не схема - в класическом понимании
Василий
если тебе для поиграться - то бери Fritzing и играйся
𝘂𝘅𝗻𝗮𝗺𝗲
👌
Василий
а более серъёзно - EasyEDA
𝘂𝘅𝗻𝗮𝗺𝗲
блин не люблю веб сервисы
Василий
а локальную версию качал ?
𝘂𝘅𝗻𝗮𝗺𝗲
блин не люблю веб сервисы
загон родом из детства ¯\_(ツ)_/¯ в детстве не было веб сервисов)
𝘂𝘅𝗻𝗮𝗺𝗲
а локальную версию качал ?
да, там вроде как электроновское приложение, тупо загружающее сайт
𝘂𝘅𝗻𝗮𝗺𝗲
без инета не пашет
Василий
загон родом из детства ¯\_(ツ)_/¯ в детстве не было веб сервисов)
не всем так повезло...у меня и интернета небыло...в детстве )))))
𝘂𝘅𝗻𝗮𝗺𝗲
ну интернета тоже не было, но на него аллергии нет, прижилось)
Василий
кстати l293dne - это класический полумост, и в данном случае ты подключил двигатель но схеме H-моста
𝘂𝘅𝗻𝗮𝗺𝗲
ну так так и задумывалось
𝘂𝘅𝗻𝗮𝗺𝗲
а полумост - это что значит?
𝘂𝘅𝗻𝗮𝗺𝗲
почему полу?
𝘂𝘅𝗻𝗮𝗺𝗲
а лан, забей, погуглю потом
Василий
потому что пол - моста )))
𝘂𝘅𝗻𝗮𝗺𝗲
всё всё, 12 ночи потому что
Василий
по программерски - выход Push-Pull (типа)