Evgheni
чет вас обоих понесло, это чат про есп а не трендах современного мира
Yuriy
Потому что программист это не вибратор
Andy
Чисто поржать :)
romanetz
поудалял трёп. последуйте моему примеру
Владимир Воландемортович
Чисто поржать :)
Только к красной подписать что это продукты гугл, яндекс, амазон, фейсбук и прочие :))
Andy
Только к красной подписать что это продукты гугл, яндекс, амазон, фейсбук и прочие :))
Я кстати в отстающих: на железе пишу на Си, на верхнем уровне: SQL и ООП + функциональщина :)
Владимир Воландемортович
Иван
Про Pascal не шутка. У меня есть примеры людей стартовавших с Pascal и с Си. Оба пишут на Java и прочих хайповых языках, но второй пишет более запутанные и тяжело поддерживаемый код.
Я бы сказал, что Pascal - это немецкий. Шаг влево или право - achtung! Расстрел на месте! С++... ""веревка достаточной длины, чтобы прострелить себе ногу" 😊
Resident
React.js поглядываю последнее время интересная вещь в плане написания
Resident
Для интерфейсов
Владимир Воландемортович
𝘂𝘅𝗻𝗮𝗺𝗲
Svelte посмотри, лучше, если для мк
svelte вроде сыроват ещё
Владимир Воландемортович
svelte вроде сыроват ещё
Хз че там сырого, проще реакта, стор из коробки, очень маленькие бандлы . А к реакту нужен ещё редакс, в итоге бандлы весят дофига
𝘂𝘅𝗻𝗮𝗺𝗲
Хз че там сырого, проще реакта, стор из коробки, очень маленькие бандлы . А к реакту нужен ещё редакс, в итоге бандлы весят дофига
в защиту реакта могу сказать что у него комьюнити больше, проще будет найти помощь в чатах. А вот размер бандла для IOT это да. Заинтересовали прям. Эээх ща попробую hello world собрать) Хотел на выходных ничего не делать, опять не получилось)
Владимир Воландемортович
В свелте скорее всего придётся, компоненты самому писать, но это просто в целом
𝘂𝘅𝗻𝗮𝗺𝗲
В свелте скорее всего придётся, компоненты самому писать, но это просто в целом
а может vue для IOT тогда заюзать? Есть мысли по этому фреймворку?
Владимир Воландемортович
Andy
на embeded стараюсь положится на браузер. Т.к. клиеты практически всегда мощнее embeded
Владимир Воландемортович
на embeded стараюсь положится на браузер. Т.к. клиеты практически всегда мощнее embeded
Это не только на ембедед :)) везде так, так как сервер сейчас в основном в облаках, дешевле на клиенте все делать :)
Владимир Воландемортович
Если новости, инет магазин, то страницы формируются на сервере, иначе поисковики их не видят нормально. Ssr - сервер сайт рендеринг
Denis
Denis
знатоки, у платы для подключения светодиода в отверстия анод посередине?
Denis
TP5100, на руках нету пока
Denis
а то я болею и туплю, кажется минус на среднем
𝘂𝘅𝗻𝗮𝗺𝗲
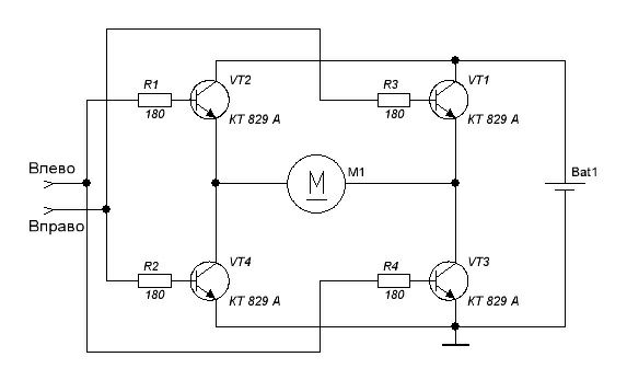
Кто-нибудь делал управление двигателем из arduino через mosfet так чтобы можно было менять направление двигателя? Подскажите плз схему подключения без лишних деталей
romanetz
H-мост, но там без "лишних деталей" никак
Alexandre
Кто-нибудь делал управление двигателем из arduino через mosfet так чтобы можно было менять направление двигателя? Подскажите плз схему подключения без лишних деталей
Расскажи, что ты уже видел/делал, что тебе не понравилось и что ты хочешь изменить. А то вопрос из серии "подскажите, чтобы все".
Alexandre
И уточни тип двигла
Алексей
самый простой вариант: https://www.aliexpress.com/item/32812511799.html
Василий
как вариант https://arduino.ua/prod606-Mikroshema_L298N_polnii_dvoinoi_H-most
𝘂𝘅𝗻𝗮𝗺𝗲
самый простой вариант: https://www.aliexpress.com/item/32812511799.html
не, простой вариант это не наш метод, я разобраться хочу :)
Алексей
тогда гугли схему н-моста и как он работает
𝘂𝘅𝗻𝗮𝗺𝗲
Расскажи, что ты уже видел/делал, что тебе не понравилось и что ты хочешь изменить. А то вопрос из серии "подскажите, чтобы все".
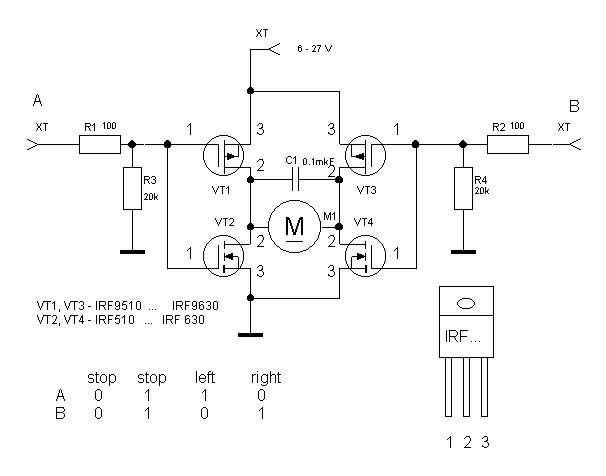
я, пытаясь разобраться в транзисторах в целом и в mosfet в частности подрубил мотор ардуине и всё вроде как заработал, но только в одну сторону, теперь хочу понять как можно сделать так что бы можно было менять полярность. Входные данные: - arduino nano питается отдельно, 5В, выдаёт 5В, 40мА - электродвигатель (шаровой кран с электроприводом с тремя выходами: минус,плюс в одну сторону, плюс в другую сторону), на вход - 12В, 1А - блок питания для ардуины 5В, 250мА - блок питания для двигателя 12В, 2А За основу брал примерно вот такую схему как на скрине
Василий
можно просто поставить два реле, одно менять направление, другое включать
𝘂𝘅𝗻𝗮𝗺𝗲
не, без реле, тарнзисторы изучаю
𝘂𝘅𝗻𝗮𝗺𝗲
𝘂𝘅𝗻𝗮𝗺𝗲
и ключ = транз?
Alexandre
два ключа - это как?
Транзисторных ключа. Подавать плюс туда или плюс сюда
Alexandre
оно?
Почти. Но у тебя управление плюсом, поэтому смотри, как p-мосфеты включать
Василий
навряд ли ты будешь сам делать плату под все это, возми готовый H-мост и изучай
Vyacheslav
Ещё диоды не забудь защитные
Василий
а так там надо 6-8 транзисторов - 4ре из который силовые (если делать только на транзисторах)
Vyacheslav
а то эдс двигателя сожжёшь мосфет
Vyacheslav
глянь просто внутреннее устройство какого-нить готового h моста
Vyacheslav
так будет проще
𝘂𝘅𝗻𝗮𝗺𝗲
а то эдс двигателя сожжёшь мосфет
да, это тоже в планах, но пока хочу хотябы бл запустить всё это)
𝘂𝘅𝗻𝗮𝗺𝗲
глянь просто внутреннее устройство какого-нить готового h моста
https://arduinomaster.ru/uroki-arduino/shema-raboty-n-mosta-dlya-upravleniya-dvigatelyami/
𝘂𝘅𝗻𝗮𝗺𝗲
навряд ли ты будешь сам делать плату под все это, возми готовый H-мост и изучай
хочу opensource защиту от протечек сделать, со схемой платы и исходниками, в программировании шарю, в электрике/электронике пока нет
Alexandre
>электродвигатель (шаровой кран с электроприводом с тремя выходами: минус,плюс в одну сторону, плюс в другую сторону)
Vyacheslav
какая разница, поймёт как работает h мост, сможет отбросить лишнее
Василий
вот тут все расписано - читай и поймешь https://arduinomaster.ru/uroki-arduino/shema-raboty-n-mosta-dlya-upravleniya-dvigatelyami/
𝘂𝘅𝗻𝗮𝗺𝗲
какая разница, поймёт как работает h мост, сможет отбросить лишнее
блэ, пожайлустэ, не надо лишнего, я итак уже школьный курс физики повторять начал, всё очень сложно)
Vyacheslav
сложно только по началу, так всегда
𝘂𝘅𝗻𝗮𝗺𝗲
угу
𝘂𝘅𝗻𝗮𝗺𝗲
слушайте, а может кто может в скайп выйти на несколько минут помочь разобраться, я бы расшарил экран
𝘂𝘅𝗻𝗮𝗺𝗲
в обмен если кому надо - могу по IT объяснить что угодно, любую тему :)
Василий
так что тебе не понятно - скажи
Василий
есть плюс и минус - ключи подключают с разных сторон их к мотору - то + - то - +
𝘂𝘅𝗻𝗮𝗺𝗲
ок, давайте с начала, рассматриваем полевые транзы, есть два типа мосфет транзов: N типа и P типа, в N типе ток протекает от истока к стоку только в том случае если на затвор подаётся плюс, так же плюсовой ток протекает от затвора к стоку (это нужно чтобы образовать замкнутый контур для управляющего тока). В P-канальном мосфете всё тоже самое, только ток нагрузки идёт от стока к истоку, а так же от затвора к истоку. Я правильно понимаю?
𝘂𝘅𝗻𝗮𝗺𝗲
не уж то любую ?
ну кроме вёрстки, в ней я не очень :)
𝘂𝘅𝗻𝗮𝗺𝗲
а?
Dmitry
а?
Это вопрос? Или вам понятно столом?
𝘂𝘅𝗻𝗮𝗺𝗲
не. ок, схемы ок, схемы чуть позже разберу, давайте по порядку, мосфеты я правильно понял? (как написал выше)
𝘂𝘅𝗻𝗮𝗺𝗲
да, ....приблизительно так
а что ещё не учёл? почему приблизительно?
Василий
приблизительно - что бы не лезть глубже, где есть емкости затворов, время рассаывания эммисии и сквозные токи, и dead time