Alexey Shevchenko
т.е в случае фоторезистора, мы измеряем напряжение на входе, а на цифровые входы от ИК поступает сигнал, который мы можем прочитать?
Alexey Shevchenko
ясно, спасибо
🐧
т.е в случае фоторезистора, мы измеряем напряжение на входе, а на цифровые входы от ИК поступает сигнал, который мы можем прочитать?
в случае фоторезистора да, мы измеряем его сопротивление прикладывая к делителю известное напряжение и снимая остаток.
🐧
т.е в случае фоторезистора, мы измеряем напряжение на входе, а на цифровые входы от ИК поступает сигнал, который мы можем прочитать?
в случае с ик - первичная схема компаратора и ФНЧ обычно уже встроена в сам ик-приёмник, поэтому с выхода мы читаем уже готовый цифровой сигнал (иногда модулированный, а иногда и уже демодулированный даже)
Alexey Shevchenko
всем большое спасибо, понял
Defragmented
скорее ик-сенсор потребляет энергию
в таком случае фоторезистор тоже
🐧
начнём с того, что ик-приёмники разные
Th0r
в таком случае фоторезистор тоже
давай ты пургу не будешь нести со своими наркоманскими сравнениями крокодила с кирпичом
🐧
есть просто обычные фототранзисторы, типа такого:
🐧
🐧
они дешёвые, но жить с ними как правило неудобно.
🐧
а есть готовые датчики, которые умеют усиливать (АРУ), демодулировать сигнал и производят прочую первичную обработку, на выходе дают уже что-то готовое и полезное:
🐧
🐧
работать с ними всяко приятней, но их и надо подбирать под конкретный передатчик (точнее, его частоту модуляции)
Defragmented
давай ты пургу не будешь нести со своими наркоманскими сравнениями крокодила с кирпичом
фотодиод производит энергию при детектировании света фоторезистор - нет фотодиод требует некоторой мощности света для детекта света фоторезистор тоже фотодиод позволяет не тратить энергию пока света нет фоторезистор требует постоянно тратить энергию в ожидании изменений к чему было твое высказывание про то что ик сенсор потребляет энергию?
Defragmented
ты сам про фотодиод придумал? берем обычный ик-сенсор https://www.chipdip.ru/product/tsop1738 смотрим - ему питание надо оказывается
бери тот что без транзистора внутри. и включая в прямой полярности, а не обратной
Th0r
бери тот что без транзистора внутри. и включая в прямой полярности, а не обратной
бери обычный ик-сенсор, и не выдумывай свои новые условия
Defragmented
бери обычный ик-сенсор, и не выдумывай свои новые условия
фотодиодов дофига выпускается без транзистора внутри. большинство
Defragmented
*фотодиодов
Th0r
фотодиодов дофига выпускается без транзистора внутри. большинство
и? вопрос был про ИК, который подключается к цифровому выходу, сразу же ясно что это за ИК
Th0r
ты сам придумал фотодиоды, и не надо сейчас форсить их, как будто других ИК-приемников никогда не существовало
Defragmented
и? вопрос был про ИК, который подключается к цифровому выходу, сразу же ясно что это за ИК
окей, ты прав. цифровой вход действительно скорее всего означает фотодиод с транзистором
Defragmented
Defragmented
давайте поиграем, вопрос "нафиг китаец сложил эти транзисторы вместе"? допустим я могу понять 2n2222 - минимальный шум. а остальные?
Defragmented
самые популярные сложил и всё
а почему они стали популярны если у них нет каких-то особенностей?
Th0r
а почему они стали популярны если у них нет каких-то особенностей?
потому что используется в популярной технике, или в каких-то популярных дий проектах. кто-то разработал херотень, у него под ругой был такой транзистор, он такой нарисовал, а те кто повторяет потом ищут именно этот транзистор
Th0r
иногда это доходит до такого, что транзистор снимают с производства, а те кто хочет повторить ищут именно его и готовы купить его за невменяемые деньги
Defragmented
это грустно
metaclass
потому что это кажется стандартный набор для поделок
Th0r
потому что это кажется стандартный набор для поделок
ну он стандартный - потому что это популярные транзисторы прост
Defragmented
интересно почему не происходит популяризации каких-то особых транзисторов и закат популярности непримечательных даже тот кто рисует схемы отбалды и выбирает ближайший лежащий транзистор все же должен класть рядом хорошие транзисторы
ⓛⓞⓖⓘⓝ
15 000 гривен
300евро красная цена
Defragmented
2n2222 имеет аж 0.6дб шума на 100кгц. 1\f шум должен еще уменьшится к мегагерцам. это наименьшее значение шума что я видел
Serjio
мда
Defragmented
что искать чтобы почитать _почему_ первая ступень усилителя самая важная в плане шума? с формулами и со всеми деталями
Th0r
что искать чтобы почитать _почему_ первая ступень усилителя самая важная в плане шума? с формулами и со всеми деталями
прочти эту фразу: "любая следующая ступень будет усилять как полезный сигнал, так и шум, не выделяя их друг от друга"
Defragmented
мне интересна формула например: усиление-шум 10дб-2дб ступень1 10дб-4дб ступень2 10дб-3дб ступень3 либо так: 10дб-4дб 10дб-2дб 10дб-3дб какая будет разница?
Defragmented
ты просто сделал 2дб+10дб+10дб и 4дб+10дб+10дб? а шум во второй и третьей стадии не влияет?
Th0r
ты просто сделал 2дб+10дб+10дб и 4дб+10дб+10дб? а шум во второй и третьей стадии не влияет?
да. влияет, но его влиянием можно пренебречь, если шум меньше сигнала
Defragmented
Defragmented
но там соотношения, не дб
Th0r
это же простейшая математика. если с децибеллами сложно - переведи их в проценты и считай ими
Th0r
колхозник сортирует яблоки и на выходе получается: 9 кг яблок и 1 кг говна сортировочный центр собирает это от 10 колхозников и портит часть яблок: умножает на 10, но говна еще 2 кг завод собирает яблоки из 10 сортировочных центров и при переработке портит яблоки: умножает на 10, но добавляет говна еще 4кг решите: сколько говна в соке
Захар
5 кг
Anonymous
а зачем тебе децибеллы ?
Defragmented
усиление-шум 10дб-2дб ступень1 (*10, *1.3) 10дб-4дб ступень2(*10, *1.6) 10дб-3дб ступень3 (*10, *1.47) либо так: 10дб-4дб (*10,*1.6) 10дб-2дб (*10,*1.3) 10дб-3дб (*10,*1.47) 1) 1.3+0.6/10+0.47/100=1.3647 2) 1.6+0.3/10+0.47/100=1.6347 так?
Anonymous
помоему ты не оч представляешь себе работу транзистора
Defragmented
а зачем тебе децибеллы ?
потому что даташит в них описан
Th0r
усиление-шум 10дб-2дб ступень1 (*10, *1.3) 10дб-4дб ступень2(*10, *1.6) 10дб-3дб ступень3 (*10, *1.47) либо так: 10дб-4дб (*10,*1.6) 10дб-2дб (*10,*1.3) 10дб-3дб (*10,*1.47) 1) 1.3+0.6/10+0.47/100=1.3647 2) 1.6+0.3/10+0.47/100=1.6347 так?
да нет же. ты не смешивай все формулы подряд, если нашел формулу - то читай описание к ней какждая следующая ступень усиливает как сигнал, так и шум! если она усиливает на 1000%, то она усиливает не полезный сигнал, а уже зашумленный сигнал
Defragmented
https://en.m.wikipedia.org/wiki/Friis_formulas_for_noise но вики говорит так считать
Th0r
https://en.m.wikipedia.org/wiki/Friis_formulas_for_noise но вики говорит так считать
ну сходи в школу чтоли, у тебя 1000% это умножение на power gain 1 чтоли? у всех получится 10, а у тебя?
Th0r
я уже исправил все на *10
ну, в итоге у тебя получается что практически всё зависит от первой ступени
Defragmented
да, но теперь вижу насколько
Dmitry
что б фотон еще быстрей света летел?)
в другую среду можно засунуть
Максим
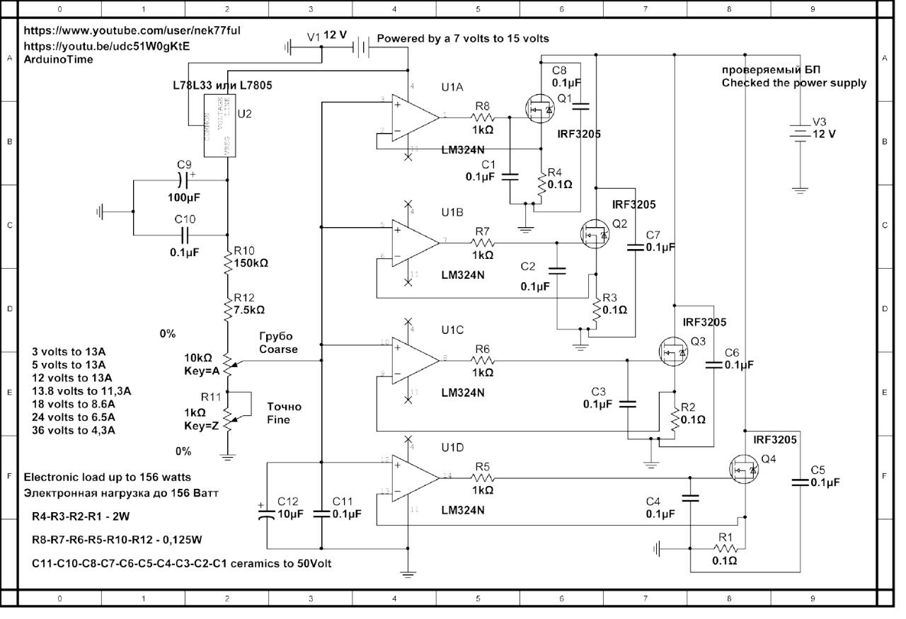
Кто нибудь собирал подобную электронную нагрузку?
Николай
в другую среду можно засунуть
это фазовая скорость
Максим
Максим
подобную чему?
Фото загрузил
Denisio
ох и греца будут мосфеты
Максим
Я думаю можно поставить 6 шт. И взять не 3205 а с меньшим Rds
Defragmented
это просто греть воздух чтобы?
Максим
Чтобы тестить блоки питания
Максим
а как тут будет влиять Rds ?
Чем меньше, тем меньше нагрев
Defragmented
0.1 ом уже больше Rds обычно