Захар
слив от стиралки
kaktys
Но он не для плавного пуска же
Захар
а для чего
Th0r
а для чего
написано же мотор бегущий конденсатор
Захар
у тебя знания в инглише не больше моих
kaktys
😂
🐧
а для чего
Фазу двигает
🐧
Для запуска
Захар
он что, совсем чтоли зачем ее двигать
Захар
стоит и стоит
kaktys
Жжошъ
🐧
Однофазные синхронные моторы для запуска требуют сдвинутой фазы
Захар
чет я не понимаю тип если без него, то ему туго крутиться?
🐧
чет я не понимаю тип если без него, то ему туго крутиться?
Нет, просто велика вероятность, что некуда. У него щеток нет. Мертвые точки есть. Чтоб из мертвой точки выйти - нужна доп.фаза
Захар
вот ура у меня мотор без щеток
Захар
но крутится же
metaclass
dallas/maxim 1-wire кажется
Захар
на сколько мне нужен резистор, чтоб понизить обороты двигателя?
🐧
на сколько мне нужен резистор, чтоб понизить обороты двигателя?
Резистор не поможет. Он синхронный - его обороты зависят от частоты
🐧
dallas/maxim 1-wire кажется
Там такие фотки, что это может быть даже уарт
Anonymous
dallas/maxim 1-wire кажется
Одни RESET и PRESENCE conditions, с modbus более менее, но все равно не то
Anonymous
Одни RESET и PRESENCE conditions, с modbus более менее, но все равно не то
Более менее, потому что в checksum только ошибки, в остальном все читабельно и паузы соблюдается правильно
metaclass
да, чойта там немного не те тайминги
kaktys
но крутится же
Есть синхонники, часто мелкие, со сдвигом фазы кз витком
Захар
как это определить? тип у меня всего 2 контакта и 2 катушки последомательных
kaktys
Конденсатор на нем был или это ты придумал?
Захар
хм
Захар
а вот фиг знает
Захар
в стиралке был 1 но к основному, которых крутил воду или к сливу хз
Захар
но наверное к главному
Захар
и как бы он наверное не должен греться но у него S3 тип цикл 5мин работает, 5 мин отдыхает
kaktys
Фото покажи
Захар
нету он в деревне
Захар
вот из гугла, у меня нет этой большой штуки, просто крыльчатка
Захар
https://detels.com.ua/image/cache/catalog/oldimage/50802/nasosslivnoypompadlyastiralnoymashinivyatka_0_50802-600x450.jpg
Захар
шимку юзай
это чего
Захар
эм
kaktys
однофазные двигателя http://electroforum.su/index.php?topic=1820.0
Захар
ну 2 катушки вижу
kaktys
А, не, вот
kaktys
Ты хоть раз сам гуглить то порообуй
Захар
а у меня какой?
Захар
такс, что за черный элемент на схеме, который обозначается как RAR?
✙ DarkKC ✙
Очевидно же
Захар
ты прям как гугл
Захар
мне радиоэлемент нужен
✙ DarkKC ✙
ты прям как гугл
Ну я думал тебя забанили, помог чем мог
Захар
вот он на схеме
Захар
вроде это он
Захар
но почему эмитер уходит куда-то в никуда?
Олександр
metaclass
это земля
metaclass
но тут какая-то шиза на схеме)
Anonymous
https://youtu.be/uoSgTeWH-JU
Anonymous
Жизне утверждающая музыка
Anonymous
https://youtu.be/0K6Jmh_G9Us
Anonymous
Вот ориг
Anonymous
А luxury elite к сожалению все пиздит
Anonymous
Жалко
Захар
Как я понял, черный треугольник отвечает за землю
ОлегЪ
Как я понял, черный треугольник отвечает за землю
Скорей всего отмечает первый контакт
Сергей
Как я понял, черный треугольник отвечает за землю
Вы хотели сказать лохматый чёрный треугольник?
Захар
ну блин
Захар
все остальное уходит в контроллеры и фиг там че поймешь
Захар
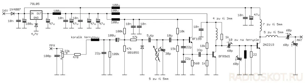
покидайте простых схемок, мне для тренировки чтения
Anonymous
не подскажете, что это за элемент?
ОлегЪ
не подскажете, что это за элемент?
Конденсатор плёночный на 1000пФ (1нФ)
Захар
чет не очень для новичков
Николай
но тут какая-то шиза на схеме)
Почему? Это цифровой транзистор с интегрированными резисторами.
Anonymous
Захар
Anonymous
Прочитал схему ?
Anonymous
Смог ?
Захар
да, но я и на уроках физики тоже смог
Захар
а это. чет + с - замыкается во многих местах
Захар
хоть и через кондеры
Anonymous
Ты не сможешь понять работу этой схемы
Anonymous
Ты же школьник