Dinar
Как автоматически измерить время между двумя фронтами сигнала осциллографом?
Maxim
Прямо совсем автоматически, или просто с использованием осциллографа?
Defragmented
Defragmented
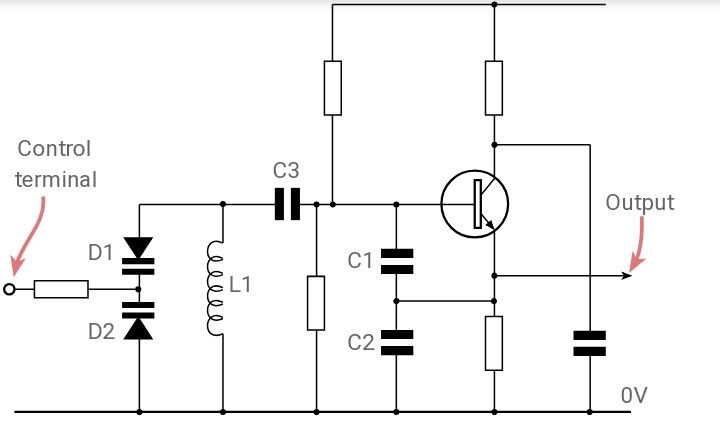
Это простейший осциллятор на варакторе?
Захар
помогите я под обстрелом дедовской артилерии он уже минуту чихает без передышки
Захар
у меня флешбеки
Roman
Какими?
Roman
Когда включаеш колонки, светомузика ловит
Ht3Х5796-2
Это простейший осциллятор на варакторе?
Нет, это перестраиваемый по частоте контур
Roman
Как називаетса ОУ где две tda2030?
Defragmented
Defragmented
А это простейший гун на перестраиваемом контуре, так?
Ht3Х5796-2
Чем выше напряжение, тем шире запрещенная зона в переходах варикапов, тем выше частота
Defragmented
И если в control terminal подать высокую частоту(10мгц), гун что произведет на выходе?
Roman
Вот
Roman
Справа два джека
Ht3Х5796-2
Но если подать звуковую частоту, поулчится радиомикрофон
Defragmented
Там должна быть постоянка
Я хочу в итоге получить умножитель частот на гун
kaktys
есть DDS
Ht3Х5796-2
Я хочу в итоге получить умножитель частот на гун
Есть однотранзисторные умножители частоты
Roman
Ні
Defragmented
Есть однотранзисторные умножители частоты
Очень интересно, что гуглить?
Roman
А зо з ним?
Ht3Х5796-2
Очень интересно, что гуглить?
Но лучше PLL использовать же, есть одномикросхемные
Defragmented
Но лучше PLL использовать же, есть одномикросхемные
Ppl на 2 ГГц дорогие. А транзисторы дешёвые (разница в 100 раз)
Ht3Х5796-2
Ppl на 2 ГГц дорогие. А транзисторы дешёвые (разница в 100 раз)
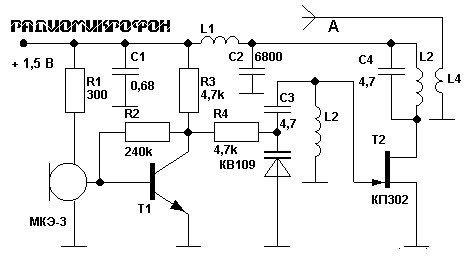
На рисунке выше видно, что умножитель очень просто - усилитель-транзистор ударно бъет в контур, на требуемую частоту который настроен, с него и снимается сигнал
Виталий 3D печать
Смотрите "Типичный ремонт блока питания" на YouTube https://youtu.be/iBHAgAdZCyo
Виталий 3D печать
Смотрите "Типичный ремонт блока питания часть 2" на YouTube https://youtu.be/X0aeWLuqJtY
Ht3Х5796-2
А для LORA лучше не брать очень высокие частоты, 2.4 плохо сквозь стены проходят. Идеально коротковолновые, там полпланеты можно накрыть лул
Defragmented
А для LORA лучше не брать очень высокие частоты, 2.4 плохо сквозь стены проходят. Идеально коротковолновые, там полпланеты можно накрыть лул
Коротковолновые очень сложно излучать Ну и плюс конечный девайс все равно на 2.4 ГГц (рутеры)
Ht3Х5796-2
Это не позволит сколько-нибудь точно выбрать частоту, даже в 2.4-2.5 ГГц я думаю так попасть сложно
А еще очень просто удвоитель частоты сделать на логическом элементе XOR, я делал такие в плис, получал из кварца ~50MHz частоту в под 300 лул. Но лучше сделать на быстрой логичке современной, микросхемы на пару гигагерц 74 не должны быть дорогие
Ht3Х5796-2
И да, без PLL точно частоту не получить
Maxim
И да, без PLL точно частоту не получить
Ты почитай полную историю чата и конечную цель этого человека
Ht3Х5796-2
Он ведь за фазой следит, хоть и примерно, джиттер минимальный
Johnny
как наебать обезьяну
Maxim
Человек хочет на рассыпухе построить LoRa трансивер, имея приблизительное представление, что такое PLL, с лучшими характеристиками, чем у оригинала и дешевле оригинала. Для использования в продакшене.
Maxim
Не, это да, если бы не два последних пункта - "лучше, чем у оригинала и дешевле", и про продакшен тоже
Maxim
И если еще на передачу там куда ни шло, на прием такой анал-карнавал начнется, что не разгребешь
Ht3Х5796-2
Не, это да, если бы не два последних пункта - "лучше, чем у оригинала и дешевле", и про продакшен тоже
Ну китайцы на грани работы свои RA-02 делают, и в цену входит проприентарность... Но дешевле конечно не сделает, и хуже будет, без дорогого оборудования там делать нечего, разработка такого это не с нула должно быть и не в одиночку
Maxim
Ну т.е. ты тоже понимаешь, что ни одно из предусловий к этому не выполнено
Ht3Х5796-2
Лучше помогите, мну ноутик дали починить
Ht3Х5796-2
И там мультиконтроллер навернулся. Я его перепаял
Ht3Х5796-2
И вот вопрос:
Ht3Х5796-2
Кто-то прошивал ноутбук Acer Aspire E1-570 с мультиконтроллером KB9012QF-A3 ?
Ht3Х5796-2
Где на нево прошивку найти, чет не гуглится совсем
Roman
tda2030
Roman
Толька чтоб два в однос
Roman
Короче нужна такая штука
Roman
https://www.yaplakal.com/forum2/topic1693715.html
Roman
Только без уселителя и на один виход
Th0r
Ppl на 2 ГГц дорогие. А транзисторы дешёвые (разница в 100 раз)
Ну ты сравнил, это как компьютер дорогой, лучше куплю диван
Th0r
Где на нево прошивку найти, чет не гуглится совсем
На форуме ноутбук1 тема есть (щяс ascnb1 называется)
Th0r
И искать надо по платформе, а не по модели
Олександр
Только без уселителя и на один виход
Поставь повторитель на ОУ. Если не можешь разобраться сам - купи где-то.
Roman
От я так и хочу
Roman
Но вопрос нужна ли какаято обвязка
Roman
На схеме с вихода через диот идет земля
Ht3Х5796-2
И искать надо по платформе, а не по модели
Я хлебушок, помоги пожалуйста
Roman
Мне тож так нужно?
Th0r
Я хлебушок, помоги пожалуйста
Я с телефона, попозже могу помочь,если не найдешь
Th0r
Я хлебушок, помоги пожалуйста
Пока модель мамки узнать надо бы
Ht3Х5796-2
Пока модель мамки узнать надо бы
Это ? Acer Aspire E1-570 Z5WE1 LA-9535P Rev: 1.0
Ht3Х5796-2
На плате написано
Th0r
Это ? Acer Aspire E1-570 Z5WE1 LA-9535P Rev: 1.0
https://ascnb1.ru/forma1/viewtopic.php?f=232&t=130832
Th0r
Ты видишь кому я отвечаю?
Ht3Х5796-2
https://ascnb1.ru/forma1/viewtopic.php?f=232&t=130832
Ох еее, спс, буду мучать дальше )
Олександр
Но вопрос нужна ли какаято обвязка
Обвязка нужна. Какая? В гугле набираешь "повторитель на ОУ". Читаешь. Если нужна готовая схема - пишешь "повторитель на *название ОУ, что у тебя есть*". Выбираешь вариант который тебе по душе. Гуглить учить не нужно?
Roman
Нужна уметь читать схему((