Alexey D.
Кто нить тут фрилансом занимается? Есть задача, так то простая если знания есть. Но можно и усложнить в случае желания😅 Есть домофон фирмы СМД (Строй Мастер Домофоны), необходимо сделать открытие дверей по расписанию\графику будни с 9:00 до 18:00 - обеденное время. Из хочушек по прошивке нужно: -веб морда с настройкой конфигурации (график работы, wifi) -включение\отключение авто открытия по графику -настройка wifi без перепрошивки (т.е. что бы поднималась точка доступа для настройки в случае проблем) - синхронизация времени по NTP само собой, для работы с графиком. -открытие двери командой по http, при наличии входящего звонка По аппаратной части: Есть 2 варианта, изготавление с "Вашей стороны". Другой, сами соберем тут, но возможно потребуется помощь со сбором схемы, из наличия есть esp32 и блок релешек. ———————- Как я вижу решение, это заменить кнопки релешками, а звонок на домофон ловить появлением наряжения на лини трубки, ну или ставить свето резистор на диод индикатор звонка. Я раньше (давно очень) пробовал с эмулировать схему работы домофона, и через управление транзисторами сделать, собирал на ардуинке, но оно работало через раз, то мог открыть, то не открывал. Пересобрать на реле, вместо кнопок уже некогда было. Сейчас просто времени нет заняться этим.
Sonoff. На электромагнит
Serg
Кто нить тут фрилансом занимается? Есть задача, так то простая если знания есть. Но можно и усложнить в случае желания😅 Есть домофон фирмы СМД (Строй Мастер Домофоны), необходимо сделать открытие дверей по расписанию\графику будни с 9:00 до 18:00 - обеденное время. Из хочушек по прошивке нужно: -веб морда с настройкой конфигурации (график работы, wifi) -включение\отключение авто открытия по графику -настройка wifi без перепрошивки (т.е. что бы поднималась точка доступа для настройки в случае проблем) - синхронизация времени по NTP само собой, для работы с графиком. -открытие двери командой по http, при наличии входящего звонка По аппаратной части: Есть 2 варианта, изготавление с "Вашей стороны". Другой, сами соберем тут, но возможно потребуется помощь со сбором схемы, из наличия есть esp32 и блок релешек. ———————- Как я вижу решение, это заменить кнопки релешками, а звонок на домофон ловить появлением наряжения на лини трубки, ну или ставить свето резистор на диод индикатор звонка. Я раньше (давно очень) пробовал с эмулировать схему работы домофона, и через управление транзисторами сделать, собирал на ардуинке, но оно работало через раз, то мог открыть, то не открывал. Пересобрать на реле, вместо кнопок уже некогда было. Сейчас просто времени нет заняться этим.
Попробуйте спросить. Domofon_esp Группа где водятся платы для добавления ума обычному домофону. Прошивка лежит здесь: https://github.com/Anonym-tsk/smart-domofon/tree/master/ge1mer Схемы здесь: https://easyeda.com/ilmir73/domofon https://t.me/domofon_esp
Crunch
Попробуйте спросить. Domofon_esp Группа где водятся платы для добавления ума обычному домофону. Прошивка лежит здесь: https://github.com/Anonym-tsk/smart-domofon/tree/master/ge1mer Схемы здесь: https://easyeda.com/ilmir73/domofon https://t.me/domofon_esp
ок, спасибо посмотрю. Там проблема что это не такой распространённый домофон, на другие есть, на этот нет, внутренняя логика работы отличается у них.
Crunch
Sonoff. На электромагнит
я директору тоже так говорил, что можно на лапу инженеру домофонной службы дать, и сделать свой входной домофон, даже с видео наблюдением🤷🏻‍♂️
Serg
Ну наверное доработать проще, чем с нуля делать.
homekit
Добрый день! Есть rgbw светильник с пультом rf433, на светильнике выпаял модуль rf433 и припаял esp12f. Все работает, но при включении светильника, соответственно при запуске модуля дергаются gpio, и при включении светильник загорается и сразу тухнет, дальше полёт нормальный. Но проблема в том, что светильник постоянно выключается обыкновенным выключателем. Можно как то решить проблему? Подключено к gpio12/13/14 rgb. Белый подключён к gpio4, он при старте не загорается. Может решат проблему какая нибудь подтяжка? Резисторы не использовал
Anonymous
I am working with esp32 and Android app(development by java using android studio ide) I want to connect esp32 module with wifi using app. How to configure esp32 and app in such a way that when I add wifi credentials on app then esp32 was get connected as per my credentials Can you help me?
Anonymous
Anonymous
Приехала esp cam, правильно понял что psram 8 мб?
Anonymous
И это хорошо 😄
Anonymous
Anonymous
Anonymous
Вот такая пайка...
homekit
Если прошивка позволяет, попробовать повесить диоды на другие gpio
Светильник rgbw. Использует 5 пинов, красный, зелёный, синий, белый-холодный, белый-тёплый. Другие пины использовать не вариант, из-за просто нет))
Anonymous
Вроде бы 12.13.и 14 не дёргаются во время запуска
Anonymous
Может в прошивке что-то
Anonymous
Или возможно пины подтянуты в плате
Anonymous
Прошивки на esp32 нет
Так вроде же esp12 используется
homekit
Так вроде же esp12 используется
Сначала не правильно понял
Anonymous
Остаётся из свободных пины: 1, 2, 3, 0
А если gpio отсоедени б от лампы, диоды случайно не зажигаются?
Anonymous
То есть действительно дёргаются gpio, ну если в прошивке не изменить, допустим поменять пины с другой периферией, то наверное ничего не сделать
homekit
То есть действительно дёргаются gpio, ну если в прошивке не изменить, допустим поменять пины с другой периферией, то наверное ничего не сделать
Наверно нужно сначала проверить у себя на модуле, при отключёнными пинами от gpio от светильника, будут ли они дергаться при включении модуля
Alexey D.
Не понял
https://randomnerdtutorials.com/esp8266-pinout-reference-gpios/ - вывод отсюда "GPIO4 and GPIO5 are the most safe to use GPIOs if you want to operate relays." https://rabbithole.wwwdotorg.org/2017/03/28/esp8266-gpio.html - вывод отсюда на картинке
Alexey D.
Если переназначить GPIO не можешь, то есть прошивка закрыта, то тебе придется в разрыв пина вешать "задержку". Тут вариантов масса
homekit
Если переназначить GPIO не можешь, то есть прошивка закрыта, то тебе придется в разрыв пина вешать "задержку". Тут вариантов масса
Переназначить могу, на на какие?? Используются на светильнике 4,5,12,13,14. 4,5 это тёплый белый и холодный белый диоды. Они при запуске не мерцают
Alexey D.
Самый логически простой как по мне - "повторитель" на ATTINY
Alexey D.
Alexey D.
Короче пишут что GPIO4\GPIO5 (пины 19\20 на схеме выше) использовать безопасно, т.к. они не дают всплеска на запуске.
Anonymous
Можно теще попробовать поставить rc цепочки
Anonymous
Для задержки
homekit
Извиняюсь, не правильно выразился, номера gpio писал
Anonymous
Это что за цепочки?
https://www.translatorscafe.com/unit-converter/ru-RU/calculator/rc-circuit/
Anonymous
Резистор и конденсатор, позволяет сделать небольшую задержку во времени
Anonymous
То есть пока gpio быстро изменяется, сигнал на конденсаторе так быстро не будет изменятться
Anonymous
Например 10 килоом и 1000 мкФ дадут задержку около 1 секунды
Anonymous
Попробуйте, по идее должно помочь
Alex
не надо так делать
Alex
нужно просто использовать правильные пины. и не будет импульсов при включении
Alex
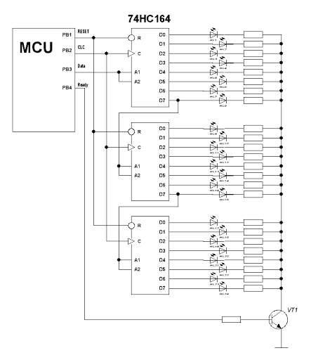
если много выходов, то можно использовать сдвиговый регистр
Alex
Alexey D.
если много выходов, то можно использовать сдвиговый регистр
Транзистор в разрыв и управление этим транзистором со стороны ( та же задержка в том виде в каком нравится )
Alexey D.
А как сделать задержку транзистору??
Ну тут варианты. Если хочешь красиво то с той же еспхи. Если не хочешь красиво то любым ваще способом, но при програмной перезагрузке есп оно у тебя все равно дергется, т.к. управление транщистором не узнает о том что есп ушла в ребут
Alexey D.
ничего не понял
https://blog.gypsyengineer.com/en/diy-electronics/transistor-delay-circuit.html
Alexey D.
То есть задача разорвать контакт пока идут "загрузочные импульсы". Можно отсчёт делать от начала подачи питания (см схему выше), можно управлять другой ногой на которой помех нет, можно вместо схемы с концертом и резюком поставить тиньку которая будет отсчитывать от начала питания и работать повторителем сигнала если с запуска прошло время Т. Или ту же тиньку которая будет поднимать ногу если на другой ноге сигнал присутствует как минимум Т мс
Иосиф Давидович
Господа, по питанию есп танталы вместо электролитов поставить не возбраняется?
Alexey D.
Господа, по питанию есп танталы вместо электролитов поставить не возбраняется?
Рекомендуют вроде как 2 штуки ставить - танталовый 47 мф и электролитный 470-2000мф https://community.hiveeyes.org/t/power-supply-for-the-esp32/1859/6
Anonymous
Rc само просто, если бы делал, уже бы попробовал 😄
Anonymous
И ничего дёргаться не будет
Anonymous
Тем более если токи мизерные, каковве обычно при передаче цифровых сигналов
Anonymous
10 ком, 1000 мкФ = 1 секунда
Anonymous
Ошибка, 100 мкф
Ukrop
Ребят, доброго всем времени суток! Пытаюсь в чужом скетче менять код. Скетч управления реле с esp, по протоколу mqtt через брокера. Использую библиотеку pubsubclient.h. не получается у меня использовать функцию public для передачи температуры и влажности с датчика dht22. Реле управляется нормально (функция subscribe). Включаю и выключаю. Все работает, но вот публиковать брокеру не получается. Подскажите, может есть у кого готовый скетч для управления реле и считывание информации с датчиков через интернет. Протокол mqtt, управление и мониторинг через брокера
Ukrop
Народ очень нужна ваша помощь🙏
В платформио тоже есть
Ukrop
Спасибо
3bl3gamer
Знает кто-нибудь чат, где можно позадавать нубские вопросы по электронике, в частности про tp4056 и потерю ёмкости аккумулятора?
homekit
Если переназначить GPIO не можешь, то есть прошивка закрыта, то тебе придется в разрыв пина вешать "задержку". Тут вариантов масса
Подтянул пин к земле резистором 4.7ком, теперь стартует без мигания, делал все методом тыка, на удавление все отлично работает))
Yura
Всем привет,подскажите пожалуйста как с esp8266 отправить гет запрос на сайт?
Yura
А ето видео должно работать?