D.S.
Вам уровень надо прокачать...
на чём качаетесь? спайс? mj?
Mikhail
А вообще вот
Mikhail
Файл nodemcu....led panel.txt
Mikhail
Блок loop
D.S.
А вообще вот
товарищ Михаил. я это давно посмотрел. в силу того что сейчас нет железа в руках я не имею возможности попробовать варианты. поэтому заранее спросил у тех кто занимался. в том смысле что достаточно будет закоменнтировать эти строки или может добавить еще какие небудь
Mikhail
Теперь более развёрнуто у вас получилось
D.S.
Теперь более развёрнуто у вас получилось
я об этом уже писал. поэтому не нужно спешить делать выводы. поспешишь людей насмешишь.
Mikhail
Вот соберёте железку, там и поиграетесь с текстом. Я думаю разберётесь что закоментировать что подправить.
vladan
всем привет может кто поможет мне в разработке активного звука дуть на машину с esp32
vladan
У меня уже есть часть с can bus vw и звуковым генератором без доработки
vladan
спасибо
Lucifer
Пацани не могу найти winbond 25032FVSIG 1435, для esp8266 микросхема памяти
Ihor
всем привет, каким компонентом можно изменять полярность 12v 6a програмно?
Ihor
мостом?
а можно модробней чтобы загуглить правильно? какой мост? слышал только диодный мост)
ketbul
Сорри тогда (
Ihor
спасибо
Х
Можно на рассыпухе собрать, только с драйверами в управлении, либо готовые интегральные микросхемы есть, на алишке полно даже модулей готовых, надо только ток проверить.
D.S.
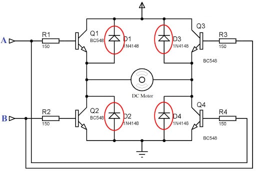
всем привет, каким компонентом можно изменять полярность 12v 6a програмно?
Н-мост на картинке по середине нагрузка А на 8ой пин Б на 7ой пин код int controlPin7 = 7; int controlPin8 = 8; void setup() { pinMode(motoPin7, OUTPUT); pinMode(motoPin8, OUTPUT); } void loop() { // в одну сторону digitalWrite(motoPin7, HIGH); digitalWrite(motoPin8, LOW); // вдругую сторону digitalWrite(motoPin8, HIGH); digitalWrite(motoPin7, LOW); // в стоп digitalWrite(motoPin7, LOW); digitalWrite(motoPin8, LOW); }
D.S.
а можно модробней чтобы загуглить правильно? какой мост? слышал только диодный мост)
диодный мост меняет не полярность а переменный на постоянный.
Denisio
вы что, из этих? Поклонники Эдисона што ле!
Artem
кайф, хочу себе тож такую) а то дизель не бухтит совсем
D.S.
всем привет, каким компонентом можно изменять полярность 12v 6a програмно?
аппаратное решение... вместо мотора можно использовать ваше оборудование
vladan
кайф, хочу себе тож такую) а то дизель не бухтит совсем
вы хотите, чтобы мы попытались написать код вместе
Artem
это очень врятли, я максимум могу чет нарисовать в фотошопе)
Х
а можно модробней чтобы загуглить правильно? какой мост? слышал только диодный мост)
US $2.76 | Double BTS7960 43A H-bridge High-power Motor Driver module/smart car/ https://a.aliexpress.com/_9jGfSr вот такого думаю хватит
Anonymous
Добрый вечер. Пытаюсь прошить esp8266 через Arduino IDE, всё установлено/подключено верно, но не удаётся прошить контроллер. Возможно сталкивался кто? Подскажите пожалуйста.
D.S.
Добрый вечер. Пытаюсь прошить esp8266 через Arduino IDE, всё установлено/подключено верно, но не удаётся прошить контроллер. Возможно сталкивался кто? Подскажите пожалуйста.
я не сталкивался. у меня были другие проблемы. когда я знал что скетч верный аппарат рабочий. я снёс IDE и поставил заново. при этом удаляя все от ардуина и старые библиотеки. проблемы у меня начались после обновления. я разбираться не стал. просто снёс и поставил заново.
Anonymous
Добрый вечер. Пытаюсь прошить esp8266 через Arduino IDE, всё установлено/подключено верно, но не удаётся прошить контроллер. Возможно сталкивался кто? Подскажите пожалуйста.
Вообще это у друга проблемы вышла, у меня всё завелось с первого раза. Перепробовали всё переустановить, переподключить. Провода другие, порты.
Владимир
Вообще это у друга проблемы вышла, у меня всё завелось с первого раза. Перепробовали всё переустановить, переподключить. Провода другие, порты.
плата не переходит в режим программирования. КОМпорт правильно указан? в монитор при резете шлет чего? Режим прошивки как пошло конект GPIO0 на землю и передернуть питание. ЗЫ: Плата та же?
romanetz
спасибо!
Ещё есть реле
romanetz
Дёшево и сердито, 150 р за 10 ампер )
D.S.
Ещё есть реле
то-же идея. для мощных нагрузок можно использовать магнитные пускатели с контактором. но уже чуть дороже обойдется
romanetz
Ещё можно реле для смены полярности+один полевик для коммутации без искры и регулирования напряжения на нагрузке
romanetz
H-мост это "дорогое" решение - микросхемы на 6 ампер на каждом углу не продаются
Lucifer
На esp8266, вот микросхему какую я обозначил, ето flash-память?
Denisio
нет
Lucifer
А где
Denisio
это понижайка 5 в 3.3
Denisio
флеш память внутри железяки выше
Lucifer
Вот которая у меня esp8266, покажи где flash память, я не очень разбираюсь в микросхемах
Lucifer
А железка она закрыта, можна как-то заменить flash память?
Denisio
ты врядли это сможешь сделать сам, учитывая вопросы. Лучше купи другую 8266 с бОльшей памятью. Или esp32.
Lucifer
Полностью другую микросхему?
Denisio
зачем менять флеш
Lucifer
Там 512кб, не хватает на прошивку
Lex1zz_custom
Даже если ты её скинешь 😃 где будешь брать большую по объёму?
Denisio
Тебе не поможет замена флешки
Denisio
Потому что придетца объяснить 8266 что теперь у неё не 4 мб
Denisio
Али
Denisio
А что там на 512 КБ такого
Denisio
Можно внешнюю флеш подключить попробовать
garik
"Scan for WiFi devices, block selected connections, create dozens of networks and confuse WiFi scanners!" Может оно и к лучшему, что у вас не получится такое собрать 😄
Denis
Это какой то сюрреализм
Lucifer
А что там на 512 КБ такого
Wifi джамер прошивка, на своей сети, попробават хотел
ketbul
Всем привет, никто не натыкался на семпл к esp32 с пейрингом с Bluetooth наушниками? Именно как источник а не как приёмник. Гугл не особо помог)
Lucifer
Ето описание esp8266, тип ето норм памят?
Dmytro
Ето описание esp8266, тип ето норм памят?
Объем памяти тут не указан, как видите. (64кб это про память в самом микроконтроллере ESP)
Dmytro
И где мне купить esp8266 с большой памятю?
Если дружите с феном, то можете купить модуль с большей памятью и перепаять. Если нет - то ищите отладку, в которой точно нужный объем памяти
Dmytro
Это описание не от вашей платы. Вот как выглядит nodemcu devkit 0.9
Lucifer
Ща кину ссылку де я купил плату
Lucifer
https://prom.ua/p1168909640-modul-nodemcu-lua.html?utm_campaign=share_button&utm_medium=referral_link&utm_source=b2c_app_android
Lucifer
Dmytro
Ща кину ссылку де я купил плату
А откуда вы узнали что у вас 512кб? Вроде 4мб должно быть