Mike
Nano 5 вольтовая?
нет, тоже 3.3в
Slava
Что за модуль подключаешь? Кинь фото, опиши в двух словах. Немного занят, нет желания идти к компу, это не близко.
Mike
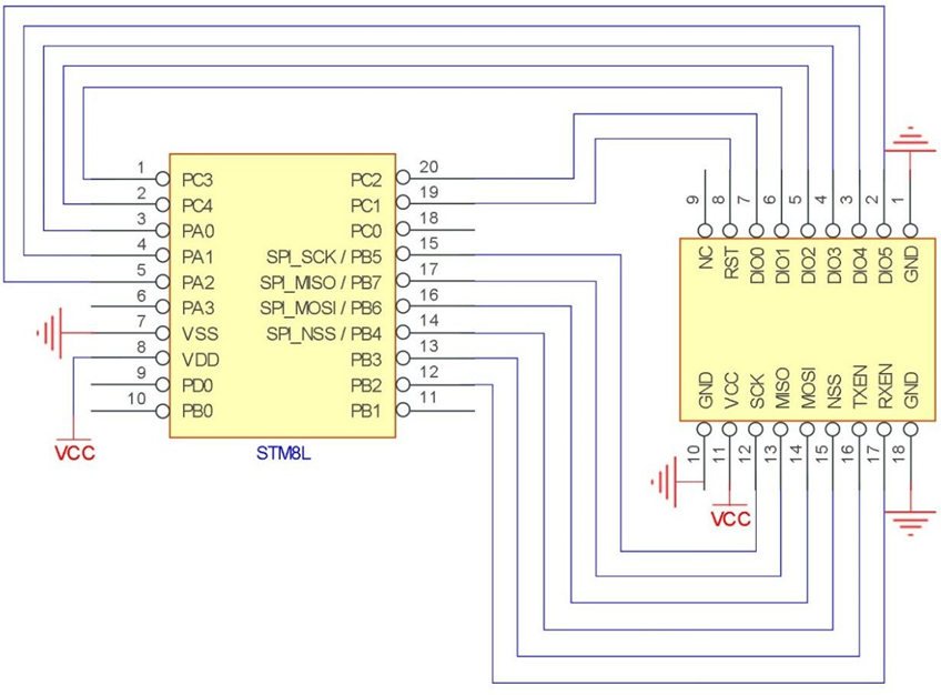
Модуль по сути lora трансивер на чипе sx1278, но с усилителем, которым как раз и не получается управлять. модулю на пины TXEN и RXEN нужно подавать 1 или 0 в зависимости и от режимов работы (прием/передача). In transmitting,set TXEN as high communication level,RXEN pin is low level; In receiving, set RXEN as high communication level,TXEN is low level; Before powering off, set TXEN、RXEN as low level. Подкючено пин-то-пин:
Mike
Mike
вместо STM подключил ESP32-WROOM-32U dev, питать модуль пробовал и от 5В пина и от 3.3в. понимаю, что не работает, по потреблению модуля, он без усилителя не жрет больше 0.1А на передачу. Скет - ping pong между двумя модулями.
Mike
garik
Оффтоп, но прикольно:
garik
https://youtu.be/3lGU7PjJM7k
Mike
А на stm тот же самый код работает?
эта картинка из ДШ на модуль. на arduino nano работало без нареканий код один в один был, только пины другие
Slava
эта картинка из ДШ на модуль. на arduino nano работало без нареканий код один в один был, только пины другие
Это печально, думай чем отличаются два варианта. Может подтяжка на на пинах нужна.
Mike
Это печально, думай чем отличаются два варианта. Может подтяжка на на пинах нужна.
вот тоже понять не могу. уже пробовал два пина esp32 подключить, и режим на ОК менял...
Mike
TXXEN - модуль. GPIO25 - esp32
Anton
ппл, я гуглил-гуглил, но альтернативы esp не вижу: микроконтроллер с блютусом на борту, без вайфайа
Mike
UM для модуля https://www.ebyte.com/en/downpdf.aspx?id=128
Andy
высокий уровень не вытягивает ?
Andy
должно быть больше 0.8 V
Andy
https://semtech.my.salesforce.com/sfc/p/#E0000000JelG/a/2R0000001Rc1/QnUuV9TviODKUgt_rpBlPz.EZA_PNK7Rpi8HA5..Sbo
Ivan
Приветствую. Пытаюсь прошить wemos D1 на тасмоту для управления двигателем с драйвером TB6612FNG. Использую эту инструкцию. Прошиваю через терминал винды, но выдаёт ошибку: F:\>binaries\stm32flash.exe COM7 stm32flash 0.6 Interface serial_w32: 57600 8E1 Failed to init device Может есть какой другой способ прошить бинарник?
Mike
должно быть больше 0.8 V
esp32: 1 - 3,28в без нагрузки на пин 0 - 0,8 мВ без нагрузки на пин TXEN: 2,41в не подключенным ни куда. Цепляю на порт где 1, показывает 3,23в, цепяю на порт где 0, показывает 0.3мВ Пробовал порт где TXEN подцепить 10к как на землю, так и на 3.3в - не помогает. Настраивал порт как GPIO_MODE_OUTPUT_OD (через SDK) - тоже не помогло.
Mike
причем RXEN не подтянут к питанию, там без нагрузки всегда 21мв
Mike
А там случаем не TTL логика в модуле?
вроде нет, ДШ нет нормального, только сайт:
Mike
Mike
типа от 1.8в будет 1. или как еще понимать китайский =)
Mike
esp32 же может в Z-состояние вогнать пин, это GPIO_MODE_DISABLE через gpio_set_direction ?
Andy
вроде нет, ДШ нет нормального, только сайт:
а попробуйте померить ток между TXEN и gnd
Mike
а попробуйте померить ток между TXEN и gnd
на микроамперметре не показывает ничего. на +3.3в аналогично
Mike
а попробуйте померить ток между TXEN и gnd
но когда цепляешь TXEN на 3.3в, модуль начинает жрать как не в себя, типа усилитель на передачу работает.
Andy
на микроамперметре не показывает ничего. на +3.3в аналогично
следовательно нагрузочная способность esp32 не при чем. А длительность импульса на TXEN какая?
Andy
но когда цепляешь TXEN на 3.3в, модуль начинает жрать как не в себя, типа усилитель на передачу работает.
это нормально, но если esp32 и модуль питаются от одного источника, то возможно просадка питания на esp влияет. Эти чипы очень требовательные к пиатянию
Mike
Mike
фронты вроде живые
Mike
Синий rxen. Прям красота...
Mike
это нормально, но если esp32 и модуль питаются от одного источника, то возможно просадка питания на esp влияет. Эти чипы очень требовательные к пиатянию
модуль подключаю на пины esp32, но питание для модуля беру с пина 5V. по идее это до ldo и не должно фонить.
Andy
9мс примерно
Это про питание - Было бы неплохо разделить для исключения проблем с этой стороны.
Andy
9мс примерно
По дадатшиту на SX1276/77/78/79 там наносекунды. И фронты красивые. то же похоже на правду
Mike
Это про питание - Было бы неплохо разделить для исключения проблем с этой стороны.
меня еще смущает, что задержки в коде не работают. например сейчас обавил 10мс между включением TXEN но на осциле не видно этого: digitalWrite(RXEN_PIN, LOW); // переключаем усилитель в режим приемника (RXEN=0) delay(10); digitalWrite(TXEN_PIN, HIGH); // переключаем усилитель в режим приемника (TXEN=1)
Mike
но возможно это какие-то особенности arduino портирования на ep32. у меня передача ведется из callback вызова от приема.
Mike
проарудино ничего сказать не могу :( не использую
да я пробовал использовать управление GPIO средствами SDK - результат тот же
Mike
Попробуй через millis
delayMicroseconds помог, но от него WD периодически срабатывает в ребут.
Andy
да я пробовал использовать управление GPIO средствами SDK - результат тот же
остается питание разделить и ключ. И еще прошивку проверить, чего там она вообще на модуль гонит. Может выклчюен режим передачи? (давно уже этот чип не деражал в руках :( )
кас
delayMicroseconds помог, но от него WD периодически срабатывает в ребут.
Всегда лучше использовать неблокирующую задержку
Andy
delayMicroseconds помог, но от него WD периодически срабатывает в ребут.
в смысле помог? заработало? А на ослике чего был за импульс в 80 мс?
кас
Просто по таймеру проверять, наступило время или нет
Mike
в смысле помог? заработало? А на ослике чего был за импульс в 80 мс?
на ослике стало видно что задержка появилась
кас
Есть готовые либы, можно самому написать
Andy
на ослике стало видно что задержка появилась
ага. отлично. А передача то включиалсь?
Mike
Всегда лучше использовать неблокирующую задержку
так и делаю. но тут отладка работы с модулем и такая подстава...
Mike
ага. отлично. А передача то включиалсь?
неа. щас еще напихаю задержек. подольше подержать TXEN в 1.
Andy
неа. щас еще напихаю задержек. подольше подержать TXEN в 1.
если склероз не изменяет в режиме FSK 300 ms достаточно
Mike
если склероз не изменяет в режиме FSK 300 ms достаточно
на дуне хватало 10мс. с есп32 какие-то проблемы =(
Andy
на дуне хватало 10мс. с есп32 какие-то проблемы =(
все таки с раздельного питания было бы правильнее начать :)
Null
https://diyi0t.com/reduce-the-esp32-power-consumption/
Mike
18650 на модуль, результатов не дал
Mike
Он сам переключается на передачу с усилителем, багафича
Mike
4.3мс хватает чтобы отправить один байт
Mike
остается вопрос, как в esp32 пин перевести в Z-состояние (чтобы не влиял на вход модуля)?
Null
Еще один тест на распознавание голоса ESP32-S3 Offline. Это видео демонстрирует производительность автономного распознавания речи микросхемы Espressif ESP32-S3 в тихой и шумной среде. ESP32-S3 объединяет слепое разделение источников BSS, подавление эха AEC, механизм пробуждения WWE и алгоритм распознавания локальных командных слов и может поддерживать 200 локальных командных предложений без внешнего чипа DSP https://www.bilibili.com/video/BV1Cv411e7g8
Это на английском?
да и на китайском тоже понимает естественно русского нет.
Это на английском?
вот на китайском если интересно https://www.bilibili.com/video/BV1Ah411C7mK/?spm_id_from=333.788.videocard.0
Null
ESP32 WiPhone
Mike
остается вопрос, как в esp32 пин перевести в Z-состояние (чтобы не влиял на вход модуля)?
победил: нужно дать не менее 40мс после изменение состояния TXEN. тогда можно дерагать RXEN+TXEN уже ногой esp32
Серж
Всем доброго ) Подскажите пожалуйста может кто видел или кто поделится может наработками информативного вывода информации на данный экран ? Желательно для есп32 ))) просто интересен какой ни будь хороший толковый интерфейс ...
Серж
Серж
а у меня мозгов для интерфейса не хватает ... чтоб по уму он еще и информативный был ...
Andy
остается вопрос, как в esp32 пин перевести в Z-состояние (чтобы не влиял на вход модуля)?
отключить от матрицы GPIO_MODE_DEF_DISABLE https://docs.espressif.com/projects/esp-idf/en/latest/esp32/api-reference/peripherals/gpio.html
Mike
поздравляю! :)
с победой =)
Andrew
Можно погуглить на github по названию контроллера дисплея
SetPf
Определите приятный