Yuriy
Вообще это возможно?
Не нашел ограничений - и почему они должны быть тоже. Может попробовать просто :)
romanetz
В esp-idf в основе ардуиновского фреймворка UART0 гвоздиком не прибит на логгирование?
romanetz
Я помню, что тот, по которому прошиваешь через бутлоадер, ещё и ругается, если что-то не так. Ну и смотреть опять же что там ещё перекрывать его может
romanetz
Там же ноги замультиплексированы
SetPf
В esp-idf в основе ардуиновского фреймворка UART0 гвоздиком не прибит на логгирование?
Конкретно в ИДФ нет, в ардуино хз, там свое логирование
romanetz
Ну там же всё поверх идф построено
romanetz
И идф со вполне конкретным конфигом используется
Bakosh
Все три пашет одновременно
Bakosh
Аппаратных Uart1 пинов перекинул на другие свободные
Andrew
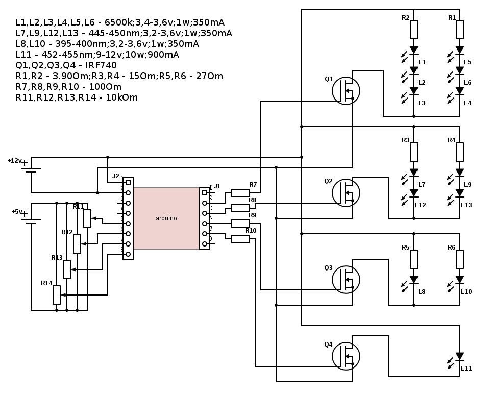
Чатик, привет! Подскажите, кто силён в схемотехнике, нужен ли резистор какой ставить между ногой ESP32 и мосфетом, который будет управляться pwm-сигналом или можно сигнал сразу на с ноги ESP32 на ногу транзистора подавать и ничего страшного с платой не случиться?
Resident
Чаще нужен чем нет
Resident
Зависит от тока затвора
Andrew
От транзистора зависит
Такие будут, светодиоды диммировать
romanetz
IRF520 - не подойдут
romanetz
IRL надо и подобные
romanetz
Которые от логического уровня работают
Andrew
IRF520 - не подойдут
Хм, я на этот видосик ориентировался, тут работало, поизучаю внимательнее, спасибо https://youtu.be/9djbpGyqjIU
romanetz
romanetz
Скрин из даташита на irl520
romanetz
Горизонтальная часть графика - ток ограничен крутизной транзистора (степенью его открытия) Наклонная слева - ток ограничен сопротивлением канала и степенью открытия транзистора
romanetz
Вообще, какой ток нагрузки предполагается?
romanetz
Правая часть - где график загибается - там мощность рассеивания за гранью добра и зла, транзистор греется прямо во время импульса
romanetz
Эти маньяки в пике 2,5 кВттами транз жарили )))
Andrew
Вообще, какой ток нагрузки предполагается?
Светодиоды. 1 транзистор - 1 канал, на 1 канале 10 светодиодов, 1 светодиод - около 0,3А max
romanetz
Последовательно?
romanetz
Светодиоды, как соединены
romanetz
300 ма - довольно лёгкий режим для транзистора, проблем не вижу, может и с irf520 прокатит
Andrew
Светодиоды, как соединены
параллельно-последовательно (группами), т.к. от БП 12В будут питаться со стабилизацией по току. Меня собственно резистор на ножку интересовал😁 Почитаю еще внимательнее про управление через ШИМ, может выберу другой транзистор.
Andrew
Светодиоды, как соединены
Примерно как-то так, только ESP32 вместо Ардуино и здесь на управляющих ножках резисторы, поэтому вопрос возник, зачем они там
romanetz
Ардуино на атмеге328 - 5 вольтовая
romanetz
А esp32 - от 3,3 питается
Resident
Irf520 ардуиновская платка на али продаётся
Resident
Щас напишу какие сам ставил без резистора
Resident
Если плату найду
Resident
Во первых тебе модели irl нужны
Resident
L-logical level
Andrey
МДП - металл - дерево - пластилин! :)
Andrew
Спасибо всем!
Андрей
Хей привет, есть живые? Вопросик есть
Anonymous
Ребята спасайте
Anonymous
Взял я значит свою старую рабочую реле на 4 канала от блока питания на 5 v почему то не работает
Андрей
Почему меня смущает слово старую
Андрей
хддд
Anonymous
Давно заказывал когда ещё ардуино пробивалась
Андрей
Работала хоть?
Андрей
Или даже не проверял
Anonymous
Подключил vcc к плюсу gnd к минусу
Anonymous
Да конечно последний раз работала
Андрей
Хз даже, никогда с реле не доводилось работать) Даже в универе препод был, который говорил, что реле это не путь Джедаев 😂🤣
Андрей
А для чего реле?
Anonymous
Светом управлять
Андрей
Какую задачу оно будет выолнять?
Андрей
А зачем реле
Андрей
Не проще микроконтроллером?
Anonymous
Esp 32 и блоки с реле
Anonymous
Как я должен по твоему с 220в работать
Андрей
Ааа, тогда вопрос отпадает)
Resident
Как я должен по твоему с 220в работать
Перкмычка на модуле стоит?
Anonymous
Да
Resident
Фото модуля в студию
Resident
Бывают high level and low lvl
Resident
У меня на 8 реле модуль от есп плохо заработал, сделал отдельно питание 5в и упр от есп 3.3 и нормально 3 год светом дома балуюсь
Anonymous
Anonymous
Андрей
Это там дизайн такой или слой пыли
Anonymous
Слой пыли
Resident
Я бы сначала от пыли почистил
Resident
Здесь особенно
Resident
)
Resident
Ещё походу ржавчина на ножках
Андрей
Пыль это такая вещь, которая способна при хорошем количестве не то, что дать не работать, но и убить электронику)
Anonymous
Ясно
Anonymous
Не работает . Не горят светодиоды даже при подаче через Ардуино
Алексей
а управляющие-то подавал?
Андрей
Поставь мультиметр на проверку диода и проверь светодиоды)
AntikillerVova 🇷🇺
Щас напишу какие сам ставил без резистора
Резюк на управление стоит чтобы порт мк не спалить