Yuriy
Yuriy
Yuriy
подскажите, похоже это на tx rx ?
romanetz
Напомню, что у воды диэлектрическая постоянная 81 (во сколько раз увеличивается ёмкость конденсатора)
romanetz
А сопротивление воды может меняться на порядки
romanetz
Dude, that's enough here )) Please post something hard, like ulpcc and so on )
Sandip
Sorry bro
Станислав
а можно подробнее?
К портам mosi, miso, sck устройства подключаются параллельно, а пин cs chip select (иногда ce chip enable) подключается с каждого устройства на отдельный цифровой пин esp. Подавая единичку на cs указываешь с каким устройством общаешься.
Dmitry
Enough sending here your videos, here no one watch this because this russian speaking community
Пусть делится, в чём проблема? Учите английский если занимаетесь электроникой и программированием.
romanetz
Хотелось бы крутого контента, как у Neil Kolban
romanetz
У него канал есть про esp32 и книгу написал
romanetz
Там темы 🔥
romanetz
А не переписывать одно и то же стопицот раз
Dmitry
Хотелось бы крутого контента, как у Neil Kolban
Я согласен с вами! Но в группе 526 человек и по некоторым постам я понимаю что уровень многих как раз соответствует этим учебным видео. Причем люди не пытаются гуглить, а сразу тут спрашивают.
Андрей
интереснее обсуждать реальные проблемы а не отвечать на сообщения "я никогда не программировал и тут вдруг надумал, но не получается"
Андрей
или рассказывать за который конец паяльник держать
Dmitry
Андрей
дык и я о том. причем у всех свои узко-частные проблемы и изучать матчасть им некогда. им и видео смотреть некогдаю
Dmitry
дык и я о том. причем у всех свои узко-частные проблемы и изучать матчасть им некогда. им и видео смотреть некогдаю
Тогда нужно другую группу создать, вход в которую будет после тестов с вопросами от гуру электроники и программирования.
Dmitry
А вообще это свободная группа, кто что хочет, то и спрашивает. Единственное что это тематика есп.
Egor
а можно подробнее?
У esp32 есть 2 spi интерфейса Соответственно 2 девайся можно подключить На мой взгляд иртересныы/гибкий sdk для работы c spi
Anonymous
У esp32 есть 2 spi интерфейса Соответственно 2 девайся можно подключить На мой взгляд иртересныы/гибкий sdk для работы c spi
раз уж дело продолжается, скетч-пример есть? Хотя бы для работы между еспшками
Anonymous
или он встроенный есть?
Egor
Я не знаю что такое скетч :) Прогаю с помощью esp-idf sdk
Egor
SPI Master Driver — ESP-IDF Programming Guide v4.1-dev-2071-gf91080637 documentation https://docs.espressif.com/projects/esp-idf/en/latest/api-reference/peripherals/spi_master.html
Egor
Там же рядом есть и для slave
Slava
Подкиньте идею, как можно сделать детектинг обрыва провода датчика протечки воды (датчик считай просто два провода которые занимаются водой)?
вижу тут уже ответили про сигнализации, поясню... грубо говоря в сигналках три уровня сигналов: замкнуто, разомкнуто и замкнуто через резистор. Примерно соответствует напряжениям 0, 12 и 6 вольт. 12 значит обрыв. На таком принципе определяется обрыв.
romanetz
Я не знаю что такое скетч :) Прогаю с помощью esp-idf sdk
Esp-idf это более низкий уровень, скетчи (и Arduino framework) - нашлёпка на него сверху
ИНГСАЙТ
Привет всем!
ИНГСАЙТ
Кто-нибудь делал или где-то видел Web IDE для ESP32 на микропитоне?
Андрей
Кто-нибудь делал или где-то видел Web IDE для ESP32 на микропитоне?
Не видел, но затея славная, если правильно понимаю о чём речь.
hostmit
У есп8266 портирован std::map?
hostmit
std::vector есть, а меп похоже только у ESP32
hostmit
отбой, работает из коробки, все портировано
hostmit
А вот std::queue по прежнему нет
ИНГСАЙТ
Я начал делать, только вот встала проблемка
ИНГСАЙТ
При сохранении изменений, сохраняет только определенное количество символов.
ИНГСАЙТ
Андрей
А веб сервер какой?
Андрей
Может реализация с ограничениями на размер post
Vyacheslav
Подскажите, пожалуйста, как правильно mcp2551 подключить диагностической шине авто
𝘂𝘅𝗻𝗮𝗺𝗲
ИНГСАЙТ
А веб сервер какой?
Веб сервер на микропитон ЕСП32
ИНГСАЙТ
Может реализация с ограничениями на размер post
где бы мне найти эти ограничения
Владимир Воландемортович
где бы мне найти эти ограничения
Ты код не сам писал что-ли? Посмотри, что на сервер прилетает в пост запросе
Abu
https://youtu.be/WoKAKzLlEwA
Alexander Maximov
Всем привет подскажите как esp32 запаять особенно интересна что делать с контактами на дне. Возможно без пасты ?
Alexander Maximov
Речь про модули или qfn?
Я про это https://media.digikey.com/Photos/Espressif%20Systems/MFG_ESP32-WROOM-32U.jpg
Andy
Я про это https://media.digikey.com/Photos/Espressif%20Systems/MFG_ESP32-WROOM-32U.jpg
Только паяльной пастой. Причем производитель предупреждает "Soldering Pad 39 to the Ground is not necessary for a satisfactory thermal performance. If users do want to solder it, they need to ensure that the correct quantity of soldering paste is applied." https://www.espressif.com/sites/default/files/documentation/esp32-wroom-32d_esp32-wroom-32u_datasheet_en.pdf
Владимир Воландемортович
Я про это https://media.digikey.com/Photos/Espressif%20Systems/MFG_ESP32-WROOM-32U.jpg
Снизу это земля/теплоотвод, паять не обязательно
Alexander Maximov
О спасибо ребята
synapse
А подскажите плз, как проверить esp 8266 на работоспособность ? А то есть плата ESP-12-Q , в консоли после ресета только мусор, уже все скорости перепробовал.
synapse
С тем же TTL конвертором и модулем питания esp32cam вполне работает.
Ilya
Всем привет, пытаюсь понять на основании чего формируется scan response в BLE. Судя по описаниям после отправки advertising пакета, другой девайс должен выдать некий scan request, однако в примерах от expressif, больше похоже на то, что они просто сначала шлют advertising и сразу за ним response. Есть ли возможность как-то поймать этот scan request ?
Vyacheslav
Мусор значит скорость не та
Vyacheslav
Ядро стартует на 74880,потом уже твоя прошивка должна переключаться на другую скорость
synapse
прочитал и?
Я не нашел ответа в том треде, вы написали прошить на известную прошивку , а как ? esptool не может подключиться
synapse
пробовал разные бут-моды менять
synapse
и всегда мусор
Vyacheslav
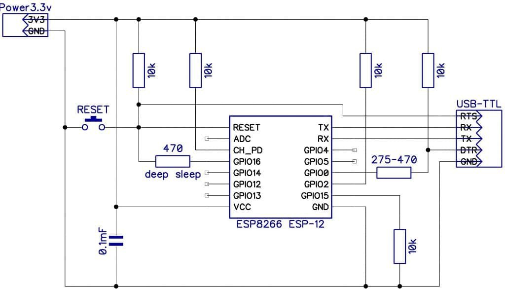
synapse
ага, уже лучше, но пока не понятна схема подключения
делал по мануалу из того же треда https://esp8266.ru/esp8266-podkluchenie-obnovlenie-proshivki/
synapse
Бутмоды это какие?
GPIO0 закорочено на GND
Vyacheslav
Что за плата у тебя?
synapse
Эта схема?
нет так я еще не делал )) я сделал по схеме быстрого подключения , т.е. без резисторов