в арме у меня обычно микросекундный таймер живет, читаешь из регистра и не паришься
В арме прерывание систик есть. В нем инкрементируешь переменную.
Я че-то не пойму к чему ты клонишь если честно
Evgen
В арме прерывание систик есть. В нем инкрементируешь переменную.
нахер. В арме прерываняи для работы а не для инкрементирования счетчиков
Все иди. Ты либо бухой либо школьник
Читай че хочешь. Утомлять уже своим бредом начинаешь
Evgen
Я че-то не пойму к чему ты клонишь если честно
все у вас в расчлениграде клонить куда-то надо.
Evgen
колобок утомился пиздеть, ааааа
Да у тебя речь какая-то бессвязная
Evgen
Все иди. Ты либо бухой либо школьник
я понял, ты с армом не работал
Evgen
отберите от колобка кнопку с клоуном
Я понял какую конструкцию ты там на систике высрал. Я действую подругому. Что на арме, что на риске. Разницы нет
Ты считаешь делей с помощью систика. Это же говно в примерах для ебланитов потому что торчит
отберите от колобка кнопку с клоуном
В телеге, кстати, косяк. Кому-то можно отключить гифки. А клоунов отключить нельзя. Нет таких настроек прав
Evgen
Ты считаешь делей с помощью систика. Это же говно в примерах для ебланитов потому что торчит
еще. раз. Ты с армом не работаешь. Ну или плотно не работаешь. Поэтому не понимаешь, о чем речь и все у тебя вокругш клоуны
еще. раз. Ты с армом не работаешь. Ну или плотно не работаешь. Поэтому не понимаешь, о чем речь и все у тебя вокругш клоуны
Ты блять че там стм32 вчера понюхал крутой что-ли стал? Если ты пишешь хуйню - пиши хуйню. Уже утомялет слушать твою дичь ей богу
Evgen
специально для деда - колобка #define T1TC LPC_TIM1->TC void DelayMks(int mks) { int t0, d; d = mks * 25; t0 = T1TC; while(T1TC-t0 < d); //подождать d msk }
специально для деда - колобка #define T1TC LPC_TIM1->TC void DelayMks(int mks) { int t0, d; d = mks * 25; t0 = T1TC; while(T1TC-t0 < d); //подождать d msk }
Да знаю я так ебланиты делают. Это в базовых примерах stm32 для начинающих. Я же выше написал
Не, ну ты то не начинающий. Тыж опытный. Вон на есп в ардуину научился.
Ivan
Судя по тому, как круглый отпираецца, его вывели на чистую воду. нука, адреса векторов ебани по памяти, до ирк-тимер?)))))
Ivan
негугля
Тем более я щас больше с ch32 работаю. Хотя там тоже адреса не знаю 🤡
ырудицию проявить)))
Для ебланитов .h файлы придумали куда все записали. Спасибо вендору
Ivan
Тем более я щас больше с ch32 работаю. Хотя там тоже адреса не знаю 🤡
попробуй миландр. вставляет, как героин. но круче.
Ты еще скажи инит того же стм32 сможешь сделать не гугля и без готовых хидеров?
Max
Не по теме: работал кто с openpnp? Все отлично, кроме нижнего зрения, что излишне выворачивает деталь: будут ли какие советы где что посмотреть и покрутить вдруг
Ivan
Как дела там с документацией?
а знаешь, пидора умножили на ноль и стало лучше.
а знаешь, пидора умножили на ноль и стало лучше.
Честно говоря я не в курсе движухи там. А что случилось? Вху из пидор?
https://dzen.ru/a/Y2ogkrGL1k6vhPJO
А бля. Точно я читал это.
Dok38
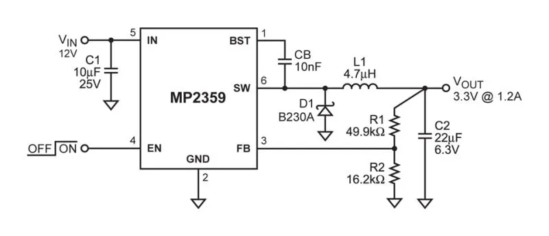
Здравствуйте, Уважаемые. Подтвердите, пожалуйста, маркировку элемента. Предполагаю, что это MP2359 преобразователь напряжения.
Dok38
Dok38
Есть есть, рядом фото...
Все я увидел на второй. Удалился
Ну значит мп2359) Пробегись по распиновке. Там же всего 6 ног
Согласно этой схеме
Dok38
По даташиту сходится, боюсь обосрамиться - если не он... 🙊🙊
По схеме даже дроссель на 4.7
Dok38
Ну он либо заработает либо нет
Да, по схеме тоже оно! 👍👍 От души, респект!
Да, по схеме тоже оно! 👍👍 От души, респект!
Так это просто пример применения из даташита) Китайцы обычно не парятся, а тупо берут экзампл
Dok38
Так это просто пример применения из даташита) Китайцы обычно не парятся, а тупо берут экзампл
Я в начале пути... Уже курю даташит... Не пинайте ногами... Согласен на клоуна 🤓🤓
Ivan
Читверг, махонькая пятница))))
Тёма
Читверг, махонькая пятница))))
о у тебя тоже эта мышка
Ivan
Сегодня я сдал проект на есп!!!
Тёма
она ж дурацкая по дизайну))
Ivan
она ж дурацкая по дизайну))
зато лёгкая и удобная!
Тёма
зато лёгкая и удобная!
капля влаги и нерабочая))
Ivan
капля влаги и нерабочая))
прост надо аккуратей бухать...
Ivan
чай за компом.
Ivan
2 года - полёт нормальный.
Dok38
А я тебе из приниципа не поставлю
Можно ли узнать - почему? 🤔
Dok38
О как... Я причастен к этому?
о у тебя тоже эта мышка
Вертикальную гонял?
Тёма
Вертикальную гонял?
вертикальную?
вертикальную?
Да. Одновремя модные были. Я чето не привык. Мол там кисть хуе мое
Dok38
Нет
В дальнейшем не отрыгнется мне это?
В дальнейшем не отрыгнется мне это?
Возможно. Если я тебя запомню
Dok38
Возможно. Если я тебя запомню
Тогда буду считать, что мне фартануло! 🤓🤓
Тёма
Да. Одновремя модные были. Я чето не привык. Мол там кисть хуе мое
не, я её взял пушто она плюс минус удобная в перечне беспроводных (в универ с собой ношу правда хз зачем трекпада и хоткеев хватает с головой)
Тёма
ой нет таким не балуюсь
ой нет таким не балуюсь
А кривой клавой? Тоже говорят для рук полезно по мнению британских ученых
Dok38
Оч удобно, на самом деле...
Оч удобно, на самом деле...
Я че то не смог с первого раза. Неделю поюзал и плюнул
Оч удобно, на самом деле...
А почему клава не кривая, как и монитор?
Dok38
Клава и моник с бюджета, а мыша за свои куплена...
Тёма
А кривой клавой? Тоже говорят для рук полезно по мнению британских ученых
кривая клава не по душе, но как опытный квакоёб и фанат динамичных игрушек моя как правило с наклоном в 45 идет
индзэец
на телефоне