Oleh
Oleh
Oleh
Но все равно есть опаска что на них потечёт 5В
Да и пины 10 и 11 впринципе использовать нельзя
Oleh
А почему напряжение питание составляет 5 вольт?
А почему нет?! Ну выше частота работы микросхемы.
Почему?!
Потому что с 6 по 11 - подключена флешка
✨Moonshine✨
Доброго времени суток, может кто подсказать пожалуйста, есть esp32 cam китайский аналог AI Thinker, у меня проблема с затемнением камеры при фотографировании и записи на флешку или в облако, покупал несколько разных у разных продавцов, пробовал прописывать конфиги, настраивать яркость и прочие штуки, прописывал задержку перед съёмкой чтобы сенсор настроился, но не помогает ничего. Скетч из примера CameraWebServer передаёт картинку отлично, без затемнения. В интернете натыкался на похожую проблему, но им помогало прописывание конфигов, естественно на английском тоже искал
Роджер
https://youtube.com/shorts/jYtnEgrYd2Y?feature=share3
Indr1x
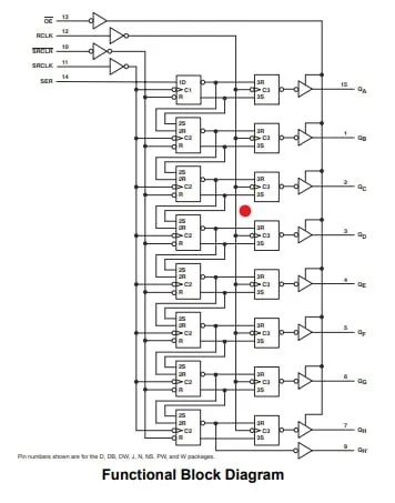
Привет. Может кто подскажет: можно ли к пинам 10,11,12,14 74HC595 напрямую подключать пины esp8266, если напряжение питания на 74HC595 составляет 5В. Спасибо.
Можно. - из этой микросхемы в esp ничего не приходит - 595 можно питать от 3.3v, не обязательно 5. Главное что бы со стороны ее выхода у вас все работало при этом напряжении, либо ставить транзистор в режиме ключа
Oleh
В нём вполне может отказаться на пине Input около 5 Вольт
Indr1x
Если взять например вот такой каскад:
Вот только это схема не входного буфера-инвертера 595
Евгений
Аднака здравствуйте! Минутка интеллектуальных размышлений. У меня тут подаван родил конструкцию: for (long t = millis(); t + 2000 > millis();) reader.handle(); Я старый и ленивый что бы проверять, но мне кажется, что эта штука повешает МК.... Как думаете?
Алексей
не должно
Алексей
если reader.handle(); не повесит
Евгений
нет, я именно про цикл. Планировалось что раз в 2 секунды реадер сработает. и при этом не будет блокировать дальнейшую работу. А тут мне кажется, что цикл зависнет на 2 секунды и так по кругу. Чем его не устроил стандартный if с проверкой на таймер, не понимать.
Алексей
один раз войдёт в цикл на 2 секунды и отпустит
Евгений
один раз войдёт в цикл на 2 секунды и отпустит
Ну я и говорю - криворукий... Вешает МК на 2 секунды каждый цикл
Алексей
Но не в плане повесит всё.
Евгений
Ну да, если считать что 2-секундная пауза в цикле это не полностью повешать МК, то да - не все повешает)
Алексей
И ТЗ не было, что подразумевалось :)
Алексей
Ну да, если считать что 2-секундная пауза в цикле это не полностью повешать МК, то да - не все повешает)
Да кто его знает. Может реадер ждёт данные, и их нужно вычитать за 2 секунды, что придут.
А кто такой reader?
Евгений
А кто такой reader?
езернетовский модуль, который раз в 2 секунды ходит на сайт и забирает там данные от джейсона....
Evgen
езернетовский модуль, который раз в 2 секунды ходит на сайт и забирает там данные от джейсона....
ну будет две секунды ходить и забирать, делов-то... еще и сайт подвесит
Евгений
ну будет две секунды ходить и забирать, делов-то... еще и сайт подвесит
Не 2 секунды, а постоянно с перерывами на примерно 20 мкс каждые 2 секунды... Идеальный ддос-атакер
Evgen
Какой сайт?
на который будет ходить. может он там тоже на есп
на который будет ходить. может он там тоже на есп
Может оно в отдельном потоке/таске
Евгений
Может оно в отдельном потоке/таске
даже отдельным МК, но все равно голова то приказывает этому МК ходить на сайт непрерывно 2 секунды....
Евгений
а что, прям точно 2 секунды с точностью до millis ?? ))
там точность не критична. можно 1,5, а можно и 2,5. 2 секунды вообще от фонаря выбрали. Данные на сайте обновляются каждые 2 секунды и вот.
Anton
Аднака здравствуйте! Минутка интеллектуальных размышлений. У меня тут подаван родил конструкцию: for (long t = millis(); t + 2000 > millis();) reader.handle(); Я старый и ленивый что бы проверять, но мне кажется, что эта штука повешает МК.... Как думаете?
millis возвращает uint32_t, какой лонг? через 49 дней аптайма этот код станет странно себя вести. в остальном там просто "исполнять ридер, пока не прошли 2 сек"
Евгений
Вообще обсуждение чисто теоретическое, потому что вышеуказанную конструкцию я зарубил на корню, а сюда принес в качестве курьеза.
Anton
если речь про есп32, то лучше уж esp_timer_get_time
Anton
чем грузины
Anton
?
думал ты знаешь старые анекдоты
В ардуине-есп32 millis и есть esp_timer_get_time
Anton
нет
Anton
там обрезаются биты, уменьшается точность и разрядность
неправда
Ну с разницей в том, что оно обрезается
А так вызывается та самая функция
Кстати этот вопрос я уже не первый раз задавал
Почему они её не переделают на 64 бита?
Anton
Ну с разницей в том, что оно обрезается
именно оттуда берётся переход через нуль каждые 49 дней с миллс
именно оттуда берётся переход через нуль каждые 49 дней с миллс
Я в курсе капитан. Это ограничение 32 битной переменной
Давай по базе не будем проходится, а лучше по существу
Ну так ты не ответил чем оно лучше
Просто когда я слышу выпады типа "лучше" - то пытаюсь понять что человек имел ввиду
Оно лучше потому что оно ему больше нравится, или он все же объяснит почему
Anton
Ну так ты не ответил чем оно лучше
переход через нуль будет в очень далёком будущем, если пользоваться не миллис, а чем я предложил
Anton
В данной ситуации ваще не важно esp_timer или миллис
в абстрактном вопросе вообще не понять что важно. лично меня напрягло именно арифметическое переполнение, которое можно избежать правильными функциями и типами
Евгений
переход через нуль будет в очень далёком будущем, если пользоваться не миллис, а чем я предложил
Ес ли ты милисом считаешь не месяца, а секунды, то переход на нуль вообще до лампочки. В худшем случае пропустит один цикл раз в 49 дней
Евгений
нет
Вы адепт переполнения миллиса?
В линуксе вон эпочем считают секунды и как-то живут с этим. Когда там переполнение ? в 38-мом году?
Помоему проблема больше высосана из пальца
Как и знаменитая проблема 2000. Когда кричали больше чем было проблем
Алексей
И под шумок делили деньги.
Anton
Вы адепт переполнения миллиса?
срок 49 дней для меня обозрим
Anton
В линуксе вон эпочем считают секунды и как-то живут с этим. Когда там переполнение ? в 38-мом году?
в юниксе. ну и в основном то уже на 64 бита перешли все кто озаботился
в юниксе. ну и в основном то уже на 64 бита перешли все кто озаботился
Еще много машин трудится на 32 битным эпоч. Переделать епоч с 32 на 64, поверь это не самая простая процедура
Anton
я всё сказал, что хотел
Евгений
срок 49 дней для меня обозрим
Он для всех обозрим. Какие вы проблемы предвидите в момент перехода миллиса в ноль?
Ищи партнеров в тиндере