Артем
если сохранилась ссылка где покупал дай пожалуйста
Evgen
У тебя по понедельникам что-ли жесткие отходняки после выходных? Ты каждую неделю с утра понедельника несешь откровенную дичь
в чем дичь, брат? Ну не увидел слов пропозиционирование, а навигацию мимо моска пропустил, но насчет купить в мск - в чем дичь-то?
Anton
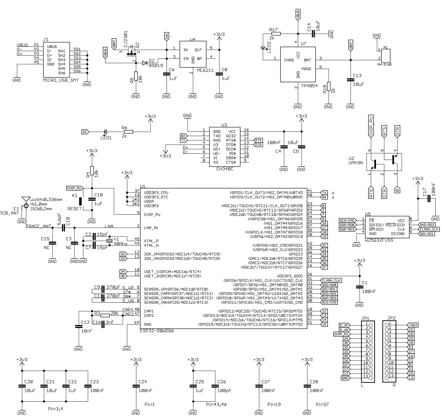
> input low voltage blocking это?
Anton
как-то невнятно, не вижу "overdischarge protection"
как-то невнятно, не вижу "overdischarge protection"
Ну судя по даташиту на тп4054 его и нет
Anton
Ну судя по даташиту на тп4054 его и нет
тогда о каком "на плате всё есть" речь? я не понял (с)
Anton
вопрос не к тебе, просто отвечал тебе
Да оно и не должно быть, потому что на схеме не видно запирающего мосфета
Артем
Bat (pin 3): charging current output.The charging current is supplied to the battery and the floating voltage is controlled to reach 4.2V.When the battery is reversely connected, the internal protection circuit protects the ESD diode of Vbat from being burnt out, and a current of about 0.7ma is formed between GND and bat.
И?
Anton
или люди не умеют читать и вместо "переразряд" читают "перезаряд"?
типа в ноль аккум высаживает?
Не типа, а высаживает ниже фатального предела
Anton
типа в ноль аккум высаживает?
ниже допустимого предела
ниже допустимого предела
Хотя щас такие литии делают что им и глубокий разряд не почем
хз, там ёмкости всё равно уже нет
Ну как нет. У меня лежат несколько штук которые я раз 10-20 в ноль сажал
Емкость почти такая же которая и написана
Anton
я про то что высаживать в нуль можно скорее случайно. специально ты там сильно много ёмкости не найдёшь
А. Ну я имел ввиду про то, что они не все умирают
Есть литий который после просадки ниже 2.0 уже безвозвратно умирает
Anton
ну моим знаниям про аккумы около 10 лет, с тех пор прорывов не видел, потому не интересовался
Anton
Есть литий который после просадки ниже 2.0 уже безвозвратно умирает
там возможны варианты: умереть совсем или потерять ёмкость.
Anton
но раз говоришь есть те, которым нипочём, поверю. просто всё равно беру дешёвые китайские, которые вряд ли они... :)
там возможны варианты: умереть совсем или потерять ёмкость.
Ну вот буквально недавно попалась банка 18650 (не самая дорогая) которая после высаживания в ноль и еще какое-то время она полежала на полке - перестала заряжаться. То есть сильно греется и соответственно быстро теряет закаченное. То бишь ей кранты
А есть две банки 14500 - которые с десяток раз были убиты в ноль (предвидя вопрос нет - они без защиты) - которые после раскачки с лбп до 3+ вольт спокойно дозаряжал в зарядке и на прогон емкости все те же 800 махов
Evgen
Вот чё этому g++ не нравится в такой конструкции: enum OpenThermResponseStatus { NONE, SUCCESS, INVALID, TIMEOUT }; .... if(respstatus == OpenThermResponseStatus::INVALID) error: ‘OpenThermResponseStatus’ is not a class or namespace
Max
А почему через два двоеточия, а не через точку?
Evgen
А почему через два двоеточия, а не через точку?
через точку члены класса, а через двоеточие - область видимости
Max
Ох
Evgen
esp'шный gcc лопает, виндовый лопает, а g++ в линуксе выежывается
Evgen
Просто пиши == INVALID
а если их несколько разных?
а если их несколько разных?
А как у тебя одна переменная может быть разными енумами?
Это какое-то ебаное расширение так енумы указывать.
Которое не стандарт
Evgen
А как у тебя одна переменная может быть разными енумами?
а это не переменная, это ж неведомая херня (зачеркнуто) енум, типа дефайна
Там разница в трактовке енума.
Evgen
Это какое-то ебаное расширение так енумы указывать.
да хуй его знает в каком из це это стандарт, в каком не стандарт. Наплодили...
artalar
Ого, а что ещё не скидывали сюда https://microsoft.github.io/devicescript/
Evgen
Либо компилируй с опцией -std=c++0x
Оооо. был бы ты бабой, я б в тебя влюбилсо
Anton
Вот чё этому g++ не нравится в такой конструкции: enum OpenThermResponseStatus { NONE, SUCCESS, INVALID, TIMEOUT }; .... if(respstatus == OpenThermResponseStatus::INVALID) error: ‘OpenThermResponseStatus’ is not a class or namespace
anton@webcore:~/tmp$ g++ -Wall a.cpp anton@webcore:~/tmp$ cat a.cpp enum OpenThermResponseStatus { NONE, SUCCESS, INVALID, TIMEOUT} respstatus; int main () { respstatus = OpenThermResponseStatus::NONE; if(respstatus == OpenThermResponseStatus::INVALID) return 1; return 0; }
Evgen
колобок великолепен
Anton
gcc version 11.3.0 (Ubuntu 11.3.0-1ubuntu1~22.04.1)
У Меня Всё Работает (с)
Проверил на версии g++ 4.5 - нет шлет нахуй
Они там заебали с этими стандартами
Anton
Проверил на версии g++ 4.5 - нет шлет нахуй
4.5 это ж сколько лет назад было?
4.8 точнее
2015 год, а что?
Anton
лет 10 назад?
А к чему эти гонки за самым современным?
Входит в базу centos 7.9
Я за что centos и люблю что он консервативен
Anton
у мну процы современные, под них старые компиляторы не умеют натив оптимизации
Anton
т.е. тут надо тип приводить, а фигли оно орет что не знает
у тебя там инт что ли? по контексту не было ясно
Anton
да,
красава!
Evgen
x86_64-alt-linux-g++ (GCC) 5.3.1
Anton
всегда так делай
Evgen
всегда так делай
а чо, все равно оно из инта рожается рано или позндно
Anton
мне лень даже начинать рассказывать что я об этом думаю, бо думаю я, что мои мысли будут не в коня корм
Хочу заметить что GCC 4.8.5 последний раз поддерживался в 2020 году. Так что не надо тут вот этого вот
У меня самый последний GCC, самые последние обновления...
Со своими задачами справляется
Anton
а чо, все равно оно из инта рожается рано или позндно
а чё енумаешься тогда? ну штрямкай инт константы тогда, чего стесняться?
Anton
Керниганом бы тебя с Ричи по попе отшлепать...
я подозреваю что я их книжку читал раньше, чем ты в садик пошёл
Evgen
warning: ISO C++ forbids converting a string constant to ‘char*’ Ужис вообще. Скоро и дышать запретят
Есть такая хорошая штука как https://www.onlinegdb.com/ можно там своё говно тестировать и компиляторы под рукой не нужны