Так проще для новичка
Транзистор не очень сложен тоже
Дио
Транзистор не очень сложен тоже
А можешь скинуть какой? Я посмотрю - разберусь
А можешь скинуть какой? Я посмотрю - разберусь
Их много разных. Под задачу ставят
Дио
Их много разных. Под задачу ставят
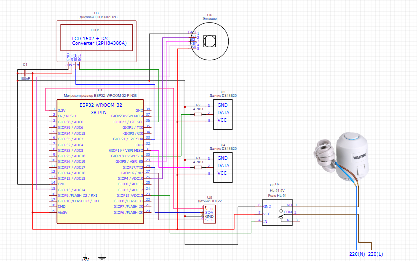
Задача управлять сервоприводом головки 220В 50ма (300ма) с ЕСП
Дио
50мА номинальная сила тока, 300мА - максимальная
Если 220, то конечно реле
Или симистор
Happy
вообще желательно с гальванической или оптической развязкой
Happy
Happy
или по какой шине управляется
Дио
У него 2 провода и все
Напряжение есть - он закрыт, напряжения нет - он открыт
Дио
Если 220, то конечно реле
Вот посоветуй пожалуйста самое лучшее на твой взгляд, чтобы без проблем работал с ЕСПшкой
Serjio
Что под какие?
Контролеры
Дио
Просто есть в наличие, оттуда и выбор
Serjio
? Там вопрос был: можно ли тулчейном от эспресиф собирать прошивки под другие risk v контроллеры..
Happy
Напряжение есть - он закрыт, напряжения нет - он открыт
А ну значит релейный модуль с оптопарой
Дио
А ну значит релейный модуль с оптопарой
А можно ссылочку на хороший?
Happy
Ща
Happy
У меня есть один такой, вроде не подводил
Happy
Щас название скажу
Happy
HL-52S
Дио
HL-52S
Спасибо
Все, понял, спасибо
Ты схему лучше рисуй. Подскажем й
Дио
Только не пинать
Реле это просто реле или модуль?
Модуль
Тогда добро. Если там обвязка есть
Alex
3,3 на упрвление любит
AntikillerVova 🇷🇺
Но запитывать надо от 5в.
Но запитывать надо от 5в.
Кого "запитывать"? Оно прекрасно открывается с3,3 вольт, однако я бы не стал так делать
AntikillerVova 🇷🇺
Кого "запитывать"? Оно прекрасно открывается с3,3 вольт, однако я бы не стал так делать
Не прекрасно он работает, у меня таких 4шт. При 3.3в не стабильная работа. Вылечил dc+=5в и d-=gnd, ch1....= лог сигнал 3.3в.
Не прекрасно он работает, у меня таких 4шт. При 3.3в не стабильная работа. Вылечил dc+=5в и d-=gnd, ch1....= лог сигнал 3.3в.
Да это понятно. Что от экземпляра зависит. На моих тестах они при 3 вольтах открывались. Тестировал штук 20.
AntikillerVova 🇷🇺
Аа, чтобы включить надо подать лог1. Если чтобы включить надо подать лог0 то да, можно навернуть мк.
Кого ты там навернешь? Я понять не могу? Ставится перед ним транзистор или оптрон и легко открывается
AntikillerVova 🇷🇺
Сами эти реле отлично работают от 3.3в(бывает исключения, но ооооочень редко). А вот с модулем бывает такая петрушка.
AntikillerVova 🇷🇺
Кого ты там навернешь? Я понять не могу? Ставится перед ним транзистор или оптрон и легко открывается
Включить реле можно лог1(всс) или лог0(гнд). Если лог уровни разные и включается лог0, то закрыть нормально не получается, ток будет идти от 5в на 3.3в.
лог 0-реле открыто, лог 1 реле закрыто. Питание платы +5, управление с ESP +3.3
Да нельзя его открывать от 3.3. У него по даташиту 5 вольт
Alex
да работает оно отлично
Хватит учить хуйне. У него по даташит 5 вольт. Пять. Работа вне даташита это лотерея
Alex
кто лотэрею не выиграл-преобразователь уровня бери
Зачем нужен какой-то тайный преобразователь уровня?
Если есть оптрон или транзистор
Ivan
кто лотэрею не выиграл-преобразователь уровня бери
Бред. (1 копеечный транзюк и резюк)/канал - и ни каких лотерей
Alex
Ну и нахуй он нужен?
Alex
70 руб стоит
Читай выше
А транзистор стоит 5 рублей
Alex
4 сигнала 3,3 превратит в 5
AntikillerVova 🇷🇺
Зачем транзистор? И 3.3в хватает.
4 сигнала 3,3 превратит в 5
Да ты базу не рассказывай. Просто это глупости
Зачем транзистор? И 3.3в хватает.
По даташиту не хватает.
AntikillerVova 🇷🇺
По даташиту не хватает.
В железе проверяли?
В железе проверяли?
Проверял. Читай выше.
Ivan
А транзистор стоит 5 рублей
транзисторы с материнки - бесплатно))))
Только 🤡 будет делать устройство которые работает не по даташиту
AntikillerVova 🇷🇺
Я проверял, и не раз. Работает, магия наверно.
Блять еще один
Алексей
Alex
Проверял. Читай выше.
а я и обычный релейный модуль и твердотельный проверял в железе
Алексей
AntikillerVova 🇷🇺
Сегодня сработает, завтра нет
Уже больше года работает.
а я и обычный релейный модуль и твердотельный проверял в железе
Релейный модуль обычно имеет на свою борту оптрон или транзистор. Оно работает с логики
Алексей
Вот не вижу я тут 3,3
Уже больше года работает.
ошибка выжившего
SSR
Уже больше года работает.
Получается, даташиты не нужны?
Вот не вижу я тут 3,3
Я тоже. Но у них же работает 🤡
Получается, даташиты не нужны?
Читают даташиты только трусы
Или трусы