Дио
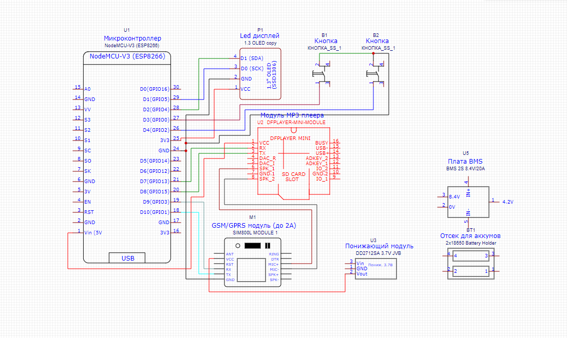
Появилась необходимость сделать небольшое устройство на базе МК NodeMCU V3 и GSM модуля SIM800l. Пока только обучаюсь по различным урокам и даташитам устройств, знаний минимум. Набросал небольшую схему, но встрял на вопросе электропитания. Суть устройства: На него будут происходить входящие звонки, после определения номера будет проверка номера абонента на наличие в базе, если номер в базе есть устройство снимет трубку, проиграет файл (например 1.mp3), сбросит звонок и самостоятельно позвонит по определенному номеру. Вероятно основные коннекторы я правильно соединил, но появилась проблема с пониманием, как подключить все это по питанию. Вся проблема в том, что модуль GSM требует напряжение 3.7 В ~ 4.4 В и ток от 0.7 мА в режиме ожидания до 2А пиковой силы. От самого МК его никак не запитать, логичнее всего наверное питать его от 1 банки 18650, не давая ей просаживаться, но я в итоге запутался как: все подключить так, чтобы аккум безопасно все время заряжался (долговечно аккумов не особо интересует, интересует безопасность) и питал как модуль, так и всю систему в целом. Посмотрел десятки роликов и везде вижу только как сперва заряжают аккумы, потом от них питают систему. Но мне такое не подходит, желательно, чтобы система была подключена в розетку и работала сама по себе. Я вам буду безумно благодарен, если поможете доделать схему, а также проверите, не забыл ли я какие-то элементы типа резисторов и т.д. Идеальным вариантом было бы если все это питалось от одного блоки питания UBS - USB Type-C, а дальше была разводка уже внутри устройства. Понимаю, что надо возвращаться к урокам физики, постепенно к ним обращаюсь, но надо заказать из Китая компоненты как можно скорее. Заранее спасибо за то, что постараетесь максимально избежать хейта и троллинга. Схема, которую набросал - ниже. Единственное на ней 2S компоновка аккумуляторов, думаю стоит поставить 1s.
Дио
Дио
Буду безумно благодарен
esk1zz
Да и в инженерии собственно
Дио
Если мне тут помогут хоть оскорбляйте в принципе =)
Дио
Я чет забыл про Ру комьюнити
Andy
Появилась необходимость сделать небольшое устройство на базе МК NodeMCU V3 и GSM модуля SIM800l. Пока только обучаюсь по различным урокам и даташитам устройств, знаний минимум. Набросал небольшую схему, но встрял на вопросе электропитания. Суть устройства: На него будут происходить входящие звонки, после определения номера будет проверка номера абонента на наличие в базе, если номер в базе есть устройство снимет трубку, проиграет файл (например 1.mp3), сбросит звонок и самостоятельно позвонит по определенному номеру. Вероятно основные коннекторы я правильно соединил, но появилась проблема с пониманием, как подключить все это по питанию. Вся проблема в том, что модуль GSM требует напряжение 3.7 В ~ 4.4 В и ток от 0.7 мА в режиме ожидания до 2А пиковой силы. От самого МК его никак не запитать, логичнее всего наверное питать его от 1 банки 18650, не давая ей просаживаться, но я в итоге запутался как: все подключить так, чтобы аккум безопасно все время заряжался (долговечно аккумов не особо интересует, интересует безопасность) и питал как модуль, так и всю систему в целом. Посмотрел десятки роликов и везде вижу только как сперва заряжают аккумы, потом от них питают систему. Но мне такое не подходит, желательно, чтобы система была подключена в розетку и работала сама по себе. Я вам буду безумно благодарен, если поможете доделать схему, а также проверите, не забыл ли я какие-то элементы типа резисторов и т.д. Идеальным вариантом было бы если все это питалось от одного блоки питания UBS - USB Type-C, а дальше была разводка уже внутри устройства. Понимаю, что надо возвращаться к урокам физики, постепенно к ним обращаюсь, но надо заказать из Китая компоненты как можно скорее. Заранее спасибо за то, что постараетесь максимально избежать хейта и троллинга. Схема, которую набросал - ниже. Единственное на ней 2S компоновка аккумуляторов, думаю стоит поставить 1s.
Не совсем понятно зачем нужен аккумулятор, если у вас сетевое питание. Поставьте БП достаточной мощности. К примеру 5V 3A
Andy
Ах да! SIM же требует "нестандартного" питания. Это решается обычным линейным стабилизатором. Например LM317
На случай отключения света, которые у нас часто происходят.
А не проще купить готовый совмещенный модуль с есп32 и сим800? Где разведено как аккумуляторное питание так и обычное
Andy
На случай отключения света, которые у нас часто происходят.
ааа! Т.е. ваши требования таковы: основное питание от сети, а резервное от аккумулятора. Причем вы хотите, что бы акк. заряжался пока есть сеть. Так?
Дио
ааа! Т.е. ваши требования таковы: основное питание от сети, а резервное от аккумулятора. Причем вы хотите, что бы акк. заряжался пока есть сеть. Так?
Это вообще идеальная ситуация. Но проблема в том, что я никак не могу понять суть силы тока. Например ESP по-моему требует 20мА, а Сим до 2 Ампер, вот в моей старой голове ощущение, что я подам 3 ампера и все взорвется, хотя насколько понимаю, что устройство берет ровно столько, сколько ему надо
Там еще микруха зарядки висит на i2c шине, можно ее опрашивать и понимать питание есть или оно пропало
Но ценник кусается немного
Там правда не все так заебись. Там батарейка отключается если ее напруга падает ниже 3.9(
Andy
Это вообще идеальная ситуация. Но проблема в том, что я никак не могу понять суть силы тока. Например ESP по-моему требует 20мА, а Сим до 2 Ампер, вот в моей старой голове ощущение, что я подам 3 ампера и все взорвется, хотя насколько понимаю, что устройство берет ровно столько, сколько ему надо
Токи потребления суммируются всегда :) Поэтому тупо суммируете максимальные токи потребления из datasheet и подбираете БП у которого указан ток большей вашей суммы. Даже если ошибетесь, то современные БП обычно при превышении тока потребления просто отключают нагрузку :)
Самое не заебись - отсутствие Wi-Fi
Почему? Там есп32 обыкновенная
Дио
Почему? Там есп32 обыкновенная
Чет про него ни слова не нашел
Чет про него ни слова не нашел
А где надо было найти про это?
Дио
А где надо было найти про это?
В описании, на плате, ну ладно, я не спорю. Штука классная бесспорно
В описании, на плате, ну ладно, я не спорю. Штука классная бесспорно
Так оно в описании к установленному контроллеру
Или они все теги должны были прописать?
Скорее всего нет
Я представил если бы расписали всё. Сразу вспоминилось "Заходит как-то SEOшник в бар, ресторан, купить алкогольные напитки, клубы, лучшие бары в Москве, заказать банкет в ресторане…"
Andy
Схема со старого проекта для питания/заряда как вам и нужно. Зачеркнутое вам не нужно
А что если питать есп32 и sim800 от 3.6 вольт? Никто не пробовал? Без лишнего понижения?
3.6 укладывается в верхний допуск есп32 и в нижний сим800
Andy
Не имеет смысла рисковать модулями есть копеечный LM317 и пара резисторов. Уже не говоря о современных LDO
Дио
Ребята, вы по сути с T-Call всю мою проблему решили
Дио
Ее питать от банки, а банка на постоянке от сети и все
Ее питать от банки, а банка на постоянке от сети и все
Там микросхема на шине висит будешь ее опрашивать. И смс в сеть что питание пропало. Да
У лильки прикольные девайсы, однако они стоят денег
А просто в 5 вольт воткнуть? Хм
Дио
Я же правильно понял, что сюда подаю по кабелю напряжение 5 вольт 3А и все?
Тогда ты не узнаешь что питание померло. Точнее придется что то городить. И кстати некоторые банки силы отключают нагрузку кратковременно прям пропадании внешнего питания
Дио
Да. Или на пины припаять
Про припаять страшно, мне надо штук пять сразу заказать, потому что пока припаяю, все исполчу =)
Дио
А может посоветуете хороший флюс с али? чтобы как-раз ножки паять? А то я паял только с кислотой
А кислота лол это зло
Дио
Ну блин, я знаю
Дио
Но я паял с ней ленту и отмыл потом
На озоне продается за копейки нц559 хватит надолго
Сергей
дык не смд же те в дырку паять там даже паяя без флюса или кислоты накасячить практически невозможно
Дио
Если недоотмоешь потом проблемы будут
Читал, ага, ну я спиртиком и щеточкой очень внимательно
Дио
Я вот это пока паял 3 инфаркта и 2 инсульта перенес, это касаемо моего уровня пайки, я паял все раз 5 в жизни, большинство из этого лет 20 назат в гимназии
Дио
И кстати, там пятно, но это не сгорела дорожка, перепроверил сейчас, какая-то грязь
Дио
Спасибо вам большое ребята, рад, что нашел эту конфу, T-Call лучшее решение
Бля я тут достал какой то китайский припой который шел в комплекте к чему то. Я не понимаю как им паять. Он на паяльнике сворачивается. Все желание пропадет паять таким подарочным припоем. Лучше бы не клали ничего
Спасибо вам большое ребята, рад, что нашел эту конфу, T-Call лучшее решение
И даже не троллили и не оскорбили. Блин как так вышло?
Дио
а по TTGO T-Call, вопрос, он примерно раза в 2 дороже выходит если отдельно компоненты паять?
Дио
И даже не троллили и не оскорбили. Блин как так вышло?
Ну нормальные ребята видимо попались
Ну нормальные ребята видимо попались
Я главный по троллингу вообще то
Дио
Я тут по ардуинке на одном из форумов задал вопрос, и как я, блядь, пожалел
а по TTGO T-Call, вопрос, он примерно раза в 2 дороже выходит если отдельно компоненты паять?
Да не. Просто заебешься скорей сам делать. Порой проще купить
Дио
Да не. Просто заебешься скорей сам делать. Порой проще купить
А что в нем для понимания кроме ESP32 и SIM800l ?
Дио
Видимо вопрос криво задал)
Простейший вопрос
А что в нем для понимания кроме ESP32 и SIM800l ?
Ну пара стабов. На разные напруги. Вроде пара транзисторов для согласования уровней.
Простейший вопрос
Видимо слишком простой что гуглился
Дио
Да гуглится все, просто чтобы правильно загуглить, надо понимать, что гуглишь
Дио
Вот только пишу про это
Дио
Хоть она не троллит
Ой я завязал с чатом гпт уже как несколько месяцев. Он порой такую дичь несёт
Дио
Ну бывает, но все же иногда лучше там спросить и перепроверить, нежели у людей