Конь Денвера
Да пхахахахаха
Конь Денвера
Alex
у меня нет переводчика с языка написанного на кортах
Конь Денвера
Tyt
http://images.myshared.ru/5/337667/slide_24.jpg
Конь Денвера
http://images.myshared.ru/5/337667/slide_24.jpg
Я щя йоптаскрипт учу
Tyt
Дак это совсем о другом. Языки ты можешь учить сколько хочешь. Это не про язык.
Alex
тут одно и то же на трёх языках
Конь Денвера
Конь Денвера
Дракон си)
Конь Денвера
Балумба си )
Конь Денвера
Конь Денвера
Tyt
Ты увидел блоки кода, раскрашенные. Заинтересовался. Ну я добавил блоки кода 😊 Правда не раскрашенные.
Конь Денвера
Я тут машинное обучение делаю
Tyt
Приближаешь аппокалипсис. Машины нас уничтожат. Когда осознают что им нужна энергия и вещество. А мы потребляем и то и другое.
Tyt
Значит мы конкуренты, значит враги.
Alex
Я тут машинное обучение делаю
а потом штарфы за обезьянку на стекле шлют .....
Конь Денвера
Alex
Alex
какой in восьмым можно?
GPIO0 нельзя. Если ты его положишь на землю при старте, то оно перейдет в режим прошивки
Лучше на выход используй, через реле низкого уровня
Alex
ок
ॐ मणि पद्मे हूँ;
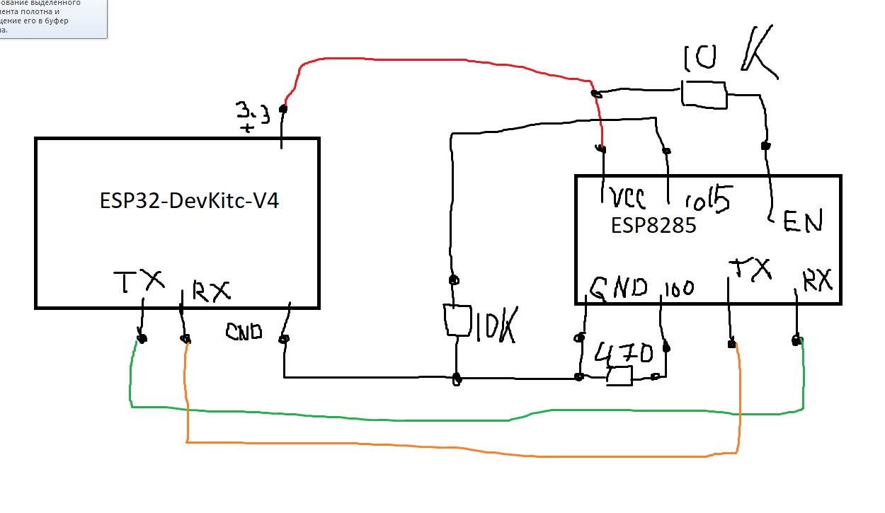
Добрый день. Помогите прошить есп8285 на столе. Не получается. Была платка нодемку м2, не могу найти. Сейчас в есть девкит есп32, сдул есп32, рх и тх цепляю проводками к 8285, зашить надо тасмоту, ну не шьет и все тут.
Ruslan
осцил на проводки и смотри
осцил на проводки и смотри
Да какой осцил. Он скорей всего забыл и gpio0,ch_pd,rst. Чего бы ему шится
Ruslan
ॐ मणि पद्मे हूँ;
Схему показывай
Сейчас попробую в поинте нарисовать.
ॐ मणि पद्मे हूँ;
А 8285 в каком виде?
ॐ मणि पद्मे हूँ;
Схему показывай
io0 не могу на массу затянуть, на нём усиленно 3,3 вольта сидит.
ॐ मणि पद्मे हूँ;
iҚØN🐾🐾
io0 не могу на массу затянуть, на нём усиленно 3,3 вольта сидит.
Ну а если консоль открыть то при старте 8285 он хоть что нибудь плюет на скорости 74880?
ॐ मणि पद्मे हूँ;
ॐ मणि पद्मे हूँ;
Ну а если консоль открыть то при старте 8285 он хоть что нибудь плюет на скорости 74880?
Где открыть? У меня открыт в хроме только вебинсталлер тасмоты.
Где открыть? У меня открыт в хроме только вебинсталлер тасмоты.
Попробуй еще ресет к плюсу притащить через резистор
ॐ मणि पद्मे हूँ;
Попробуй еще ресет к плюсу притащить через резистор
А на нём плюс сидит, внутренняя подтяжка.
А на нём плюс сидит, внутренняя подтяжка.
А вот гпио0 должен быть к минусу
Ну чтоб он перешел в режим прошивки на гпио0 должен быть минус
ॐ मणि पद्मे हूँ;
А вот гпио0 должен быть к минусу
Пишут да, но там серьезный такой плюс сидит. Кз выходит, резисторами не тянется.
ॐ मणि पद्मे हूँ;
А если затянуть без резистора?
Боюсь, давай, попробую
Если КЗ, то походу он дохлый просто
Не может быт там такого
ॐ मणि पद्मे हूँ;
Новые, две штуки
Не не надо 470 ом низкое сопротивление
Если там кз то че нибудь бахнет
Скорее всего стаб 3.3 на той плате
ॐ मणि पद्मे हूँ;
Подпаял....
ॐ मणि पद्मे हूँ;
Нет конекта
ॐ मणि पद्मे हूँ;
GPI0 на массу.
Ну вот можешь по этой схеме один в один соединить. Раз у тебя вся обвязка там есть, можешь даже DTR подключить он его сам должен дернуть либо кнопкой на той плате
Обязан работать
Чудес не бывает. Где-то ошибся. И хватит шить через браузер
Открой какую нибудь ардуину иде
ॐ मणि पद्मे हूँ;
Открой какую нибудь ардуину иде
Это сложно для меня. Надо установить, как-то настроить.
Ilya
Привет всем, А тут есть какая-нибудь биржа вакансий? У меня есть задача на разработку библиотеки для ESP32 S2/S3 для работы с USB-host.
Max
А шо, в ESP32 есть полноценный USB?
Max
Пора таблетки пить, вроде этот вопрос задавал
Max
Нету
Вот мне тож так казалось.
iҚØN🐾🐾
Да, писать юсб дескрипторы то еще удовольствие…
Ilya
Нету
А в доке пишут что есть, или я что-то упускаю?
Ilya
Можно ссылку?
https://docs.espressif.com/projects/esp-idf/en/latest/esp32s3/api-reference/peripherals/usb_host.html
iҚØN🐾🐾
В esp32 его нет. Есть в чипах s2/s3,c2/c3
Ilya
В esp32 его нет. Есть в чипах s2/s3,c2/c3
Я в оригинально сообщении и написал про S2/S3
iҚØN🐾🐾
Я в оригинально сообщении и написал про S2/S3
А я ответил на вопрос про чистый esp32 ;-)
Ilya
🤷
В esp32 его нет. Есть в чипах s2/s3,c2/c3
В с2/с3 тоже нет. Если речь про usb host
Serjio
чем с точки зрения памяти отличается конструкция uint16_t * utf16be_str = malloc(10); с последующим заполнением от от uint16_t utf16be_str[10] = {0x52, 0x65, 0x74, 0x72, 0x61, 0x43a, 0x443, 0x43a, 0x443, 0x443};
Serjio
хм. кажется, понял (чортов чатгпт!) - мало памяти выделял