Ага Wegabox By Wiliam )))
Я туда редко захожу. Но почему-то часто попадаю на два момента - либо он отмачивает хуйню и его либо банят либо вот вот забанили. Либо он уже вернулся и просит у всех прощения)
Ruslan
не в теме
Zord
не в теме
Гидропоника, плата, за мониторингом состояния, датчиков и управлением насосами для растворов. Интересная тема, хотел на даче запилить, но без сервака для начала, автономка
На соседней есп
https://github.com/WEGA-project/wegabox/blob/beta-0.11/src/setup.h Бля этот файл очень шикарен
Какой-то код функции зачем-то в аш файле и внезапно внизу продолжение инклюдов 🤡
Почему функция ОТА вообще в файле под названием сетап?
Сделать левую часть общей не... Ой бля
У меня аж глаз задергался
Zord
Как раз спасибо @EVP_07_KZ за бан черта, который оказался прям ненасытным, и в MySensors ребята даже помогли для разбора канал создали, но персонаж слился пока, и думаю на совсем. https://t.me/eeak_zord_fight батл тут, кому интересно может почитать. Кратко, товарищу была заказана разработка pH и EC на Tasmota и куча всего которое штатно заводится (Узнал позже) но ценник он начал задирать по максималке.
Ты прям его домашний адрес знаешь или там ящик какой нибудь?
Zord
Ты прям его домашний адрес знаешь или там ящик какой нибудь?
Все, я же ему плату отправлял, вернее 2, одна распаянная с сенсорами, вторая голая
Zord
Заплатил за доставку 4к, плюс часов 8, за несколько дней потратил на пояснение по работе с криптой.
Max
Поздно, крайний назначен
Zord
Что ты до меня докопался? Я не трогал я его
Ну его нету Он по каналам теперь бегает, пытается оправдаться, но железки вернуть отказывается)))
Ну его нету Он по каналам теперь бегает, пытается оправдаться, но железки вернуть отказывается)))
Че-то странная какая-то история ради 300 евро. Человек шкерится с железками в эстонии. Может он там драг металлы или просто драг нашел?
Zord
Вот ты тут ест :) можно и тебя забанить :)))
Ээээ, ну хорошо же сидели 🥺
Max
Пока в обнимку не придете - не пущать
Нее, там уже с меня 405 Евро, иначе я скамер. Депозит у него, железка тоже, но должен я)))
выяснится что там копипаста с гитхаба и чатагпт по тарифу сеньйора
лучше бы сереге из веги заказал бы
зато был бы повод поехать к нему настучать ему по морде... заодно и за его поведение в чатике
Zord
О кстати вспомнил одну штукенцию https://youtu.be/r0csHZveVvY
О кстати вспомнил одну штукенцию https://youtu.be/r0csHZveVvY
Это случайно не где у него "теплый пол на обратной стороне платы" ?
Zord
зато был бы повод поехать к нему настучать ему по морде... заодно и за его поведение в чатике
Неет, ты не понял идею сеВеги, есть основной разраб, а Вы тащите идейки, мы что важно к нижечку, неугодных будем опускать и выпинывать, а идейка то с нами форева, так и рождается бизнес. Люди вторая нефть.
Неет, ты не понял идею сеВеги, есть основной разраб, а Вы тащите идейки, мы что важно к нижечку, неугодных будем опускать и выпинывать, а идейка то с нами форева, так и рождается бизнес. Люди вторая нефть.
Я недавно читал категорию "фонтан идей". Чел ему предложил идею, и даже предложил участвовать (уже не вспомню какую) Так его давай серега хуесосить. Ему сделали замечание. Он обиделся и все потер
Потому что с точки зрения сереги - идея была хуйня
Zord
Потому что с точки зрения сереги - идея была хуйня
Это я сразу понял и пошел пилить без его участия, не хотелось быть хуйней)
Это я сразу понял и пошел пилить без его участия, не хотелось быть хуйней)
Причем у него же там есть админы. Судя по всему они видимо уровня сергей. Ибо если ты чуть умнее его - то ты хуйня)
Null
@Madzord я вчера все ваши сообщения снёс случайно и именно из-за одного про крипту какую то рекламу думал как то спамер пробрался в группу
Запах деды
Походу дедом пахнет, да
Вообще скриншот был мощный. Я сам сначала подумал что это хуйня. Но потом начал читать
Ну все, я обиделся, я ухожу((
Там кинули на 300 евро, тут забанили.. Бля(
Ты в полицию лучше не ходи. А то с таким везением там еще закроют случайно до разбирательств)
А чё не так
Да не, все норм
Zord
выяснится что там копипаста с гитхаба и чатагпт по тарифу сеньйора
Он сам показывал что юзает его, а после как хистори со мной потер, я понял что не просто так он это сделал)) Кстати есть еще один прикол в Tasmota он типа запилил что то DALI и ему дали звезду разраба, и я думаю ChatGPT там именно помог.
SSR
Я сколько смотрел по андроиду, но без умения делать руками, гпт не сильно то полезен
Null
А я сидел, изучал историю персонажа :))) а надо было просто грохнуть
Я Зря галку поставил удалить все сообщения пользователя )) все и удалились.
SSR
Но сам не трогал пока
SSR
А отката там в админке нет?
Сначала гос контакты нужны
https://t.me/eeak_zord_fight Тут все можно читануть, но чувак ливнул с чата.
А вижу. Он там тоже был оказывается. Просто не очень много он и написал
Zord
А вижу. Он там тоже был оказывается. Просто не очень много он и написал
Его пригласили админы, по человечески решить без ругани проблему и утрясти вопрос, со свидетелями
Его пригласили админы, по человечески решить без ругани проблему и утрясти вопрос, со свидетелями
Да я вижу. Почитал, он выдал скрин и убежал, ибо очень крутой и деловой. И вступал он вообще в технические чаты, но сбежал оттуда потому что они превратились говно. Какое совпадение, да?
Max
Почитал чатек. Жабогадючно как-то.
Serjio
кто-нибудь может объяснить, что это за массив с такими строчками { PERIPHS_IO_MUX_GPIO0_U, FUNC_GPIO0 }, похоже, это из esp8266, а как оно называется в esp32?
Serjio
и где лежит
В esp-idf есть HAL. Нахуя тебе это нужно?
Serjio
Переделываю библиотеку
Serjio
Софтуарт
Ну переделывай. Там названия другие. Это значит что на пин0 установить режим обычной функции
Евгений
Его пригласили админы, по человечески решить без ругани проблему и утрясти вопрос, со свидетелями
https://t.me/eeak_zord_fight/24 По мне так это много объясняет, я обычно не беру предоплату и если заказчик накидывает и расширяет ТЗ он идёт лесом, но время потрачено :(
Смирился с потерей времени и денег ? 🤡
То есть железка у него, код у него, часть денег тоже у него 🤡🤡
iҚØN🐾🐾
Я обычно фиксирую ТЗ на дату фиксации, предоплату беру, особенно, если mvp стоит денег (железо), если заказчик начинает менять ТЗ - опять фиксирую, плюс доплата за фиксы, т.к. этого не было оговорено в первоначальном договоре. Все нормально выходит.
iҚØN🐾🐾
Нечеткое ТЗ - результат ХЗ. Но это не проблема исполнителя.
Zord
https://t.me/eeak_zord_fight/24 По мне так это много объясняет, я обычно не беру предоплату и если заказчик накидывает и расширяет ТЗ он идёт лесом, но время потрачено :(
ТЗ не было расширено, он с ним ознакомился сразу после этого утвердили и поехали, на все вопросы отвечал.
Zord
Я про свои случаи
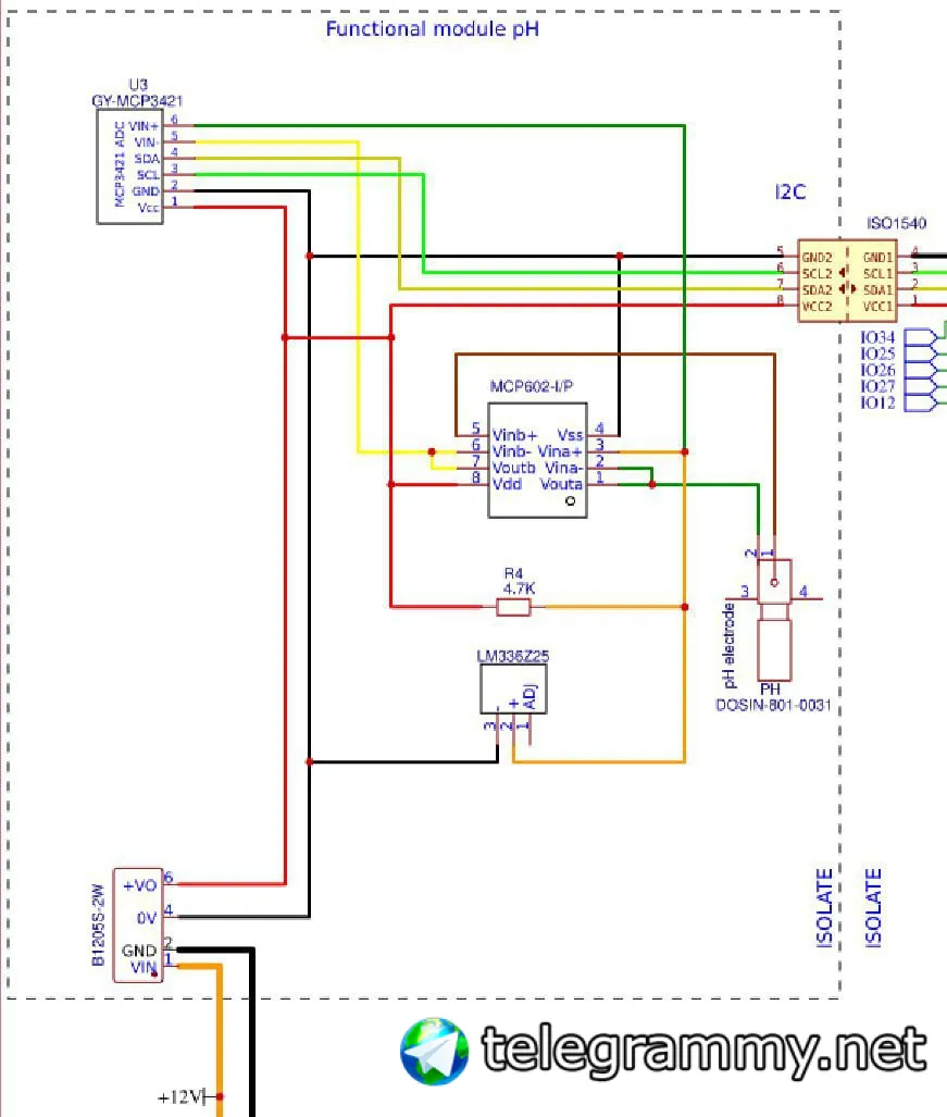
Вот что должно было разрабатываться по pH сенсору, ОУ MCP602 + преобразование АЦП MCP3421, и это все на готовую опенсорсную прошивку  Tasmota.
Zord
В ТЗ этот пункт описан был с исходниками, что смог нарыть, но я не кодер, и писать за него не могу. Плюс были либы у веги все эти уже. И ссылки на них🤷‍♂
Zord
Ну так это ж вырезка их схемы вегабокса, не?
Да, ему просто это надо было натянуть на Tasmota
Николай
Софтуарт
Зачем он, там три аппатаных?