Klaus
Не, мне бы напрямую
Напряму можно открыть на есп сокет ТСР и общаться через него
Anonymous
@mike_vladovski будет жить. Поприветствуем!
Mike
Группа привет! Можно на ESP8266 сделать проигрыватель online-радио?
Алексей
можно
Алексей
это на 32м емнип
ГришаGTGS
А на 8266 есть?
ГришаGTGS
Мне тоже интересна эта тема
Алексей
я находил на просторах инета, но руки не дошли реализовать
Klaus
А на 8266 есть?
Скорее всего можно сделать и на 8266
А на 8266 есть?
https://mysku.ru/blog/aliexpress/60521.html
все есть и в огромном количестве
Slava
https://pin.it/ljdfhtlddojful
Slava
Я в не русском не понимать, но всё же...
https://pin.it/ljdfhtlddojful
да IDE кому какое нравиться кто к чему привык. У всех разные вкусы. есть еще Sublime Text это не IDE но очень крутой текстовый редактор пришедший с MAC на винду.
Ruslan
VSCode + PlatformIO
kibastus
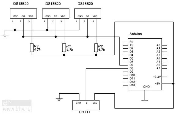
Подскажите кто знает про ds18b20. На проводе 50м не работает даже один датчик. Провод 4 жильный для сигнализации, в экране. Юзаю 3 провода, плюс, минус и дата, на три пина 8266. Чере 5 см от платы воткнул резистор 4.7ком, потом поменял на 5.1 ком. Не работает. Сделал полуметровый коорткий для теста - все работает. Поставил еще один 4.7ком резюк в конце кабеля. Ничего не поменялось. Что я делаю не так?
Alexey
50 метров?
kibastus
Да
kibastus
Исправил
kibastus
Хотя там меньше, 30.
Alexey
Курите библию https://www.maximintegrated.com/en/app-notes/index.mvp/id/148
kibastus
Курю. Внатуре библия. Много непонятных слов. Очевидно что на такой длине все должно работать, но нужно чтото ещк воткнуть. Я вообще не электронщик. Дальше резистора для меня дремучий лес, да и собственно что он там подтягивает я тоже не понимаю)
kibastus
The most successful implementation of this concept uses 150Ω resistors at each point where a stub is connected to the main trunk. This value reduces the mismatch at the connection point by about 20%, and attenuates the resulting stub reflections by about 40%. However, the added resistance also degrades noise immunity by about 80%, so caution must be observed. Tests have also shown good performance using 100Ω resistor values, which do not degrade noise immunity quite as much. Что-то похожее на правду. Только не понятно куда его втыкать, так же между датой и плюсом?
Алексей
А питание есп нормальное?
kibastus
Бп 5вольт,1000ма
kibastus
На конце кабеля вольтаж 3.3,как и должен быть
Алексей
У меня при хреновом питании вплотную работало, с метром кабеля уже нет
kibastus
А хреновость питания как понять?
kibastus
Есть еще с алика блоки
kibastus
kibastus
Сечас стоит просто блок от телефона или от чего-то еще
Alexey
Протестируйте кабель не на ESP, а на компе с USB-адаптером
Алексей
Вот у меня с верхним блоком и не работало
kibastus
Протестируйте кабель не на ESP, а на компе с USB-адаптером
А это как? У меня на есп прошива на питоне, вот я там через библиотечку опрашиваю датчики. А компом и юсб как?
kibastus
Может кроме резюков еще нужно конденсаторы какие-нибудь ставить?
Alexey
А это как? У меня на есп прошива на питоне, вот я там через библиотечку опрашиваю датчики. А компом и юсб как?
Такой адаптер http://robotchip.ru/obzor-preobrazovatelya-pl2303ta-s-kabelem/ Дальше есть драйвера и ПО подо что угодно
kibastus
Аа, прнятно. Я сейчас в поле на монтаже) придется без такой штуки обойтись
kibastus
kibastus
Нашел такую схему. Я подключаю резюк в начале и не в разрыв питания а между питанием и датой.
kibastus
На форумен нашел: У меня работает более 60 датчиков на витом четырехпарнике длиной около 100 метров.  1 - паразитное питание исключено 2 - питание - пара и сигнал - пара с землей ТО ЕСТЬ НАПРИМЕР питание +/-  з/бз и синал/земля о/бо 3 - подтяжка в конце линии 4.7 кОм 4 - в конце линии емкость 100 мкФ и керамика 0.1мкФ на питании применяется активный  покупной адаптор ( синий свисток http://www.ronsek.com/onewire.htm) Предполагается мощный USB по питанию, в противном случае USB HUB с внешним питанием. Кто-нибудь ставил конденсаторы?
Anonymous
@igorek_cii будет жить. Поприветствуем!
kibastus
А что такое внешний хаб?
kibastus
Вот у меня с верхним блоком и не работало
А дерьмовость питания это мало тока?
Alexey
А что такое внешний хаб?
У меня такой https://www.embeddeddatasystems.com/OW-SERVER-1-Wire-to-Ethernet-Server-Revision-2_p_152.html
Игорь
Господа! Кто-то занимался платой deauth на ESP8266 ? Подключаюсь по вифи к тд ESP, пинг идёт, но не могу зайти в конфигуратор. Буду благодарен, ежели ткнёте в букварь.
kibastus
Скорее пульсации
Попробую все блоки питания что есть, может угадаю
Игорь
Нужен таки букварь)
Что непонятно?
kibastus
Что непонятно?
Да, был разговор что в чатике нужно букварт сделать
kibastus
По вашей проьлеме все понятно, но опыта не имел. Только с ноута проводил такие операции. Зависит от прошивки. Если готовую на алике покупали то напишите продавцу, если шили сами, то автору прошивки на форуме или гитхабе
Игорь
Брал на Алике. Но долго не брался за нее - руки не доходили. Уже с продавана спрашивать сложно.
Игорь
Вот, копаю интернеты и чаты
Игорь
Ситуация сейчас такая: WiFi работает, DHCP-сервер ip раздаёт. Подключаюсь, но... дальше не отвечает.
kibastus
Да не спрашивать в смысле обвинять, а просто спросить в чем проблема. Мне пару раз помогали, даташиты высылал и прочее.
kibastus
Может там айпи выставтть нужно или пины замкнуть или еще чтото
Игорь
Ок, спрошу. Спасибо!
Egor
Ребят, хочу отправлять данные через RX2/TX2 (ESP32) веб-интерфейсу, чтобы отправить данные используется Serial2 так как он работает с этими пинами, данные отправляются только если замкнуть эти два пинами, как затригерить их программно?
Indr1x
Всмысле замкнуть? Между собой что ли замыкаете?
Egor
Всмысле замкнуть? Между собой что ли замыкаете?
да, а по другому не отпрвляется, я знаю, что это плохо, но как иначе?
Indr1x
Ну если читаете из Rx веб интерфейсом то да, как то данные должны туда попасть т.е.из Tx
Egor
я подключил анализатор, чтобы смотреть, что сообщение вообще отпарвляется, так вот пока не замкну, оно не отправится
Yuriy
Веб морда, если не jquery-mobile, то что? Чтобы мало весило и красиво :)
А
espui
А
хз как по тяжести но мне понравился функционал
Алексей
Поздравляю
kibastus
Спасибо)
Resident
Всего то подтяжка нужна была по лучше
Resident
😂
CMy3u🐈
Кто нибудь с выключателями sonoff имел дела?
Slava
Кто нибудь с выключателями sonoff имел дела?
я, результат экспериментов неудовлетворительный, не стоит рассматривать соноф как объект для написания своей прошивки. Если использовать выключатель соноф по назначению - проблем нет.
Алексей
espeasy на сонофы ставится без проблем
Алексей
но выключатели не пользовал