Anonymous
Volodymyr будет жить. Поприветствуем!
Anonymous
@Andrey_Vlasov будет жить. Поприветствуем!
кто нибудь использовал сенсорные модули TTP223 ?
Алексей
я пользовал
Sergey
Да, отличная штука
Какая логика у них работы? Я так понял этот модуль нельзя напрямую использовать как кнопку
Через оптопару пропустить для эмуляции кнопки?
Извиняюсь уж за оффтоп опять )) Есть микроволновка в ней кнопки из двух пленок с токопроводящим напылением. Хочу в место них поставить эти модули
напыление почти разрушилось от механического нажатия
Дмитрий
Смотря что этим модулем комутировать, светодиодик он тянет
Схема примерно такая
Смотря что этим модулем комутировать, светодиодик он тянет
А по умолчанию он комутирует на землю или на плюс?
Без перемычек
Дмитрий
А по умолчанию он комутирует на землю или на плюс?
Там можно выбрать режим, лучше глянь в даташитах
Алексей
без перемычки высокий
Алексей
и без перемычки кнопка
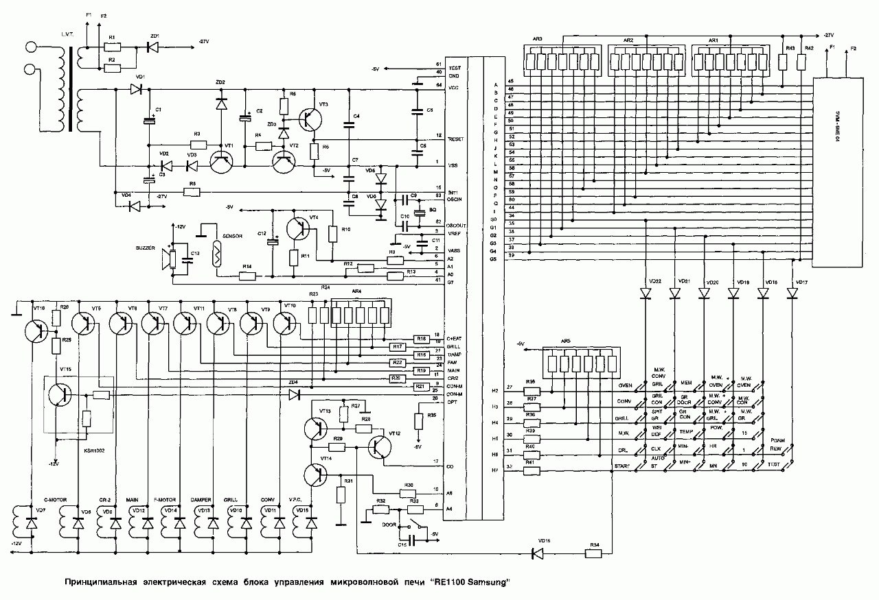
спасибо пока не знаю какой на кнопках уровень положительный или отрицательный схемы нет к сожалению именно от моей микроволновки.
если без транзистора воткнуть сигнал идет через 4 резистора прямо на процессор ks55c370b-12
Смотря что этим модулем комутировать, светодиодик он тянет
У меня еще вопрос. Как модуль будет себя вести если приблизить палец (нажать) и держать не убирая?
Anonymous
Keldy Neldy будет жить. Поприветствуем!
Андрей
У меня еще вопрос. Как модуль будет себя вести если приблизить палец (нажать) и держать не убирая?
У меня на этих модулях сделаны выключатели освещения. Если прикоснуться к сенсору и держать долго то выход изменит свое состояние ( перемычкой включен режим триггера). Надо держать больше нескольких минут, тогда сенсор учтет новую ёмкость и ее скорректирует
Андрей
Читал что даже можно шим сделать (диммер) для освещения
У меня проще сенсоры, БП на 5 вольт и твердотельные реле
Алексей
кстати, а диммер на ESP с регулировкой по продолжительности нажатия никто не делал?
Читал что даже можно шим сделать (диммер) для освещения
https://habr.com/ru/post/411263/ с сенсорной кнопкой
Anonymous
Николай Шмидт будет жить. Поприветствуем!
Anonymous
@yaruslan будет жить. Поприветствуем!
Алексей
Вот, наткнулся https://www.electrodragon.com/product/energy-meter-hlw8012-breakout-board/
Алексей
имхо очень вкусно по цене
Николай
если не сложно, в двух словах , что это?
Алексей
Измеритель напряжения, тока, мощности
Алексей
Тo, что стоит в sonoff pow
Николай
спасибо. ок
Николай
я вот пытаюьс ка-радио32 собрать, но еще не решил, каким образом, не хочется кучи проводов
Николай
хочу соединительную плату у китайцев заказать
Николай
5 штук делают за 10 долларов
Художественное
Вот, наткнулся https://www.electrodragon.com/product/energy-meter-hlw8012-breakout-board/
pzem-004 себе брал. с ком портом и дисплеем. правда подороже.
Художественное
Художественное
на али
Алексей
PZEM у меня отлично трудится не первый месяц. Правда в варианте 004, без дисплея. Дисплей я сам к нему прикрутил. Но он мало того, что сильно дороже, он и сильно больше
Anonymous
Chaha Ra будет жить. Поприветствуем!
UR5TLZ Eugene
Привет ! Кто то мастерил одноканальный гейт LoRaWan на ESPшке но так чтоб с поддержкой downlink
UR5TLZ Eugene
?
Алексей
какой-то адов ценнег
вот это цена! 100р китайский модуль
я просто в шоке от их цен
Алексей
совсем озверел черный абдулла (С)
Николай
Николай
Или
Николай
Николай
Для карадио32
Николай
?
Николай
Что лучше?
Николай
Флешка понадобится для этого или она бесполезна?
Роман
https://s.click.aliexpress.com/e/cUF2bSEW
А
Привет. Есть чипы esp8285 - более модный аналог esp8266 - есть какие то варианты защиты прошивки от скачивания?
Anonymous
@shadow_dreammer будет жить. Поприветствуем!
Алексей
А чем он более модный?
А
А чем он более модный?
например тем что у него сразу флеша на 1м, вдобавок у него лучше энернго потребление
Алексей
На есп12 4 мб
А
На них помоему нет шифрования по этому ни как. Esp32 используйте
Подтверждаете опасение. Подскажите тогда второй вариант. Есть 12 абсолютно одинаковых устройств, хочу что бы хитрый юзер не сделал 13 сам, а продолжил заказывать их у меня.
А
На них помоему нет шифрования по этому ни как. Esp32 используйте
Моя идея заключается в том что бы проверять ID чипа, и при первом запуске писать его в епром, а потом сверять он это или нет.
Алексей
Насколько я помню, в том же сонофе прошивка привязывается к ид
Алексей
Но, имхо, это вообще противоречит идеологии есп
Есть еще одна идея вам надо свой загрузчик с поддержкой криптографии
Алексей
Да, и ничего не помешает пользователю взять другую прошивку с не меньшим функционалом
кас
Алексей
Это 8266
Я знаю
Николай
https://s.click.aliexpress.com/e/cUF2bSEW
Всмысле вот эта лучше для карадио? Если можно, почему?
А
Есть еще одна идея вам надо свой загрузчик с поддержкой криптографии
Это кажется очень большим геморлем. Мне кажется проще привязывать id как я писал выше к еепром. Естественно через какую то формулу, для усложнения считывания. На сколько считаете нормальным это решение?
Всмысле вот эта лучше для карадио? Если можно, почему?
Для интернет радио не требуется какой то специфический модуль. По ссылке цена более менее чем у вас ))
А
Всё понятно
Николай
Для интернет радио не требуется какой то специфический модуль. По ссылке цена более менее чем у вас ))
Хотелось бы чтобы она поменьше затыкалась в следствие слабой буферизации. И могла работать с более информативными дисплеями, возможно сенсорными.
Sergio
На есп12 4 мб
внешней 4м)