Leonid
Предполагаемый out квадратный. Подозрительно. Поизучайте ещё.
Роджер
I love esp32
Andy
Подскажите пожалуйста неопытному, есть такой китайский преобразователь повышающий напряжение в 5в V1 это вход или выход?
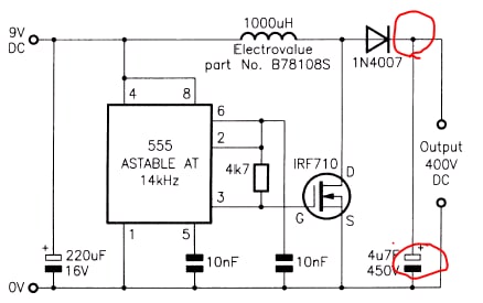
Т.к. диод на выводе Vo, то это 100% выходной контакт. На другой стороне платы скорее всего еще конденсатор должен быть. Что-то типа такого
Роджер
Как думаете у нас будет рост производства электроники. есть смысл покупать акции селигара. они как раз добывают и реализуют лолово на местном рынке. Как думаете покупать или нет акции?
EAgold
можете подсказать, почему при комиляции этого http://linkode.org/#G2vzyV8CU7E1OurkulRRL1 кода ошибка Error compiling for board LOLIN(WEMOS) D1 R2 & mini ? ошибка происходит из-за строчки 300 или 308, там что-то не так, но что, компилятор конечно не пишет если скажете что код полное говно и надо сделать все иначе я охотно с этим соглашусь, подскажите как сделать нормально изначально в классе ConnectionManager были метод setup и onUdpPacket, но в udp.onPacket нельзя передать не статическую функцию, если сделать метод onUdpPacket статическим и httpIp и handler надо делать тоже статическими по этому решил сделать отдельными функциями
Alexander
Преобразователь вместо 3.3v выдаёт 3.5v, как думаете Wemos D1 mini v3 переживет такое питание или не?
Alexander
На преобразователь конечно же) Нахер мне вемос
https://sl.aliexpress.ru/p?key=7KIfFm
А что на микросхеме написано?
Alexander
Я думаю под нагрузкой оно просядет. Это холостой ход же
Alexander
Спасибо за фотки. Точно такие же убогие фотки и у продавца)
Вот тут что написано?
Alexander
Alexander
Да диод мне не нужен блин)
Увидел ME2108
Alexander
А зачем есп надо питать от батареек вообще? Почему не литий?
Alexey
Может это батарейки 3.5 выдают?(а StepUp выдавать меньше входного не может)
Alexander
А зачем есп надо питать от батареек вообще? Почему не литий?
Эксперимент сколько протянет и сможет ли адекватно раз в сутки отстукивать
Может это батарейки 3.5 выдают?(а StepUp выдавать меньше входного не может)
Батарейка 1,5 вольта выдает в холостом ровно 1,5 вольта
Может это батарейки 3.5 выдают?(а StepUp выдавать меньше входного не может)
Это микруха без обратной связи. Я думаю это тупо напряжение на холостом. Под нагрузкой станет каким надо +-
Alexey
Батарейка 1,5 вольта выдает в холостом ровно 1,5 вольта
Вспомнился анекдот про размер презервативов, где одни опрашивали, а другие измеряли. Вот лучше померить...
Это первое о чем я подумал собственно. Но вспомнил что нет, они больше 1,5 не умеют
Alexey
при каких-то условиях выходное может быть больше 3.3В...
Да херня этот преобразователь. Извращение какое-то ей богу. Проще взять есп со встроенным модулем для лития, а не вот этим извратом заниматься
Nikita
@dmitrii_serviceiotcc поднимая древнюю тему ble. Установил espidf, взял у них пример сервера скомпилировал, если правильно перевел значение то получается около 600кб. Куда они деются?)
Nikita
Когда читаешь документацию надеешься на 64кб, ну может быть + 200 так как обязывают подключать rtos , ещё всякая мелочь но по итогу я вижу 600 вместо ≈300
Nikita
Ну я так, как в первый раз потрогал.
Nikita
Скромно)
Ну потрогай. Там много что еще можно включить/отключить. В том числе поддержку ссл
Одна только поддержка ссл кушает нехило
Nikita
Спасибо тебе, добрый человек. После работы буду разбираться.
Nikita
Есть какая-нибудь ориентировка о том что можно отключать а что нет. Очень уж страшно выглядит меню
Nikita
?
600-800 кб это не так уж и много. А так соглашусь, я бы там прокутил много чего. В том числе и строки дебага если выкинуть то будет еще лучше
Nikita
Понял
Понял
Если заморочится и выкинуть из idf еще и такие ошибки, то будет вообще шикарно
Serg
Преобразователь вместо 3.3v выдаёт 3.5v, как думаете Wemos D1 mini v3 переживет такое питание или не?
А может попробовать напрямую от 3В запитать есп, вроде должна работать.
Ruslan
Уже получаю, проблемы в CMUX
Andy
Преобразователь вместо 3.3v выдаёт 3.5v, как думаете Wemos D1 mini v3 переживет такое питание или не?
Нагрузите чем-нибудь, хотя бы светодиодом последовательно с резистором. Упрощенно дело в том, что на холостом ходу конденсатор не успевает разрядится и немножко "поднимает" напряжение на выходе
Ruslan
камрады, как заставить компилятор оставить мне долбанные макросы в развёрнутом виде, которые написаны для esp-modem API?
Алексей
камрады, как заставить компилятор оставить мне долбанные макросы в развёрнутом виде, которые написаны для esp-modem API?
В смысле? Компилятор ничего с макросами и не делает. Это если к запятым придираться.
Anton
кстати, правильно настроенная правильная иде должна уметь подсказывать как именно разворачиваются макросы и переходить к их объявлениям
Ruslan
В смысле? Компилятор ничего с макросами и не делает. Это если к запятым придираться.
компилятор точно умеет макросы преврашать в полноценный код, я просто не помню ключики
Алексей
Я же говорю, если придераться к запятым. Макросы разворачивает препроцессор. Да, он часть компилятора. Есть ключи, чтобы сохранить файл после препроцессора.
Ruslan
да как esp-modem работает не знаете, к запятым они тут придираются )
Алексей
Я знаю, как компилятор работает :)
А зачем нам знать как работает esp-modem?
Достаточно знать как работает препроцессор/компилятор/линкер
Ruslan
Я знаю, как компилятор работает :)
я тоже, но терминология в данном случае особой роли не имеет
А ты в свой крутитор замка симкарту решил запихать?
Алексей
Это вспомнилось. Препод института по химии, специалист по электрохимии, сдаёт на права. Гаишник спрашивает, как работает аккумулятор. Ну химик рассказывает, со всеми процессами. Гаишник экзамен не принимает, потому что аккумулятор работает так, туда подают напряжение, он заряжается, потом его отдаёт. (дело было ещё в СССР)
Судя по всему он уже забанен. не находит твой канал
Ruslan
А ты в свой крутитор замка симкарту решил запихать?
у меня не только крутитор, там вся инфраструктура
Ruslan
Нет
у меня VSCode )
Anton
Мне не нравится платформио
Ruslan
а у меня его там нет
Ruslan
камрады, а какой правильный путь для сборки примеров из esp-modem?
Ruslan
блин уже забыл как там ветку ESP-IDF менять ... в этом VSCode )