Или 6.0
Что такое офис 6.0 ? Ворд был. Офиса такого небыло
Блин вы написали про 3.11 и тд и аж подрочить на это захотелось... Поставить что-ли в виртуалку...
Mike
интересно ESP32 сможет в 3.11 или в полусь ?
romanetz
с PSRAM, но проблема с видео
romanetz
компы под винду имели памяти метров 16
romanetz
ну и MMU
romanetz
Mike
видюху VGA я на ESP32 видел
Mike
https://www.youtube.com/watch?v=P_kpwbIkFjo
Sid
видюху VGA я на ESP32 видел
Там вроде несколько есп, одна как видео, 2 как цпу что бы менюшку рисовать
Евгений
Читал вчерашние пьяные писания.. Много думал... В очередной раз зарекся сидеть пьяным у компа.
Евгений
Синька зло!
Ну я бы не был столь категоричен, но вот излишнее злоупотребление безусловно не относится к категории добра.
Alexander
Кто-нибудь сталкивался с возмутительно слабой производительностью wifi esp-wroom-32? Сама плата подключается к роутеру хорошо, даже через стену, но подключаемые к ней устройства страдают: вплотную айфон показывает полный сигнал, на расстоянии метра падает в слабый, на расстоянии 2-ух метров уже не работает. Между нами нет никаких препятствий, модуль в прямой видимости. Прошивка https://github.com/martin-ger/esp32_nat_router Скомпилил - залил. Ранее используя platformio в конфигурации одного из проектов снижал частоту cpu, в прошивке репитера указал обратно на 240mhz, думал может в этом дело
EAgold
Фух, слава богам
sudo apt remove brltty решило все мои проблемы 🙈 в dmesg | grep tty было совершенно ясно написано ch341-uart ttyUSB0: ch341-uart converter now disconnected from ttyUSB0 то-есть он подключал и сразу отключал плату, не знаю почему я этого не понял сразу
Dima
Привет, есть какой то пример работы ESP32 с Modbus RTU?
Dima
Столкнулся с проблемой что плата RS485 подключена к тому же UART что и USB и я не могу запустить отладку так как уарт занять передачей данyых на плату rs485
Dima
Dima
так поменяй Уарт
Так он же только один
Georgiy
а какой контроллер?
Georgiy
модель
Dima
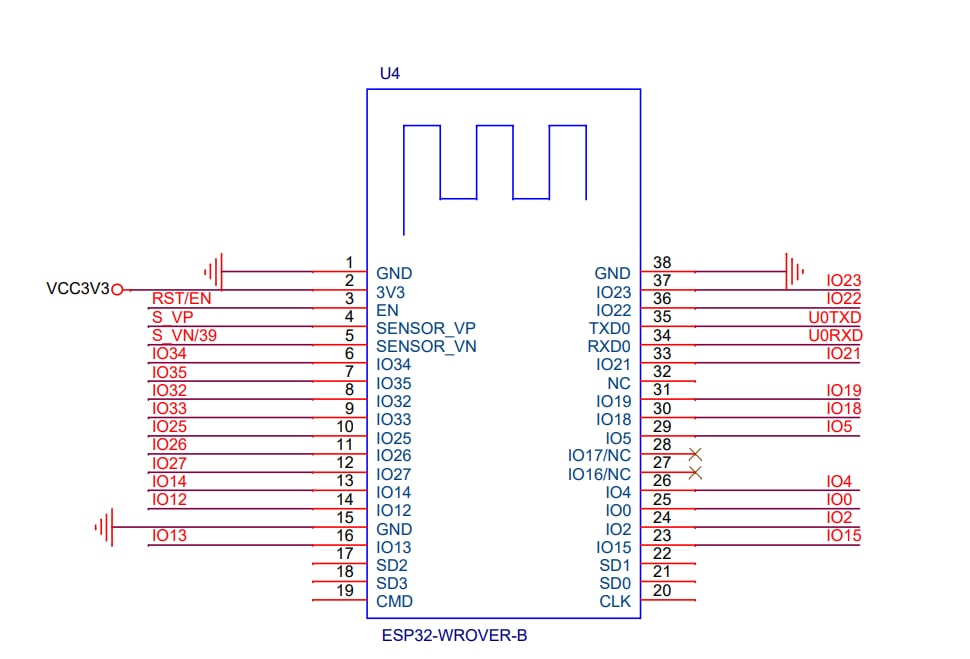
Wrower B
Georgiy
Dima
Второй распаян на Tsim7600
Georgiy
Wrower B
в твоем модуле какой контроллер стоит? esp32, esp32s2 s3, c3
Dima
больше на нем ничего не написано
Georgiy
больше на нем ничего не написано
у тебя в sdkconfig должно быть написано скорее всего это обычная esp32
Georgiy
и там должно быть 3 апаратных уарта
Евгений
и там должно быть 3 апаратных уарта
Судя по последней картинке - 3й порт не куку
Mr.Mait
Можно на свободных gpio реализовать софтовый уарт
Евгений
больше на нем ничего не написано
IO16-17 это третий, выведи на 485 с этих контактов
Евгений
Можно на свободных gpio реализовать софтовый уарт
Если либа 485го, позволяет свободно менять пины
Dima
ну 16 и 17 на гребенку не выведен
Mr.Mait
Если либа 485го, позволяет свободно менять пины
Можно дебаг в софт сериал выводить
Mr.Mait
А 485 на месте оставить
Dima
там реально ничего нет
Dima
Dima
я такой штукой на STM32F405 занимался когда мне уартов не хватало
Dima
а вот как тут это сделать я хз
Евгений
ну 16 и 17 на гребенку не выведен
А к модулю ESP припаяться низя?
Dima
А к модулю ESP припаяться низя?
можно но некрасиво получиться, и там походу нету 3го уарта судя по даташиту
Mr.Mait
нужна либа СофтСериал?
У есп не знаю, я делал свою реализацию для attiny40 на таймерах и прерываниях. Чисто был 1 пин tx
Dima
я читал что дебаг можно даже по wifi делать
Georgiy
ты можешь переназначать все пины уарта просто по дефолту они стоят UART_PIN_NO_CHANGE
Dima
Я что то не нахожу что там на 16,17 ещё один уарт есть
Georgiy
Я что то не нахожу что там на 16,17 ещё один уарт есть
то что ти смотришь это дефолтная настройка
Georgiy
прочитай про функцию uart_set_pin
Dima
Диванный Оракул
Нужна помощь. Пытаюсь прошить esp32 через flash download tool. Но после прошивки софт не запускается. Где я ошибся?
Dima
Хотя я так понял что они есть просто их не расписали в даташите
Georgiy
Хотя я так понял что они есть просто их не расписали в даташите
скорее всего просто используй другие доступные пины настрой 3тий уарт и переназначь ему пины
Dima
Странно что китайцы не вывели 3й уарт
Диванный Оракул
Странно что китайцы не вывели 3й уарт
Так второй и третьий уарт подключаемый к любому gpio, если я правильно помню.
2319
Чем больше смотрю на диалоги, тем больше кажется, что задач нет для текущих возможностей. Да же малютки есп32 превышают большинство задач. Никто не может ничего придумать. То удаленный мониторинг Т и влажности, то глазки на двери, то еще хрень мелкая(
Dima
Так второй и третьий уарт подключаемый к любому gpio, если я правильно помню.
Типо программно тут 3 уарта но я могу их назначить на любые пины
Dima
Относительно любые*
2319
Это точно, хотя... Можно навертеть
Да по жизни вертеть нечего. Поддержание Т в теплицах? Счетчики чегото там? Дверные глазки?
2319
Это точно, хотя... Можно навертеть
Ну использовал я на 32й все пины и что, на S3 задач нет!
Диванный Оракул
Типо программно тут 3 уарта но я могу их назначить на любые пины
Первый привязан к конкретным ногам. А второй и третий вроде нет. Я честно говоря сильно не вникал. Но при инициализации второго и третьего указываются порты tx, rx. Вот тут пример: https://community.blynk.cc/t/esp32-dev-module-connecting-to-blynk-cloud-com-80/56887
Dima
Контролер который хорош для своего уровня задач
Влад RZ6AT
Подскажите, пожалуйста, какой битик в каком регистре ESP32 надо сбросить во время обработки прерывания от медленного ядра к быстрому командой I_WAKE() в данной тестовой програмке, когда никакое ядро не спит, чтобы прерывание не происходило дважды, как показано на осциллограмме пина 27?
Влад RZ6AT
Влад RZ6AT
Евгений
Контролер который хорош для своего уровня задач
Только большинство ковыряют им в песочнице :)
Евгений
Ну использовал я на 32й все пины и что, на S3 задач нет!
У меня есть альтернативный контроллер для приборной панели авто, там 16 битный spi дисплей, то есть 20+ пинов ушло
Dima
Только большинство ковыряют им в песочнице :)
ну а что его на атомный реактор ставить или в космос запускать)
Dima
я видел уже много серийных устройств в которых стоит esp32
Dima
я помню время когда мы с 32 меги перешли на Stm32F100 и нам казалось что это как манна небесна и лучше контролера не найти