Lucifer
Ну места очень мало) настолько что чтоб все уместить думаю от 4 до 6 слоев плату делать)
Lucifer
Lucifer
собственно на подобном чипе
Lucifer
Lucifer
вот в сравнении с самым маленьким дс-дс который только видел)
Lucifer
Собственно чип в сравнении с atmega328 и stm32f103c6t6
Ruslan
Делаешь крупное устройство, затем ищешь инвестора на правильное
Ruslan
Что за устройство?
Lucifer
Lucifer
блютуз градусник 😄
Lucifer
зачем? просто по фану, как пример устроства от печатни)
Lucifer
в принципе мелкую серию (если для комерции) и сами в силах организовать без инвестора)
Lucifer
неее, идея в размере
Ruslan
в принципе мелкую серию (если для комерции) и сами в силах организовать без инвестора)
И сертификатами покрыть и правильно в налоговой отчитаться?
Lucifer
тем более от прошлого проекта остались эти чипы)))
Lucifer
И сертификатами покрыть и правильно в налоговой отчитаться?
некоторые вещи не поделжат обязательной сертификации)
Lucifer
так вот что за дс-дс может поместится в области 10х10мм? и потянет питание есп32 который в принципе оч прожорлив?)
Alexey
маленький DCDC это SOT-23-5 или SOT23-6, но не самый маленький. есть и меньше корпуса, только паять их проблематично. есть сразу микросхемы с интегрированной индуктивностью(правда не пользовал, но у https://www.torexsemi.com/ такие видел) .
Lucifer
про налоговую решил не отвечать )
так не комерция же) единичное устройство)
Lucifer
10х10х10
10х10х10 дофига будет наверное
Lucifer
ну 10 в высоту
Ruslan
да нормально, тебе же не скрытно измерять
Lucifer
там еще надо аккум и дисплей уместить
Lucifer
хотелось бы в корпус размера ртутного термометра уместить)
Alexey
https://www.torexsemi.com/file/xcl202/XCL201-XCL202.pdf
Lucifer
ути какая прелесть, спасибо)
Lucifer
осталось глянуть наличие в чип и дипе)
Ruslan
DC/DC CONV, 1V, 0.4A, 1.2MHZ, 85DEG C Продается поштучно.
Ruslan
206₽
Ruslan
но в наличии нет, поставка из США
Ruslan
и надо штуки три в параллель ставить для моих задач
Ruslan
2201,00 p от 1 шт =2'201,00
Lucifer
этож зач тебе ток в 1 ампер?) тогда проще нормальный дс-дс поставить)
Lucifer
и я чет другие цены вижу, максимум 500р за шт
Ruslan
ну вот LM1117 выжигалась на раз
Lucifer
оО
Lucifer
тож верно
Lucifer
линейник очень много жрет?
Lucifer
1117
Ruslan
да вроде нет, но в то время - мне не помогло, видимо esp32 жрала или косорукие монтажники что-то удачно коротили
Lucifer
есп может до 0.4а жрать так то
Lucifer
линейник 1117 тянет до 0.8а
Алексей Кузнецов 🦔
линейник 1117 тянет до 0.8а
При каком охлаждении и выделяемой мощности?
Lucifer
хз, ни разу не сталкивался с нагревом амс1117 хотя всегда их исп
Lucifer
мощность 0,3А максимум
Lucifer
большая часть времени в режиме сна)
Lucifer
ну чип
Ruslan
мощность 0,3А максимум
видимо из-за этого
Bez
А как защитить dc-dc от обратки? Когда прошиваю есп32 то хотелось бы использовать 3,3в от прошивальщика ,но есть риск сжечь dc-dc
Ruslan
тоже заморачивался, потом подумал, а смысл, пусть питается от питалова как и должно
Ruslan
а так, диодиком или перемычкой
Bez
а так, диодиком или перемычкой
Диод же сьесть много. А у меня с 12в сразу 3.3 делается. Вот перемычка только и приходит в голову. Либо мудрить схему дополнительно
Ruslan
перемычку в колодке прошивателя, если она есть то размыкать транзюк после DCDC
Ruslan
ну или микрокнопку на размыкание в колодке для прошивальщика - максимально тупое и надёжное решение
Serg
блютуз градусник 😄
А размер аккумулятора и экрана какой будет?
Serg
А то как с теми часами в ералаше будет.
Ruslan
)))
Serg
Ну по мне так есп, не для батарейныйх девайсов, особенно в мелком корпусе.
Serg
Не ну чё, на BTLE можно повыё... Но смысла нет.
Вот и я не могу понять смысла жрущего девайса с экраном и в мелком корпусе куда не влезет аккумулятор.
Bez
как? в конструкции дс-дс и так есть диод который ток в обратку не пустит
Была платка дсдс и вроом на прототипной Так вот если прошивать через юсб то сгорал и дсдс и сама плата. Размыкал + и все норм. А недавно тут писали про эту проблему
Dmitry
Всем привет Импользует кто нибудь esp32 серийно? Хотя-бы сотнями? Вопрос вот в чем, идёт серия 100 шт например, и в нескольких из них начинается проблема с wifi, просто перезагружается модуль и все при включении wifi, без wifi все работает. Полагаю какой нибудь брак, встречается что то подобное? Тестировать каждый очень долго на предмет работы wifi. Думаю как быть, заливать прошивку тестовую, которая включает wifi и уже по воздуху обновляется на нужную. Сталкивался кто нибудь с подобным?
Lucifer
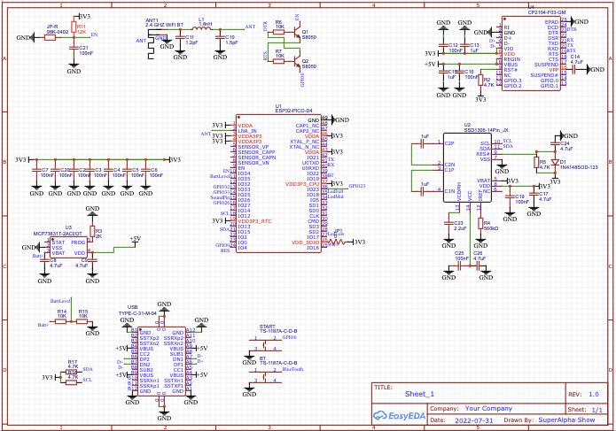
гыг, сложный термометр) а это еще без питания схемы и без датчика температуры)
Lucifer
Имеет ли смысл в двух ds18b20 для точности измерений? Можно ли их самостоятельно каллибровать? И действительно ли так они точны?
Lucifer
А что например?)
Lucifer
Бесконтактной не хочу, а это самое точно что слышал)
Lucifer
Ntc сразу в топку ибо разводить аналоговое питание и аналогвую землю не хочу, да и точность такая се
Жексон
А где мерять то надо?
Lucifer
Температуру тела
Жексон
Температуру тела
Ну точно не 1820.... :)