w
Второй вопрос - цепляю на io2 оптопару с резистором и есп не грузится, мусор в сериал, отчего?
Леонид
Второй вопрос - цепляю на io2 оптопару с резистором и есп не грузится, мусор в сериал, отчего?
потому что наверное это пин отвечающий за загрузку. посмотрите документацию на ваш есп
w
потому что наверное это пин отвечающий за загрузку. посмотрите документацию на ваш есп
В открытом доступе очень маленький обзорный документ, в нем практически нет инфы
w
IO0 понятно, активация бутлоадера. Пробовал подтяжку, не помогает
w
См инфу на сам мк
Я про 8285 и говорю
w
gpio13 не используется в буте
w
Он просто не работает как выход
Евгений
А мы про бут и бут пины
w
А мы про бут и бут пины
Мы и про то, и про другое
Евгений
А мы его упоминали?
Евгений
Вот
Это я видел, на него кто то ответил?
w
Нашел даташит, в нем io13 как обычный io. Наверное, просто сдох, поменяю модуль
w
Заюзал пин txd, сойдет
w
Будет розетка с алисой
romanetz
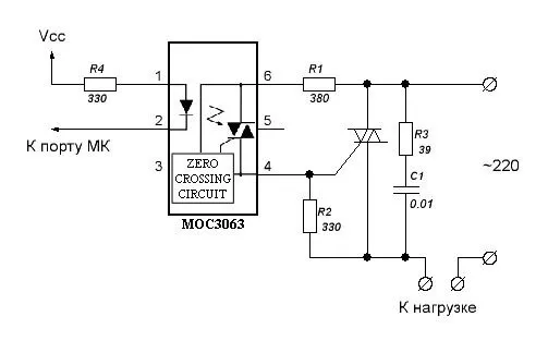
А 4 штуки то220 это что?
w
Симисторы, бт138
w
Радиатор надо блин надыбать
romanetz
Релюха не?
w
Да чё было, то и залепил
w
Под мелкую нагрузку пойдет
w
Работает)
Евгений
Махмуд, поджигай!
Serg
Работает)
А зачем четыре канала если взе розетки на одной шине?
romanetz
Махмуд, поджигай!
Алиса, включи! Алиса, выключи! И так сутки подряд ) ну вот оно и загорится
w
Вот например
w
Чето блок питания самодельный жжот симисторы, даже если воткнуть в отключенный канал)
w
Там 36в с Али блочок на 9а. Не вывозит симистор, чтоль
romanetz
У него там есть ограничение тока при включении?
romanetz
Типа хоть зарядный резистор, хз
Anonymous
Алиса, включи! Алиса, выключи! И так сутки подряд ) ну вот оно и загорится
Это как раз тот случай, когда нет стоящих идей применения мк.
romanetz
w
Вот так делал
Anonymous
Фуфло одно: термометры, гигрометры...
romanetz
romanetz
Вот так делал
К тиристору вопросов нет, а вот к бп
Anonymous
Вендинговый автомат?)
Прошу не выражаться!
romanetz
Фуфло одно: термометры, гигрометры...
Esp32-s3 eye морду лица распознаёт
romanetz
Прошу не выражаться!
Это устойчивое выражение
romanetz
Торговый автомат, короче
Anonymous
Esp32-s3 eye морду лица распознаёт
А вот это интересно.
romanetz
А вот это интересно.
Ну борда есть на алике
romanetz
С usb можно че-нить начудить. Миди синтезатор, например. Памяти и проца должно хватить на некий аналог sb awe32 )
Anonymous
Ну борда есть на алике
Такую штуковину приспособить для доступа в квартиру, это была бы достойная разработка. Особенно летом, частые открытия- закрытия замков заколебало.
romanetz
Ага, легко сказать. Дверь фирменная, ломать?
Есть фирменные со встроенными эл.-мех. замками
Anonymous
Есть фирменные со встроенными эл.-мех. замками
Я тут с Лорой мучился, так год пролетел. Всё делается, но ресурс времени....
romanetz
Есть фирменные со встроенными эл.-мех. замками
Но это уже дороже ) зато всё по красоте
Вот так делал
Просто линию розеток вкл-выкл и все?
Anonymous
Но это уже дороже ) зато всё по красоте
Ну понятно, закажу дверь тыр на 200 и заменю свою тыр на 100. Неее, брат, это хрень. Результат от Лоры получил, устойчивая связь в городской застройке 2,5 км.
Anonymous
На стоковых мощностях и антеннах?
Нет. Харченко, высота антенн 2-й этаж 10-этажки.
Anonymous
Мощность разрешённая.
Симисторы под с али еще?
romanetz
Нет. Харченко, высота антенн 2-й этаж 10-этажки.
На штатных пиписьках модулей метров 600-800 у меня получалось. Одна антенна в руках (метр от земли), вторая метров 5 от земли. В принципе, результаты похожие.
Anonymous
Было бы интересно закинуть антенну на крышу
Anonymous
Тогда уж с модулем вместе
Да, + не Харченко, а волновой канал + усилитель.
w
Что за самодельный блок питания на 36в с али?
Ну блок недорогой на 36в, xl4016 регуль, измеритель напруги и тока, многооборотные переменники
w
Какие то нежные
Это с 220 на 36 вольт?
Ага, подделка?
Они просто бывают сдыхают когда на входе стоят большие емкости
Alexey
Добавить NTC на вход для плавного запуска? В некоторых БП китайцы их не ставят из экономии...
Demondor
В основном как сайт для настройки параметров в связке со вторым контроллером. Сейчас esp32 + stm32f407+ экран nt35510 800x480. Все это показывает время погоду и управляет твердотопливным котлом, теплоаккумулятором и двумя насосами используя 10 датчиков температуры. Но пока не сезон перепиливаю прошивку, сделал сайт, чтобы прошивать оба контроллера дистанционно по сети.
Добавить NTC на вход для плавного запуска? В некоторых БП китайцы их не ставят из экономии...
Да судя по блоку нет там смертельных ёмкостей. Симистор алишный дерьмо просто
Кстати а ккк он сдох? Стал полностью открыт или утечка появилась?