Жексон
Жексон
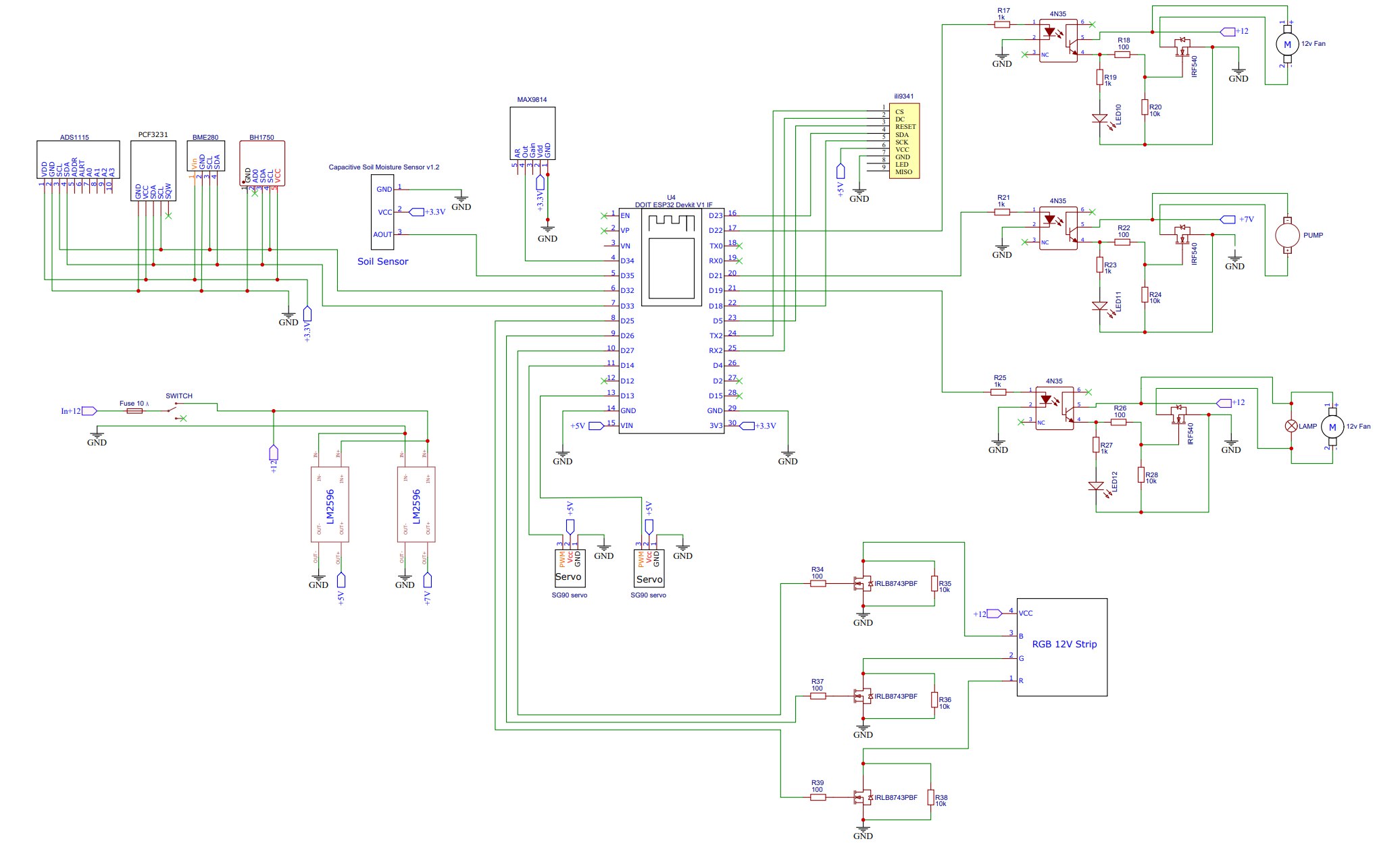
Жесть... Зачем 2 контроллера?
Заведите одну из ножек есп32 на свой-же EN + кнопка (для включения) и есп сможет сам себя отключить от питания, включать кнопкой.
Evgeniy
Техподдержка от espressif сообщила, что UART работает без глюков и на 2 Мбит/с, но в примере больше ничего из периферии не используется.
Evgeniy
Тогда действительно без глюков.
Bambuk
Привет. Подскажите пожалуйста как передать в функцию аргумент String. Точнее указатель
Evgeniy
char *
Bambuk
String parser(String *str, String param)
Bambuk
Отправить то отправил как дальше работать с первым аргументом?
Bambuk
?? .indexOf(param); что в начале писать?
Жексон
?? .indexOf(param); что в начале писать?
Мне кажется ваши действия не соответствуют вашему пониманию ...
Bambuk
Может быть. Попытаюсь объяснить
Bambuk
Хочу в функцию на обработку отправить переменную String
Bambuk
parser(API, "DNA") такой вызов
Bambuk
и обработка parser(String str, String param)
Bambuk
Переменную API копирует в переменную str в функции. А я хочу на прямую работать с переменной API
Алексей
API->
Bambuk
Спасибо большое понял сделал
Алексей
Это первые страницы любой книги, доступ к членам класса.
Bambuk
Давно не практиковался. После str-> ставил точку 🤭
Жексон
Это первые страницы любой книги, доступ к членам класса.
Если конечно С++. Со структурами тоже можно.
Алексей
Класс/структура. В С++ - это одно и то же. Отличия косметические.
Сергей
Ох как же ты неправ
Алексей
Структуры не наследуются...
Ещё как и со свистом. :)
Алексей
Причём как от классов так и от самих структур. И класс можно от структуры унаследовать
Жексон
Ещё как и со свистом. :)
Таки я тупонул. Сорян.
Сергей
Идет наглая подмена понятий что может привести к каше в голове у неокрепших разумов юных кодеров.
Evgeniy
есть практический опыт применения ESP32GRBL с портом на 2 мбит.
Здесь может быть ситуация такая, что в этом устройстве в основном передача идёт от ESP32 к другому устройству по UART. А не наоборот. Похоже глючить там может только прием, вот таких вопросов было много на форумах и в issues: https://www.esp32.com/viewtopic.php?t=6130 Отуствие DMA.
Evgeniy
да, так и есть, передача и прием коротких сообщений - не более 128 байт подряд, с пукзой между ними работают хорошо
Andrey
ага. интересно
Slava
Вчера обнаружил что у esp32 gpio 19 не имеет внутренней подтяжки, т.е. INPUT_PULLUP не работает. Кто знает, это у меня esp неправильная или так и должно быть ?
Denys
неправильная, подтяжка хоть и слабая - но должна быть
Indr1x
Вчера обнаружил что у esp32 gpio 19 не имеет внутренней подтяжки, т.е. INPUT_PULLUP не работает. Кто знает, это у меня esp неправильная или так и должно быть ?
Похоже что неправильно устанавливаете. Дожно быть PULLUP, а не INPUT_PULLUP https://github.com/espressif/arduino-esp32/blob/3fc974f3aac37da42fedc7c1ddae1e1a63579378/cores/esp32/esp32-hal-gpio.c
Лев
Добрый день! Подскажите пожалуйста есть ли у esp32 функция для измерения напряжения питания? Не заводя на ADC, а прям чтобы vddread() или что-то в этом духе?
Лев
Либо может как то можно считать регистр brownout detect?
Marat
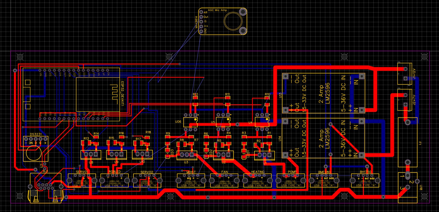
Народ, не бейте тапками только. Переделываю печатную плату под это, i2c запитал от 3.3В преобразователя на ecp32. Хочу перед LM2596 сделать входной фильтр на случай некачественного блока питания, можете что-то посоветовать?
Marat
И как трасировщик строит дорожки думаю не стоит оставлять, землю лучше несколько раз закольцевать? Какие с какими лучше что бы дорожки не пересекались, по мимо антенны еспехи?
K.
И как трасировщик строит дорожки думаю не стоит оставлять, землю лучше несколько раз закольцевать? Какие с какими лучше что бы дорожки не пересекались, по мимо антенны еспехи?
Кольца для земли - это очень плохо. Лучше использовать сплошную заливку либо разводить звездой. Хоровиц и Хилл на этом очень ревностно настаивают.
Marat
Предохранитель стоит, диод доставлю.
Marat
bi-dir TVS это диод для подавления высокочастотных пульсаций?
Evgeniy
Предохранитель стоит, диод доставлю.
TVS пропускает ток, если рабочее напряжение превышено на +2...3 вольта
K.
Пожалуй куплю его в бумаге и перечитаю, с универа уже мало чего помнится.
Ищи лучше трёхтомник, он более полный и интересный. В двухтомнике слишком много подрезали.
Хаарон
Блин столько лет прошло, а ХХ все актуален. А зачем нужен третий том??? А?
Арсений
Блин столько лет прошло, а ХХ все актуален. А зачем нужен третий том??? А?
Так законы физики жеж не меняются, с чего бы им стать неактуальными?
K.
Блин столько лет прошло, а ХХ все актуален. А зачем нужен третий том??? А?
Изначально было три тома и было всё очень подробно разжёвано, буквально для детсадовцев. Потом кто-то решил, что три тома переиздавать слишком накладно. В трёхтомнике были "годные схемы" и "негодные схемы" с подробным объяснением, почему. В двухтомнике их количество сильно сократили, да и разбираться теперь приходится самому.
K.
📚 Искусство схемотехники [1993] Хоровиц, Хилл ▪️Том 1 содержит сведения об элементах схем, транзисторах, операционных усилителях, активных фильтрах, источниках питания, полевых транзисторах. ▪️Том 2 содержит сведения о прецизионных схемах и малошумящей аппаратуре, о цифровых схемах, о преобразователях информации, мини- и микроЭВМ и микропроцессорах. ▪️Том 3 содержит сведения о микропроцессорах, радиотехнических схемах, методах измерения и обработки сигналов, принципах конструирования аппаратуры и проектирования маломощных устройств, а также обширные приложения. Своего рода библия всех электронщиков. Помимо основ электроники в ней обозначены необычные технические решения, часто встречающиеся ошибки разработчиков, доходчиво объясняется как правильно изготовить прибор, и как нельзя этого делать. #электроника #схемотехника
K.
Ловите. На этом канале ещё много интересной литературы.
Slava
Похоже что неправильно устанавливаете. Дожно быть PULLUP, а не INPUT_PULLUP https://github.com/espressif/arduino-esp32/blob/3fc974f3aac37da42fedc7c1ddae1e1a63579378/cores/esp32/esp32-hal-gpio.c
проверил на другой плате. результат такой же, потом свой говнокод посмотрел, это у меня косяк, шину oneWire включаю всегда, даже когда не надо. 😇 Спсб.
K.
https://youtu.be/m-MPBjScNRk
Alex
Я новичок, задам может глупый вопрос, какая должна быть схема если мне надо например подключить реле к esp8826, но реле на 12 вольт вход
🦊Александр
Всем привет. Кто как поднимал логический сигнал с 3.3 в 5? Для сервопривода не хватает сигнала еспшки
🦊Александр
На форуме видел предлагали ttl, или через обычный транзистор, но про какой именно транзистор речь шла я так и не понял
Роджер
На форуме видел предлагали ttl, или через обычный транзистор, но про какой именно транзистор речь шла я так и не понял
Обычный pnp скорее всего где вольтаж открытия от 1.8 вольта и скорее там можно управлять фольтажом больше возможно5,12,24 вольт
Роджер
Мосфет тот же по сути транзистор)))
🦊Александр
Мне сегодня пытались всучить DC\DC преобразователь, "если напряжение тока меняет - то и логику тоже", я вот думаю, он приколист, или это я чего-то не понимаю?
K.
Я новичок, задам может глупый вопрос, какая должна быть схема если мне надо например подключить реле к esp8826, но реле на 12 вольт вход
Почитай, что такое транзистор и основные схемы включения транзистора. После этого задавай вопросы. Без теории спалишь микроконтроллер, потратишь кучу денег, разочаруешься в электронике.
Alex
Посоветуйте что почитать чтобы вообще нормально понимать, времени у меня очень много )
K.
Уже, минус esp, дисплей и 2 сегментных
А всего лишь надо было одну-две книжки прочесть.
K.
📚 Подборка: 15 книг для начинающих радиолюбителей 📘 Энциклопедия юного радиолюбителя-конструктора [2001] В. Г. Борисов 📙 Юный радиолюбитель [1992] Борисов В.Г 📗 Электроника шаг за шагом [2020] Сворень, Ревич 📘 Электроника шаг за шагом. Практикум [2021] Юрий Ревич 📙 Электроника в самоделках [1981] Иванов Б.С. 📕 Радио.. Это очень просто! [1967] Айсберг Евгений Давыдович 📗 Полупроводниковая схемотехника [1980] Титце У.. 📘 Полупроводниковая схемотехника. 12-е изд. [Тома 1] [2008] Титце, Шенк 📗 Полупроводниковая схемотехника. 12-е изд. [Тома 2] [2007] Титце, Шенк 📚 Искусство схемотехники [1993 + 2014] Хоровиц, Хилл Возникновению электроники предшествовало открытие и изучение электричества, электромагнетизма, а далее - изобретение радио. Поскольку радиопередатчики сразу же нашли применение (в первую очередь на кораблях и в военном деле), для них потребовалась элементная база, созданием и изучением которой и занялась электроника. Элементная база первого поколения была основана на электронных лампах.
K.
Посоветуйте что почитать чтобы вообще нормально понимать, времени у меня очень много )
Первые пять в списке просто находка для тебя. Читай, изучай.
Dmitriy
Подскажите, что лучше esp32 или esp8266?
Alex
Подскажите, что лучше esp32 или esp8266?
Первое дороже и мощнее
Dmitriy
Первое дороже и мощнее
И почем же нынче 8266??
Alex
2-3 доллара, смотря где покупать
Dmitriy
2-3 доллара, смотря где покупать
Esp32 я по 144 рубля крайний раз брал, не дороже короче
Alex
У меня в стране esp32 стоит 6 долларов а esp8266 2 бакса
📚 Подборка: 15 книг для начинающих радиолюбителей 📘 Энциклопедия юного радиолюбителя-конструктора [2001] В. Г. Борисов 📙 Юный радиолюбитель [1992] Борисов В.Г 📗 Электроника шаг за шагом [2020] Сворень, Ревич 📘 Электроника шаг за шагом. Практикум [2021] Юрий Ревич 📙 Электроника в самоделках [1981] Иванов Б.С. 📕 Радио.. Это очень просто! [1967] Айсберг Евгений Давыдович 📗 Полупроводниковая схемотехника [1980] Титце У.. 📘 Полупроводниковая схемотехника. 12-е изд. [Тома 1] [2008] Титце, Шенк 📗 Полупроводниковая схемотехника. 12-е изд. [Тома 2] [2007] Титце, Шенк 📚 Искусство схемотехники [1993 + 2014] Хоровиц, Хилл Возникновению электроники предшествовало открытие и изучение электричества, электромагнетизма, а далее - изобретение радио. Поскольку радиопередатчики сразу же нашли применение (в первую очередь на кораблях и в военном деле), для них потребовалась элементная база, созданием и изучением которой и занялась электроника. Элементная база первого поколения была основана на электронных лампах.
#book
Арсений
Esp32 я по 144 рубля крайний раз брал, не дороже короче
Ссылку в студию, я б закупился по такой цене :)
Dmitriy
Ссылку в студию, я б закупился по такой цене :)
143,49 руб. 5%OFF | Двухъядерный процессор ESP-32S, ESP-WROOM-32, ESP32, ESP-32, ESP32-S, Bluetooth и Wi-Fi с низким энергопотреблением MCU ESP-32 https://a.aliexpress.com/_9xpPFD держи