EDUARD
а не вариант попробовать все то же самое без ардуины?
Тут я слаб. Напишите пример попробую зашить.
romanetz
Он не вывезет такой ток
Serjio
)) нормальная заявка. пишите - зашью)
J71
У меня 10ф ионистор чуть провода не плавил
Serjio
ну надо код тогда изучать/реверсить - я бы поверил, что кривой код включает на эти 50 мс радиочасть. ну или что-то еще, что есть на плате, управляемое от esp
Sergey
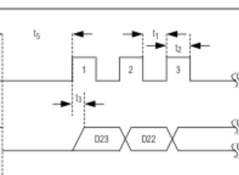
Добрый день, а возможно считать SPI с двух проводов, если я один тактирую, а другой в чем выдаёт сигнал? По идее байт в шестнадцатиричный
romanetz
Нет, но есть i2s, он многоканальный
Sergey
Можно, это точно, уже разбирались. Я одну ногу дёргаю, а вторую читаю
Sergey
Только в чем не понятно
Sergey
Если 16 ричный, то я его считываю DigitalRead, а потом его переводить в десятичный
Sergey
24 бита
Sergey
Там ацп 24 бит
Sergey
Может код двоичный
Sergey
Ацп MAX11201
Evgeniy
На АЦП бывают разные режимы
Evgeniy
Sergey
Вроде 16ричный, но как он его будет выдавать в 24 бита, это ппц
Evgeniy
Вроде 16ричный, но как он его будет выдавать в 24 бита, это ппц
24 делится на 8 даже в военное время 😁 Получается 3 байта.
Evgeniy
вот 3 байта и нужно принять
Sergey
В двоичном коде, правильно
Evgeniy
В двоичном коде, правильно
"two's complement" - Дополнительный код, т.е. число со знаком
Sergey
🤦🏻
Sergey
Я с ножки двоичный код считываю, потом перевожу в 16ричный и пределяю знак
Sergey
Исходя из значения
Evgeniy
А что за устройство с таким АЦП?
Sergey
Измерение температуры
Sergey
С пт100
Evgeniy
а, понятно, в итоге SPI удалось запустить?
Sergey
Sergey
Да, удалось, благодаря Вашим советам и расшифровки даташит, теперь принимаю, но что не понятно. Вроде двоичный код на по фронту таксирующего сигнала
Sergey
Но как его привести к измеренному напряжению не понятно, пока )
Evgeniy
Но как его привести к измеренному напряжению не понятно, пока )
https://stackoverflow.com/questions/48830561/convert-24-bit-twos-complement-to-int
Sergey
Спасибо, попробую реализовать и отпишусь
Evgeniy
Вот - этот же случай. Перевод из дополнительного кода в int32
Evgeniy
по перепаду 1->0 на линии данных можно запускать чтение 3-х байт через аппаратный SPI
Sergey
Да, я об этом читал, а функцию не подскажете
Sergey
Но там из 0->1 судя по datasheet
Evgeniy
Но там из 0->1 судя по datasheet
Не написано такого в даташите
Evgeniy
Но там из 0->1 судя по datasheet
Верхнее подчеркивание над RDY -> активный уровень низкий
Sergey
Да, все верно. Я говорю про тактовый сигнал.
Evgeniy
Есть 4 режима SPI, да, один или два подойдут для этого АЦП - нужно сравнить по даташиту
Sergey
Sergey
Mode 0
Sergey
А функция какая, где почитать
Alex
Не знаю как за датчики, можно просто взять делитель напряжения и мерять напряжение и токовый шунт чтобы мерять ток
romanetz
Оу фак
romanetz
Всё тот же ацп
Alex
ну типо
Alex
в сети переменного тока?
Alex
вот принцип работы делителя, понижаете напряжение так чтобы оно соответствовало максимальному входному напряжения того порта к которому вы его подключаете
Alex
правда я не уверен что это можно делать в переменке
Evgeniy
HLW8012, вся инфа есть
Василий
правда я не уверен что это можно делать в переменке
Резистору все равно переменка или постояннка
Alex
хотя диодом все решается...
Indr1x
жжоте вы конечно, делителем сеть 220 измерять, и диод ага. без развязки напрямую в esp, а что такого то 😁
Serg
Как вариант PZEM.
Marat
Типа такого.
Я когда то хотел купить такого монстра для знакомства с stm32, но что то до stm так руки и не дошли, сейчас смотрю на его цену и грущу, раньше 17т.р. стоил.
2319
А я с дуру купил, валяется
Marat
У меня тоже куча stm валяется. Что то с esp32 слезть не могу. =)
2319
сейчас она 23 в закупке)
romanetz
Мелочи жизни
Marat
сейчас она 23 в закупке)
Весь борд или отдельно модуль? Просто на чипдипе он: https://www.chipdip.ru/product1/8002285028
Andy
http://easyelectronics.ru/zamer-setevogo-napryazheniya.html
Marat
Я вот покупал. Надо будет все же за них взяться, а то для заработка esp32 не очень перспективна.
romanetz
а я, дурень, набрал отладок, думаю, ща, буду фрилансить на стмках, нах*й мне это ваше асутп ща весь подоконник завален G0 G1 G4 F0 F1 F2 F3 F4 F7 H7
romanetz
это семейства на которые у меня есть отладки
Marat
Совсем все плохо сейчас с фрилансом на стм?
romanetz
апворк фсё
romanetz
до мая пока
romanetz
хоть, б*дь, в киргизию езжай...
romanetz
до мая пока
но в новостях ничего обнадёживающего
Marat
Приезжай к нам в Таганрог. :) Я почему с esp32 не слезаю, у нас несколько контор с ними работают, климатические системы, автоматика для пивоварен, учебные стенды. Но правда зп выше 60к не светит. Кстати, была контора, которая делала пишевых роботов для США, интересно как у них сейчас дела.