Михаил
а он at комманды принимает?
Василий
а он at комманды принимает?
какие ат комманды и регистры?)
Василий
есть проша для ат команд
Самуил Германович
@nicholas_rush Кто-нибудь в курсе что с ним?
Anonymous
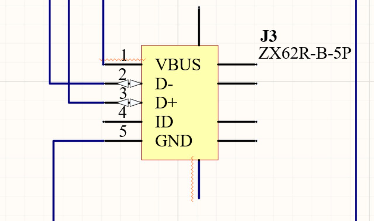
Добрый вечер. Подскажите разве у этого компонента правильная распиновка?
Anonymous
Василий
все верно
Anonymous
И тут?
Василий
Василий
Василий
усе согласно даташита
Anonymous
К сожалению нет, footprint с ошибкой
Anonymous
Anonymous
Верхний правильный...
Михаил
а зачем вы плату разводите?
Михаил
есть же проверенные методы
Макс
какая скорость будет?
Михаил
максимум
Михаил
а вообще не страдай хуйней
Михаил
купи tp link mr3020 поставь openwrt
Михаил
сходи к своему опсосу и возьми модем
Михаил
выйдет дешевле
Михаил
tp link стоит 2к
Михаил
модем 1-2к
Михаил
а тут 5к и кусок говна получится если вообще получится
Михаил
а ну если питание от батареи нужно то любой модуль для павербанка за 2$ и 18650
Михаил
думаю нормально все сказал
Serjio
Mr3020 еще продаются? Или это про секонд-хенд? Сказал правильно :-)
Василий
К сожалению нет, footprint с ошибкой
вообщето я даташит скинул по модели, все верно для написанной на схеме модели.
Василий
Жаль платы не по даташиту разводятся...
у меня исходныйе данные - фото и разьем)) у вас еще и плата есть) я ж не ванга, с какой бордой вы сравниваете...
Василий
и - самое главное - вопрос был не про футпринт, а про распиновку....
Иван
Всем привет. Я начинающий. Собрал на есп 32врум вайфай реле. Все работает. Но вопрос , можно ли подключиться к есп через внешний интернет а не через вайфай сеть?Управляю со смартфона. Спасибо
romanetz
Привет. Можно. Я заканчивающий. Настройте проброс портов на роутере и получите, если ещё не имеете, белый адрес у вашего провайдера. После этого появится возможность управлять через интернет. Пожалуйста.
ok-home
ну или настройте что нибудь типа mqtt ..... тоже можно управлять из интернета ))
Alexey
А модем можно сразу в вай-фай взять и роутер не ставить....
boost::asio
Ddns какой-нибудь и в перед Бесплатно
romanetz
Статику ip не обязательно даже
белый, причём тут статика?
Alexey
Ddns какой-нибудь и в перед Бесплатно
Это если ИП белый, иначе d dns не работает
romanetz
если хочется нахаляву, только публичные mqtt брокеры
romanetz
хотя иной vps с белым адресом, порою, дешевле чем белый адрес домой, некоторые провы совсем с ума посходили
boost::asio
белый, причём тут статика?
Погоди, а чем отличается статика от "белого"?
romanetz
белый - маршрутизируемый в интернете, статика - белый, ещё и не изменяющийся
romanetz
достаточно часто даже без особого на то указания, адрес не меняется а раньше, лет 13 назад, статические белые адреса раздавали тупо при подключении, я даже застал это время, 109.171.39.15 помню 10 лет провисел один и тот же, пока квартиру с тем подключением не продали
boost::asio
Белый типо чисто глобальный ip?
romanetz
да
boost::asio
А, вот почему меня раздражала эта формулировка
romanetz
мтс, допустим, белый ipv6 раздаёт бесплатно (не знаю, на проводных подключениях тоже? но на мобилу - точно, более того, телефоны даже умеют этот протокол маршрутизировать)
romanetz
т.е. получив интернет с телефона, ещё и белый адрес ipv6 у компа будет
romanetz
ну или esp, аналогично
romanetz
https://test-ipv6.com/ зайдите с мобилы, у кого мтс )
romanetz
проводные провы, к сожалению, ipv6 редко дают
romanetz
https://version6.ru/isp
A
Доброго времени суток. Ну подскажите как на ESP8266 подмигнуть светодиодом 2 раза без delay
romanetz
загуглить "неблокирующие задержки arduino"
Иван
Я в есп из пиков пришел
romanetz
ещё, наверное, от брокера зависит
Иван
В пик контроллерах прерывания часто используются
romanetz
там же udp до него
A
digitalWrite(SDiod, HIGH); unsigned long activateTimeL = millis(); while((millis() - activateTimeL) < 400) { // Задержка в N секунды } digitalWrite(SDiod, LOW);
A
Вот так думаю
romanetz
только локальный while уберите нафиг
romanetz
ибо он точно так же всё раком поставит как и делэйъ
A
((millis() - activateTimeL) < 400) { // Задержка в N секунды }
romanetz
unsigned long activateTimeL; while(1) {switch (state) {case 0: digitalWrite(SDiod, HIGH); activateTimeL = millis(); state=1; break; case 1: if ((millis() - activateTimeL) >= 400 {state=2;digitalWrite(SDiod, LOW);} break; case 2: break; } ну и по аналогии
romanetz
для мырганья светодиодом - пойдёт, вы там микросекунды джиттера не заметите
romanetz
для точных и очень точных интервалов - ШИМ, DMA, плисы, наконец
Evgeniy
мда, как же сложно светодиодом моргать стало - state, switch, зачем...
romanetz
мда, как же сложно светодиодом моргать стало - state, switch, зачем...
с прицелом на "поморгать асинхронно 50-ю светодиодами"