Py
Спасибо, даже по дорожкам можно было понять
porese
Можно резистор нулевого сопротивления отпаять, чтобы керамическую антенну исключить, тогда внешняя лучше будет работать.
Dr Zlo
там выход есть
он не подключен
Dr Zlo
гнездо не подключено по умолчанию
Василий
кстати, от одноразовых сигарет подходят акумы)
Василий
Pawel
А что за фиговина в usb торчит?
Indr1x
Это типа quick plug разьем, магнитный
Nikita
Подскажите, кто-нибудь устанавливал через idf ПО с homekit на esp32 cam?
Алексей
Nikita
А ты когда успел купить esp32cam и на хрена?
Месяца 2 назад... Побаловаться)
Алексей
Месяца 2 назад... Побаловаться)
Взял бы у меня, понял, что это фигня и не тратил бы деньги 😊
Mikhail
господа, всем привет! подскажите, а можно ли RGB светодиод подключить одним резистором на GND?
Алексей Кузнецов 🦔
господа, всем привет! подскажите, а можно ли RGB светодиод подключить одним резистором на GND?
... Но не нужно. Ведь тогда на всех диодах будет одинаковое напряжение, они на это не рассчитаны .
Алексей Кузнецов 🦔
Mikhail
ну пусть будет разное, там небольшой плюс минус не особо вроде как влияет)
Алексей Кузнецов 🦔
ну пусть будет разное, там небольшой плюс минус не особо вроде как влияет)
Вот чтобы оно могло быть разным (а оно зависит от цвета диода в первую очередь) и ставят независимые резисторы.
Mikhail
а если я резисторы примерно 160 Ом повешу на все цвета, яркость сильно разная будет?
Mikhail
на 5 вольт
Алексей Кузнецов 🦔
а если я резисторы примерно 160 Ом повешу на все цвета, яркость сильно разная будет?
Можно и побольше, чем 160. На там уж в зависимости от характеристик светодиода.
Mikhail
ну, т.е. разницы нет, что я на все 3 цвета повешу 160 Ом резисторы, что один 160 Ом на землю?
porese
Нельзя, сгорит светодиод у которого самое маленькое прямое напряжение
Василий
Нельзя, сгорит светодиод у которого самое маленькое прямое напряжение
Ну может не сгореть, но светить будут с разной яркостью
porese
Потом сгорит, проверено мной не раз, тоже экономил...
Алексей Кузнецов 🦔
ну, т.е. разницы нет, что я на все 3 цвета повешу 160 Ом резисторы, что один 160 Ом на землю?
Когда один резистор, там ток и яркость вообще не пойми как распределятся. Точнее, скорее всего, гореть будет только красный.
Mikhail
понял, спасибо!
porese
это если на GND?
При паралельном включении токоограничивающий резистор в каждую паралель. Тут товарища Киргофа вспоминаем.
Mikhail
а может еще подскажете по номиналам, что бы мне не изорбретать велосипед? для 3.3 V esp32
Alexey
Если выводы у светодиодов отдельные, можно их включить последовательно с 1м резистором. Но 5В не хватит.
منصور نوغاييف
Кто нибудь знает почему при вводе команды AT+CIFSR. Есп выдает неправильный айпи
منصور نوغاييف
Mr.Mait
Всем привет. Интересует вопрос по mqtt. У меня есть esp32, пишу на arduino ide. Использую библиотеку ArduinoMqttClient. Esp32 только публикует сообщения. QOS - 2, Retain - false. Брокер и клиент находятся на пк. Клиент на Qt, подписывается на топик QOS - 2. Когда нету подписчиков(программа на qt закрыта), а esp32 постоянно публикует сообщения, то при запуске клиента на qt, мне разом прилетает пачка сообщений с брокера. Я может быть не правильно понял QOS - 2 ? Вообще что бывает с сообщениями, когда публикуешь, но нету подписчиков? По идее брокер после точного принятия, должен их отклонять, т.к. некуда слать. Или я не правильно думаю?
Gomps
Кто-то сталкивался с датчиком влажности yl-38?
Mr.Mait
Если QOS-2 это имеется в виду QoS 2 Exactly once, то да, должно только одна гарантированная доставка быть. Но не все клиенты реализуют этот уровень. Зачастую PUBREL не отправляют
Просто как бы retain - false, это говорит брокеру чтобы он не сохранял сообщения для вновь подписанных. Я думал в mqtt выглядит так: pub <—- QOS 2 -—> broker <—- QOS 0—-> sub Т.е. при публикации сообщения, QOS относится брокеру. При подписки выбирается свой QOS и можно понижать. Выше получается что гарантированно доставляется брокеру, а от брокера без подтверждений доставляется подписчику. Я видел что при подписки можно свой qos указать. Либо дурак, либо в библиотеках дело. Попробую поиграться с mosquitto_pub mosquitto_sub
Andy
Просто как бы retain - false, это говорит брокеру чтобы он не сохранял сообщения для вновь подписанных. Я думал в mqtt выглядит так: pub <—- QOS 2 -—> broker <—- QOS 0—-> sub Т.е. при публикации сообщения, QOS относится брокеру. При подписки выбирается свой QOS и можно понижать. Выше получается что гарантированно доставляется брокеру, а от брокера без подтверждений доставляется подписчику. Я видел что при подписки можно свой qos указать. Либо дурак, либо в библиотеках дело. Попробую поиграться с mosquitto_pub mosquitto_sub
https://ipc2u.ru/articles/prostye-resheniya/chto-takoe-mqtt/ Издатель отправляет сообщение брокеру. В этом сообщении указывается уникальный Packet ID, QoS=2 и DUP=0. Издатель хранит сообщение неподтвержденным пока не получит от брокера ответ PUBREC. Брокер отвечает сообщением PUBREC в котором содержится тот же Packet ID. После его получения издатель отправляет PUBREL с тем же Packet ID. До того, как брокер получит PUBREL он должен хранить копию сообщения у себя. После получения PUBREL он удаляет копию сообщения и отправляет издателю сообщение PUBCOMP о том, что транзакция завершена.
Mr.Mait
Поигрался с mosquitto_pub mosquitto_sub. Оба с qos 2. Попробовал публиковать с retain true, когда подписчиков нет. Когда каждый раз подписываюсь, мне это сообщение доставляется постоянно (только самое последнее сообщение). Без retain если публикую, а подписчика нет, то при подписке сообщения нет. Походу где-то ошибка в протоколе библиотеки
Slava
Расширитель стоит на плате
Михаил
Блять
Михаил
Тут норм цены
Утром было
Evgen
вчера у двух разных коллег отказы по оплаченным заказам на али
Serjio
опа. из-за курса?
Михаил
ну да по 124 уже доллар
Serjio
то есть банк не успевает проводку сделать?
Evgen
один заказ был в феврале, другой вроде два дня назад, и судя по трекингу - завернули на китайской почте
Serjio
ну вот странное. а, там перевозчики забрахлили - может и из-за этого
Evgen
который в феврале успел доехать до какого-то сортировочного центра в китае
Bez
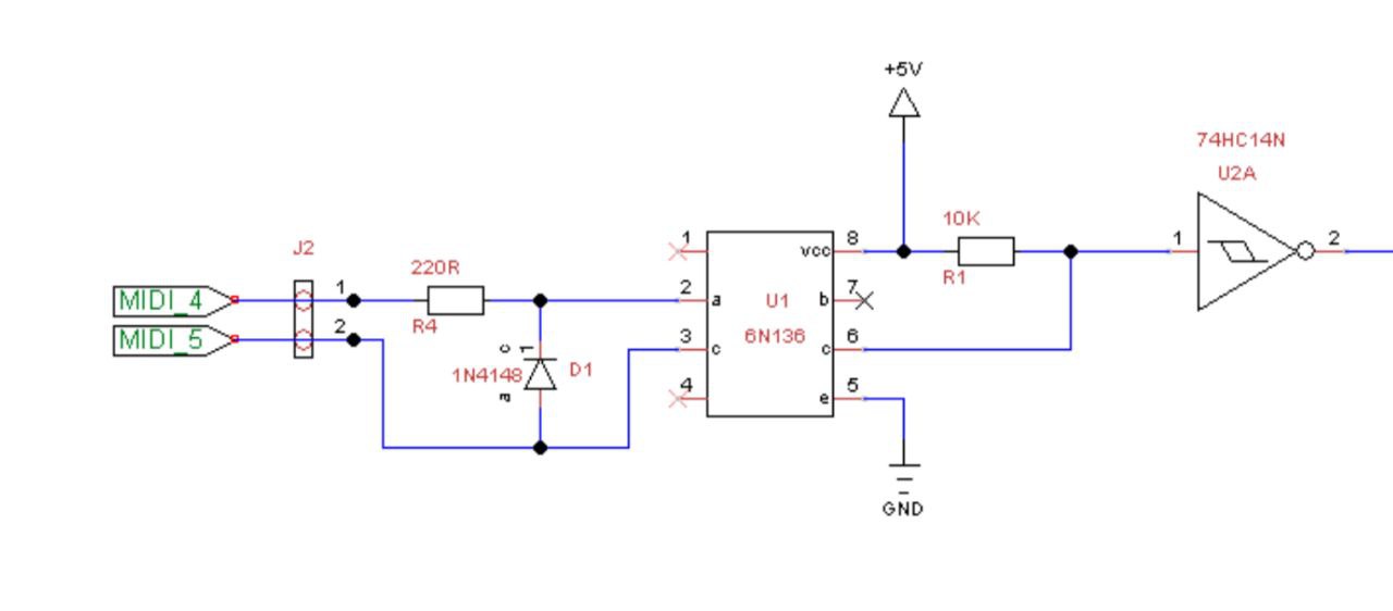
Добрый день. Подскажите хотел собрать usb hub для midi. Но столкнулся с тем,что с оптопарыне проходит сигнал до ардуино. Может кто делал и знает нюансы?
Bez
Bez
это делается точно не на ардуине
Есть идея продолжить для своих нужд его. Поэтому не взял просто юсб
Serjio
ха. мне тоже любопытно, как бы это на ардуине выглядело
Bez
ха. мне тоже любопытно, как бы это на ардуине выглядело
Да вроде ж легко ,там обычный юарт на 31250 и на тинси куча проектов
romanetz
Есть идея продолжить для своих нужд его. Поэтому не взял просто юсб
если под хабом имеется в виду хост и девайс, т.е. usb midi passthrough, то, возможно даже что stm32 не подойдёт
romanetz
когда дойдёт до хоста - придётся платформу менять, если сразу его не заложить а потом вдруг понадобится
romanetz
на плиске можно, кстати
Serjio
я пытался по ble (на nrf51) готовый переходник подключить. видимо, с сигналами не разобрался. ну то есть на компе софтина видит пакеты, но в гаражбенде они никак не воспроизводсятся на esp я как раз типа источник сигнала делал - простенькую мелодию, хз в чем ошибся
romanetz
ну, всё зависит от хотелок
romanetz
usb midi само по себе довольно простое
Bez
usb midi само по себе довольно простое
Да вроде да,но сделал все по даташиту на миди. А не завелось с первого раза. На осцилле глянул пакеты на вход оптопары приходят,а с нее стабильно 5в. Теперь не могу понять оптопара битая или что
Bez
5 земля
romanetz
там больше нечему ломаться оптопара - штука статическая на постоянке точно так же должна работать
romanetz
тем более, ослик если есть
Serjio
ну на входе поменять местами провода
Serjio
да, странный вопрос
romanetz
+5 через резистор 470 ом
romanetz
я б так проверял
Bez
Ое, спасибо