Resident
Которой вообще килобайты
Resident
Хочешь быстрее, передавай по воздуху
Resident
И всеравно оперативка тебе всё обкакает
Resident
Ultrabug
Хочешь быстрее, передавай по воздуху
Ну здрасте, передать со скоростью 480 мбит упрется, а по воздуху тот же объем данных со скоростью 72 мбита не упрется. Я б сказал наоборот. Чем быстрее можно отправлять, тем меньше нужно ёмкости для хранения
Denis
usb 2.0 HS
Ultrabug
Я перепутал, USB 1.1 Low Speed 1.5 мегабита/с и Full Speed 12 мегабит/с. Все равно USB 1.1 потолок 12 мегабит/с
Resident
Я перепутал, USB 1.1 Low Speed 1.5 мегабита/с и Full Speed 12 мегабит/с. Все равно USB 1.1 потолок 12 мегабит/с
Вот ты какой жук) скорость по воздуху написал практическую а юзб в теории)
Resident
А флешку какого класса прицепишь? Там и 100мбит не будет
Resident
Ultrabug
А флешку какого класса прицепишь? Там и 100мбит не будет
Речь о том, что 12 мбит очень и очень мало
Resident
Для iot за глаза, а если вам ссд туда повесить надо то вам другое железо лучше взять)
prettijoy
Всем привет! Есть небольшой проект, реализованный на СИ и фреймворке ESP-IDF для ESP32 контроллера, необходимо его доработать и провести ревью кода, напишите в личку у кого есть опыт, обсудим все детали и по оплате
Dmytro
esp8266 & arduino. Подскажите, как автоматизировать подключение к web настройкам esp в режиме ap ? ЗЫ без ручного ввода ip esp
Коротко: вам надо поднять DNS сервер. Чуть длиннее: посмотрите как это сделано в wifi manager
Denis
всем привет, кто программировал esp32c3 со встроенного usb. У меня прошивка заливается а потом в консоли ESP-ROM:esp32c3-api1-20210207 Build:Feb 7 2021 rst:0x15 (USB_UART_CHIP_RESET),boot:0x0 (USB_BOOT) Saved PC:0x400462e2 wait usb download
Denis
и всё. Как это побороть?
Denis
gpio9 точно подтянут
Denis
gpio8 тоже
Denis
gpio2 сложно сказать
Denis
подключил gpio2 к EN вообще грузится перестал
Denis
так EN подтянут
Denis
не загружается так
Denis
у них у самих gpio2 float https://dl.espressif.com/dl/schematics/SCH_ESP32-C3-DEVKITM-1_V1_20200915A.pdf
Denis
!но если потом дернуть ресетом, прошивка запускается((
Denis
и тогда уже boot:0xc но ни чего не менялось)
Denis
у меня esp32c3
Denis
я не в курсе, у людей тоже 0xc https://github.com/espressif/openocd-esp32/issues/144
Dr Zlo
USB 1.1 это ж LS 12 MBit/s, это мало
Столько же как и практически в любом другом распространённом мк.
Nikita7131
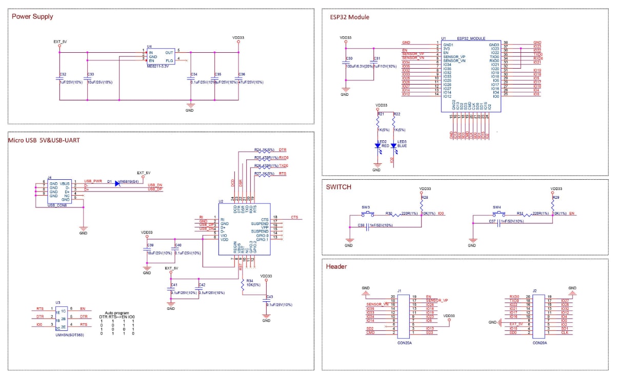
C37 ставьте 10uF, а так схема вроде работает )
Nikita7131
Пример схемы подключения цепей для прошивки, по ней можно что-то советовать при условии описания вариантов которые уже были проверены
Nikita7131
R24 и R27 можно убрать.
Nikita7131
c19 не тот емкости, ставьте 10uF.)
Тецкатлипок
Вы главное не забывайте линейную зависимость размера от емкости 10uF в 0603 или даже 0402 бывает, но использовать лучше минимум 0805
Тецкатлипок
А то может емкости совпадают а на выходе один хрен лажа
kDn
я не в курсе, у людей тоже 0xc https://github.com/espressif/openocd-esp32/issues/144
Отладку на встроенном USB я запускал, подробности уже лень вспоминать, изучайте: https://github.com/espressif/openocd-esp32/issues/176#issuecomment-938615974
Denis
непонятки с вебсокетами...
Daniil
Крч нашёл китайскую флешку, аналог w25qxx, но дешевле. Хочу проверить, действительно ли там 100к циклов перезаписи ибо уж слишком дёшево. Написал код, делающий следующее. Ерэйсю сектор. В тот же сектор пишу страницу. Читаю и проверяю записанное. И так до первого сбоя. И всплыл вопрос, если я изнасилую страницу, может ли микросхема как-то это понять и переадресовать записываемое мной на другой адрес памяти?
Alexey
Вроде некоторые SPI NAND флэшки такое умеют. А вот в NOR флэшках такого не встречал.
Dmitriy
Хотя Китай на то и Китай. Обращайся ко всем)
Alexey
И некоторые SPI флэшки имеют очень медленную запись и стирание.
Daniil
Понял, спасибо
Daniil
И некоторые SPI флэшки имеют очень медленную запись и стирание.
Это походу про неё, сектор записывает за ~0,28 сек
Alexey
Обычно медленно запись статусного регистра(бит WEN), стирание сектора(4k) , а сама запись относительно быстро. Вот такую пробовал XT25F128BSSIG и очень медленно получилось.
Google
Коротко: вам надо поднять DNS сервер. Чуть длиннее: посмотрите как это сделано в wifi manager
В библиотеке DNSSever есть примеры , но они не решают вопрос что на любой dns запрос "А" записи будет возвращен всегда один и тот же IP
Andy
esp8266 & arduino. Подскажите, как автоматизировать подключение к web настройкам esp в режиме ap ? ЗЫ без ручного ввода ip esp
случаи конечно разные бывают. но дефолтный адрес 192.168.4.1 очень редко меняют.
Andy
Так оно так, однако как автоматизировать ?
не понятно что автоматизировать? адрес ip у вас есть. на него и заходите :)
Тецкатлипок
Так оно так, однако как автоматизировать ?
можно задать url к примеру http://mysite.local
Тецкатлипок
или сделать глобальные редиректы что бы ЛЮБЫЕ запросы адресовались как запрос к esp
Тецкатлипок
самое оптимальное - сделать редиректы, что бы если запрос не попадает в словарь допустимых ссылкой то его кидает на "домашнюю"
Тецкатлипок
что бы и внутренние апи запросв работали и вход с браузера
Тецкатлипок
По подробней
гугл в помошь даже в базовых примерах к либам это есть простое использование swich на роутах
Демьян Засипатыч ⚠️
https://habr.com/ru/post/648643/
Google
гугл в помошь даже в базовых примерах к либам это есть простое использование swich на роутах
К примеру: имеем 2000 устройств в сети.... Что конфигурировать и как ?
Тецкатлипок
К примеру: имеем 2000 устройств в сети.... Что конфигурировать и как ?
Ооо А тут уже динамическое выделение адреса только юзать
Тецкатлипок
И 2000 на один роутер вряд ли войдет
Тецкатлипок
Основы сети Больше пары сотен на один хост не повесите
Тецкатлипок
легко
Правда??? Как?
Denis
сервер с accel-ppp около 2000 коекак...
Тецкатлипок
Даже если забыть про все то о чем втирали на сетях, 254 устройст на маску динамики макс
Тецкатлипок
сервер с accel-ppp около 2000 коекак...
Вы сервер с роутером не путайте
Denis
что тут путать роутер намного меньше пропускную способность имеет...
Тецкатлипок
что тут путать роутер намного меньше пропускную способность имеет...
Ага Именно Причем тут проблема больше в адресах, чем в пропускной способности Плюс esp32 оочень плохо умеет в ip6 потому больше 200 паралельно на один роутер вряд ли И то если сам роутер потянет столько паралельных подключений
Slava
Правда??? Как?
маска 255,255,255.0 это примерно 254 адреса маска 255,255,0,0 это 254*254 = 64000 адресов или я не прав?
Denis
прав
Slava
а на коробке роутера. насколько я помню было написано подерживает 300 000 соединений
Тецкатлипок
маска 255,255,255.0 это примерно 254 адреса маска 255,255,0,0 это 254*254 = 64000 адресов или я не прав?
Только те роутеры которые выделяют адрес по двум уровням отнюдь не среднего уровня даже
Тецкатлипок
Вообще для того и ввели ip6 Для упрощение