Denis
вроде фтди
Sergey
Во приблизил чип
Denis
а чуть левее чтоб разьём юсб попадал в кадр
Sergey
Sergey
точно оно!
Sergey
ща попробую подоткнуть
Denis
да полюбому
Sergey
плата мигает зеленым…
Sergey
порт появился
Sergey
ну окей, хоть что то… сейчас в девайсах гляну
Sergey
Sergey
да есть… появился здесь
Anonymous
Господа есть кто-то кто менял у CP2102 VIP/PID устройства через фирменную тулзу CustomizationUtility?
Denis
а зачем у меня с пид\вид самсунг\сониэриксон нормально работает...
Andy
garik
Заходят три математика в бар. Бармен спрашивает: — Все будут пиво? Первый математик: — Не знаю. Второй математик: — Не знаю. Третий математик: — Да.
Andre
Наверное бармен должен спросить: кто-нибудь будет пить пиво?
garik
хммм, но ведь если первый математик не будет пиво, он должен сказать Нет.
Ну там о том и речь, что каждый согласен, но чтобы ответить на вопрос "все?" нужно собрать все ответы
Andre
Первый не знает
первый часть множества всех. если он не будет пиво, то можно утверждать, что "все будут пиво" ложно утверждение
Andre
Если первый математик будет пиво, тогда он должен сказать Не знаю.
Ultrabug
первый часть множества всех. если он не будет пиво, то можно утверждать, что "все будут пиво" ложно утверждение
Вот да. Поэтому он будет пиво. Но не знает, все ли будут пиво. Это прощелкал третий математик
Andre
а, всё, я понял анекдот.
Andre
просто я алкоголь не пью. )
Andre
анекдот-то алкогольный, а значит подразумевающий, что все его участники пьют.
garik
там логическое И.
Более того, там short-circuit evaluation
Ultrabug
Заходит математик в бар и заказывает бокал пива. Сразу за ним заходит ещё один и заказывает половину бокала. Третий заказывает четверть бокала пива. - Как же вы достали, - пробормотал бармен и поставил перед ними два бокала пива
filarius
Если 1й или 2й математик не пили пиво то они сказали бы нет так как известен результат логического выражения 1&2&3
filarius
Если же 1 и 2 = да, то результат выражения не известен пока не узнаем ответ 3го
filarius
Чем можно слать данные на комп с минимальным ланетси (задержка) и макс скоростью. Можно по проводу
Denis
Господа есть кто-то кто менял у CP2102 VIP/PID устройства через фирменную тулзу CustomizationUtility?
лет так пять по подобной схеме нормально всё работает и на есп32, и на 8266 и под линукс и под виндовс...
Anonymous
лет так пять по подобной схеме нормально всё работает и на есп32, и на 8266 и под линукс и под виндовс...
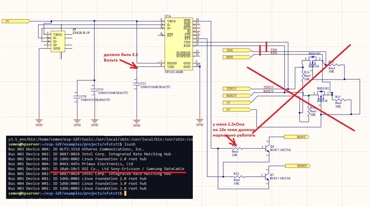
В схеме есть 5 вольтовые устройства, согласование уровней обязательно. Вопрос бы не про схему а про смену VID/PID чипа
Denis
esp не 5ти вольтовое устройство и 5 вольт на Vdd наверное надо подать чтобы выходная логика работала при пяти вольтах но я так не делал этот шнур у меня для трёвольтовых движух...
Denis
на есп 5 вольт подовать нельзя.
Anonymous
на есп 5 вольт подовать нельзя.
Никто и не подает. На плате есть 5 вольтовые устройства, поэтому нужно согласовывать уровни uarr
Denis
логика у cp2102 только 3 вольтовая
Denis
у вас преобразователь уравней с 5 в 3 на входе вседа 3
Vladimir
сорян мисклик по чату
Slava
15 минут и контроллер готов. Ну как?
Denisio
я бы развел на fr4 =)
Slava
Снизу колодка для градусника и трех кнопок
sat
15 минут и контроллер готов. Ну как?
детство напомнило , 4 класс
Slava
детство напомнило , 4 класс
Жаль у меня в детстве не было таких игрушек
sat
я бы развел на fr4 =)
ничего не понимаеш , эт же винтажжжжж!
Denisio
ничего не понимаеш , эт же винтажжжжж!
ну на плате оно по площади было бы в 2 раза меньше
sat
мп39 мп41 п4
Denisio
дед пей таблетки
sat
рассмешил
v1ct0r
детство напомнило , 4 класс
Моё детство - мп-26 и кт-315 😀
sat
гт313
v1ct0r
гт313
О! Все свои 😀
Slava
Кубики
v1ct0r
мп39 мп41 п4
П-4... Эх...
v1ct0r
Где-то ещё лежат 😀
sat
щас вот такие транзисторы AO3400 2n7002
v1ct0r
И мп-39 с 42-ми..
sat
Slava
Красивое, какой функционал?
sat
а была особой ценностью КП350 двухзатворный
sat
sat
расширитель портов
sat
Slava
А с релюхами есть модуль?
sat
так релюхи к клемам подключаются
sat
это для шкафов на дин рейку. вот тут видно, транзисторы на клемы выходные стоками
v1ct0r
Интересно, а сейчас кому-нибудь что-то скажут цифры, например, 2:5077\52? 😀
sat
напомни
Denisio
2:5010/170.14
Slava
Пипец ты старый, это даже яндекс не знает
sat
скорость модема
v1ct0r
напомни
Моя нода фидошная😀
Denisio
змх держиш?!
sat
фидо мимо прошло