kDn
Юморист хренов, не каждый из него выйти смогёт ;)
Никита
на еспшках такой роскоши нет, зайти по ссш, наговнякать в баш/питон
Slava
vi - вы это о чем?
Никита
может хотя бы nvim?
Никита
основную тему чата уже забыли?)
kDn
Ну теперь понимаете, что я не зря уточнил?
Slava
а на малинке какой язык программирования?
🤙🏻 ℙ𝔸𝕍𝔼𝕃
Это для любитетй стрельбы в колено?))
Никита
ESPHome
kDn
Легко прошмваются с нее, еспхоме пол ха
Никита
можно сказать и так) это инструмент программирования еспшек
🤙🏻 ℙ𝔸𝕍𝔼𝕃
kDn
Как жеж неудобно с телефона писать, ненавижу.
Slava
kDn
Раз-два-три-четыре-пять вышел зайчик погулять точка работает спасибо :)
Slava
я вас услышал, я не буду изучать малинку-апельсинку, пойду чай пить, потом шашлык жарить, пить красное вино, вообщем вести нормальную непрограммистическую жизнедеятельность.
Slava
я 20 лет программировал бизнес процессы с базами данных на не маленьких предприятиях в разных сферах на 1с, на языке похожем на ардуиновский си.
kDn
О, надо тоже чего-нить хряпнуть ввиду пятницы, хорошая идея. :)
Никита
Axapta, как-то звали работать) Не пошёл и счастлив
kDn
Axapta, как-то звали работать) Не пошёл и счастлив
А я таки несколько лет поковырялся, но это прошлое.
Farid
fr120n или d4184 посмотрите
Farid
Все подходят для ваших задач
Farid
Farid
Fr120n
Farid
Ааа. Он со входа транзистора возьмёт сам..
Farid
Понял
sat
что включаем таким монстровым транзистором?
Farid
Я понял, что это сборка. И оптрон внутри уже встроен. Готовые модули такие в городе у нас отсутствуют..
Farid
От 520 решил отказаться. Тупанул. Не замерил сразу ток потребления соленоидом в 5,5а
Farid
Выше заявленных 520го. Даже запаса нет. Можно конечно потом ток уменьшить шимом. Но нужен запас изначальный. Уже на стадии тестирования без радиатора никуда... Лоханулся
Farid
IRFR120N, DPAK, транзистор
Farid
Дпак значит безрадиаторный монтаж?
Farid
Греться не будет при быстром ШИМ?
Farid
И если Vgs правильный сделаю, тоже не будет греться при 5А?
Farid
12в
sat
быстрый шим вреден, прокачать емкость затвора на оптроне не получиться, драйвер тогда требуется , или минимальная частота
sat
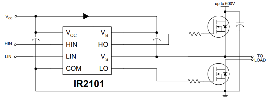
или вот такой и использовать нижнее плечо ir2101
sat
тогда проще , если просто пощеокать
Farid
Хочу убрать грохот в работе механической части с соленоидом. Плавный подъём и плавный спуск соленоида
Farid
А то как в цехе грохот стоит
Farid
sat
тогда вот такой и любой транзистор полевик
Farid
Эти штуки гремят как в преисподне
sat
еще и пищать будут
Farid
Ну пищать можно в виде мелодии заставить 😄
Farid
Это не пиво
Farid
sat
пойду приму коняка
Denisio
хочется верить что ета штука раздает пироженки
Denisio
и кусочки тортиков
Farid
Мясо
Denisio
мясо тоже хорошо
Denisio
для начала и это неплохо!
sat
пищать мелодично , стучать соленодами в такт
Ok!
Ничего хорошего не выйдет, коль принцип работы соленоида Вам не понятен.
Ok!
Хотя бы то, что соленоид - это устройство с положительной обратной связью. Сила втягивания якоря растёт лавинообразно и щелчки неизбежны. Проще пятак или конус якоря покрыть демпфером.
Farid
У меня получалось страгивать его лишь на треть и держать так... Потом через 10 с сгорел 520й 😂
Ok!
Удачи Вам в применении соленоида вместо крана или задвижки. Отпишитесь о результатах?
Ok!
Этот "диванный теоретик" в электротехнике съел не один пуд соли. И он ни за какие коврижки не поставит на низкочастотный мосфер в качестве ШИМ-управляемого ключа.
Ok!
А может тех.доки почитает? Там много интересного о фронтах импульсов на затворе и о рабочей частоте прибора. Уточнять о гигагерцах не надо было. Это уже СВЧ диапазон )))
Ok!
Кто Вам сказал,что он не годится? при разумной частоту ШИМ, при качественном драйвере управления затвором, при диодно-демпферной обвязке электромагнита этот транзистор очень даже годится.
Ok!
Кх... Это ж что за соленоид такой, что ему ток около 9А нужен?
Ok!
на сколько Ом соленоид?
Anonymous
Всем привет! Не могу найти библиотеку для работы с LED матрицей Р2 128х64. Help?
Ok!
Причём здесь предельная температура? Транзистор греется лишь при переключении. Если фронты не завалены, он при работе на 1000 Гц будет чуть тёплым.
Ok!
И что куча практиков не нашла решения? Оптрону уже не в моде?
Ok!
А чего его читать, там готовыми платами приторговывают.
Ok!
Здесь надо помимо оптрона ещё транзисторный ключ и пару резисторов, если оптрон не тянет или драйвер. Но у меня, например, прекрасно работает на RGB ленте с током на канал около 4 ампер и обычный оптрон, который подаёт на затвор 12-14 вольт. И ничего, транзисторы чуть тёплые.
Ok!
В диалог вступать на эту тему можно с любого места. Горе-советы я уже многократно читал. Толку он них ноль. А при том, что отходить товарищ от 5 вольт не желает, какой транзистор ему не посоветуй, результат будет один - нагревательный прибор из транзистора.
Evgen
Ыыыы... Что за херь. Читаешь про то какое звездаьое энергопотребление у esp8266 , смотришь примеры для Nodemsu и wemos d1 mini, делаешь так же, учишься попадать в дип слиип, попадаешь в этот дип слип... И наблюдаешь 1 ма вместо обещанных 40микроА
Владимир
Паяльник потянет 50вт с керамическим нагревателем?
Ok!
IRL тянут, но требуют бОльших токов для нормальной работы
Evgen
Ds18b20
Evgen
Ну так без них уже будет не дев
Evgen
Примеры то как раз для девборд
Evgen
Эээ.. Хороший вопрос.... Измерял человек с паяльником - лудший друг программиста