Uladzimir
GPIO0, если точнее
Denisio
прижать сильнее!
Dr Zlo
Uladzimir
да, почитал внимательнее - увидел
Uladzimir
ну.. тогда, если сброс прошёл при GPIO0 = 0, то через TXD0 и RXD0 должно всё прошиваться
Uladzimir
тут ещё могут быть нюансы, если юзер не имеет доступа к порту (не добавлен в соответствующие группы) - но это уже зона ответственности автора вопроса
Andy
Продолжение вопроса по esp32-cam. Пришла с али плата и переходники к ней (ttl to usb)=FTDI. Подключал по инструкции и 3.3v и 5v - не хочет заливать : failed to connect to esp32. Timed out waiting for packet header Модули FTDI на работоспособность проверил: Rx+Tx замкнул и в терминале отправлял символы - они же в ответ приходят. А как таким же образом проверить esp32-cam? Ранее писали про ответную плату - но я о ней ранее не знал(ждать из китая не планирую). Есть набор PL2303 + CP2102 + CH340 USB для TTL - все рабочие, и UNO R3. Что делаю: подключаю по инструкции https://dronebotworkshop.com/esp32-cam-intro/ через FTDI esp32-cam. (GPIO 0 подключен к GND, что рядом с ним) в меню Инструменты > Плата и выбираю модуль ESP32 Wrover В меню Инструменты > порт выбираю COM-порт, к которому подключен ESP32 (/dev/ttyUSB1 (устройство одно)) В меню Инструменты > Partition Scheme == “Huge APP (3MB No OTA)“ Нажимаю кнопку ESP32-CAM on-board RESET Затем нажмите кнопку Загрузка, чтобы загрузить код идет компиляция, после чего вот это сообщение: Arduino: 1.8.16 (Linux), Плата:"ESP32 Wrover Module, Huge APP (3MB No OTA/1MB SPIFFS), QIO, 80MHz, 115200, None" esptool.py v3.0-dev Serial port /dev/ttyUSB1 Connecting........_____....._____....._____ A fatal error occurred: Failed to connect to ESP32: Timed out waiting for packet header A fatal error occurred: Failed to connect to ESP32: Timed out waiting for packet header
Подключаете любой мост что вас есть накрест. Т.е. rx esp -> tx моста, tx esp -> rx моста. GND соединить у esp и моста. Открываете любым терминалом порт моста. Жмете reset на esp. Должны появится что то типа такого: Rebooting... ets Jul 29 2019 12:21:46 rst:0xc (SW_CPU_RESET),boot:0x13 (SPI_FAST_FLASH_BOOT) configsip: 0, SPIWP:0xee clk_drv:0x00,q_drv:0x00,d_drv:0x00,cs0_drv:0x00,hd_drv:0x00,wp_drv:0x00 mode:DIO, clock div:1 load:0x3fff0030,len:6396 Если не появляется проверяете питание на esp и т.п.
Николай
тут ещё могут быть нюансы, если юзер не имеет доступа к порту (не добавлен в соответствующие группы) - но это уже зона ответственности автора вопроса
по этому же порту прошивается UNO R3. Может конечно и дополниительные какие-то права нужны. Но ведь тот же FTDI при замыкании TxRx отлично в терминале транслирует всё поданное на выход
Николай
А если GPIO0 на GND что с питанием приземлить так можно?
Andy
питание уже и внешнее подбрасывал :( картина одинаковая. Насколько я понял - GND на ESP32-CAM не связаны между собой? дело в том, что если подать +5 на GND что рядом с ним - то вспышка даже не светится. принимает только GND, что рядом с U0T.
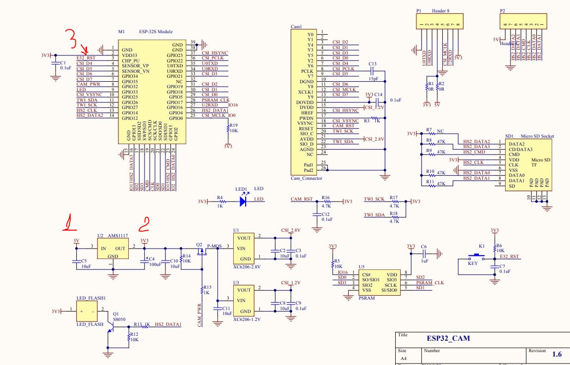
Т.е. на терминале у вас пусто. Тогда наичнайте с питания. Вот по этой схеме проверте https://i1.wp.com/randomnerdtutorials.com/wp-content/uploads/2020/03/ESP32-CAM-AI-Thinker-schematic-diagram.png?quality=100&strip=all&ssl=1
Николай
а нажатие RESET эквивалентно приземлению GPIO0 ?
Николай
Т.е. на терминале у вас пусто. Тогда наичнайте с питания. Вот по этой схеме проверте https://i1.wp.com/randomnerdtutorials.com/wp-content/uploads/2020/03/ESP32-CAM-AI-Thinker-schematic-diagram.png?quality=100&strip=all&ssl=1
😳😢😭 я электротехнику сдавал 20 лет назад. За схему - спасибо. вот только с чего начать? у меня мультитестер есть....
Serg
И покажите вывод с сом порта с пересычкой gpio0 на землю и без.
Николай
А зачем вы +5В подавали на землю?
не +5В на землю, а минус от блока питания даёт питание только если его на определённый пин подать. а не на любой пин помеченный GND
Serg
Там скорость только 78 с чем-то.
Serg
"дело в том, что если подать +5 на GND что рядом с ним - то вспышка даже не светится." Значит не правильно понял.
Serg
не +5В на землю, а минус от блока питания даёт питание только если его на определённый пин подать. а не на любой пин помеченный GND
Где то была информация про неправильную землю. Тогда потключите прогроматтор к правильной земле.
Николай
а земля должна звониться между собой? там 3 пина с землёй - они должны быть в коротком между друг другом?
Serg
Ну в общем да, должны.
Viacheslav
Ребят, присоветуйте какой мосфет взять в чип-дип для управления нагрузкой (ШИМ светодиодной ленты на 12 и 24 В, не более 5А, скорее даже 3) с esp32? Взял для пробы irf3205pbn - не открывается до конца. irl3705npbf сможет меня спасти? Или может какой другой более дешёвый вариант?
Dmitriy
3401 - пара к нему п канал.
Viacheslav
Спасибо!
Serg
Вот.
Serg
кстати...
Serg
ради справедливости надо заметить, что это не первый модуль, где вижу странный GND на нем, суко +3.1в
Serg
поэтому всегда приходится использовать любой другой.
Denisio
помню была серия esp8266 где на плате были перепутаны 4 и 5 (SDA и SCL)
Denisio
но вот GND с +3.1 это конечно чота не то
Serg
но вот GND с +3.1 это конечно чота не то
Вот я тоже удивился, но это не моё.
Peter
CHG == CHARGE
Ihor
ребята, привет у меня вопрос по ESP32. рядом работают два устройства, одно собственно ESP32-CAM, второе esp8266. 32 делает фотку, шлёт ее в по вайфай, уходит в глубокий сон на 5 минут 8266 читает uart esp32 и шлёт его по вайфай(прошивка esp-link) так вот, работает эта связка нестабильно, я думаю что посылка логов мешает отсылке фоток из-за интерференции. вопрос: можно ли настроить какую-то ретрансляцию, чтобы пакеты не терялись а пытались отправиться заново?
Ihor
как в целом дебажить такие сетапы, когда устройство вроде работает но раз в сутки подвисает наглухо?
Slava
Смотрите, завидуйте, не прошло и сто лет как я сделал это... Включалка компьютера синей кнопкой пульта от телевизора.
Slava
Николай
Ну в общем да, должны.
Проверил. GND который возле GPIO1 к двум другим GND имеет сопротивление в 808 Ом. А вот они между собою в коротком. Значит ли это, что нужно бросить перемычку с любого из них на третий?
Николай
пока никуда. Я сейчас прозванимаю - отключил от всего
Andrey
может он к какому-то выходу подключен и вывод 1 на этот выход устроит вам пробой
Andrey
808 ом маловато для входного сопротивления CMOS
Роджер
Нашел метод Serial.readString, он автоматом ждёт конца строки и потом выдает результат.
Николай
Andrey
опечатался - 908 Ом. так норм?
нет, килоомы должны быть - раз в 10 больше
Николай
следовательно? бросать перемычку к прочим GND или только спалю этим?
Valeriy
Valeriy
доброго времени суток. пытаюсь разобраться как писать в VS Code + Platformio + freertos + arduino, не могу понять, как работает idf_component_register в CMakeLists. как-то я неправильно использую SRC_DIRS, и мой соус не находится правильно. как надо?
Dmytro
Покажите plaformio.ini
Valeriy
Anonymous
Подскажите как можно реализовать работу реле на вэбсервере совместно с сенсорной кнопкой
Anonymous
Начал изучать недавно нашел скетч как настроить вэбпанель на esp 32 подключил реле на пин 26 и так же подключил сенсорную кнопку ttp223 но когда через сервер состояние он то реле через кнопку не работает а при состоянии офф работает . К тому же заметил что светодиод на реле горит не так ярко
Slava
А чем WakeOnLan не понравился?
А как это сделать с дивана? Да и плата у меня глупая, управление питанием на ней отсутствует. Такая вот нонейм плата с али.
Nick
Ну если вечером заняться нечем, то сойдёт, конечно.
Юрий
А как это сделать с дивана? Да и плата у меня глупая, управление питанием на ней отсутствует. Такая вот нонейм плата с али.
Для WakeOnLan никакое управление питанием не нужно, когда-то давно на Atmega с Ethernet делал, с esp по идее и ethernet не нужен.
Юрий
Да, можно и без контроллера, есть приложение для телефона.
Юрий
Выключить через wol сможешь комп?
За выключить никто не говорил😁
Uladzimir
и что там, просто кнопка замыкается релюшкой?
Uladzimir
Если так, то там бы и какой-нибудь ATtiny13 вполне хватило бы на это - сигнал с пульта расшифровать и релюшкой щёлкнуть - ESP32 для этого жирновато как-то будет...
Uladzimir
ATtiny покупал как-то на алиэкспрессе $1,5 за пяток штук
Uladzimir
А этот модуль на ESP32, думаю, около $5
Uladzimir
уже недоступен конкретно этот лот
Evgeniy
уже недоступен конкретно этот лот
ммм отдельно микроконтроллер?
Evgeniy
без платы?
Evgeniy
и че с ним делать? )))
Slava
А этот модуль на ESP32, думаю, около $5
О, да, сэкономить 4 доллара и потратить две недели на её изучение?
Uladzimir
хех
Uladzimir
у меня та же проблема с ESP32
Evgeniy
ну это же как минимум не удобно )
Uladzimir
как бы найти время на её изучение :)
Evgeniy
так что ты хочешь изучить. Мне кажется. тут ты либо делаешь, если тебе надо, либо не делаешь. Смысл что то изучать?