Slava
Тоже на оптопаре делал, так безопаснее для платы.
Можно подробнее, какая оптопара? Какая маркировка? Можно фото? В образовательных целях на будущее?
CRM
Можно подробнее, какая оптопара? Какая маркировка? Можно фото? В образовательных целях на будущее?
Да любая каторая есть, главное, чтобы хватало напряжения для открытия, если нужно добавляете резистор для ограничения тока, фоторезистор используете как обычную кнопку. Таким образом переделывал увлажнитель, устройство работает уже больше года, все стабильно.
Slava
ок, сам сделаю и никому не скажу как
CRM
Сфоткать не могу все собрано, разбирать ради пару фото не буду. Сложного тут ни чего не, если знаете как использовать светодиод или кнопку, то проблем не должно возникнуть.
Алексей
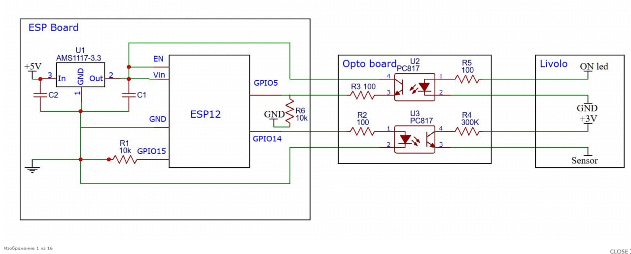
Вот пример с выключателем
CRM
Вот пример с выключателем
для кнопок пины лучше приземлять
CRM
а мод использовать как INPUT_PULLUP
Алексей
Возможно. Но в таком виде оно работает уже года 4 на 15 выключателях. Сейчас, правда, буду переделывать на zigbee
CRM
Хозяин барин.
Георгий
Вот пример с выключателем
300K при 3V. И работает? По даташиту 817 минимум 1мА нужен. Поправьте если я ошибаюсь.
Георгий
Работает. 300К это на сенсор
🤷. Тупанул. Но всё-таки думаю многовато.
Алексей
🤷. Тупанул. Но всё-таки думаю многовато.
Проверено, работает. На каком-то одном менял на 200
Андрей
Привет. Кто нибудь поможет запрогромировать esp8266. Нужно что бы менялось напряжение от 0 до 5 вольт на какомнибудь пине. И как то надо в НА это все дело пробросить.
Андрей
на пинах может в диапазоне от 0 до 3.3 меняться, это же не ардуина..
Задача автоматизировать клапан канала вентиляции. Поворот его осуществляется напряжением от 0 до 5в . При помощи сервопривода на 180 градусов тестера для сервоприводов. Так что подайдет 3.3в. Как мне написать такой скеч? И в хоме асистант завести как диммер например.
⁣🇺🇦
Подскажите проверенного продавца с esp32 wroom на алике, я у троих заказал два не отправили, написали мол закончились, третий прислал esp8266 который не работает
Denzel_KOT_Washington
270,40 руб. -20% | ESP-WROOM-32 макетная плата WIFI + Bluetooth двухъядерный процессор с низким энергопотреблением ESP32 CP2102 https://a.aliexpress.com/_A9hhCA
⁣🇺🇦
Прям фартовый, сколько заказывал всегда всё в порядке было.
В прошлом году заказывал 8266 было все збс, а в этом году чёт никак
CRM
Последний раз брал у этого https://aliexpress.ru/item/32959541446.html
Denzel_KOT_Washington
вот тут брал еще, быстрая доставка, но дороже:
Denzel_KOT_Washington
Делайте покупки на AliExpress с купонами для новичков Эти 76,60 руб. для тебя! https://a.aliexpress.com/_A9tOJY
🤙🏻 ℙ𝔸𝕍𝔼𝕃
https://aliexpress.ru/store/2178016?spm=a2g39.orderlist.0.0.3f394aa6iteM1z&_ga=2.169947168.1015736896.1629700125-389954385.1625831393&_gac=1.18938570.1628496777.CjwKCAjwpMOIBhBAEiwAy5M6YLhytFw9NUHfMSfSfCGQKId0uZ_xHzZlMG79kmGZaRWb4hsLNXeryxoCKdMQAvD_BwE
🤙🏻 ℙ𝔸𝕍𝔼𝕃
https://aliexpress.ru/item/32842731763.html?spm=a2g39.orderlist.0.0.3f394aa6iteM1z&_ga=2.141168946.1015736896.1629700125-389954385.1625831393&_gac=1.47246293.1628496777.CjwKCAjwpMOIBhBAEiwAy5M6YLhytFw9NUHfMSfSfCGQKId0uZ_xHzZlMG79kmGZaRWb4hsLNXeryxoCKdMQAvD_BwE&item_id=32842731763&sku_id=65137637714
CRM
вот тут брал еще, быстрая доставка, но дороже:
достаточно быстрая доставка если заказывать в пункт выдачи.
⁣🇺🇦
Спасибо. Еще кто-то когда-то скидывал плату в которую можно было вставлять esp32 без пайки чтобы прошить и т д
⁣🇺🇦
ни у кого нету ссылки?
⁣🇺🇦
нашел
Юрий
Я себе заказал для быстрой прошивки и проверки, зелёную, раза в три дешевле тех с контактами, сначала припаял подогнутые контакты, но в таком варианте они быстро разгибаются, поэтому просто напаял припой на нужных контактах и придумаю пальцем.
Юрий
Юрий
⁣🇺🇦
и удобно?
Юрий
Ну да, а какие проблемы?
Юрий
Я за пол часа прошил и проверил 20 модулей
⁣🇺🇦
ну хз, пальцем прижимать не кажется удобным занятием
Юрий
Там за счёт наплавки припоя получилось что модуль как бы сам фиксируется только прижать и все
Юрий
Понятно, что если нужно что-то долго делать, то лучше фиксировать, но мне только прошить и запустить.
Юрий
После того как из партии 2 модуля запаянных начали тормозить и их пришлось выпаивать, что крайне неудобно, решил заказать такой вариант.
⁣🇺🇦
понятно, я уже заказал с контактами, может позже тоже такую закажу, если проблемы будут
Юрий
Там есть вариант на черной плате, он мне больше нравится, чуть дороже.
⁣🇺🇦
Юрий
https://m.aliexpress.ru/item/1005001315677299.html?spm=a2g0n.orderlist-amp.item.1005001315677299&aff_trace_key=&aff_platform=msite&m_page_id=2987amp-e74x3CsPwoe8uROEyn4FtA1629703639482&browser_id=cfbda93e09b046d085fea9c2766f1d59&is_c=Y
Юрий
https://m.aliexpress.ru/item/32800254784.html?spm=a2g0n.orderlist-amp.item.32800254784&aff_trace_key=&aff_platform=msite&m_page_id=8803amp-e74x3CsPwoe8uROEyn4FtA1629703700668&browser_id=cfbda93e09b046d085fea9c2766f1d59&is_c=Y
Георгий
⁣🇺🇦
Ну так возьми зажимы канцелярские
как-то костыльно звучит, ну да ладно
Denis
Привет. Имею nodemcu esp8266. Почему он запоминает что было на цифровой ноге? Нет питания пишет нет, подал питание пишет есть, снова убрал питание он все равно пишет что есть. Или так должно?
Denis
Я думал ток аналог к земле тянут
Slava
Я думал ток аналог к земле тянут
Схемы поизучай на примере m5stack или какие найдешь от профессинальных разработчиков.
Denis
Да я ток начинаю изучать в голове уже каша. Раньше не сталкивался вообще. Кусками начитался надписей с заборов
Denis
Да оно как всегда во время упирается. Пытаюсь 3 готовых куска соеденить и естественно заблудился
Denis
Пытаюсь вкл пк через телеграмм бота с проверкой есть ли питание на power led
Denis
С вкл и выкл разобрался. А вот с наличием питания застрял
Slava
Пытаюсь вкл пк через телеграмм бота с проверкой есть ли питание на power led
Супер, молодец, тоже хочу такую сделать, комп ребенку выключать. Покажи схему.
Denisio
С вкл и выкл разобрался. А вот с наличием питания застрял
надо брать период и смотреть были ли включения за этот период, он же активен только в момент работы диска
Denis
На левую часть не обращайте внимание
Denisio
я бы воткнул параллельно диоду HDD вход оптрона через резистор
Denisio
заодно получишь гальваническую развязку
Denisio
так я про hdd led и пишу
Denisio
ну и на powerled также
Denisio
вот тебе сдвоенный оптрон https://www.chipdip.ru/product/pc827-ltv827c
⁣🇺🇦
еще размыкать контакт от кнопки включения ПК, чтобы если ПК выключился то и включить нельзя) кнопка просто не работает
Denis
ну и на powerled также
Вроде должен постоянно гореть. Блин над понаблюдать😲
Denisio
powerled да, постоянно
⁣🇺🇦
а вообще не проще сделать какойнить простенький сервис который будет на кампе работать и выключать его?
⁣🇺🇦
автозапуск при старте системы...
Denis
powerled да, постоянно
Ну да я по нему и проверяю