Василий
Ребята подскажите, может кто встречал такое модули ESP-07 - работа с AT командами, из 20 модулей, 18 работает нормально, - два - на команды AT выдают busy p ...что за беда с ними..как лечить?
Василий
инет пишет..что какой то баг прошивки - но блин все с одинаковой прошивкой, а два ..чудят
sat
перешей
Daniil
Кто нибудь тут занимался rgb истрицами? Я пишу свою библиотеку для таких и нихрена не пойму. Я должен пинами rgb за один такт загнать в регистр данные для каждого светодиода. Что это за данные? Я туда какое-то число отправить должен или там по принципу ШИМ все работает?
sat
W2812 ?
sat
ССЫЛКА НА МАТРИЦУ
Daniil
ССЫЛКА НА МАТРИЦУ
Зачем ссылка? Я сейчас спрашиваю фундаментальные вещи которые у всех матриц должны быть идентичны
Daniil
ССЫЛКА НА МАТРИЦУ
Я определенную матрицу не выбирал.
Daniil
ССЫЛКА НА МАТРИЦУ
Хочу, чтоб юзались все.
⁣🇺🇦
Я определенную матрицу не выбирал.
Потому что они работают по разному
⁣🇺🇦
Хочу, чтоб юзались все.
Значит надо делать несколько вариантов библиотеки
Daniil
На таких вот регистрах
Mr.Mait
Эти китайцы клепают постоянно разные матричные панели, я задолбался разгадывать алгоритмы заливки пикселей в строку, то зиг загом, то по 16 пикселей и т.д. Заказываем партию и каждый раз лоторея
Mr.Mait
Кто нибудь тут занимался rgb истрицами? Я пишу свою библиотеку для таких и нихрена не пойму. Я должен пинами rgb за один такт загнать в регистр данные для каждого светодиода. Что это за данные? Я туда какое-то число отправить должен или там по принципу ШИМ все работает?
Выставляешь пины rgb1 и rgb2, строку abc(abcd, abcde), делаешь clk, потом снова rgb выставляешь, делаешь clk, так каждый пиксель задвигается. Еще надо учитывать сколько строк и сколько пикселей можешь в одну строку задвинуть. У матричных бывает за одну строку задвигаются несколько строк, надо читать про row scan. Когда задвинул строку, делать lat. Это отобразит задвинутые пиксели. Меняешь строку abc на след и опять задвигаешь пиксели, и так по кругу. Шимом ток OE управлять, это яркость. Ну как то так кратко объяснил. Ах да rgb1 первую половину панели управляет, rgb2 вторая половина. А еще головная боль начнется, когда несколько панелей нужно
Mr.Mait
А что значит "выставляешь пины"? Ножкой дрыгать просто? Тогда как регулииуется глубина цвета?
Да, ножки дрыгать. Программно медленно, на stm32 через dma и таймеры делается. Полностью аппаратно рисуется
Mr.Mait
Базовых цветов всего 8 0 0 0 0 0 1 0 1 0 и т.д. Хочешь 16млн цветов, то надо иметь 8 буферов и попеременно менять пиксели и получается эффект многоцветности. Программно можно, но запомни, что панель не вечно высвечивает пиксели, а милисекундно и эту панель надо бесконечно обновлять по кругу. Если там вывести надо статичную картинку или текст, то и програмнно подойдет, если анимации, бегущие строки, то лучше аппаратно или на не мк делать(пк, разбери и т.д.)
Mr.Mait
Вот наглядная статья https://www.sparkfun.com/news/2650
confederatioHelvetica
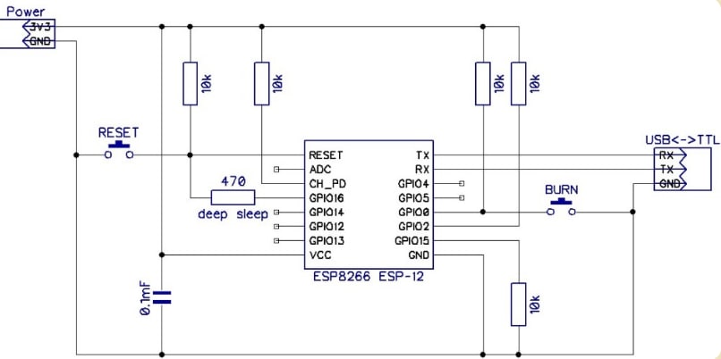
Господа, приветствую всех. Прошу помочь инфой или ссылкой на инфу, тк сам перерыл всё, что можно, но ответа на свой вопрос не нашёл. Вопрос: пилю потихоньку метеостанцию на ESP8266, хочу сделать её автономной, соответственно, без deepSleep никуда, но беда в том, что а) на одной плате контроллер не выходит из глубокого сна. Даже если написать пробный код из трёх строчек - запуск сериал, вывод теста в сериал, уход в сон, пробуждение, то всё это работате лишь один раз, потом не просыпается. На другой плате (Тспольую аналог NODEmcu), сон и пробуждение работает, но периодически, раз в несколько дней зависает и надо нажимать кнопку ресет... Обвязку из резистров и конденсаторов, как по даташиту, собирал - ичего не помогает
confederatioHelvetica
Нужно соединить gpio16 (он же D0) и RST
это сделано. Причем, по даташиту. с резистором 470Ом
Леонид
это сделано. Причем, по даташиту. с резистором 470Ом
позвольте полюбопытствовать что за аналог nodemcu?
confederatioHelvetica
На длинной nodemcu у меня дип слип вообще не работал. На англоязычных форумах вычитал, что там разводка какая-то не такая.
Леонид
С такой не работал. А вот такая (https://aliexpress.ru/item/32724692514.html) себя очень не плохо зарекомендовала.
confederatioHelvetica
вот, чтобы не быть голословным
confederatioHelvetica
Может там встроенный юсбттл глюки вносит? Тупо сильно к + резет подтягивает?
тут ттл можно отсоединить и, судя по тому, что светодиод не моргает, делу это не помогает
confederatioHelvetica
да, обычный код без глубокого сна работает нормально
Владимир
тут ттл можно отсоединить и, судя по тому, что светодиод не моргает, делу это не помогает
Ну с нижней стороны нет фотки ни чего не скажу. Но у меня одна на ch3400 не требует нажимать резет после прошивки да и на прошивку сама встаёт. Так что тут может быть вопрос.
confederatioHelvetica
Ну с нижней стороны нет фотки ни чего не скажу. Но у меня одна на ch3400 не требует нажимать резет после прошивки да и на прошивку сама встаёт. Так что тут может быть вопрос.
Пардон муа, вот фотка. Конвертер на 340 чипе. С резетом тоже не все так просто. Если есть перемычка на резет, то необходимость нажимать на несёт зависит от погоды на марсе
confederatioHelvetica
кстати, вторая такая плата работает. Не скажу,что к ней нет вопросов - зависает раз в несколко дней, но на форумах пишут, что это изза прерываний. якобы, глубокий сон и прерывания не дружат меж собой
confederatioHelvetica
Стаб на 3.3в
Владимир
Тогда предлагаю тупо ткнуть минусом в резет. Перед этим тестером глянуть на нем напряжение. Может непропай.
Владимир
Где на нем? На резете?
да на пине Резет на модуле и на гребенке... да и вообще контакт проверить между площадками на модуле и пинами..
confederatioHelvetica
да на пине Резет на модуле и на гребенке... да и вообще контакт проверить между площадками на модуле и пинами..
ну, если минусом тыкат в резет, то у платы происходит резет. код работает. это без перемычки. Если с перемычкой и не тыкать минусом, то получается вот что
confederatioHelvetica
confederatioHelvetica
сначала всё ок, проц пишет im awake, потом пытается проснуться еще раз и получается вот эта лажа с ets jan 8 2013///
Владимир
Mode 3 6 это что? Я на память не помнню
confederatioHelvetica
Мне кажется, это китайское поделие проще выкинуть. На плате стоит стаб на 3.3 вольта, но на пине vcc - 5v. Судя по всему, прямо с юсб разъёма. На пинах res-16 напряжение разное. От 3.3 до 4.6 вольт. Причём, меняется, судя по всему, после срабатывания таймера. Пока плата"спит" - 4.6. Когда она проснулась - 3.3. Ноль тоже иногда бывает.
confederatioHelvetica
Чудеса, короче
Viter
Посоветуйте какой выбрать сервер MQTT
🤙🏻 ℙ𝔸𝕍𝔼𝕃
Посоветуйте какой выбрать сервер MQTT
Поиск по чату, 10000 раз уже обсуждалось))
Viter
Я попросил какой, а не где, два слова ответ
🤙🏻 ℙ𝔸𝕍𝔼𝕃
Под какую ОС хотя бы 💁
Viter
Мне для ESP надо
Mr.Mait
На длинной nodemcu у меня дип слип вообще не работал. На англоязычных форумах вычитал, что там разводка какая-то не такая.
http://www.count-zero.ru/2018/esp8266/ К недостаткам платы NodeMCU я отнесу то, что она не умеет работать с режимом глубокого сна ESP8266 (deep sleep). После "засыпания" проснуться ESP8266 уже не может, приходится нажимать Reset.
🤙🏻 ℙ𝔸𝕍𝔼𝕃
Мне для ESP надо
Сервер на ESP??
Pawel
На рядовых платах это не предусмотрено.
Viter
Сервер на ESP??
Не ну зачем такие вопросы тупые задавать
🤙🏻 ℙ𝔸𝕍𝔼𝕃
Viter
Просто это странно
Не знаешь темы не лезь со своими задроками
🤙🏻 ℙ𝔸𝕍𝔼𝕃
Окей))
Mr.Mait
Где-то давно читал, что для реализации глубокого сна нужно разводку немного переделать.
К преимуществам данной схемы я могу отнести то, что режим энергосбережения deep sleep здесь работает без каких-либо вопросов. Сам бы я не скоро догадался, что для этого надо ставить резистор на GPIO16.
Viter
Окей))
CloudMQTT стал платным, чем можно заменить по надёжности и free
Mr.Mait
На вот этой, кстати, раьотает глубокий сон?
Вот по твоей ссылке увидел это, думаю самому резистор надо паять