Lucifer
вопрос только почему?
Lucifer
ибо та же самая схема на предидущей плате работала норм
🤙🏻 ℙ𝔸𝕍𝔼𝕃
питания не хватает
Я ж говорил =)) Корчиневая тревога =))
Lucifer
осталось разобраться почему dc-dc такой маленький ток дает ибо должен давать 1 ампер
Lucifer
мб индуктивность слабая
Dmytro
Есп в пике больше ампера потребляет
🤙🏻 ℙ𝔸𝕍𝔼𝕃
Dmytro
0.8 же вроде как 🤔
Ну, имел ввиду около ампера)
Lucifer
Lm2623
Lucifer
В предыдущей плате все ок было
Lucifer
Я кажись нашёл косяк
Lucifer
Питание щя подавал через модуль заряда тр4056
Lucifer
От него питаются светодиоды и сам он был в режиме заряда
Lucifer
А аккума не было а у него жёсткое ограничение по току выставлено
Lucifer
Щя запитал от гнезда логики 5в. Оно обходит модуль заряда
Lucifer
И все заработало
Lucifer
Щя уехал в магаз, вернусь, за питаю от аккума
Lucifer
Потребление 110мА
Lucifer
Причём 110мА в режиме скана вифи. На старом чипе потребление в два раза выше было оО
Lucifer
ОО, збс
Serg
Lm2623
Так это вроде пошайка или за ним ещё и линейный стоит на 3,3В?
Serg
А питать от аккумулятора планируете?
Serg
Получается двойное преобразование?
Lucifer
Получается двойное преобразование?
Да, сперва до 5в потом до 3.3в
w
Что-то самописное тут довольно просто делается, не вижу смысла в каком-то фреймворке.
Бутстрап чтоб быстро и красиво вебморду ктбазе на пхп слабать
Lucifer
Какая-то неестественно дич происходит
Lucifer
Питания не хватает чтоб не делал. Осталось только индуктивность заменить
Lucifer
Есть ещё шанс кз. Ибо диод чёт сильно греется
Lucifer
Но 5в дает
Serg
Какая-то неестественно дич происходит
Точно не помню, но где-то было написано, что повышайка нестабильно работает когда входное напряжение близко к выходному. Попробуй для эксперимента снизить напряжение входное до 3 В.
w
Что надо 3.3 запитывать? Любой линейный в сот23-5 отлично справляется с 5>3.3 Но слабоват, 300-400ма
Andy
dc/dc разные бывают, надо в datasheet смотреть. Что касается линейных стабилизаторов, то например серия SPX3819 работает без нареканий. Единственный недостаток это большое потребление если разность между входным и выходным напряжением меньше определенного порога
⁣🇺🇦
Может у кого было, устройство полежало ночь в работе (подключенным к выводу логов) и вот теперь толи вечный ребут толи просто переподключается к кампу
⁣🇺🇦
вчера вечером все отлично работало... решил оставить чтобы проверить утечки памяти (постоянно вывод в логи памяти, сколько свободной перед выполнением операции после и т д....
⁣🇺🇦
вчера вечером все отлично работало... решил оставить чтобы проверить утечки памяти (постоянно вывод в логи памяти, сколько свободной перед выполнением операции после и т д....
хм, проблема не с самим модулем, подключил к зарядке от телефона и работает (http запросы шлет исправно) (чего не было при подключении к PC)
🤙🏻 ℙ𝔸𝕍𝔼𝕃
Помогите плз, хочу собрать «твердотельное реле» из … подручных средств. Есть симистор до 4А и оптосимистор до 0.1 А. Вопрос, как посчитать R1 чтоб оптопара не выгорела 🤔
🤙🏻 ℙ𝔸𝕍𝔼𝕃
Нагрузка будет 4 диодные лампочки по 6 Вт.
Resident
В компе usb 2.0 ~500ma
Resident
Usb 3.0 ~900ma
⁣🇺🇦
Какой ток в порту усб на пк и какой в зарядке?
Какой ток у usb честно не знаю но у меня помимо питания от usb подключен внешний источник питания на 5в 3А (потому что на плате еще и gsm модем а ему нужно 2А в пике) и естественно земли соеденены
Resident
Юсб в компе не самая стабильная штука для питания
⁣🇺🇦
*внешний блок питания на 3 ампера
⁣🇺🇦
вставил в другой usb разьем кампа и нормально работает.. вообще странная тенденция, уже 2 разьема не хотят работать с платой
⁣🇺🇦
причем с остальными устройствами работают по прежнему хорошо
🤙🏻 ℙ𝔸𝕍𝔼𝕃
А с резистором-то кто подсобит?))
🤙🏻 ℙ𝔸𝕍𝔼𝕃
Лампочи будут есть 0.11А =))
🤙🏻 ℙ𝔸𝕍𝔼𝕃
Я так понимаю что туда можно любой резистор поставить?
Dmytro
А с резистором-то кто подсобит?))
Так гляньте номиналы в интернете. Типовая же схема
Dmytro
Номиналы чего?
Номиналы резистора, который вам нужен
Dmytro
Dmytro
Dmytro
Как видите, в основном используют 2 резистора. И снаббер тоже крайне рекомендую
🤙🏻 ℙ𝔸𝕍𝔼𝕃
Спасибо. а снаббер мне зачем, у меня там ничего вроде как индукцию не наводит. обычные лампочки в люстре =)
🤙🏻 ℙ𝔸𝕍𝔼𝕃
?
🤙🏻 ℙ𝔸𝕍𝔼𝕃
снаббер это же резистор + кондей?
🤙🏻 ℙ𝔸𝕍𝔼𝕃
🤙🏻 ℙ𝔸𝕍𝔼𝕃
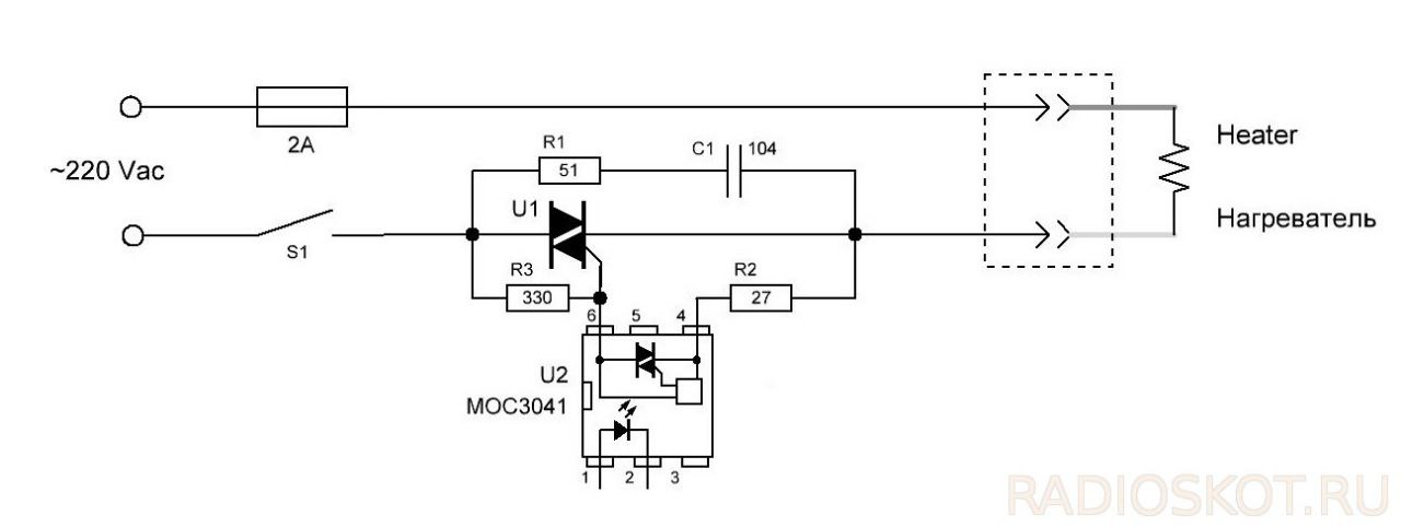
Т.е. оно должно начать выглядеть вот так?
Nikolay
Вроде не так
🤙🏻 ℙ𝔸𝕍𝔼𝕃
судя по предложенным схемам резистор до и после пары, с обратной стороны от семистора снаббер 🤔
🤙🏻 ℙ𝔸𝕍𝔼𝕃
снаббер
да, я понял =)
Nikolay
Nikolay
Правда снаббер не влез
Andy
да, я понял =)
ставьте всегда. Симистор такая штука, что бывает сама собой открывается без этого (и не закрывается :) ) Иногда паяльные станции феном пожар устрайивают по этой причине :)
Nikolay
В следующее постораюсь впихнуть снаббер
Andy
электробезопастностью тут и не пахнет :)
🤙🏻 ℙ𝔸𝕍𝔼𝕃
Это вемос или плата псб под еспху ?
Nikolay
Andy
Зато в коробочку влезло ))
Красиво, что тут скажешь. Главное, что бы потом коробочку в виде гробика не пришлось покупать :)
Nikolay
5 а предохронитель на входе поставил.