Сергій
и по фото гадается более эфективно
Dobrodeetel
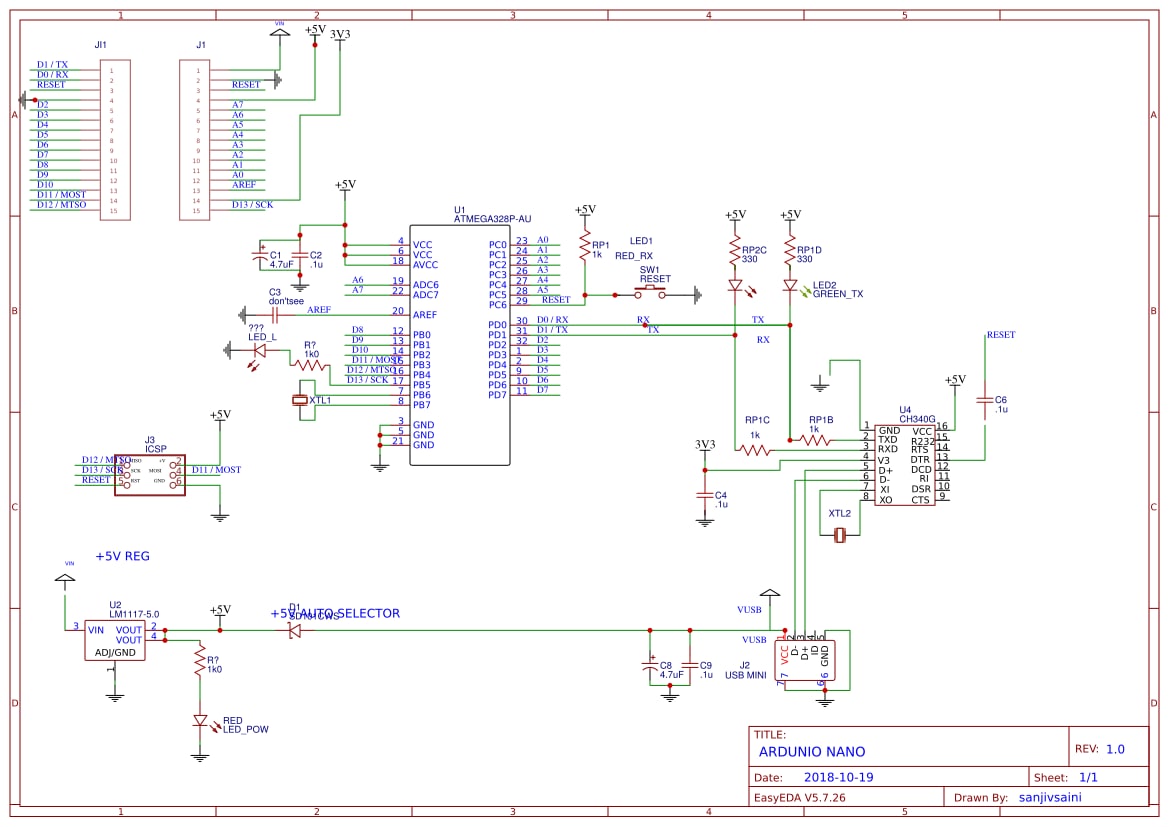
сколько на TX без передачи вольт?
это как? что конкретно замерить?
Dobrodeetel
это как? что конкретно замерить?
ну если я всё правильно замерял то 5в
Сергій
это не к вам было, но можете отключаете всё от ардуины оставляете перемычку - reset - gnd мультиметром меряете между gnd и RX
w
сколько на TX без передачи вольт?
Ну он вверх подтянут же. Зависит от обвязки, или 5 или 3.3
Сергій
Ну он вверх подтянут же. Зависит от обвязки, или 5 или 3.3
внутри ИМС в ардуине между usb uart и atmega320 часто последовательно просто 100..200 Ом, что бы uart не мешал работе ардуины с другими устрйоствами по rx tx
w
Я так не издевался ещё)
Сергій
Сергій
даже не 100 Ом, 1К
Сергій
Сергій
Dobrodeetel
Евгений
так и должно быть
Dobrodeetel
Странная вещь - он зажигается при малейшем изменении... цепи? типо rx подключен и когда я вставляю пустой провод в tx он зажигается и тухнет
Dobrodeetel
так и должно быть
мой косяк. но всё равно не горит. хотя общение прогой с ардуинкой есть
Dobrodeetel
начать бы с serial terminal
по подробней можно?) или инструкцию
Сергій
так и должно быть
верхний резистор можно вообще выкинуть нижнии пока что поставить по 1к. там внутри 1к уже стоит
Сергій
я просто сейчас понял, что оно занижает сильно , в таком подключении
Сергій
по подробней можно?) или инструкцию
просто открыть arduino ide открыть serial terminal передёрнуть питание esp01 что-то должно написать или крякозябры, или текст
Сергій
если крякозябры - поменять скорость в serial terminal
Сергій
у вас тут сейчас ни reset не подключен к GND
Сергій
ни 3.3В на макетку и esp
Dobrodeetel
Сергій
не, ок, 3.3 вижу
Сергій
а вот reset - нет
Сергій
так можно кому-то uart и спалить
Dobrodeetel
так ну продожим. он написал - а дольше что?
Евгений
.... а ябы уже попробовал другую схему, или эту проверил в 1000500 раз.
Сергій
Сергій
AT - это вы ему отправили?
Dobrodeetel
да. просто в каком то видосе увидел вот и отправил
Сергій
> а дольше что? 1. зафотать для себя, что бы в следующий раз не мучаться с подключением
Сергій
2. я бы слил прошивку
Dobrodeetel
так я ж даже подключится к нему не могу...
Сергій
да вот же
Dobrodeetel
да вот же
да но это он сам отправляет когда зажигается....
Сергій
AT и OK не сам отпраляет
Сергій
да но это он сам отправляет когда зажигается....
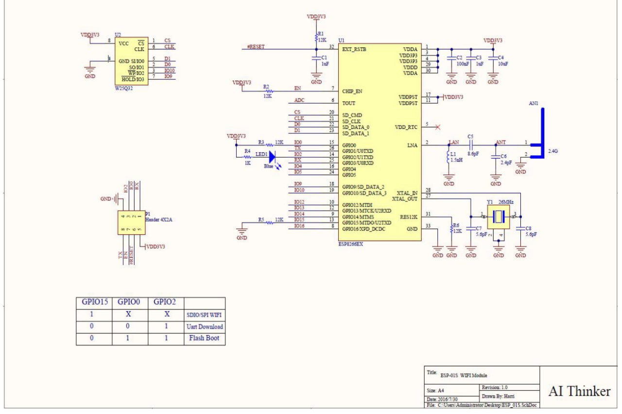
если просто прошить то закрыть arduino ide io0 к gnd прошивать
Сергій
а, питание передёрнуть на esp
Сергій
светодиод у него на io2 подключен по идее
Сергій
т.е. он им программно мигать может, включать, выключать
Сергій
Сергій
вообще, при переводе его в режим программирования или работы т.е. при переключении io0 потом надо либо reset ему делать, либо выкл-вкл питания
Сергій
но тут почему-то всё есть
Dobrodeetel
но тут почему-то всё есть
в том то и прикол)
Сергій
попробуйте в serial terminal c io0 к gnd там больше вероятность что только кракозябры будут
Сергій
тут какой COM был?
Сергій
spi mode - dio
Dobrodeetel
Сергій
можно и просто в воздухе болтаться
Сергій
ещё один вариант io0 на gnd arduino IDE file - examples - basic - blink в коде перед setup() пишете #define LED_BUILTIN 2 tools - board - esp8266 - generic esp8266 tools - flash size - 1M проверить прошить если прошилось - io0 от gnd отключить и перезагрузить esp01
Сергій
Мигает
Сергій
Что-то не так с прогой для прошивки
Сергій
Вы только что запрограммировали esp8266 своей прогой на arduino 🎉
Dobrodeetel
Второй вариант - да А если надо больше выводов - arduino делать как i2c slave
таааак - то есть всё что нужно это 3.3 вольта и всё? ну и для проги ардуинка - и я могу всё это контролить. класс
Сергій
Все - 4 пина
Dobrodeetel
Все - 4 пина
это каких? io0 io2 ииии
Сергій
Rx tx
Сергій
Без serial.begin
Dobrodeetel
Rx tx
понял. а есть номера у них? ну типо что за второй выход для светодиода?
Сергій
Dobrodeetel
понял. ну если не добьюсь проги с blynk то ещё приду)
Сергій
I2c Arduino
Dobrodeetel
I2c Arduino
а зачем мне?
Сергій
Больше релюшек влезет
Dobrodeetel
Больше релюшек влезет
ну я скорее всего просто пихану одну для лампы и всё)
Сергій
И уходите от blynk